Aérateur à conducteur debout 61 cm (24 po)
Informations produit
- Numéro de modèle : 39514
- Numéro de série : 406000000 - 409036652
- Type de produit : Aerators
Chargement...
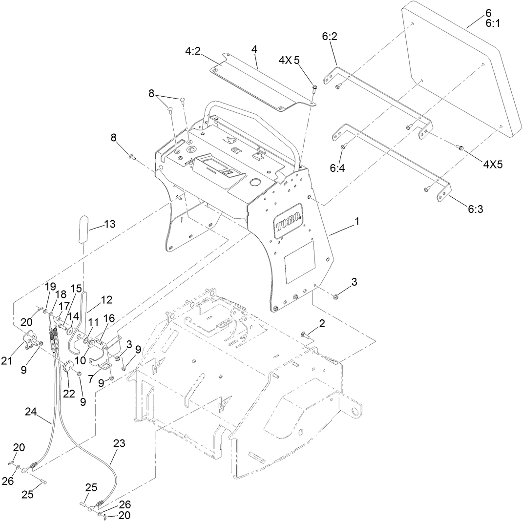
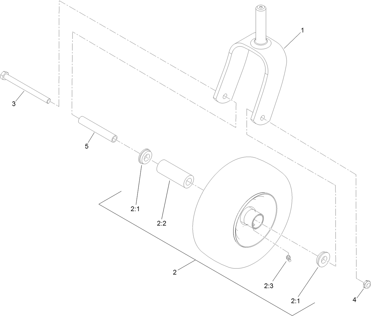
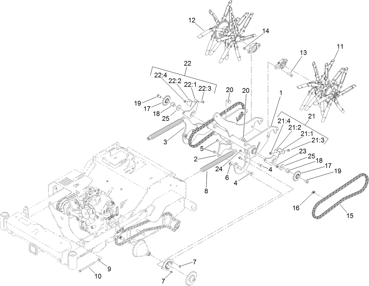
Schémas d'assemblage
Rechercher une pièce dans des schémas d'assemblage :
-
Manuel d'entretien
-
Manuel de l'utilisateur
-
Catalogue de pièces
-
Garantie produit
-
Numéro de modèle
39514 -
Numéro de série
406000000 - 409036652 -
Nom du produit
Aérateur à conducteur debout 61 cm (24 po) -
Marque du produit
Toro -
Type de produit
Aerators -
Série de produit
Turf Maintenance Equipment -
Type de Châssis
Stand On -
Largeur de travail
24 inch -
Éjection
Rear -
Fabricant du moteur
Kohler -
Taille de moteur
14 hp -
Type de moteur
4 Cycle -
Démarreur
Electric -
Type de transmission
Hydrostatic -
Type de Traction
Rear WD
-
Engine: Battery
12V 300CCA -
Engine: Engine Speed
3800±100 RPM -
Engine: Spark Plug Gap
.030"/ .76mm -
Engine: Spark Plug
NGK BR6HS -
Engine: Ignition Coil Air Gap
0.011in (0.3mm) -
Drive System: Gearbox Lubricant
HYPR-OIL 500 / 20w-50 Synthetic Motor Oil -
Engine: Engine Oil Type
1.8 US QT (1.7L) w/ filter change; 1.6 US QT (1.5L) w/o filter; 10w-30 / 10w-40 oil API SF or higher -
Drive System: Ground Speed
0 - 6.8 mph (10.9Km/Hr) -
Chassis: Tire Pressure
22 - 24psi (152 - 165kPa)



















