Road-Ready Pro Force Debris Blower
Informação de produtos
- N.º do modelo: 44539
- N.º de série: 310000001 - 310999999
- Tipo de produto: Commercial Debris Blower
A carregar...
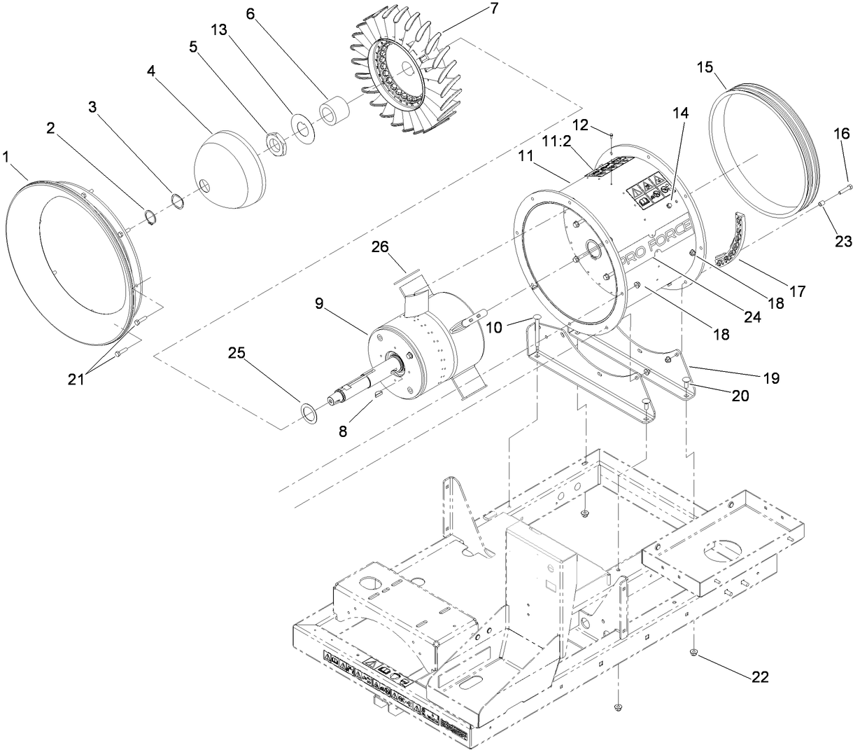
Esquemas de montagem
Procure uma peça nos esquemas de montagem:
-
Manual de manutenção
-
Manual do utilizador
-
Catálogo de peças
-
Declaração de conformidade UE
-
Boletim de serviço
-
N.º do modelo
44539 -
N.º de série
310000001 - 310999999 -
Nome do produto
Road-Ready Pro Force Debris Blower -
Marca do produto
Toro -
Tipo de produto
Commercial Debris Blower -
Série do produto
Turf Maintenance Equipment










