Groundsmaster 117
Produktinformation
- Modellnr: 30754
- Serienr: 7000001 - 7999999
- Produkttyp: Riding Products
Laddar ...
Monteringsritningar
Sök efter en artikel inom ritningar för montering:
-
Serviceanvisning
-
Bruksanvisning
-
Reservdelskatalog
-
Servicebulletin
Rear Weights (2) (Artikelnr 24-5790)
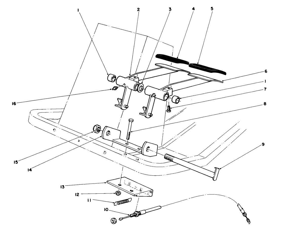
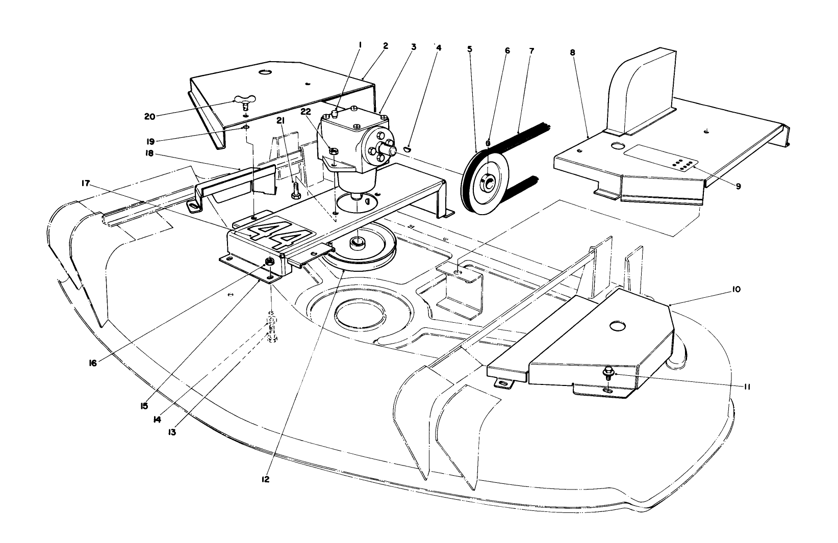
44" Side Discharge Mower (Artikelnr 30544)
Grass Collection System (Artikelnr 30576)
Shield Kit, Groundsmaster 200 Series (Artikelnr 30578)
Mulcher Kit, 52" Mower (Artikelnr 30700)
Leaf Spring Seat (Artikelnr 30746)
Grass Collection System (Artikelnr 30751)
Mulcher Kit, 44" Mower (Artikelnr 30752)
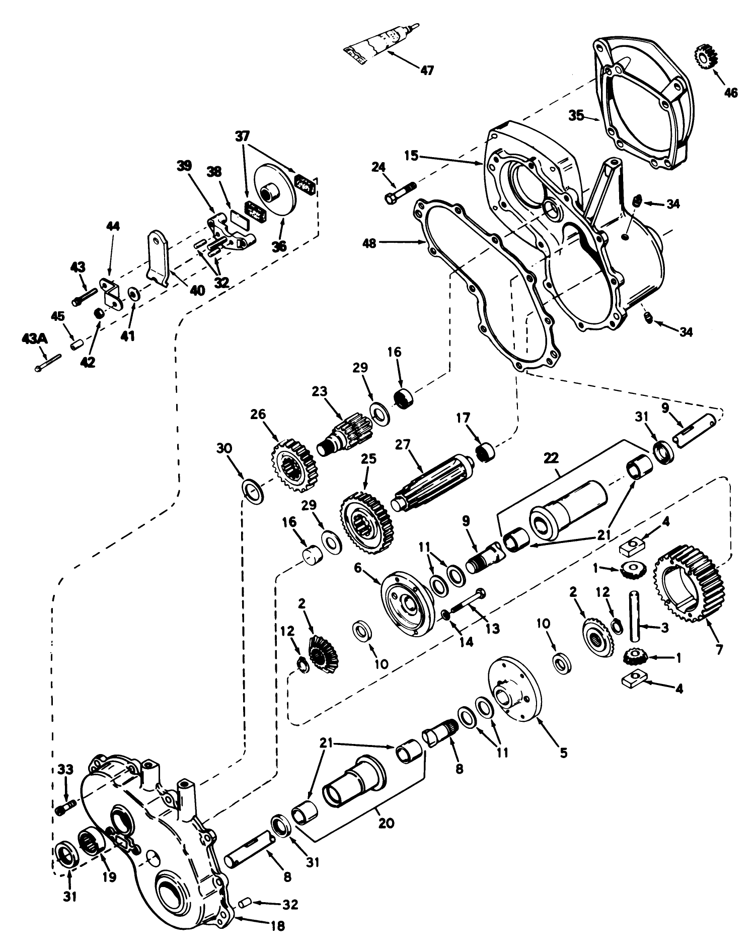
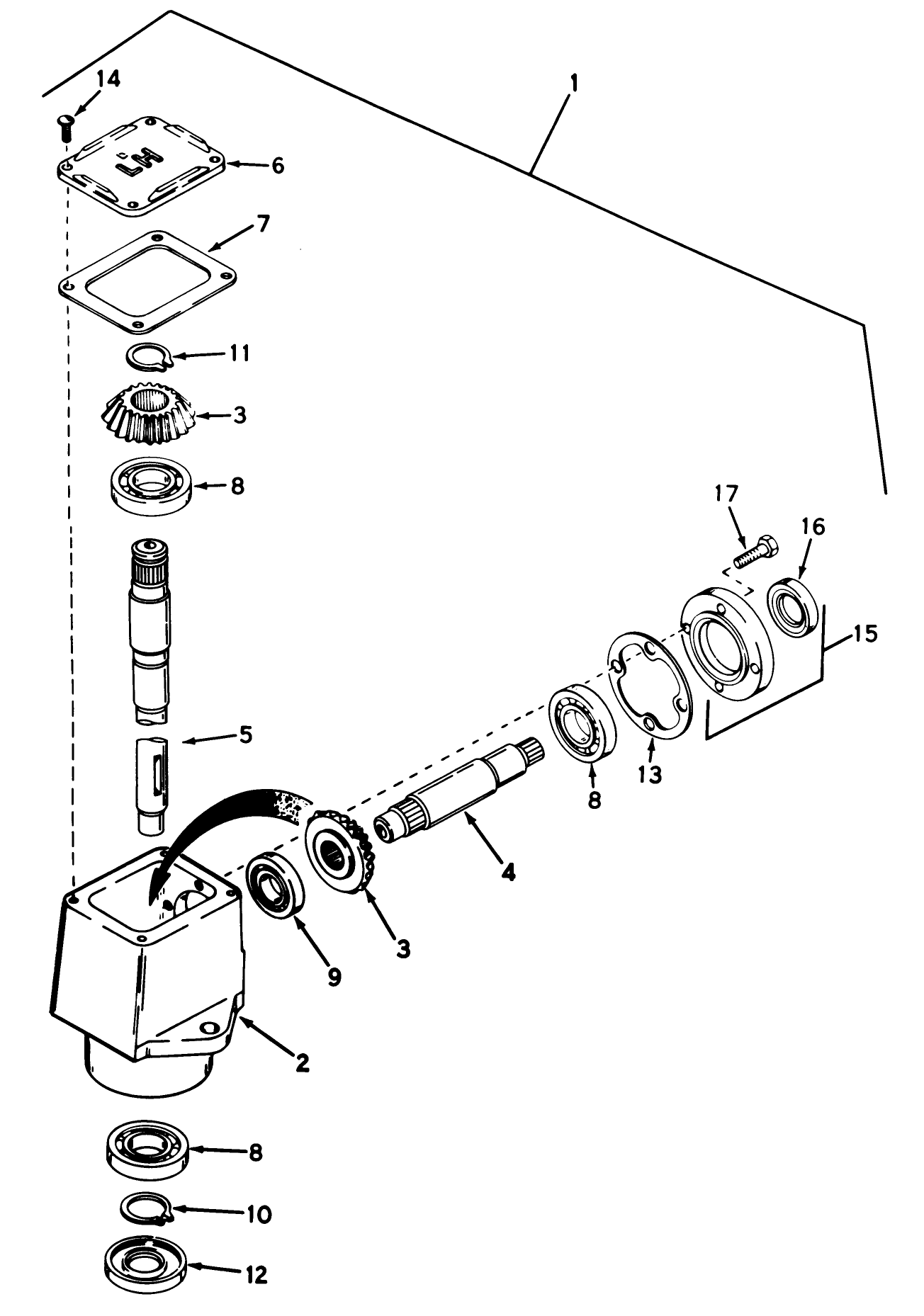
52" Side Discharge Mower (Artikelnr 30753)
Deluxe Seat (Artikelnr 30756)
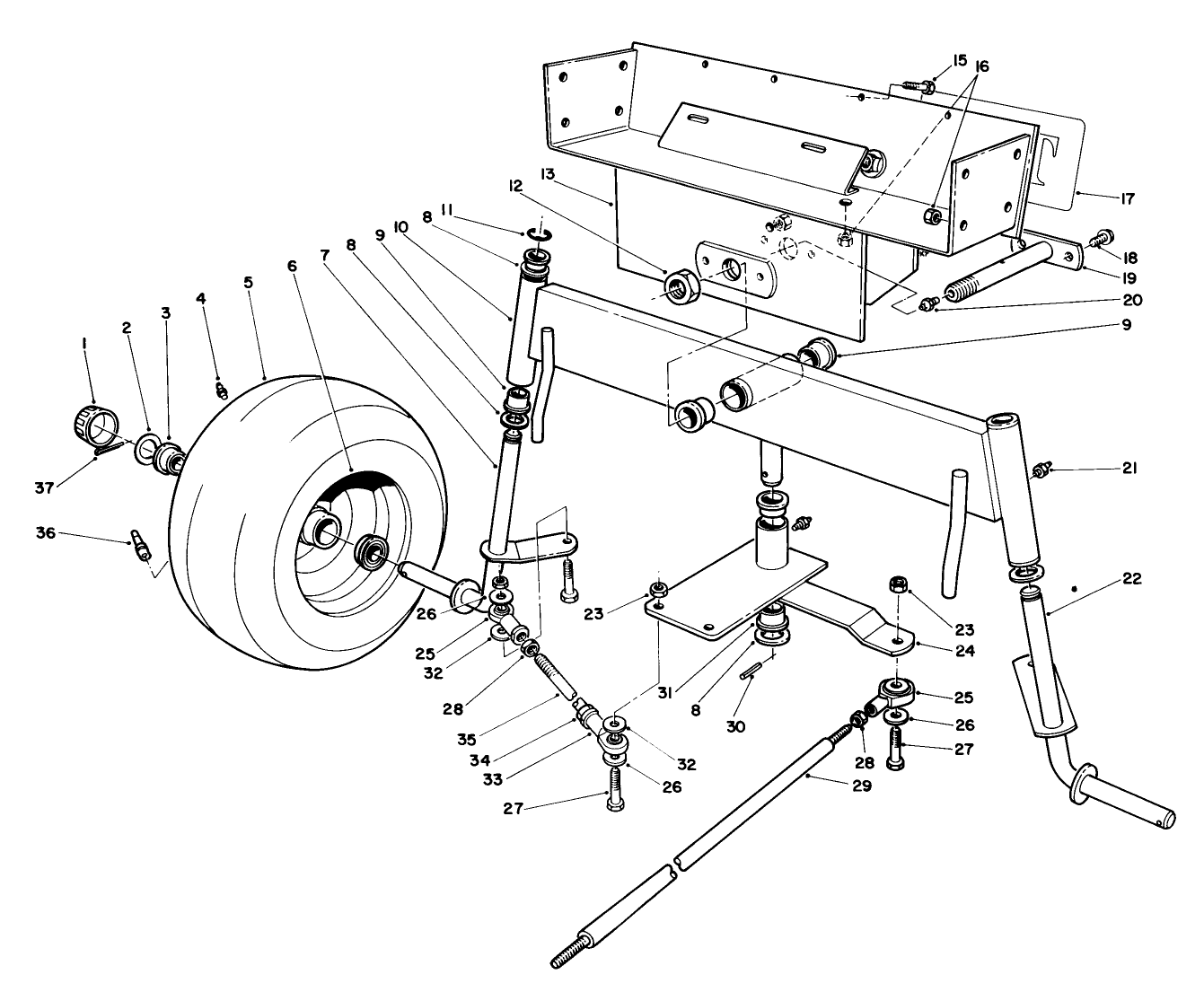
Flotation Kit (Artikelnr 30759)
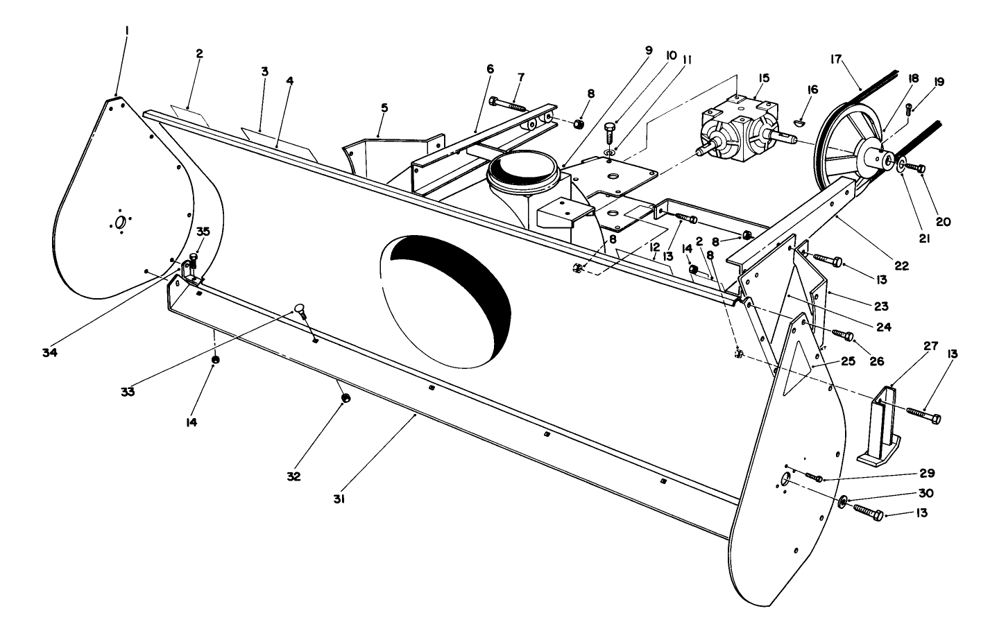
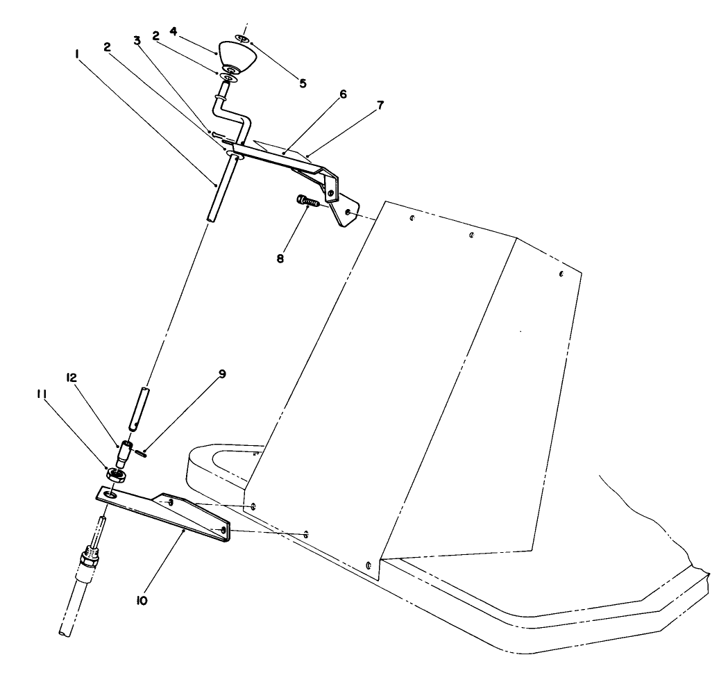
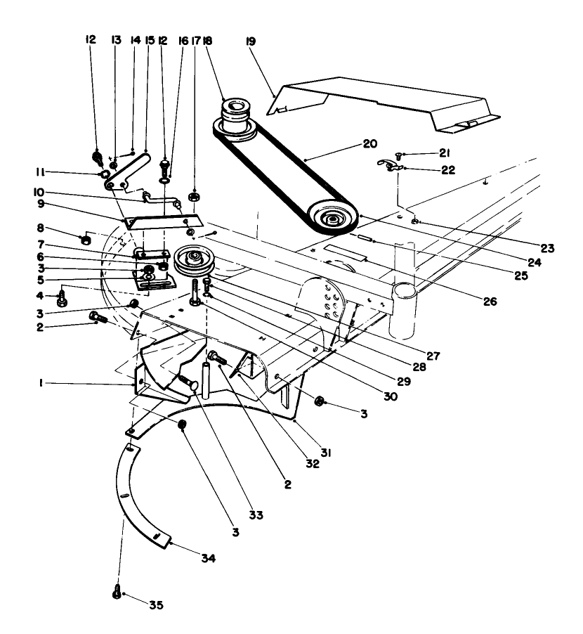
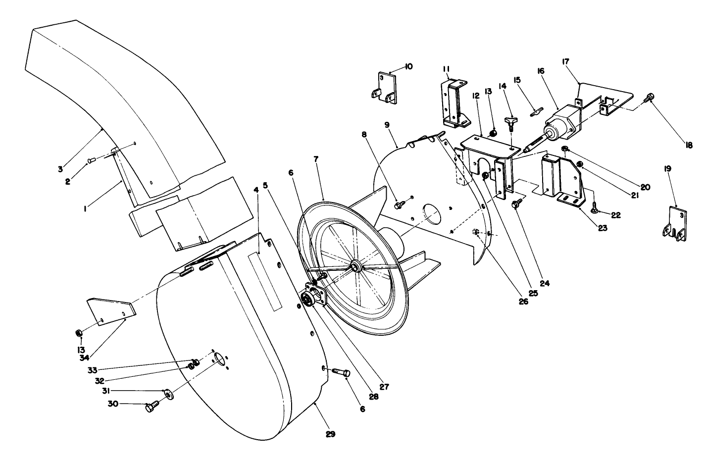
44" Snowthrower (Artikelnr 30761)
52" Rear Discharge Mower (Artikelnr 30768)
Hour Meter (Artikelnr 55-8450)
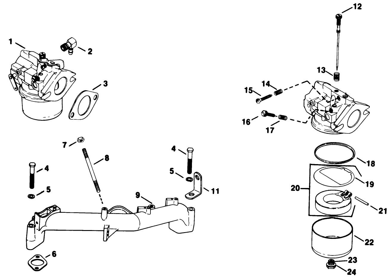
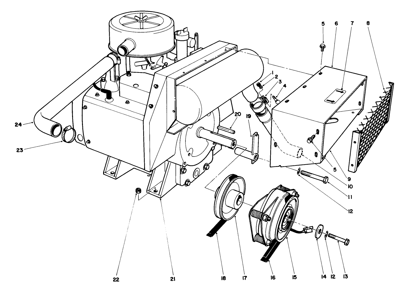
Air Cleaner Kit (Artikelnr 55-8460)
Cushion Seat (Artikelnr 55-8690)
Wheel Weight Kit (Artikelnr 56-6620)
44" Baffle Kit (Artikelnr 60-9030)
Weight Box Kit (Artikelnr 62-9590)
Soft Traction Pedal Kit (Artikelnr 92-8948)
-
Modellnummer
30754 -
Serienr
7000001 - 7999999 -
Produktnamn
Groundsmaster 117 -
Produktmärke
Toro -
Produkttyp
Riding Products -
Produktserie
Groundsmaster 100 Series -
Svep
Deck Optional -
Utkastare
Deck Optional -
Motortillverkare
Kohler -
Motorstorlek
17 hp -
Motortyp
4 Cycle -
Motorstart
Electric -
Transmissionstyp
Hydrostatic



































































