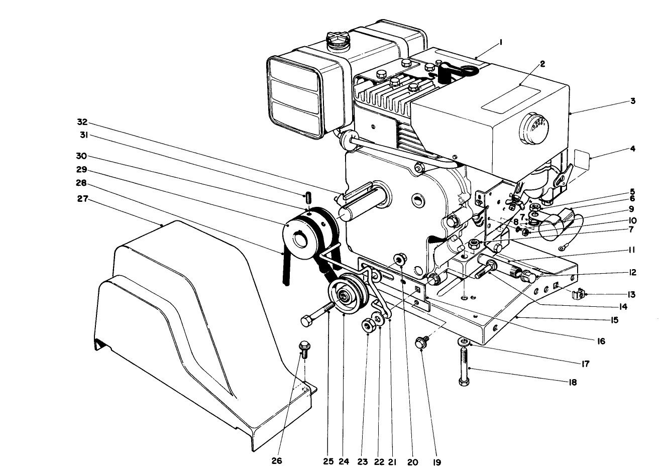
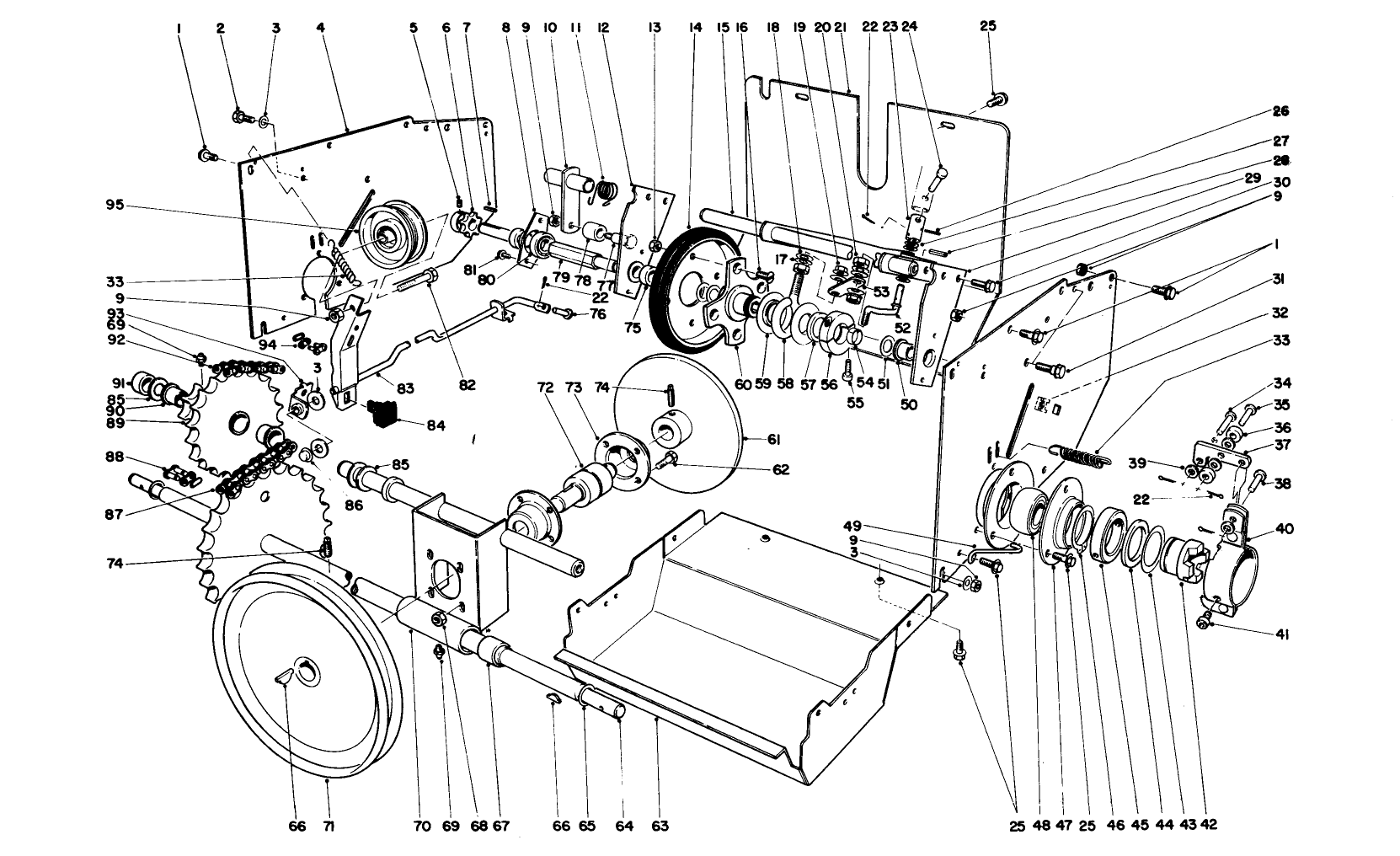
826 Snowthrower
Produktinformation
- Modellnr: 38155
- Serienr: 3000001 - 3999999
- Produkttyp: Snowthrowers
Laddar ...
Monteringsritningar
Sök efter en artikel inom ritningar för montering:
-
Modellnummer
38155 -
Serienr
3000001 - 3999999 -
Produktnamn
826 Snowthrower -
Produktmärke
Toro -
Produkttyp
Snowthrowers -
Produktserie
Snowthrower, Two Stage Large Frame -
Svep
26 inch -
Utkastare
Two Stage -
Motortillverkare
Briggs & Stratton -
Motorstorlek
8 hp -
Motortyp
4 Cycle -
Motorstart
Recoil -
Transmissionstyp
Friction Disc










