Workman® HDX-D 4WD
Produktinformationen
- Modellnr.: 07387
- Seriennr.: 404950001 - 405299999
- Produkttyp: Vehicles
Wird geladen…
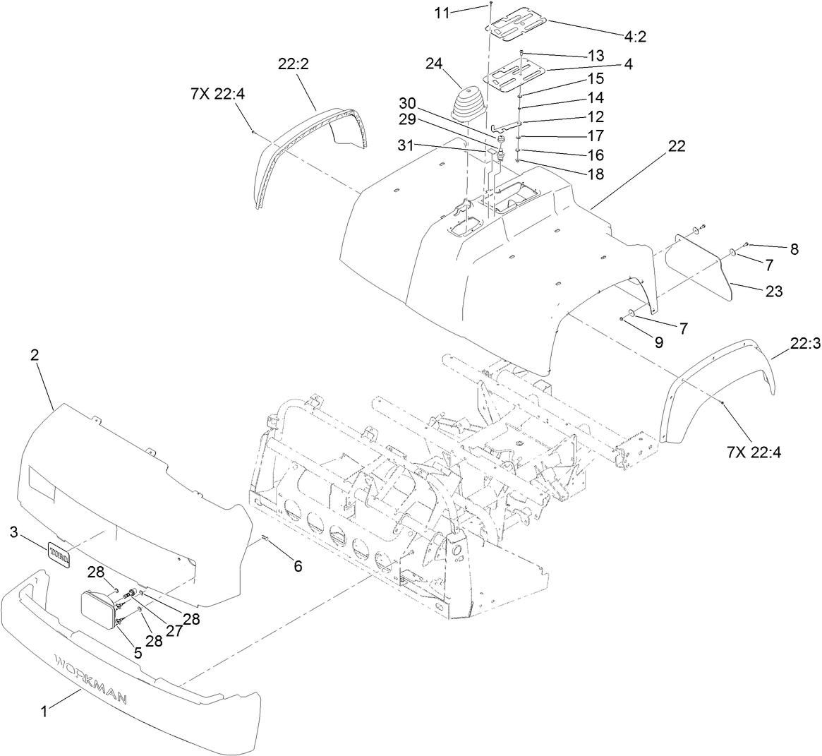
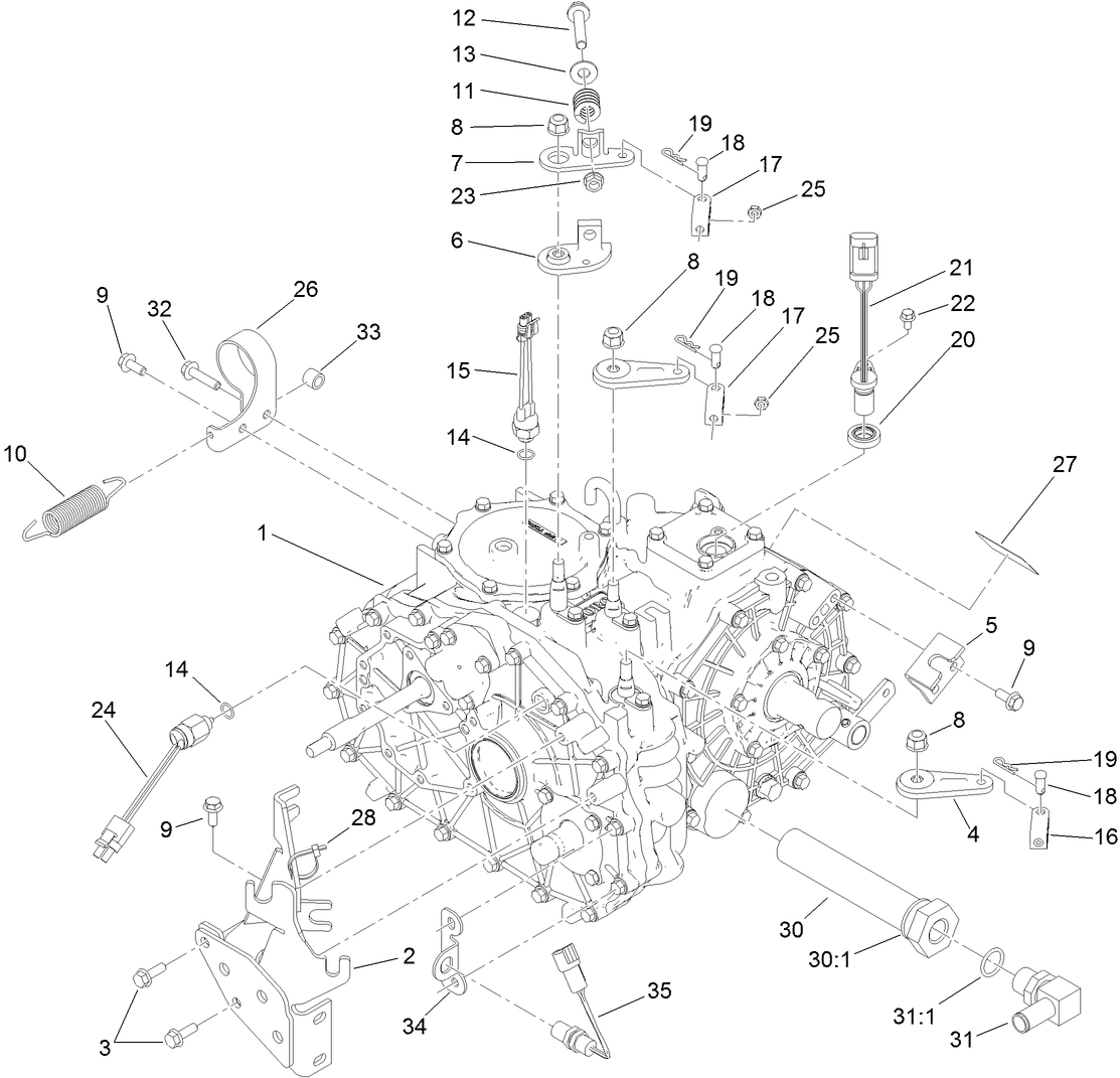
Montagezeichnungen
Ein Teil in Bauteilzeichnungen suchen:
-
Bedienungsanleitung
-
Ersatzteilkatalog
-
Elektrisches Schaltbild
-
Hydraulisches Schaltbild
Pro Sweep Turf Sweeper (Bestellnummer 07068)
Full Area Flatbed, Heavy-Duty Workman Utility Vehicle (Bestellnummer 07301)
Full Area Flatbed Side Kit, Workman (Bestellnummer 07302)
Fold Down Side Kit, Workman (Bestellnummer 07303)
High-Flow Hydraulic Kit, Workman HD/HDX/HDX-D Series Utility Vehicle (Bestellnummer 07316)
2/3 Area Flatbed, Workman Heavy Duty Utility Vehicle (Bestellnummer 07321)
2/3 Area Flatbed Side Kit, Workman (Bestellnummer 07322)
Bed Liner, Workman (Bestellnummer 07331)
1/3 Area Flatbed, Workman Heavy-Duty Utility Vehicle (Bestellnummer 07341)
1/3 Area Platform Lift, Workman Heavy-Duty Utility Vehicle (Bestellnummer 07347)
MD/HD HEATER KIT-LIQUID COOLED ENGINE (Bestellnummer 07349)
CANOPY-HD WORKMAN (Bestellnummer 07372)
WINDSHIELD-HD WORKMAN (Bestellnummer 07373)
4 POST ROPS-HD WORKMAN (Bestellnummer 07378)
Cab Kit, Workman HDX and HDX-Auto Utility Vehicle (Bestellnummer 07392)
Door Kit with Sliding Window, Workman HDX Utility Vehicle (Bestellnummer 07393)
Rear PTO Kit, Heavy-Duty Workman Vehicles (Bestellnummer 07419)
Hand Throttle Kit, 2004 and Later Heavy-Duty Workman Vehicles (Bestellnummer 07420)
Aggressive Tire Kit, Workman HD Series Utility Vehicle (Bestellnummer 07422)
Synthetic Turf Conditioner, Tow-Behind Accessory (Bestellnummer 08791)
ProCore Processor (Bestellnummer 09749)
Backup Alarm Kit, 2004 and After Workman Heavy-Duty Utility Vehicles (Bestellnummer 107-8037)
PREMIUM ATF DRUM (Bestellnummer 108-1185)
PREMIUM ATF PAIL (Bestellnummer 108-1186)
PREMIUM ALL PURPOSE GREASE (Bestellnummer 108-1190)
Remote Hydraulics Manifold Kit, Heavy-Duty Workman Vehicles (Bestellnummer 110-2626)
Rear Tire (Bestellnummer 110-5132)
WHEEL-12X8.0 (Bestellnummer 114-8260)
Hourmeter, Wireless Hourmeter System (Bestellnummer 115-4754)
Horn Kit, Workman MD/MDX/HD/HDX/HDX-D Vehicle (Bestellnummer 115-7825)
Side Mirror Kit, 2009 and After Heavy Duty Workman Vehicle (Bestellnummer 115-7849)
ROPS SIGNAL KIT-HD WORKMAN (Bestellnummer 117-4825)
Worklight Kit, 2009 and After Heavy Duty Workman Vehicle (Bestellnummer 117-4827)
REMOTE HYD FLOAT KIT-HD WORKMAN (Bestellnummer 117-4828)
Receiver Hitch Kit, Workman HD/HDX/HDX-D Series Utility Vehicle (Bestellnummer 117-4831)
TRAILER SIGNAL KIT (Bestellnummer 117-4836)
Manual 4-Wheel Drive Control Kit, Workman HDX/HDX-D Utility Vehicle (Bestellnummer 119-0817)
Canopy for Four-Post Roll-Over Protection System Kit, Workman HD/HDX/H (Bestellnummer 119-9457)
Road Light and Homologation Kit, Workman HD Utility Vehicle (Bestellnummer 120-5030)
Brake and Signal Light Kit, Workman HD Utility Vehicle (Bestellnummer 120-5045)
High Air Intake Kit, Workman HD/HDX/HDX-D Utility Vehicle (Bestellnummer 121-6285)
Front Differential Interrupter Kit, Four-Wheel Drive Workman HDX/HDX-D (Bestellnummer 121-6337)
Trailer Brake Kit, Workman HD/HDX/HDX-D Series Utility Vehicle (Bestellnummer 125-0123)
Tailpipe Extension Kit, Workman HD/HDX/HDX-D Series Utility Vehicle (Bestellnummer 127-7397)
1/3 AREA COVER KIT (Bestellnummer 127-8739)
Exterior Mirror Kit, Workman MD/MDE/MDX/HDX Cab Kit (Bestellnummer 130-5448)
Interior Mirror Kit, Workman MD/MDE/MDX/HDX Cab Kit (Bestellnummer 130-5449)
Beacon Kit, Workman MD/MDE/MDX/HDX Cab Kit (Bestellnummer 130-5484)
Work Light Kit, Workman MD/MDE/MDX/HDX Cab Kit (Bestellnummer 130-5485)
Windshield Washer Fluid Kit, 2015 and after Workman MD/HD Series Utili (Bestellnummer 130-5615)
HITCH ASM (Bestellnummer 131-3462)
TIRE/WHEEL ASM (Bestellnummer 131-8432)
Wire Harness Kit, Workman HDX-D 4-Wheel Drive Utility Vehicle with Bed (Bestellnummer 132-6774)
LED Worklight Kit, Workman MD or HD Series Utility Vehicle (Bestellnummer 133-0554)
ROPS Beacon Kit, Workman MD or HD Series Utility Vehicle (Bestellnummer 133-0609)
BRACKET-LIGHT, CANOPY (Bestellnummer 133-0627)
WHEEL/TIRE ASM, A502 (Bestellnummer 136-6308)
WHEEL/TIRE ASM, K502 (Bestellnummer 136-6309)
WHEEL/TIRE ASM, A404 (Bestellnummer 136-6334)
WHEEL/TIRE ASM, A404 (Bestellnummer 136-6335)
Multi Pro® WM Rasensprühgerät (Bestellnummer 41240)
Das Multi Pro WM-Sprühsystem für die Nutzfahrzeuge der Serie Workman® HD von Toro nutzt die fortschrittliche Sprühsystemfunktion der Multi Pro-Familie von Toro und kombiniert Funktionalität mit modernen und intuitiven Steuerungen für das Sprühgerät. Das Ergebnis ist das fortschrittlichste, effizienteste und präziseste Sprühsystem zur Ladeflächenmontage mit einer Kapazität von 750 Litern für alle marktgängigen Nutzfahrzeugen. Dieses Sprühgerät hat alles: aggressives Rührwerk, schnellere Reaktionszeit, gleichmäßige und genaue Dosierungen und intuitives Einstellen der Dosierung.
Spreader Base Unit, 2002 and later Workman 3000 and 4000 Series (Bestellnummer 41253)
VICON SPREADER (Bestellnummer 41256)
510 l Topdresser 1800 (Bestellnummer 44225)
Der Topdresser 1800 mit einer Kapazität von 0,5 m³ wird an einem Toro Workman oder anderem Nutzfahrzeug montiert und bietet genaue und produktive Leistung mit einer Topdressinggeschwindigkeit von bis zu 13 km/h. Ein Dosierungshebel, der mit einer Fernbedienung aktiviert oder deaktiviert werden kann, ermöglicht eine genaue Steuerung bzw. Platzierung von der Kabine.
Core Harvester Adapter Kit, Heavy-Duty Workman Vehicles (Bestellnummer 44242)
0,7 m³ Topdresser 2500 (Bestellnummer 44507)
Für maximale Performance sollten Sie sich für den Toro® Topdresser 2500 entscheiden, ein eigenständiges Allradantriebsgerät, das von einem Toro® Workman® oder einem anderen Nutzfahrzeug geschleppt wird. Mit dem Füllvolumen von 0,7 m³ und der Geschwindigkeit von 12,9 km/h beim Topdressing ist das Gerät den schwierigsten Arbeitsaufgaben gewachsen.
Pro Force® Laubbläser mit drahtloser Fernbedienung (Bestellnummer 44552)
Der Pro Force® Laubbläser hat einen höheren Luftstrom als jeder momentan auf dem Markt erhältliche Laubbläser mit einer Turbine. Eine drahtlose Fernbedienung bietet die Möglichkeit, den Motor zu starten und zu stoppen, die Motordrehzahl für den Einsatz im niedrigen bis hohen Drehzahlbereich einzustellen und die Blasdüse um 360 Grad zu drehen - alles vom Fahrersitz in einem Toro® Workman® oder einem ähnlichen Nutzfahrzeug aus. Dieser Laubbläser bietet eine überragende Produktivität und größere Effizienz bei Aufgaben, die von der Reinigung von Fahrwegen und anderen gepflegten befestigten Flächen bis hin zum Ausblasen von Grasschnitt, Belüftungskernen oder Häckselgut oder anderen organischen Abfällen reichen.
Pro Force® Debris Blower (DOT-compliant) (Bestellnummer 44553)
The Pro Force® debris blower provides greater air volume flow than any single nozzle turbine-type debris blower currently available. A wireless RF remote provides the capability to start and stop the engine, adjust engine throttle up and down for low to high RPM range of operation, and rotate the nozzle 360 degrees – all from the operator’s seat in a Toro® Workman® or similar utility vehicle. This blower delivers superior productivity and greater efficiency in jobs ranging from cleaning cart paths and other maintained paved areas, to blowing grass clippings, aeration cores or chaff, or other organic debris.
Pro Force™ Laubbläser mit kabelgebundener Steuerung (Bestellnummer 44554)
0,59 m³ ProPass™ 200 Serie Topdresser (Bestellnummer 44701)
Der Broadcaststil-Topdresser ProPass™ 200 von Toro ergibt garantiert sehr genaue Streumuster bei sehr geringen und sehr hohen Substratmengen zum Füllen von Aerifizierungslöchern. Ein drahtloses Steuergerät ist die einfachste Methode für das Einstellen und Steuern der Streufunktionen. Erhältlich als nutzfahrzeugmontierte und Anhängerversion.
Serienmodelle:
- ProPass 200, ladepritschen-montierte Version oder Anhängerversion
- ProPass 200, ladepritschen-montierte Version oder Anhängerversion mit drahtlosem Steuergerät
0,59 m³ ProPass™ 200 Serie Topdresser (Bestellnummer 44751)
Der Broadcaststil-Topdresser ProPass™ 200 von Toro ergibt garantiert sehr genaue Streumuster bei sehr geringen und sehr hohen Substratmengen zum Füllen von Aerifizierungslöchern. Ein drahtloses Steuergerät ist die einfachste Methode für das Einstellen und Steuern der Streufunktionen. Erhältlich als nutzfahrzeugmontierte und Anhängerversion.
Serienmodelle:
- ProPass 200, ladepritschen-montierte Version oder Anhängerversion
- ProPass 200, ladepritschen-montierte Version oder Anhängerversion mit drahtlosem Steuergerät
12" Rear Wheel Weights (Bestellnummer 81115)
Automatic Tailgate Release Kit (Bestellnummer 92-1220)
Fuse Block (Bestellnummer 92-2641)
PTO Over Running Clutch Kit, Workman 3000 (Bestellnummer 92-2655)
Lift Kit, Topdresser 1800 (Bestellnummer 92-4452)
SCREEN - SPARK ARRESTOR (Bestellnummer 94-8157)
Tire-Rear (Bestellnummer 98-2993)
TIRE - REAR, INDUSTRIAL (Bestellnummer 99-1091)
-
Modellnr.
07387 -
Seriennr.
404950001 - 405299999 -
Produktname
Workman® HDX-D 4WD -
Produktmarke
Toro -
Produkttyp
Vehicles


















































































