Ultra Buggy® 2500
Product Information
- Model #: 68038
- Serial #: 404320000 - 405499999
- Product Type: Concrete Equipment
Loading...
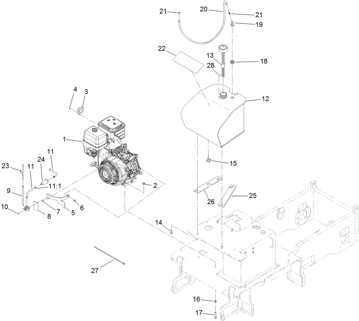
Assembly Drawings
Search for a part within assembly drawings:
-
Operator's Manual
-
Parts Catalog
-
Product Warranty
-
Model #
68038 -
Serial #
404320000 - 405499999 -
Product Name
Ultra Buggy® 2500 -
Product Brand
Toro -
Product Type
Concrete Equipment -
Engine/Motor Manufacturer
Honda














