54 in. (137 cm) TimeCutter® MyRIDE® Zero Turn Mower
Product Information
- Model #: 75756
- Serial #: 400000000 - 412799999
- Product Type: Riding Products
Loading...
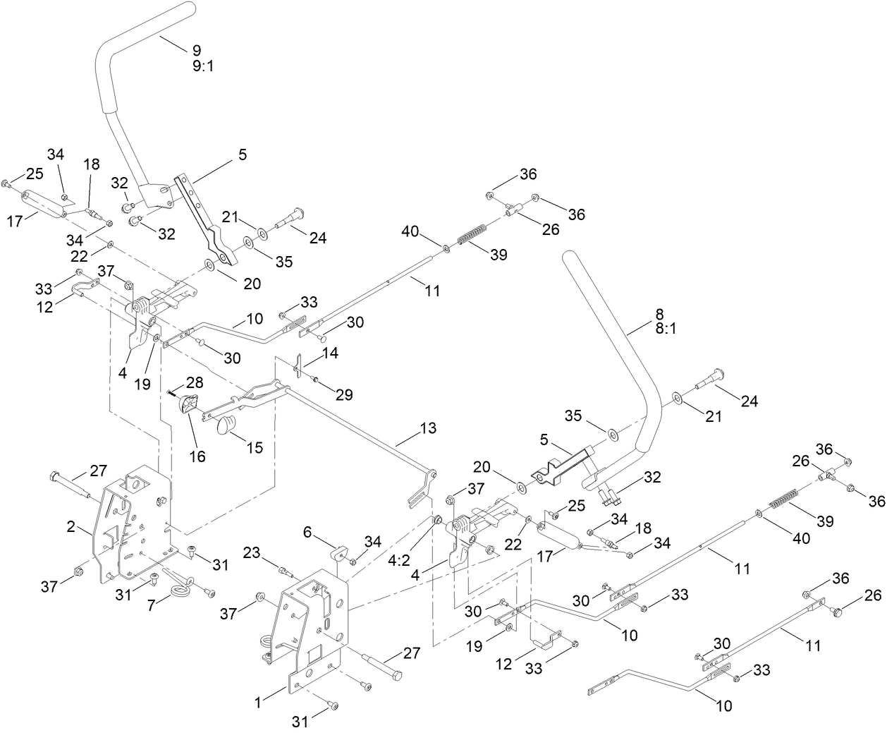
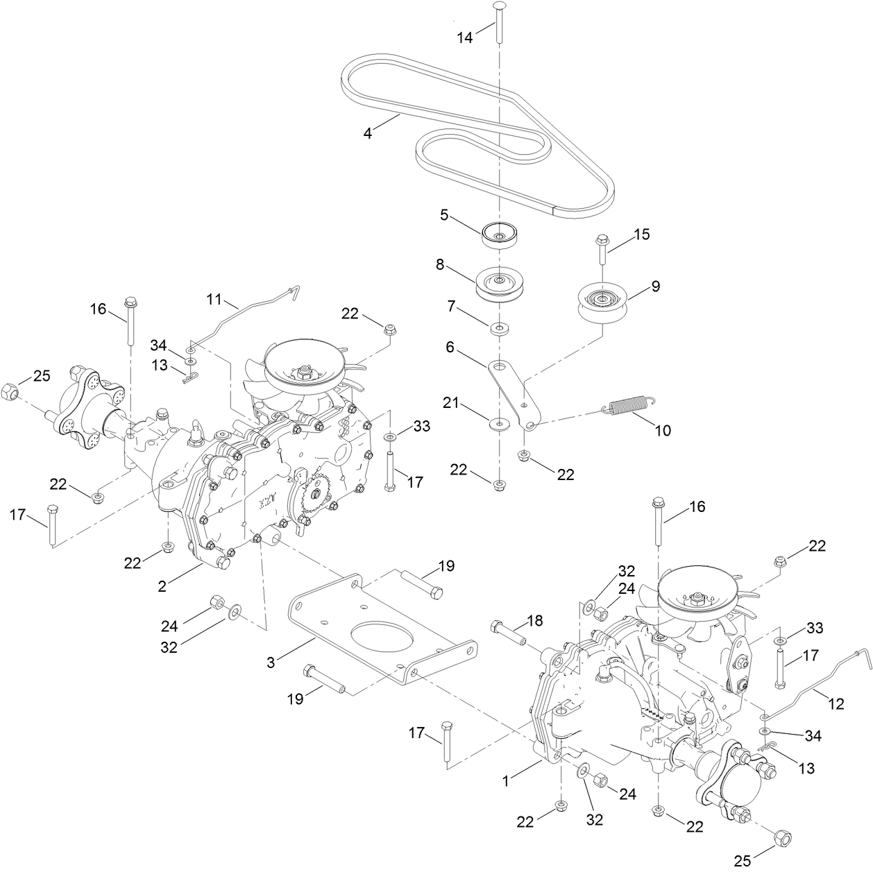
Assembly Drawings
Search for a part within assembly drawings:
-
Service Manual
-
Operator's Manual
-
Parts Catalog
-
Product Warranty
-
Setup Instructions
BLADE-HI LIFT, 18.75IN FOR 54IN TC - (Part # 115-2454-03P)
Hourmeter Kit, 2011 and After Zero-Turn-Radius Riding Mower (Part # 116-5461)
SEAT COVER W/ARM REST - TC, TITAN 18I (Part # 117-0097)
Jack Kit, Zero-Turn-Radius Side-Discharge or Rear-Discharge Riding Mow (Part # 127-6666)
Fuel Stabilizer .05 oz (Part # 130-2393)
4-CYCLE FUEL, SNOW AND LAWN, 32OZ CAN (Part # 131-3823)
Toro Premium Fuel Treatment (Part # 131-6572)
54" RECYCLER KIT (Part # 139-3235)
FRONT WEIGHT KIT (Part # 140-2050)
HEAVY DUTY SPRING KIT (Part # 140-2051)
ASSIST BAR KIT (Part # 140-2052)
SUNSHADE KIT (Part # 140-2054)
LED Light Kit (Part # 140-2056)
FLOORMAT KIT (Part # 140-2061)
JACK MOUNT KIT (Part # 140-2711)
54 INCH BAGGING ENHANCEMENT KIT (Part # 140-5054)
54/60 INCH STRIPING KIT (Part # 140-5161)
KIT-CASTER WHEEL (Part # 145-0488)
10W30 4-CYCLE ENGINE OIL 32 OZ BOTTLE (Part # 38280)
TORO 4-CYCLE SAE 30 OIL (32OZ BOTTLE) (Part # 38903)
COVER (Part # 490-7516)
TimeCutter 50 in. / 54 in. IronForged Deck Twin Bagger (Part # 79412)
The Toro TimeCutter Twin Bagger with its 6.43 bushel (8 cu. ft.) capacity makes quick work of taking care of grass clippings or fallen leaves. When paired with one of Toro's top discharge decks, its performance can't be beat. It assembles easily and once initially installed, can be removed and put back on without tools. Includes bagger, mount kit and front weights.
ROPS KIT (Part # 79485)
SLOPE SENSOR KIT, TIMECUTTER (Part # 79486)
-
Model #
75756 -
Serial #
400000000 - 412799999 -
Product Name
54 in. (137 cm) TimeCutter® MyRIDE® Zero Turn Mower -
Product Brand
Toro -
Product Type
Riding Products -
Product Series
Zero Radius Turn, Consumer -
Chassis Type
ZRT - Consumer -
Swath
54 inch -
Discharge
Side -
Engine/Motor Manufacturer
Kohler -
Engine/Motor Size
725cc -
Engine/Motor Type
4 Cycle -
Engine Starter
Electric -
Transmission Type
Hydrostatic -
Traction Type
2wd
-
Engine: Spark Plug Gap
.030"/ .76mm -
Chassis: Tire Pressure
13 psi / 90 kPa -
Engine: Engine Oil Type
64 oz. (1.9 Liter) SAE 10W-30 or 10W-40 -
Chassis: Height of Cut Range
1.5-4.5"; 1/2" increments -
Engine: Spark Plug
Champion XC12YC -
Engine: Engine Speed
3300±100 RPM -
Engine: Battery
12V 230CCA -
Engine: Ignition Coil Air Gap
0.011in (0.3mm) -
Drive System: Ground Speed
Forward: 0-7 mph -
Drive System: Gearbox Lubricant
HYPR-OIL 500 / 20w-50 Synthetic Motor Oil

















