Groundsmaster 345
Product Information
- Model number: 30789
- Serial number: 00001 - 09999
- Product Type: Riding Products
Loading...
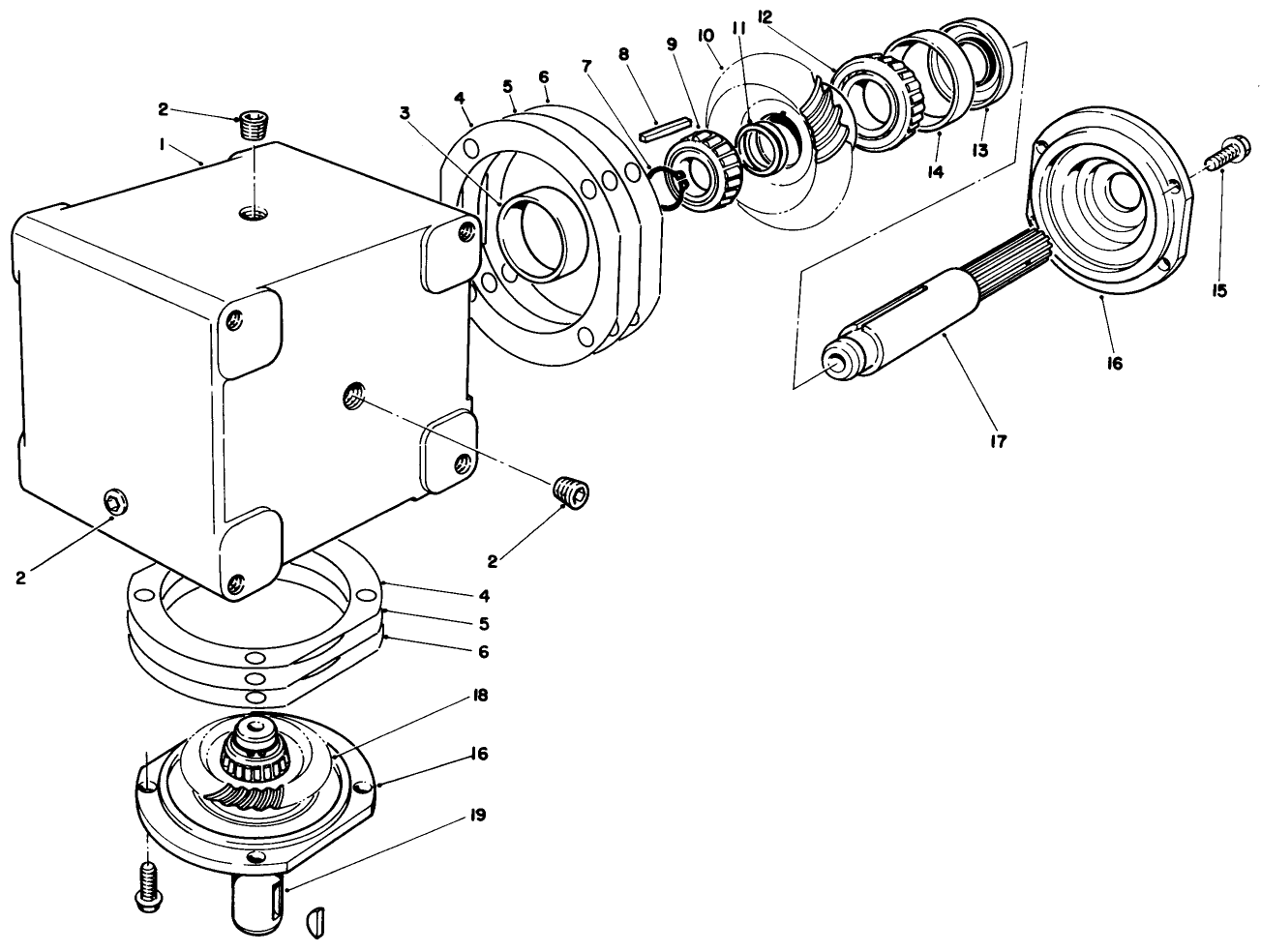
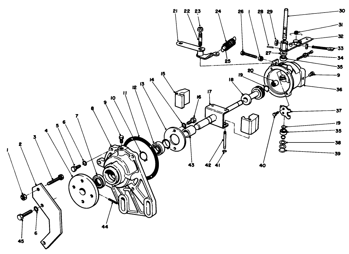
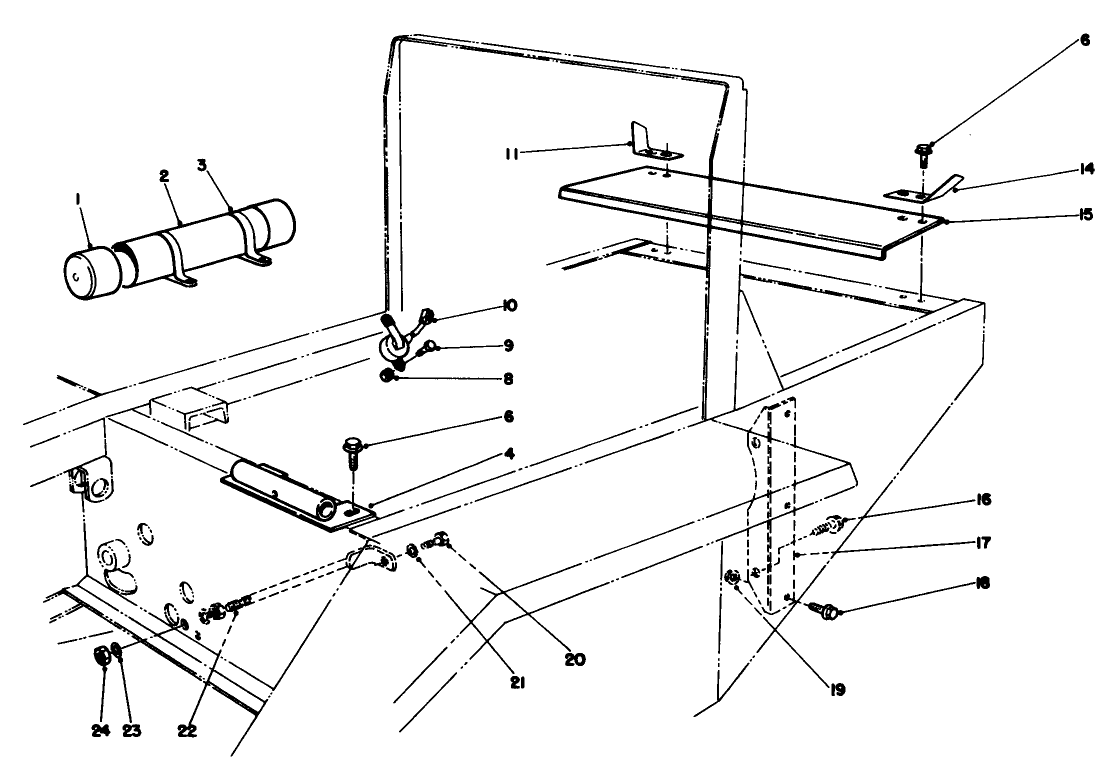
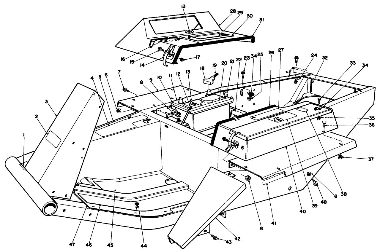
Assembly Drawings
Search for a part within assembly drawings:
-
Service Manual
-
Operator's Manual
-
Parts Catalogue
-
Service Bulletin
-
Model number
30789 -
Serial number
00001 - 09999 -
Product Name
Groundsmaster 345 -
Product Brand
Toro -
Product Type
Riding Products -
Product Series
Groundsmaster 300 Series



















































