20-inch Mulching/Rear Bagging Lawn Mower
Product Information
- Model number: 20323
- Serial number: 312000001 - 312999999
- Product Type: Walk Behind Mowers
Loading...
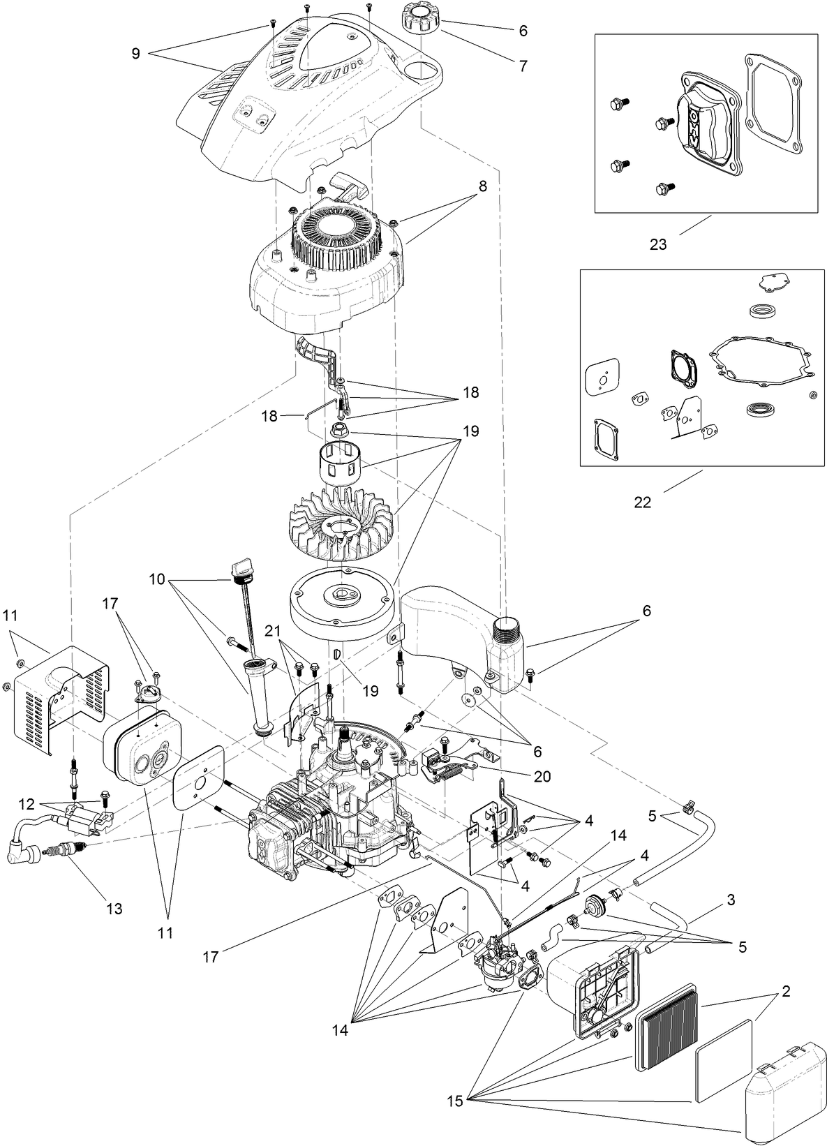
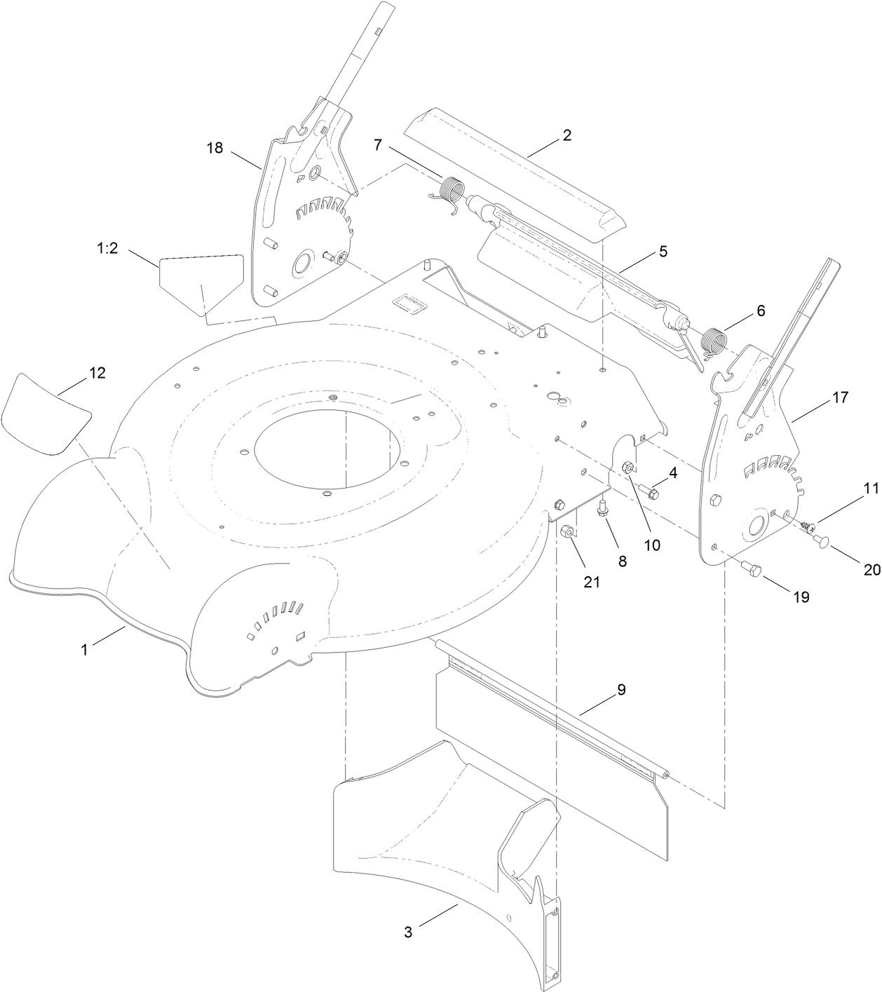
Assembly Drawings
Search for a part within assembly drawings:
-
Service Manual
-
Operator's Manual
-
Parts Catalogue
Toro Walk Mower Cover (Part number 490-7462)
Rear-Discharge Deflector, 2009 and After 20in Steel Deck Mower (Part number 89964)
-
Model number
20323 -
Serial number
312000001 - 312999999 -
Product Name
20-inch Mulching/Rear Bagging Lawn Mower -
Product Brand
Toro -
Product Type
Walk Behind Mowers -
Product Series
20" Steel Deck -
Chassis Type
Steel Deck WPM -
Swath
20 inch -
Discharge
Side & Mulcher With Rear Bag -
Engine/Motor Manufacturer
Toro -
Engine/Motor Type
4 Cycle -
Engine Starter
Recoil -
Transmission Type
Hand Push
-
Engine: Engine Oil Type
20 oz. (.6l) 30w or 10w-30 / API SH or higher -
Engine: Engine Speed
2900±100 RPM -
Engine: Spark Plug Gap
.030"/ .76mm -
Chassis: Height of Cut Range
1" - 4" (2.5-10 cm) -
Engine: Spark Plug
Champion RN9YC / NGK BPR6ES / NHPS F7RTC (OEM China) -
Engine: Valve Lash (Intake)
0.0035 - 0.0045 inch (0.08~0.12 mm) -
Engine: Valve Lash (Exhaust)
0.0055 - 0.0065 inch (0.13~0.17 mm) -
Engine: Ignition Coil Air Gap
.010-.020" / .25-.5mm






