Power Clear 518 ZE Snowthrower
Product Information
- Model number: 38473
- Serial number: 400000000 - 402081999
- Product Type: Snowthrowers
Loading...
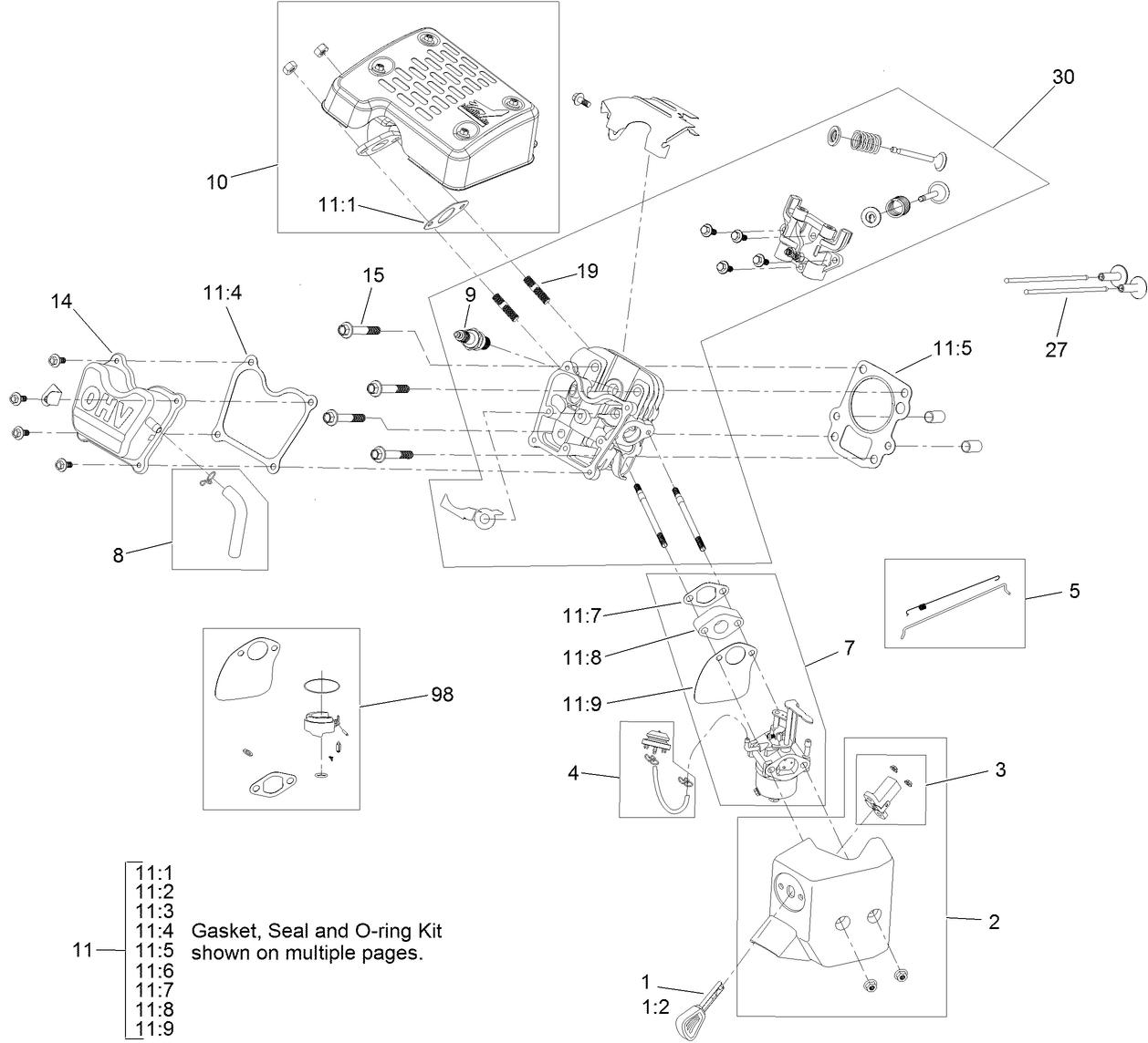
Assembly Drawings
Search for a part within assembly drawings:
-
Service Manual
-
Operator's Manual
-
Parts Catalogue
High-Altitude Kit, Power Clear 418 Snowthrower (Part number 121-4239)
Engine Maintenance Kit (Part number 138-0698)
Paddle Replacement Kit, Power Clear 180 Snowthrower (Part number 38266)
5W30 Winter Oil, Case of 24 12-Ounce Bottles (Part number 38907)
TORO SNOW OIL 0W30 SYNTHETIC-20 OZ BT (Part number 38913)
-
Model number
38473 -
Serial number
400000000 - 402081999 -
Product Name
Power Clear 518 ZE Snowthrower -
Product Brand
Toro -
Product Type
Snowthrowers -
Product Series
Snowthrower, PowerClear -
Chassis Type
Single Stage -
Swath
18 inch -
Discharge
Single Stage -
Engine/Motor Manufacturer
Toro -
Engine/Motor Size
99cc -
Engine/Motor Type
4 Cycle CARB exempt, EPA3 -
Engine Starter
Electric/Recoil
-
Engine: Spark Plug Gap
.030"/ .76mm -
Engine: Engine Speed
4500±150 RPM -
Engine: Spark Plug
Champion RL87YC / NGK BPR6HS or 7HS / NHPS E7RTC (OEM China) -
Engine: Engine Oil Type
12 oz. (.35 L) 5w-30 synthetic or 5w-30 below 40F (4c) or 10w-30 above 0F (-20c) -
Engine: Fuel Tank Capacity
1.5 Qt (1.41 L)










