Pulvérisateur de gazon Multi Pro® 5800
Informations produit
- Nº de modèle : 41394
- N° de série : 408000000 - 409099999
- Type de produit : Riding Products
Chargement...
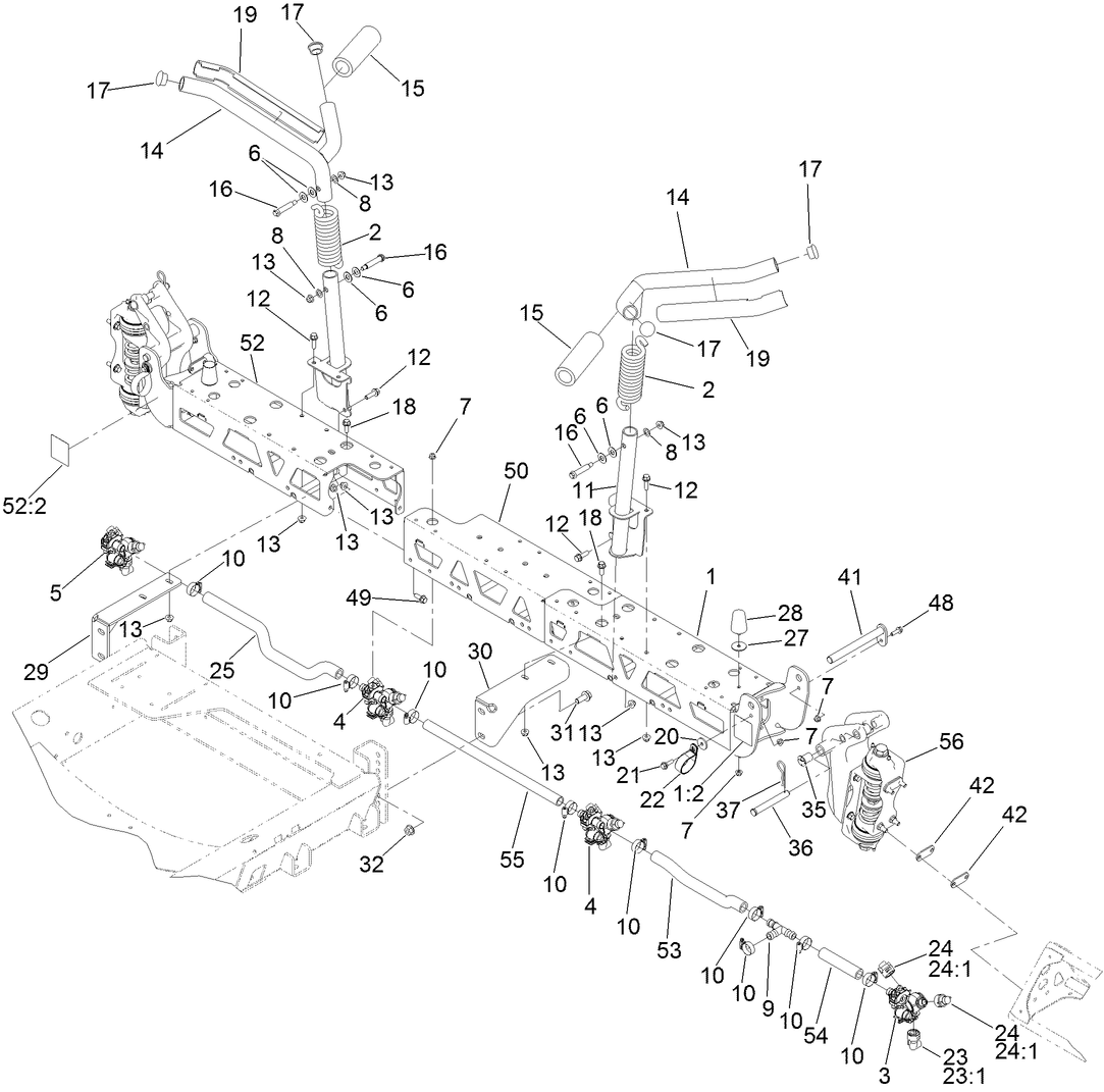
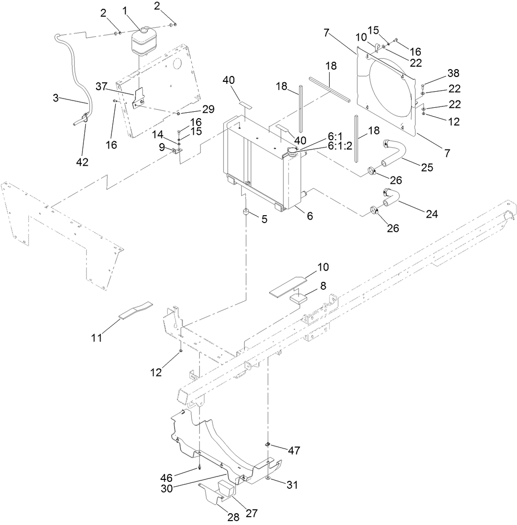
Schémas d’assemblage
Rechercher une pièce dans des schémas d'assemblage :
-
Manuel d'entretien
-
Manuel de l'utilisateur
-
Catalogue de pièces haute
-
Guide du logiciel
-
Schéma électrique
-
Schéma hydraulique
-
Bulletin d'entretien
-
Déclaration de conformité UE / RU
PREMIUM ALL SEASON HYDRAULIC FLUID 55 GAL (N° de référence 108-1177)
PREMIUM ALL SEASON HYDRAULIC FLUID 5 GAL (N° de référence 108-1178)
PREM HVY DUTY ALL SEASON GEAR LUBE PA (N° de référence 108-1188)
PREMIUM ALL PURPOSE GREASE (N° de référence 108-1190)
PREM HVY DUTY ALL SEASON GEAR LUBE QR (N° de référence 108-1591)
ARRESTOR-SPARK (N° de référence 115-2919)
TIRE (N° de référence 119-6021)
Beacon Kit, Multi-Pro 5800 Turf Sprayer (N° de référence 120-8505)
License Plate Kit, Multi-Pro 5800 Turf Sprayer (N° de référence 120-8506)
Spring Upgrade Kit, Multi-Pro Turf Sprayer with Covered Boom Kit (N° de référence 120-8508)
PREMIUM ENGINE OIL 10W30 (55 GAL) (N° de référence 121-6392)
PREMIUM ENGINE OIL 10W30 (5 GAL) (N° de référence 121-6393)
WHEEL AND TIRE ASM (N° de référence 127-1100)
LANCE ASM - SUCTION (N° de référence 127-9826)
Low Flow Kit, Multi-Pro 5800 Turf Sprayer (N° de référence 130-7258)
Ultra Sonic Boom Finishing Kit, 2013 and After Multi Pro 5800 Turf Spr (N° de référence 130-8229)
Right Hand Step Kit, Multi-Pro 5800 Turf Sprayer (N° de référence 130-8230)
Left Hand Step Kit, Multi-Pro 5800 Turf Sprayer (N° de référence 130-8231)
Pivoting Hose Reel Finishing Kit, 2014 and Before Multi-Pro 5800 Turf (N° de référence 131-3291)
PUMP HEAD KIT (N° de référence 133-2898)
Finishing Kit, Foam Marker for Serial Number 315000001 and After Multi (N° de référence 136-0458)
AutoSteer Finish Kit, Serial Number 316000001 and After Multi Pro 5800 (N° de référence 138-6246)
Rear Work Light Kit, Multi Pro Turf Sprayer Vehicle (N° de référence 41010)
Single Nozzle Kit, Multi-Pro Turf Sprayer (N° de référence 41023)
Hand Spray Wand Kit, 2015 and After Multi Pro 1750 or Multi Pro WM Tur (N° de référence 41118)
PRO FOAM CONCENTRATE 4 X 1 GAL (N° de référence 41157)
NOZZALERT - MP NOZZLE FLOW SYSTEM (N° de référence 41166)
Ultra Sonic Boom Leveling Kit, 2013 and After Multi-Pro 5800, 1750 and (N° de référence 41219)
Foam Marker Kit, Serial number 400000000 and After Multi Pro 1750, 580 (N° de référence 41249)
COVERED BOOM KIT (N° de référence 41602)
PRO-FOAM (N° de référence 41607)
Tank Rinse Kit, Multi-Pro 5800 Turf Sprayer (N° de référence 41614)
Pivoting Hose Reel Kit, 2015 and After Multi-Pro 5800 Turf Sprayer (N° de référence 41621)
Eductor Kit, 2015 and After Multi-Pro 5800 Turf Sprayer (N° de référence 41622)
GSM RTK Correction Modem Kit, GeoLink Precision Spray System (N° de référence 41625)
ROAD LIGHT / HOMOLOGATION KIT (N° de référence 41628)
X25 GeoLink Precision Spray System Kit, Serial Number 315000001 and Af (N° de référence 41630)
GeoLink Spray System Finishing Kit, 2016 and After Multi Pro 5800 Turf (N° de référence 41632)
GEOLINK LTE PRECISION SPRAY SYSTEM (N° de référence 41633)
GEOLINK - GSM (N° de référence 41634)
TNL REFERENCE ANTENNA KIT, MR-2 (N° de référence 41635)
AUTOGUIDANCE KIT - MULTI PRO 5800 (N° de référence 41636)
X25 MONITOR KIT (N° de référence 41637)
CL-55 CDMA MODEM KIT (N° de référence 41638)
Clutch Assembly, Right (N° de référence 41639)
GEOLINK FINISH KIT, MP 5800 (N° de référence 41675)
-
Nº de modèle
41394 -
N° de série
408000000 - 409099999 -
Nom du produit
Pulvérisateur de gazon Multi Pro® 5800 -
Marque du produit
Toro -
Type de produit
Riding Products























































































