Pulvérisateur de gazon Multi Pro® 5800
Informations produit
- Nº de modèle : 41394
- N° de série : 417400000 - 418299999
- Type de produit : Riding Products
Chargement...
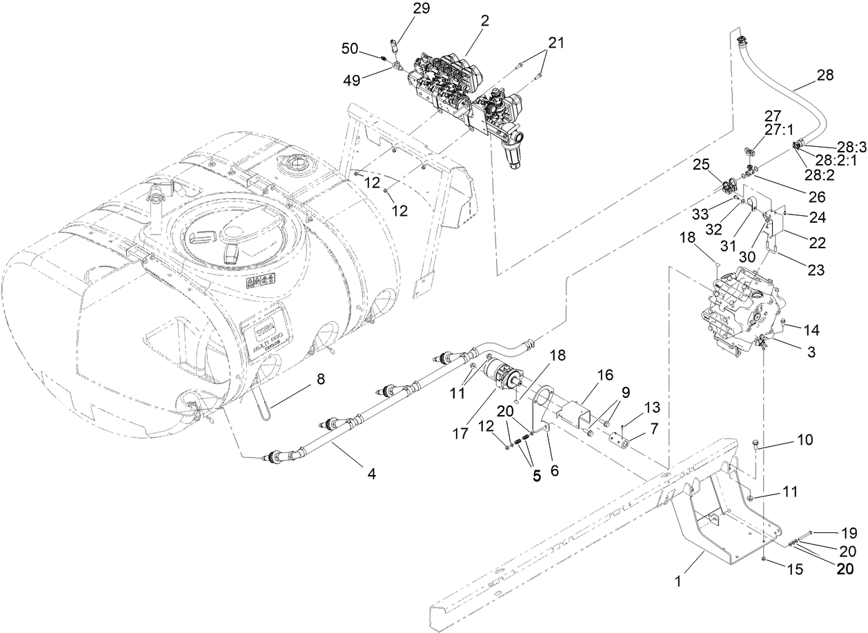
Schémas d’assemblage
Rechercher une pièce dans des schémas d'assemblage :
-
Manuel de l'utilisateur
-
Catalogue de pièces haute
-
Garantie produit
-
Addendum
-
Guide du logiciel
-
Schéma électrique
-
Schéma hydraulique
-
Déclaration de conformité UE / RU
PREMIUM ALL SEASON HYDRAULIC FLUID 55 GAL (N° de référence 108-1177)
PREMIUM ALL SEASON HYDRAULIC FLUID 5 GAL (N° de référence 108-1178)
PREM HVY DUTY ALL SEASON GEAR LUBE PA (N° de référence 108-1188)
PREMIUM ALL PURPOSE GREASE (N° de référence 108-1190)
PREM HVY DUTY ALL SEASON GEAR LUBE QR (N° de référence 108-1591)
ARRESTOR-SPARK (N° de référence 115-2919)
TIRE (N° de référence 119-6021)
Beacon Kit, Multi-Pro 5800 Turf Sprayer (N° de référence 120-8505)
License Plate Kit, Multi-Pro 5800 Turf Sprayer (N° de référence 120-8506)
Spring Upgrade Kit, Multi-Pro Turf Sprayer with Covered Boom Kit (N° de référence 120-8508)
PREMIUM ENGINE OIL 10W30 (55 GAL) (N° de référence 121-6392)
PREMIUM ENGINE OIL 10W30 (5 GAL) (N° de référence 121-6393)
WHEEL AND TIRE ASM (N° de référence 127-1100)
LANCE ASM - SUCTION (N° de référence 127-9826)
Ultra Sonic Boom Finishing Kit, 2013 and After Multi Pro 5800 Turf Spr (N° de référence 130-8229)
Right Hand Step Kit, Multi-Pro 5800 Turf Sprayer (N° de référence 130-8230)
Left Hand Step Kit, Multi-Pro 5800 Turf Sprayer (N° de référence 130-8231)
Finishing Kit, Foam Marker for Serial Number 315000001 and After Multi (N° de référence 136-0458)
CE Kit, Multi Pro 5800-G Turf Sprayer (N° de référence 144-6200)
Rear Work Light Kit, Multi Pro Turf Sprayer Vehicle (N° de référence 41010)
Single Nozzle Kit, Multi-Pro Turf Sprayer (N° de référence 41023)
Hand Spray Wand Kit, 2015 and After Multi Pro 1750 or Multi Pro WM Tur (N° de référence 41118)
PRO FOAM CONCENTRATE 4 X 1 GAL (N° de référence 41157)
NOZZALERT - MP NOZZLE FLOW SYSTEM (N° de référence 41166)
Ultra Sonic Boom Leveling Kit, 2013 and After Multi-Pro 5800, 1750 and (N° de référence 41219)
Foam Marker Kit, Serial number 400000000 and After Multi Pro 1750, 580 (N° de référence 41249)
COVERED BOOM KIT (N° de référence 41602)
PRO-FOAM (N° de référence 41607)
Tank Rinse Kit, Multi-Pro 5800 Turf Sprayer (N° de référence 41614)
Pivoting Hose Reel Kit, 2015 and After Multi-Pro 5800 Turf Sprayer (N° de référence 41621)
Eductor Kit, 2015 and After Multi-Pro 5800 Turf Sprayer (N° de référence 41622)
TNL REFERENCE ANTENNA KIT, MR-2 (N° de référence 41635)
AUTOGUIDANCE KIT - MULTI PRO 5800 (N° de référence 41636)
-
Nº de modèle
41394 -
N° de série
417400000 - 418299999 -
Nom du produit
Pulvérisateur de gazon Multi Pro® 5800 -
Marque du produit
Toro -
Type de produit
Riding Products





















































































