Groundsmaster® 3500-D
Informations produit
- Nº de modèle : 30807
- N° de série : 415300000 - 418124539
- Type de produit : Riding Products
Chargement...
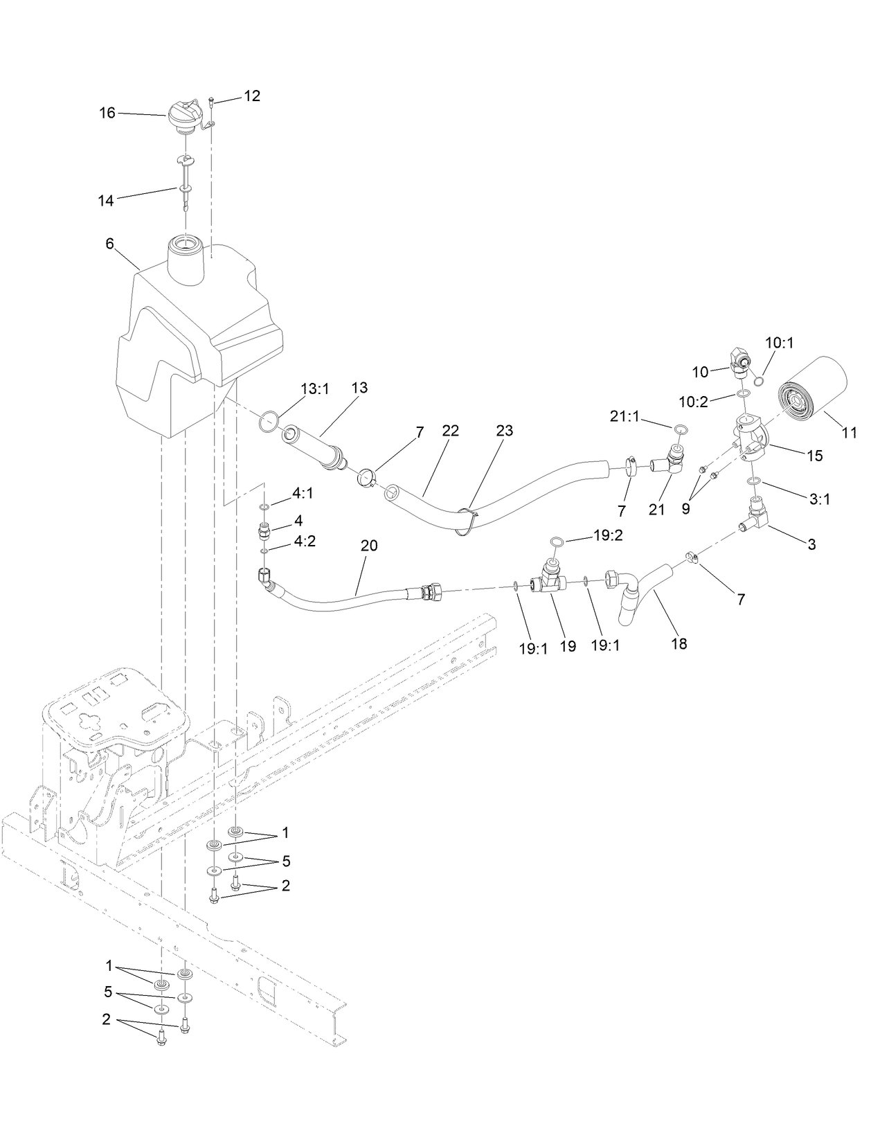
Schémas d’assemblage
Rechercher une pièce dans des schémas d'assemblage :
-
Manuel d'entretien
-
Manuel de l'utilisateur
-
Catalogue de pièces haute
-
Schéma électrique
-
Schéma hydraulique
-
Déclaration de conformité UE / RU
Operator Cooling Fan, Groundsmaster or Reelmaster Traction Unit with U (N° de référence 03247)
Switch Panel, Groundsmaster and Reelmaster Traction Units with Univers (N° de référence 03248)
ROLLER SCRAPER KIT (N° de référence 104-5168)
BLADE-HIGH LIFT (N° de référence 104-5183)
BLADE-ANGLE SAIL (N° de référence 105-9810-03)
BLADE-ATOMIC, 27 IN (N° de référence 107-0235-03)
BLADE SERVICE PACK, 27 IN (N° de référence 108-1462)
BLADE-27", COMBO (N° de référence 108-9026)
Hourmeter, Wireless Hourmeter System (N° de référence 115-4754)
External Antenna Kit, Wireless Hourmeter System (N° de référence 115-9524)
Base Station Kit, Wireless Hourmeter System (N° de référence 115-9542)
Repeater Kit, Wireless Hourmeter System (N° de référence 115-9543)
Damper Kit, Cutting Units for Groundsmaster 3500-D Traction Unit (N° de référence 119-2047)
ROLLER ASM (UHMW) (N° de référence 131-7800)
COVER SEAT,HI-BACK [TORO] (N° de référence 133-1308)
PX HYD FLUID (5 GAL) (N° de référence 133-8086)
PX HYD FLUID (55 GAL) (N° de référence 133-8087)
KIT-BALLAST (27in. C/U) (N° de référence 136-2881)
WHEEL WEIGHT KIT (N° de référence 136-3315)
LH LIFTARM ASM (N° de référence 136-3421)
RH LIFTARM ASM (N° de référence 136-3423)
GM SECTIONAL ROLLER ASM (3IN DIA)(27I (N° de référence 137-6145)
Beacon Kit, Groundsmaster and Reelmaster Traction Units with Universal (N° de référence 138-2699)
POWER-HARNESS, KIT (RM3XXX) (N° de référence 138-2993)
Work Lights Kit, Groundsmaster and Reelmaster Traction Units with Univ (N° de référence 140-1554)
HYDRAULIC BOOSTER-10.5 FL OZ (N° de référence 145-5286)
Bimini Sunshade for 2-Post Roll-Over Protection System (N° de référence 30358)
Premium Seat Kit, Groundsmaster 3500-D/3505-D and Reelmaster 3100-D (N° de référence 30629)
White Universal Sunshade, Groundsmaster or Reelmaster Traction Units o (N° de référence 30669)
Red Universal Sunshade, Groundsmaster or Reelmaster Traction Units or (N° de référence 30671)
27in Rotary Cutting Unit, Groundsmaster 3500-D/4500-D/4700-D (N° de référence 30834)
Leaf Mulching Kit (N° de référence 30836)
LED Light Kit, Groundsmaster 3500 Series Rotary Mower or Reelmaster 3100-D Series Traction Unit (N° de référence 31692)
Red Paint - Gallon Can (N° de référence 361-11)
PAINT-AEROSOL, DARK METALLIC GRAY (N° de référence 361-12)
PAINT-SPRAY, TORO SEMI-GLOSS BLACK (N° de référence 361-9)
MVP KIT, 1000 HR, GM35XX/RM35XX, T4 (N° de référence 44963)
Red Paint - Quart Can (N° de référence 5340)
-
Nº de modèle
30807 -
N° de série
415300000 - 418124539 -
Nom du produit
Groundsmaster® 3500-D -
Marque du produit
Toro -
Type de produit
Riding Products











































































