Série 2000 MyRIDE® HDX de 152 cm (60 po), 17,5 kW (23,5 cv), 726 cm³
Informations produit
- Numéro de modèle : 77294
- Numéro de série : 415500000 - 417399999
- Type de produit : Riding Products
Chargement...
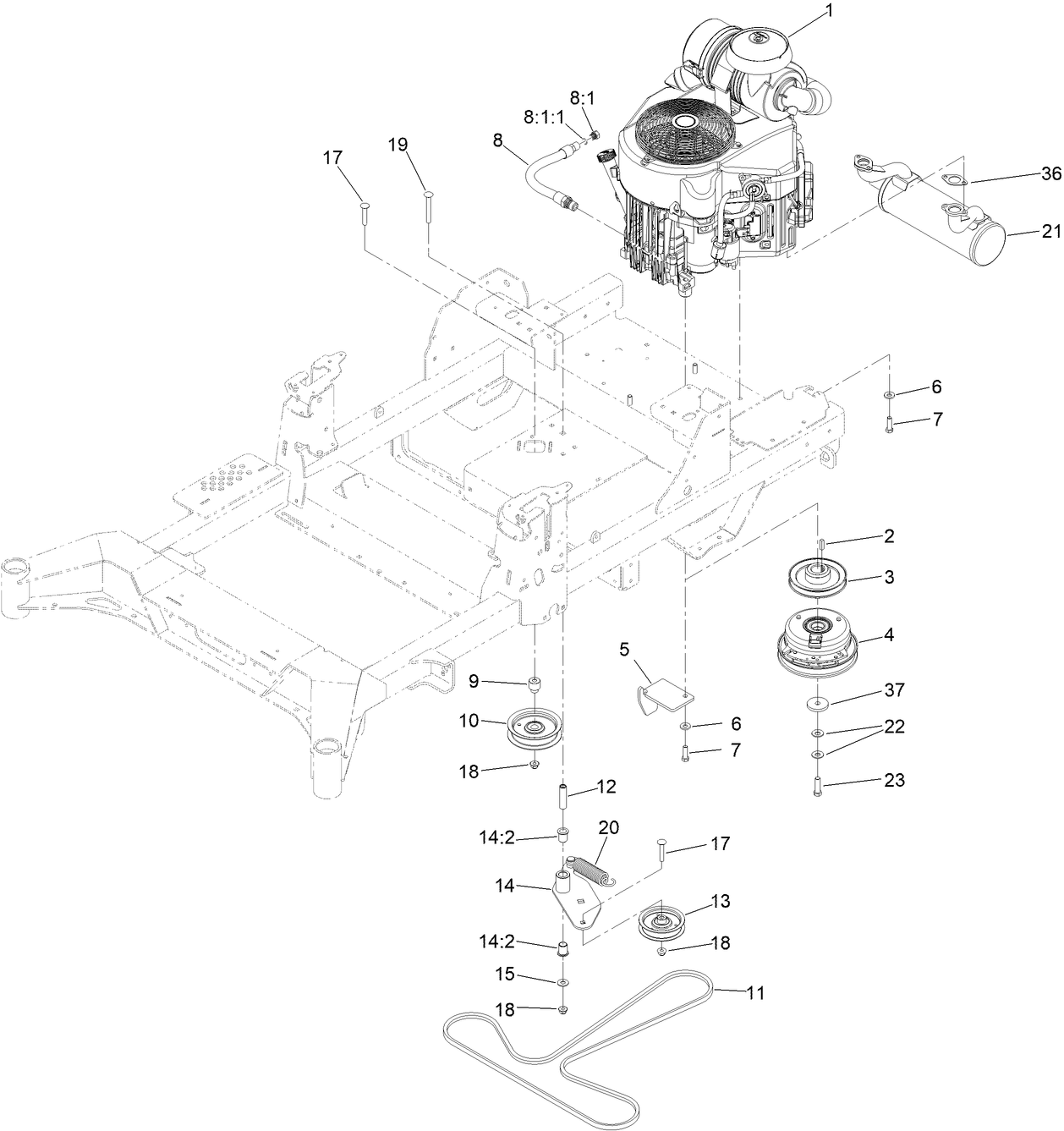
Schémas d'assemblage
Rechercher une pièce dans des schémas d'assemblage :
-
Manuel d'entretien
-
Manuel de l'utilisateur
-
Catalogue de pièces
-
Garantie produit
-
Instructions d'installation
KIT-ELEC DECK LIFT (Réf. 147-7867)
-
Numéro de modèle
77294 -
Numéro de série
415500000 - 417399999 -
Nom du produit
Série 2000 MyRIDE® HDX de 152 cm (60 po), 17,5 kW (23,5 cv), 726 cm³ -
Marque du produit
Toro -
Type de produit
Riding Products -
Série de produit
Zero Radius Turn, Commercial 2000 Series -
Type de Châssis
ZRT - LCE -
Largeur de travail
60 inch / 152 cm -
Éjection
Side Discharge -
Fabricant du moteur
Kawasaki -
Taille de moteur
23.5 hp -
Type de moteur
4 Cycle -
Démarreur
Electric -
Type de transmission
Hydrostatic -
Type de Traction
Rear WD
-
Engine: Battery
12V 300CCA -
Engine: Engine Speed
3800±100 RPM -
Engine: Spark Plug
NGK BPR4ES -
Engine: Spark Plug Gap
.028-.032"/ .7-.8mm -
Chassis: Height of Cut Range
1.5" - 5" (38-127mm) -
Chassis: Tire Pressure
12-14 psi rear -
Drive System: Ground Speed
0-10 mph / 0-16kph -
Engine: Engine Oil Type
filter change 2.2 qts. (2.1 L); no filter 1.9 qts. (1.8 L) SAE 30 -
Engine: Ignition Coil Air Gap
0.011in (0.3mm) -
Drive System: Gearbox Lubricant
HYPR-OIL 500 / 20w-50 Synthetic Motor Oil


























