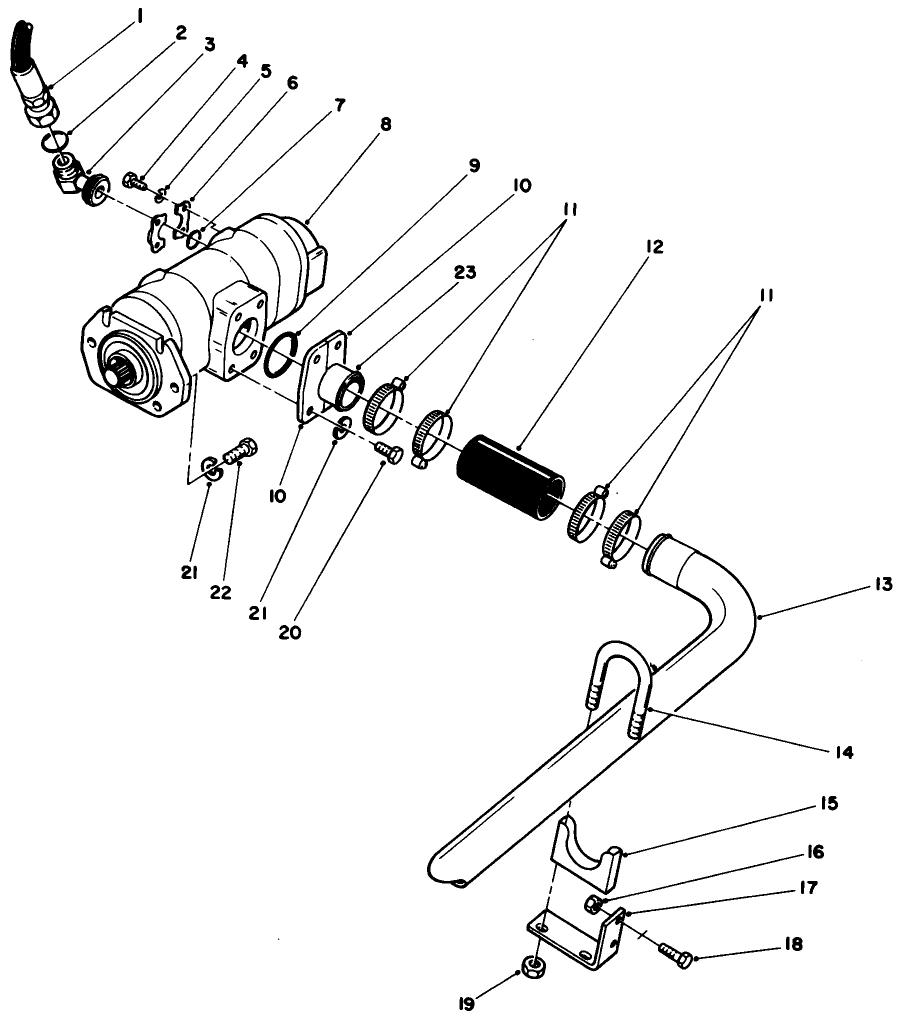
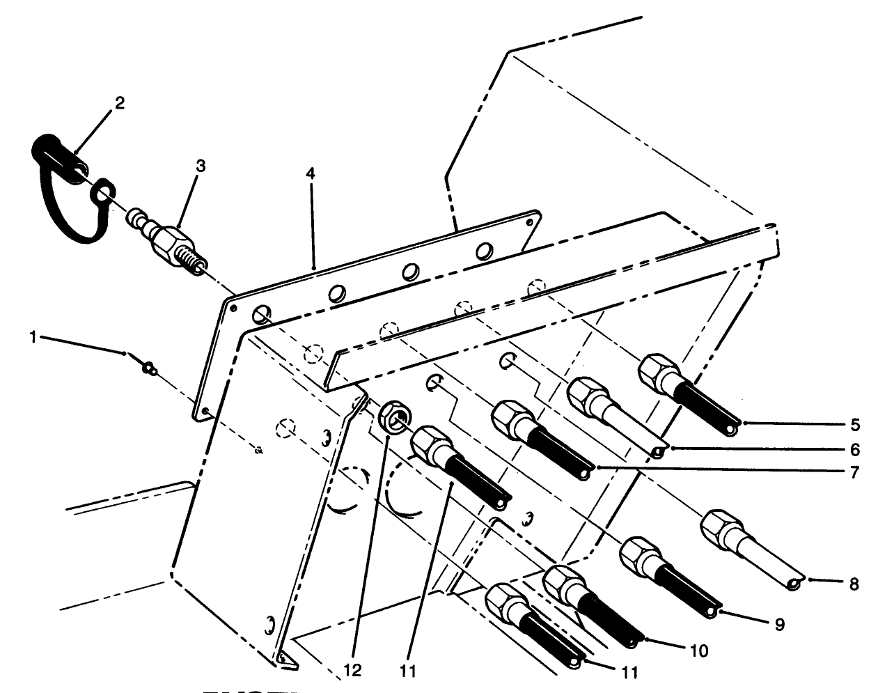
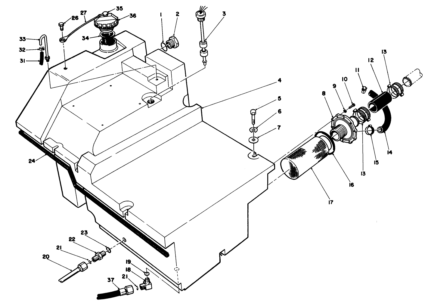
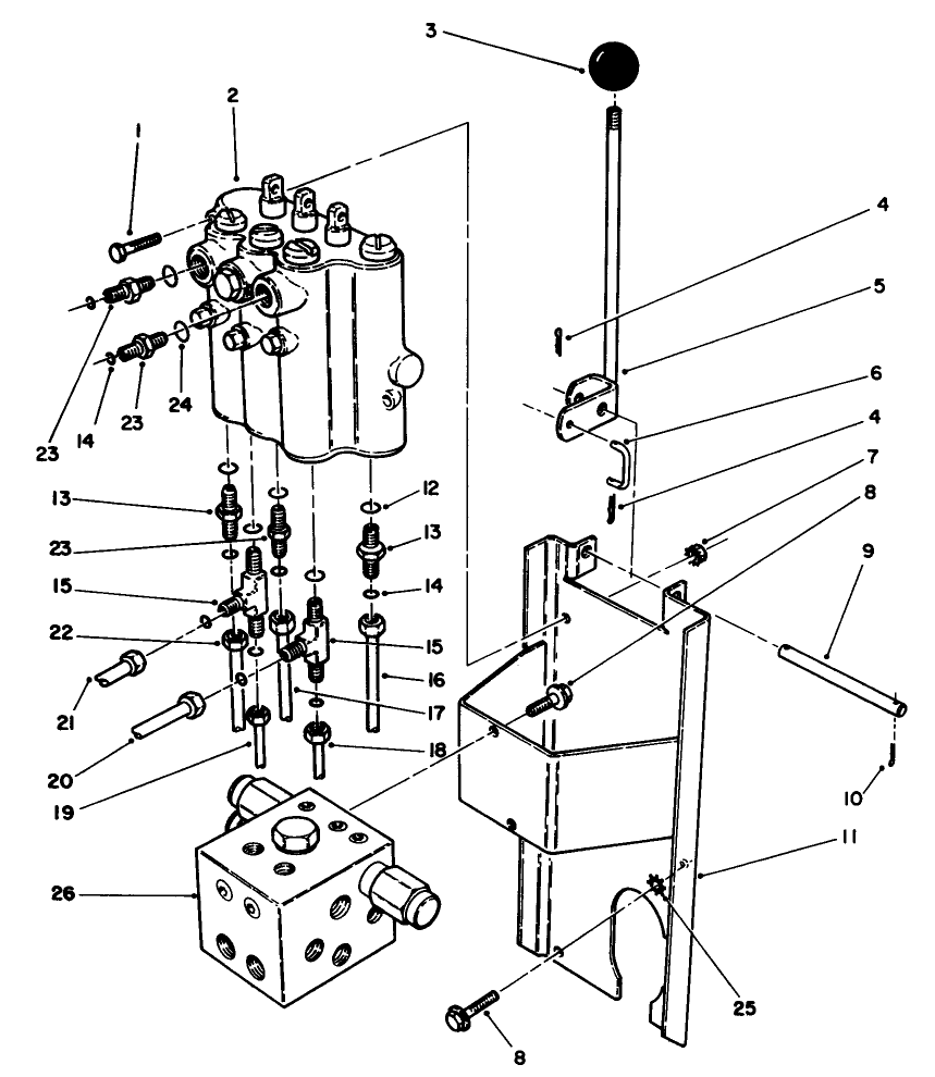
Groundsmaster 580-D
Produktinformation
- Modellnr: 30580
- Serienr: 30149 - 39999
- Produkttyp: Riding Products
Laddar ...
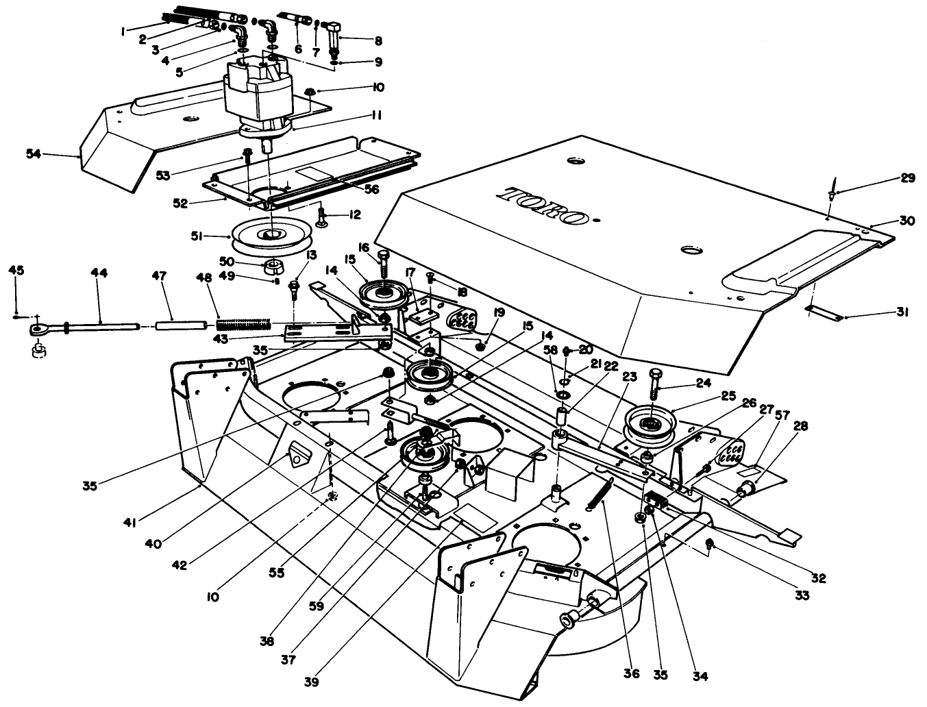
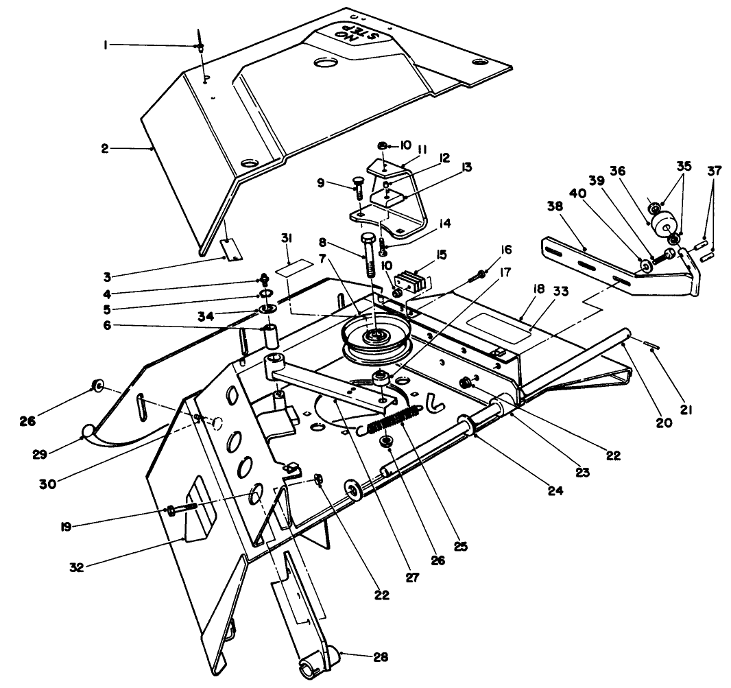
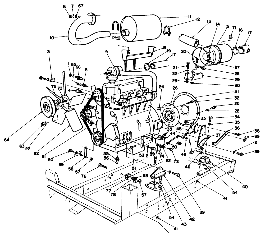
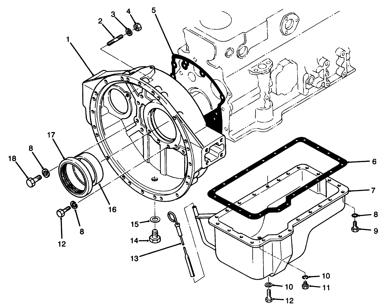
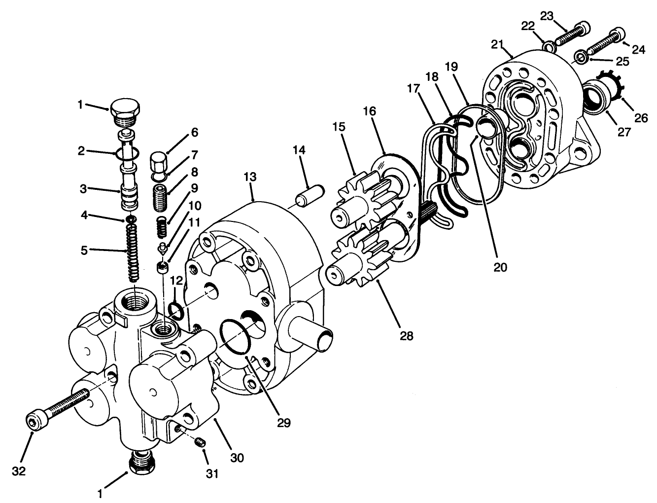
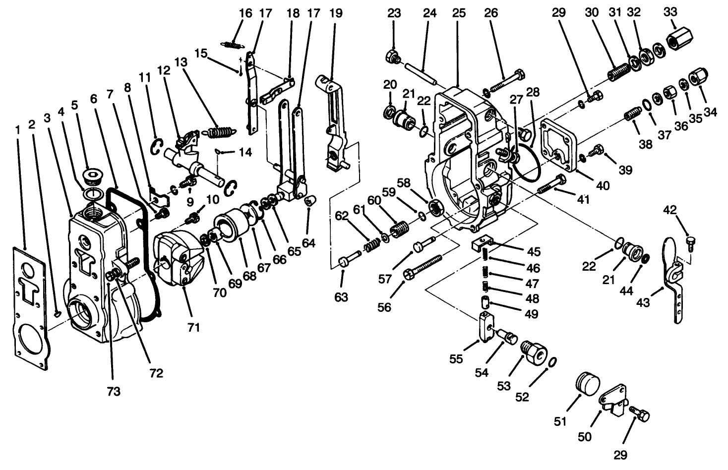
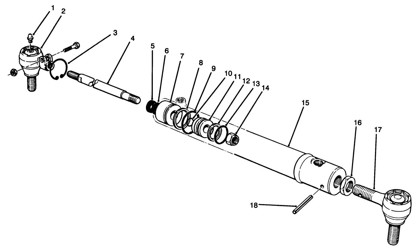
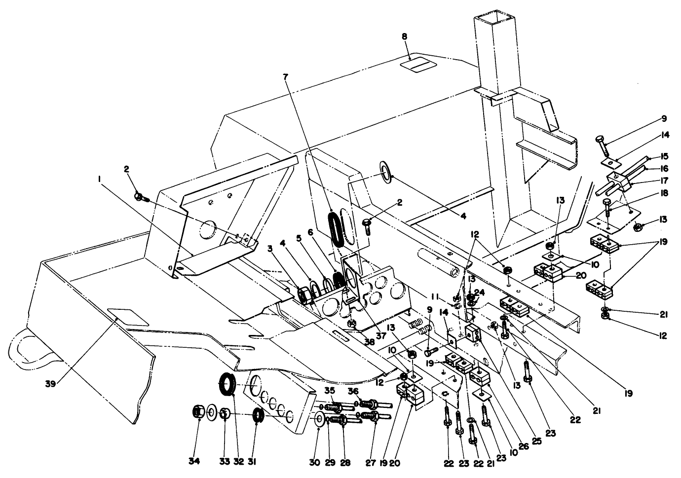
Monteringsritningar
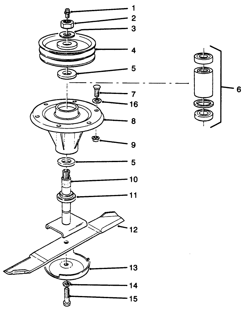
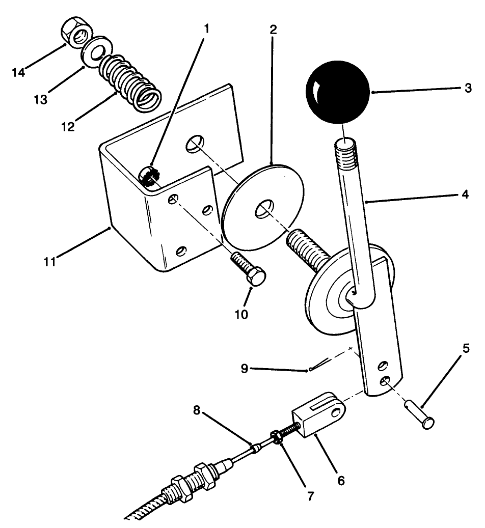
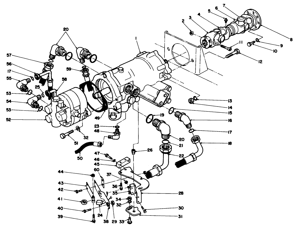
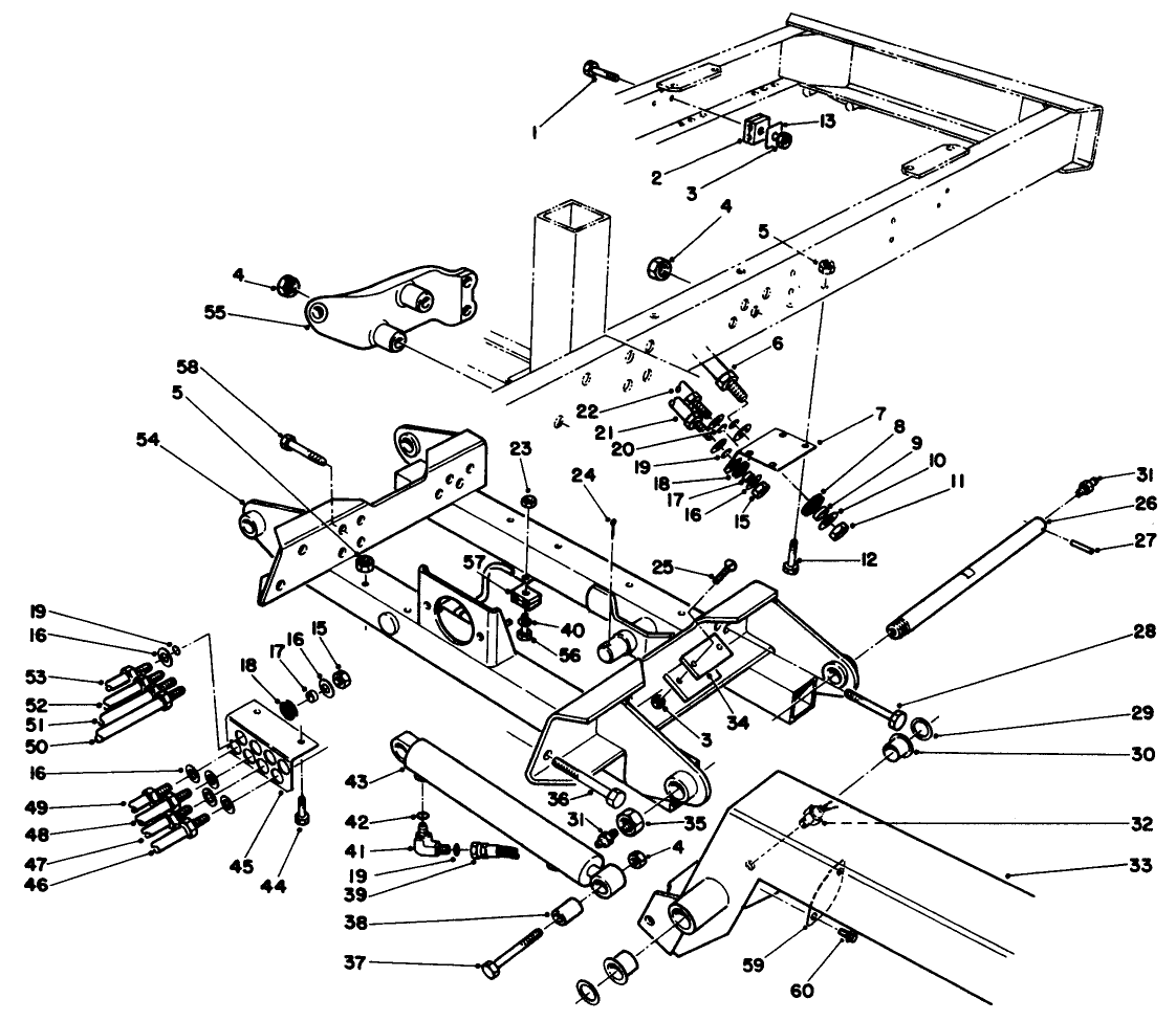
Sök efter en artikel inom ritningar för montering:
-
Serviceanvisning
-
Bruksanvisning
-
Reservdelskatalog
-
Servicebulletin
-
Modellnummer
30580 -
Serienr
30149 - 39999 -
Produktnamn
Groundsmaster 580-D -
Produktmärke
Toro -
Produkttyp
Riding Products -
Produktserie
GM 500 Series












































































