Groundsmaster® 5910
Produktinformationen
- Modellnr.: 31699
- Seriennr.: 409080000 - 409699999
- Produkttyp: Riding Products
Wird geladen…
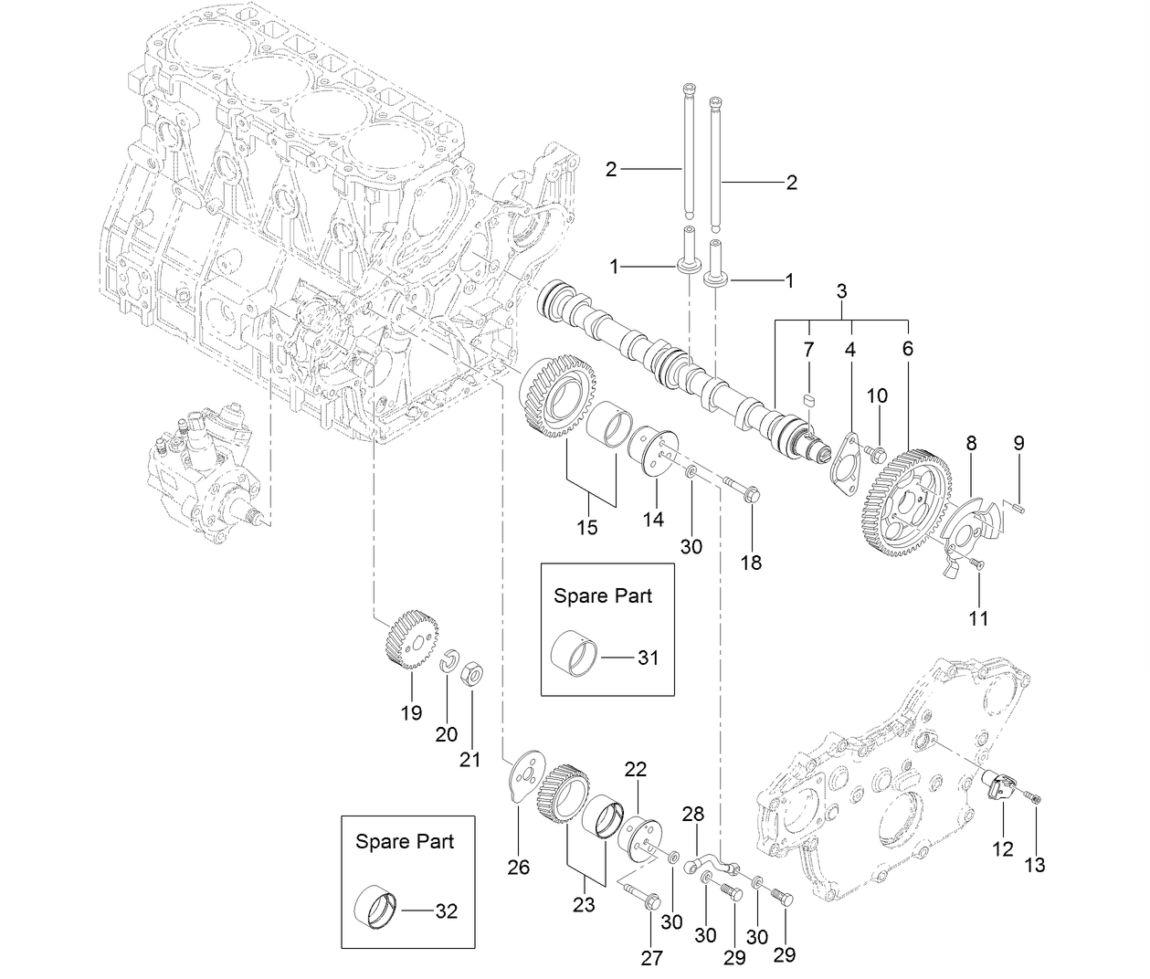
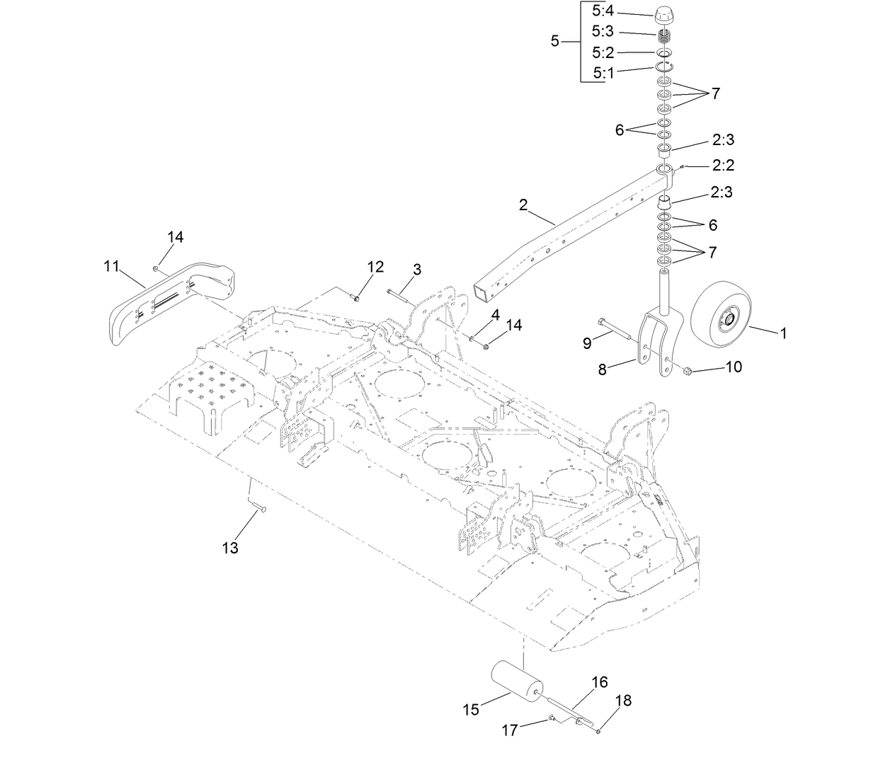
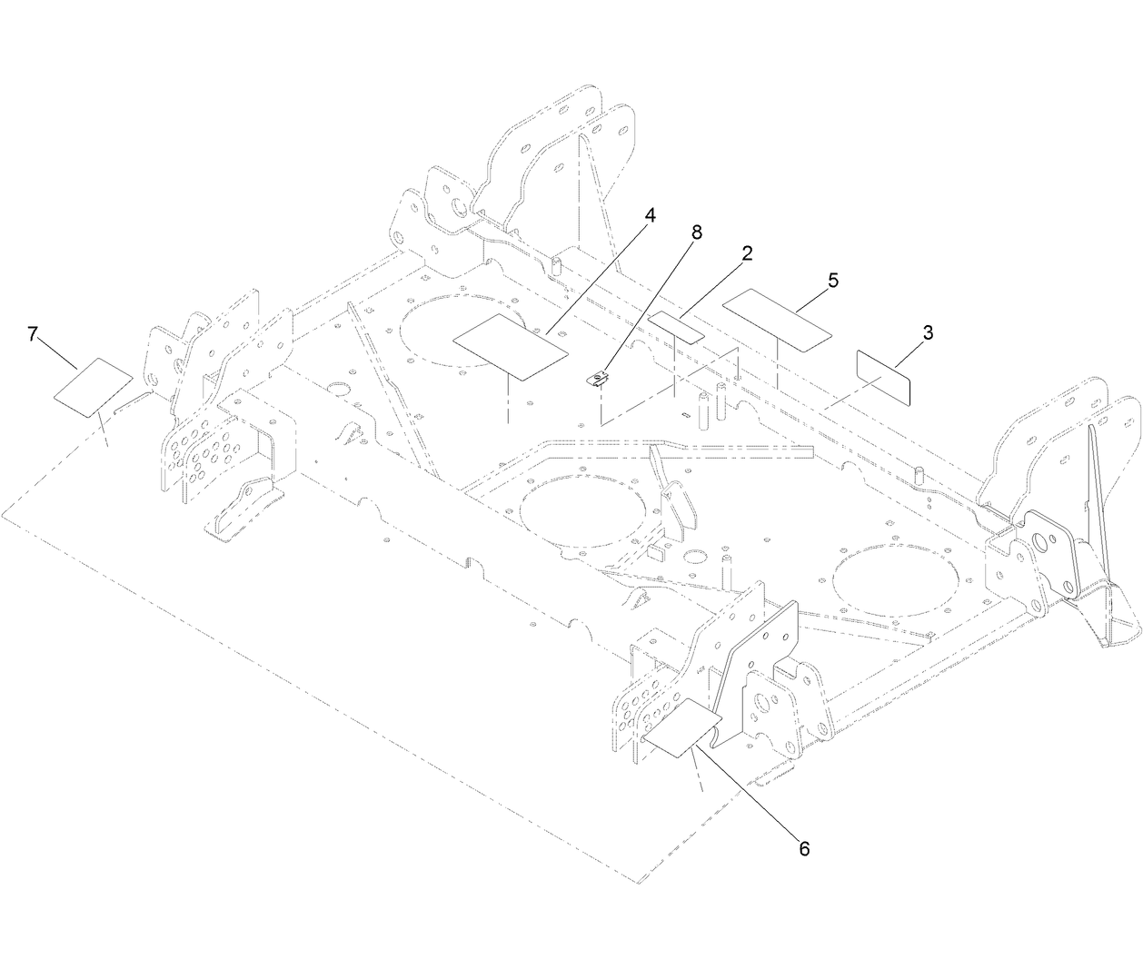
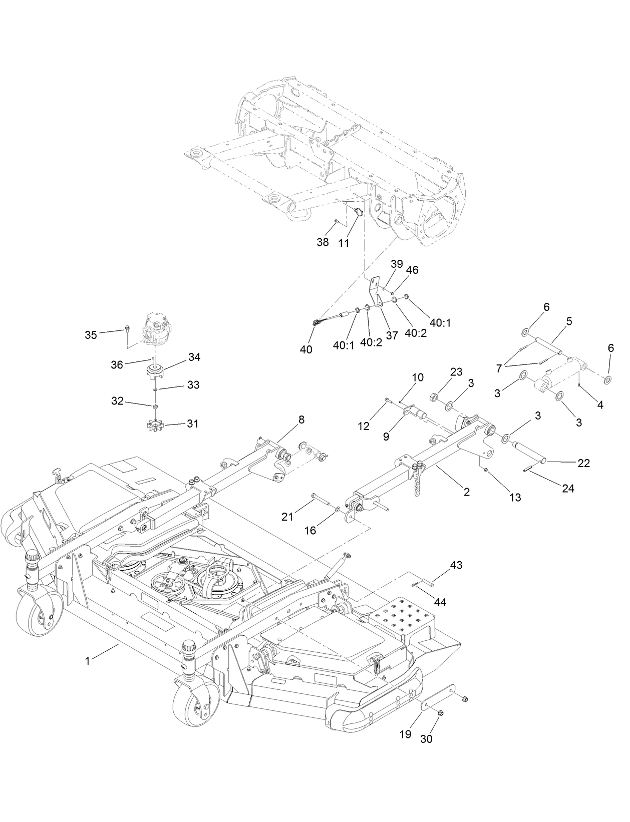
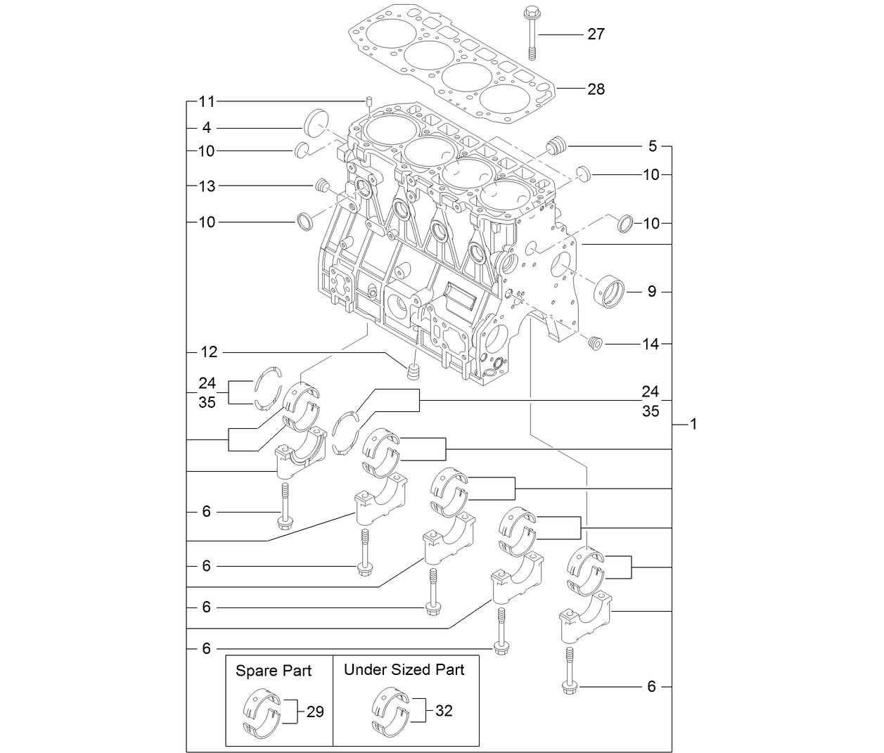
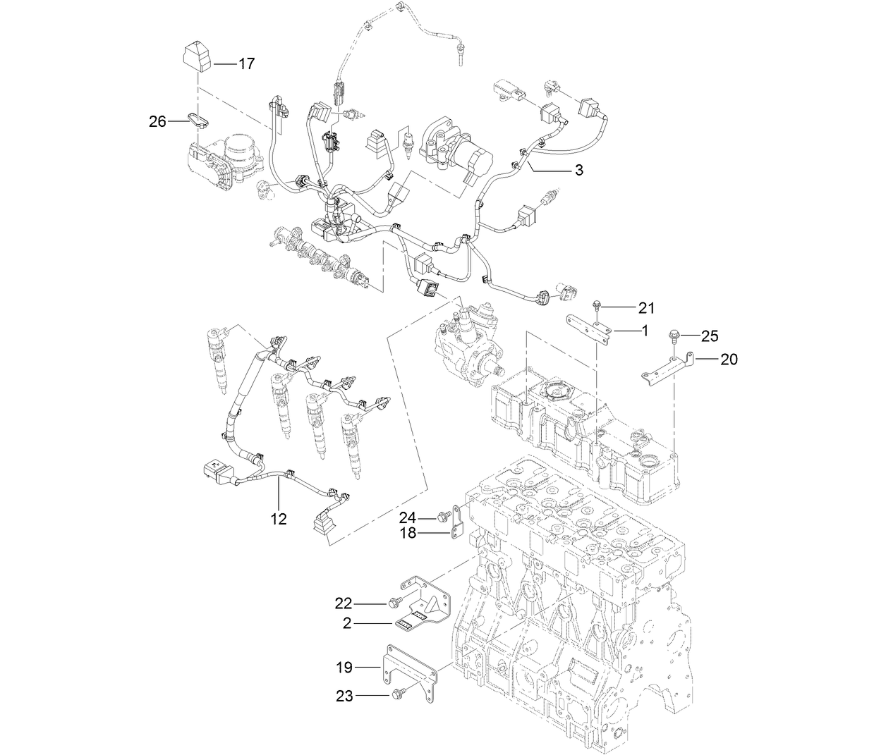
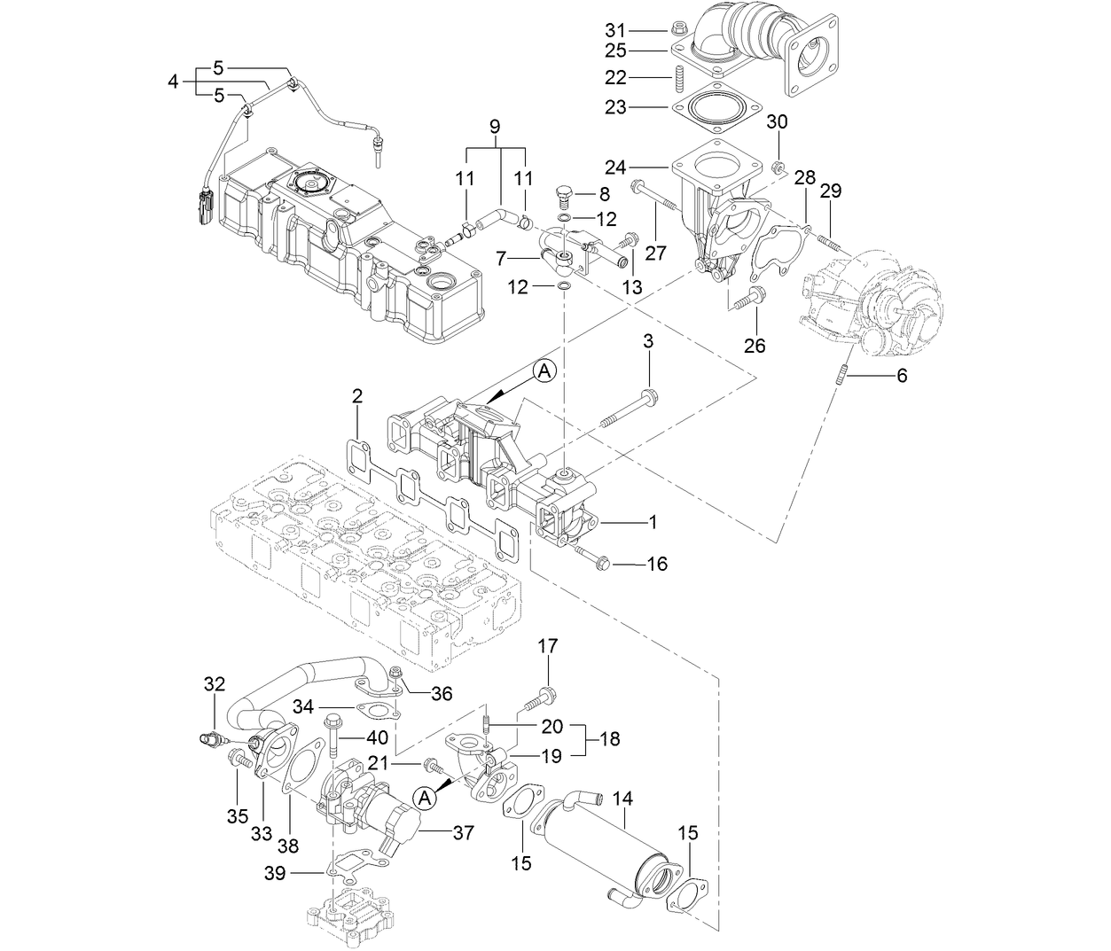
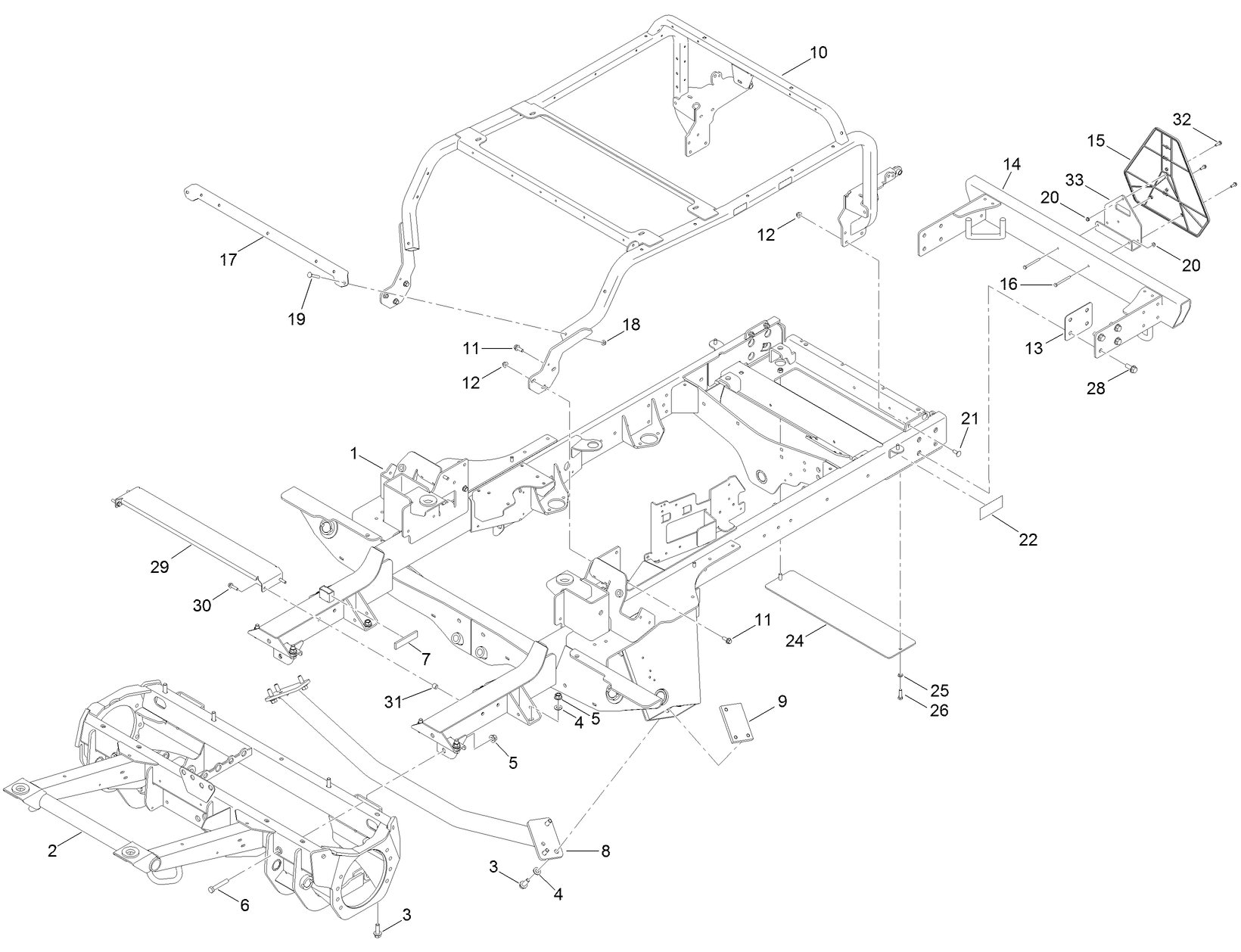
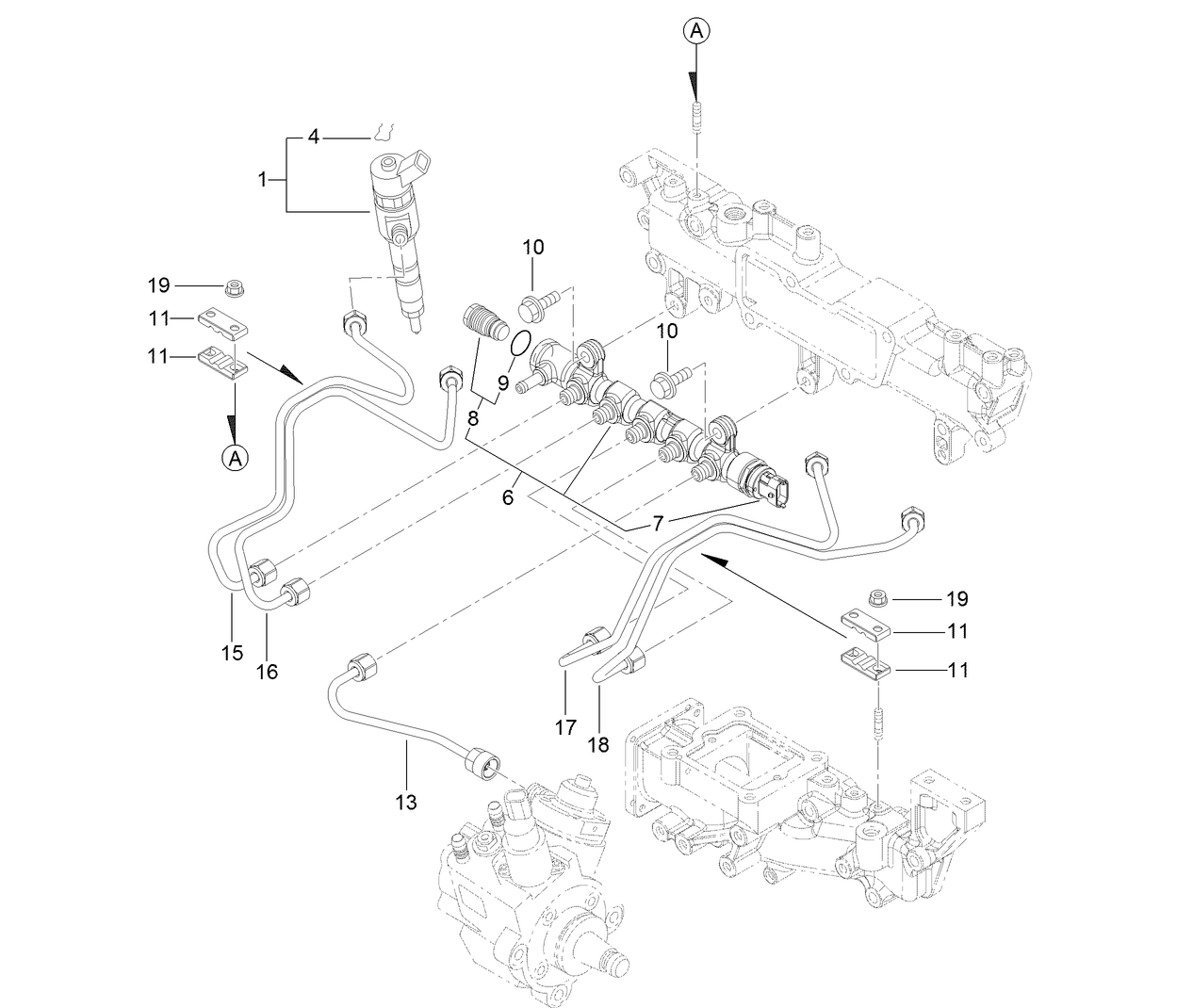
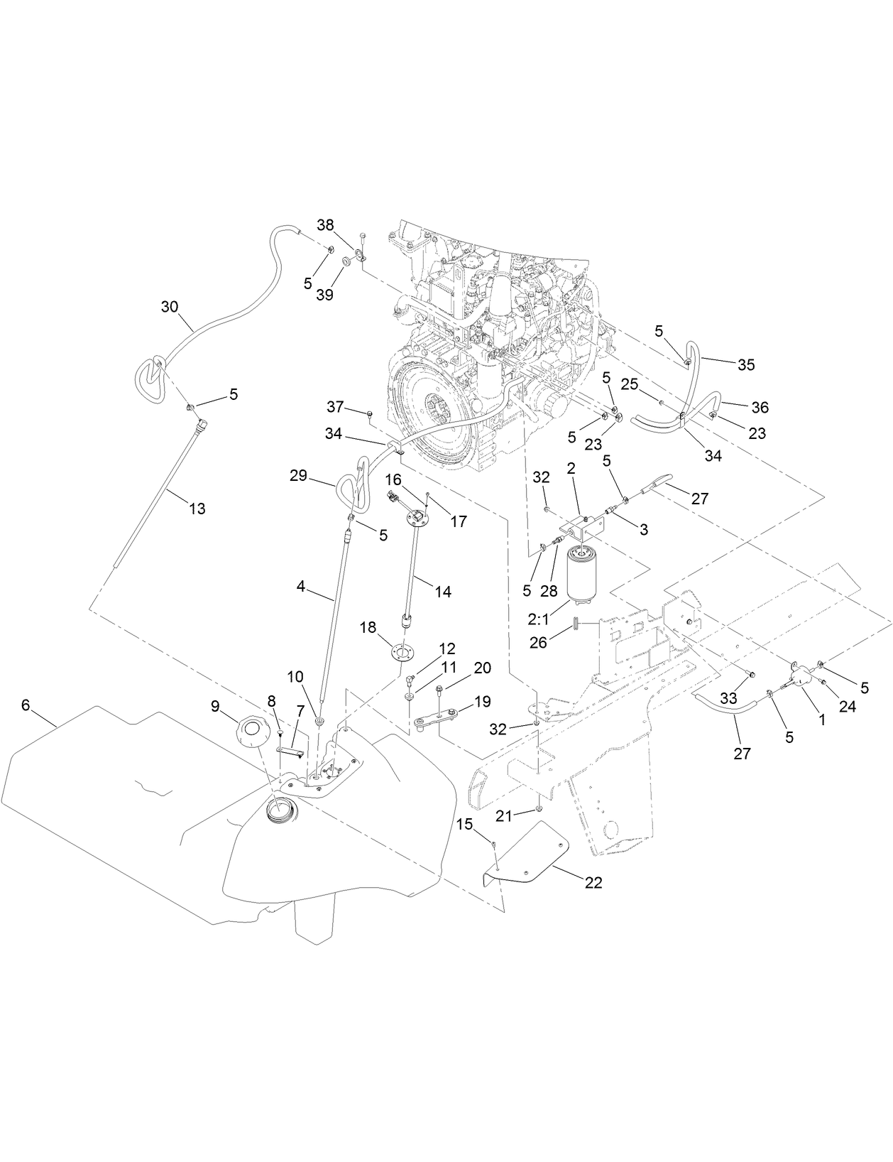
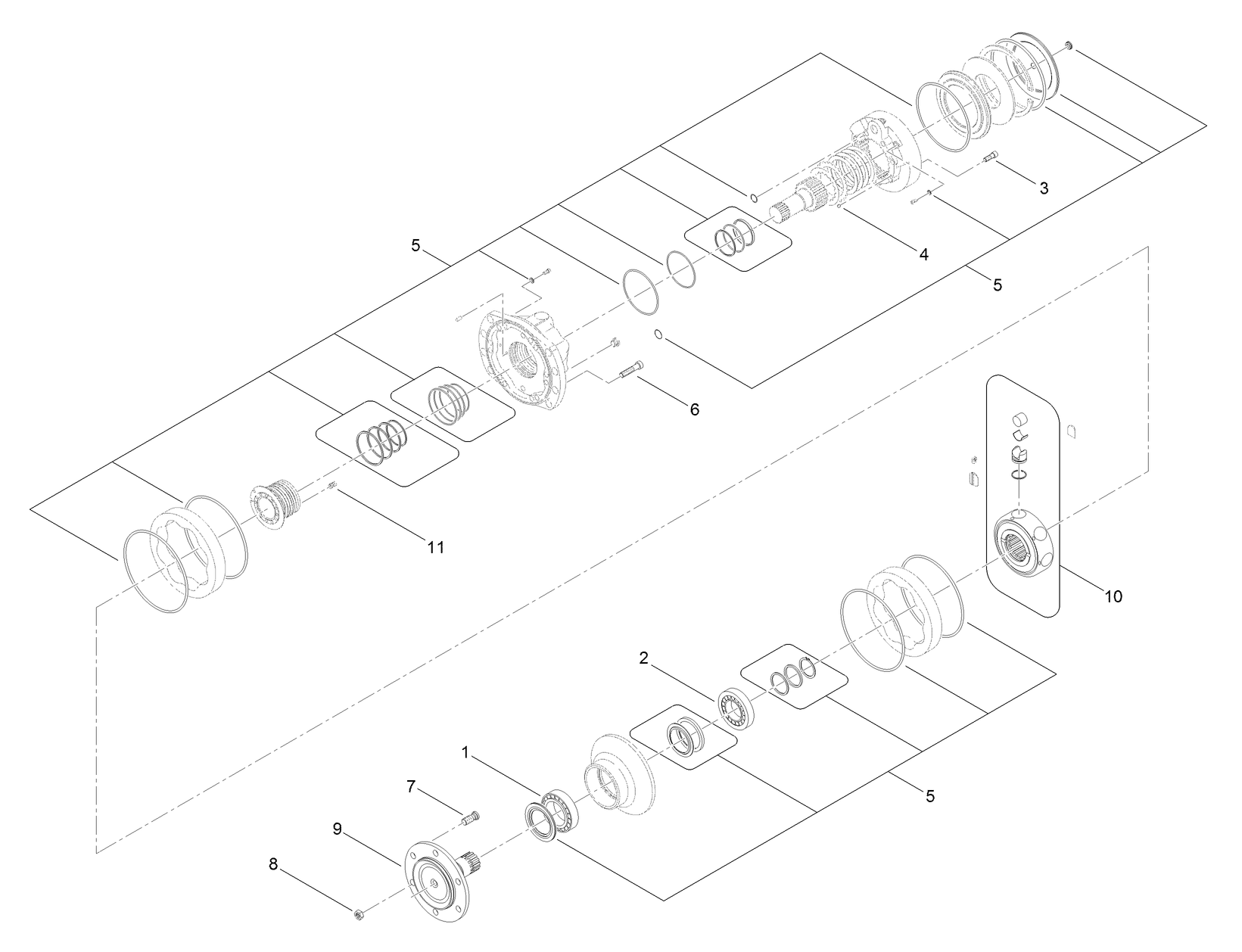
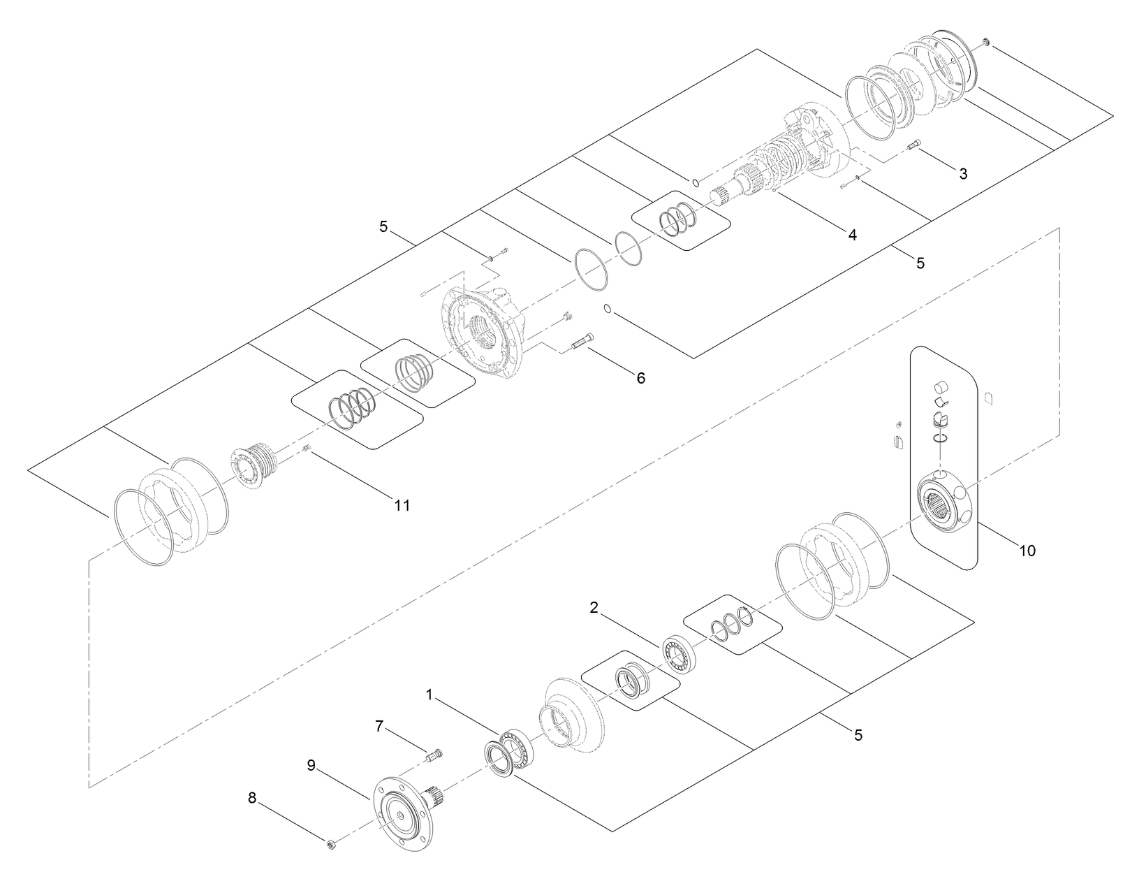
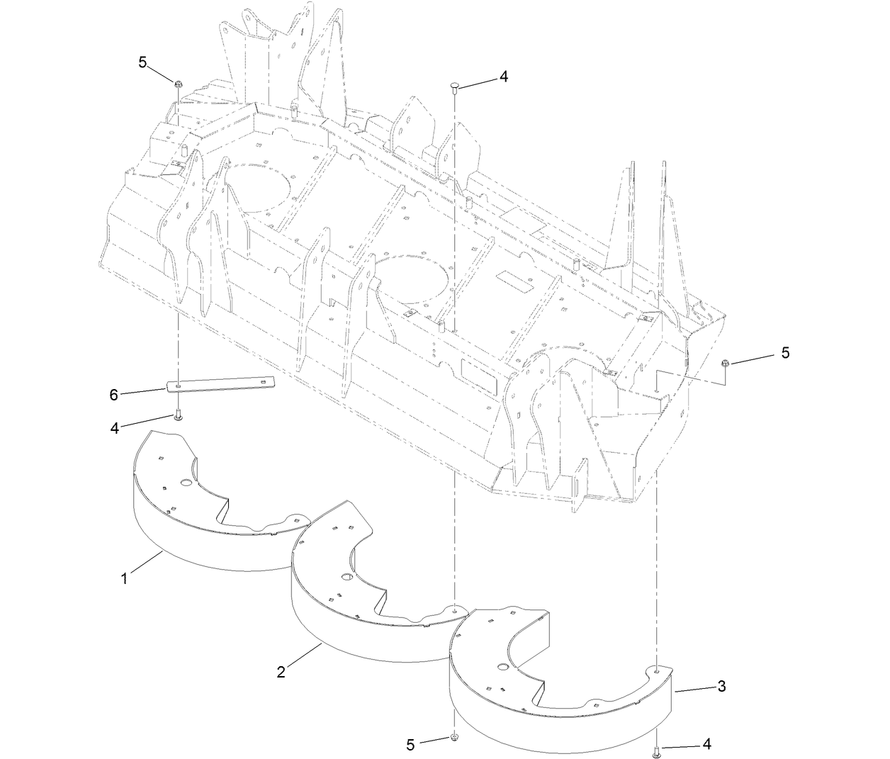
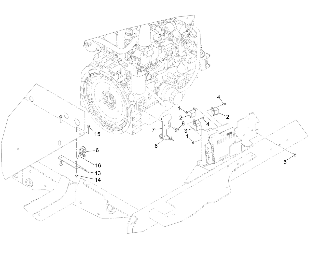
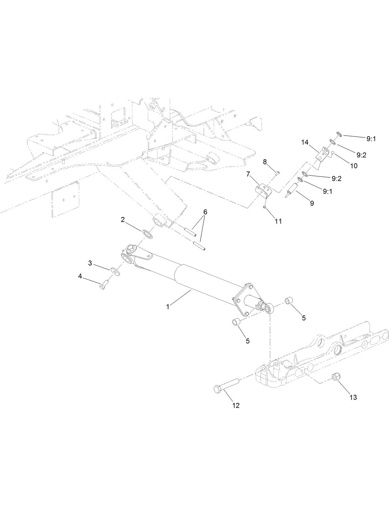
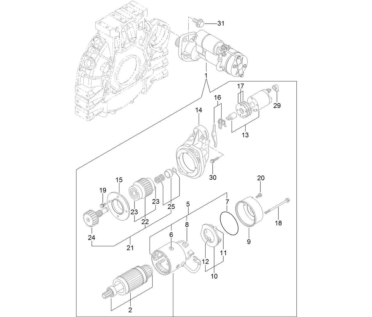
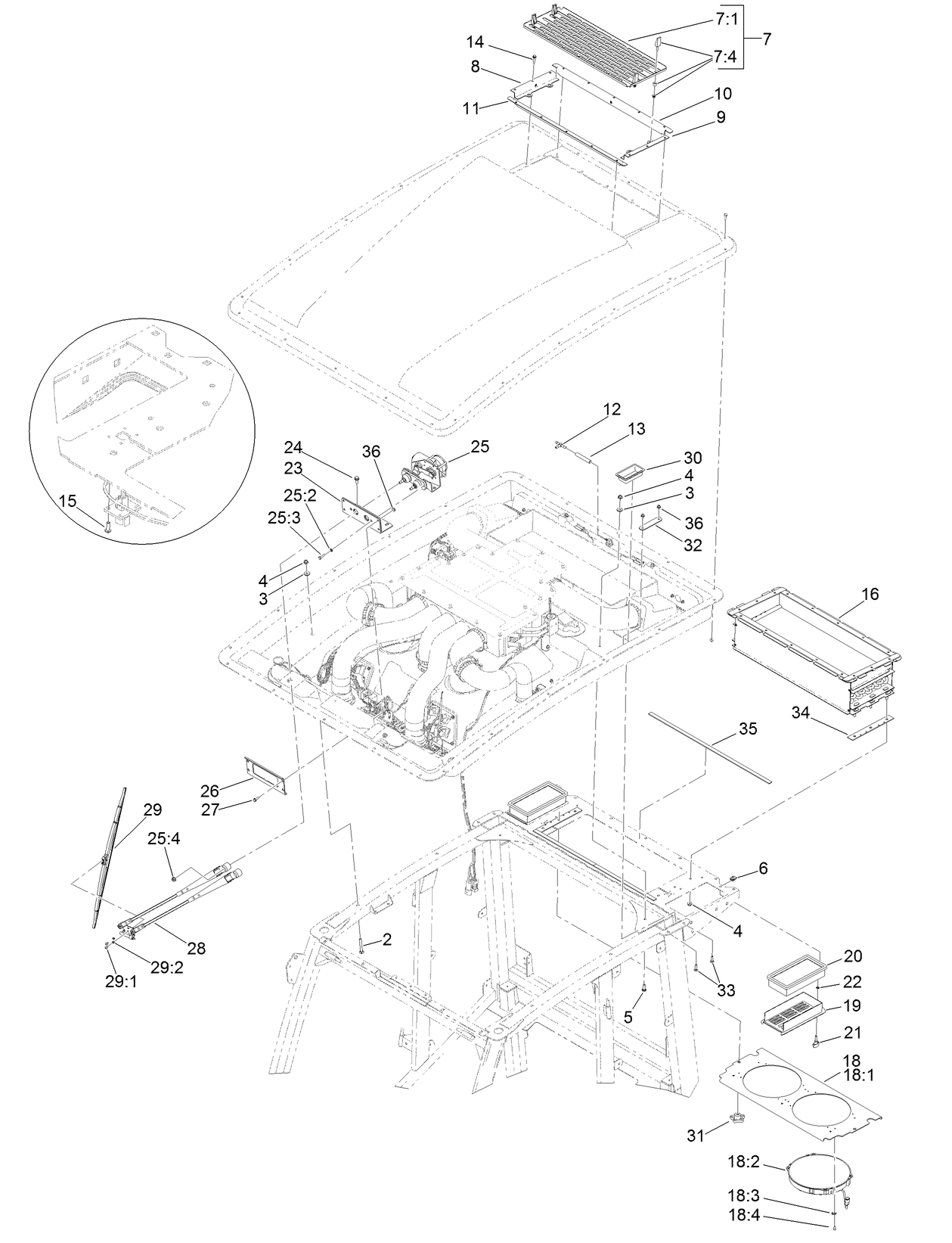
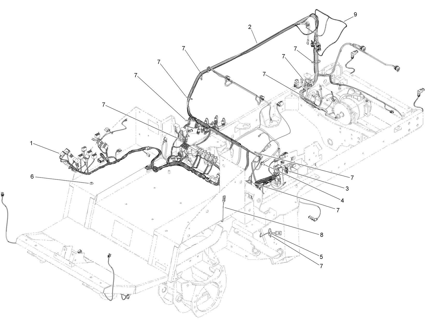
Montagezeichnungen
Ein Teil in Bauteilzeichnungen suchen:
-
Wartungsanleitung
-
Bedienungsanleitung
-
Ersatzteilkatalog
-
Softwareanleitung
-
Elektrisches Schaltbild
-
Hydraulisches Schaltbild
-
EU/UK-Konformitätserklärung
PREMIUM ALL PURPOSE GREASE (Bestellnummer 108-1190)
FILTER-AIR (Bestellnummer 108-3815)
Fabric Backrest Extension Kit, Grammer Seat for Toro Commercial Tracti (Bestellnummer 119-7719)
PREMIUM ENGINE OIL 15W40 (55 GAL) (Bestellnummer 121-6394)
PREMIUM ENGINE OIL 15W40 (5 GAL) (Bestellnummer 121-6395)
FILTER-AIR (Bestellnummer 121-8457)
FILTER-SPIN ON (Bestellnummer 125-2915)
FILTER (Bestellnummer 125-7025)
FILTER-FUEL (Bestellnummer 125-8752)
ELEMENT-FILTER, SAFETY (Bestellnummer 130-9070)
CE Kit, 2016 and After Groundsmaster 5900 Series Traction Unit (Bestellnummer 132-1340)
BLADE SERVICE PACK, ATOMIC 20.00 IN (Bestellnummer 132-1391)
BLADE SERVICE PACK, 20.00 IN (Bestellnummer 132-1392)
BLADE-BELT KIT (Bestellnummer 132-1440)
PX HYD FLUID (5 GAL) (Bestellnummer 133-8086)
PX HYD FLUID (55 GAL) (Bestellnummer 133-8087)
WRENCH (Bestellnummer 138-6367)
MANUAL FLOW DIVIDER KIT (Bestellnummer 140-5800)
Pre-Filter Screen Kit, 2015 and After Groundsmaster Series Cab (Bestellnummer 30647)
EU LIGHT KIT - GM5900/5910 T4F MODELS (Bestellnummer 30653)
North American Cab Light Kit, 2015 and After Groundsmaster 5910/4010/4 (Bestellnummer 30706)
Beacon Kit, 2015 and After Groundsmaster Series Traction Unit (Bestellnummer 31509)
Backup Alarm Kit, 2016 and After Groundsmaster 4000 or 4100 Series Rot (Bestellnummer 31512)
LED Work Light Kit, 2015 and After Cab and 2 Post ROPS Extension Kit (Bestellnummer 31596)
CENTER DECK , GM5900T4F (Bestellnummer 31601)
RIGHT WING DECK , GM5900T4F (Bestellnummer 31602)
Left Wing Deck (Bestellnummer 31603)
Replacement deck.
Leaf Mulching Kit, 2016 and After Groundsmaster 5900 or 5910 Series Rotary Mower (Bestellnummer 31604)
GM5900 T4FINAL FLUID FILTER MVP KIT (Bestellnummer 31609)
AUX BRAKING SYSTEM, GM5900 (Bestellnummer 31701)
MVP KIT 1000 HOUR - GM5900/5910 (Bestellnummer 44958)
FILTER-HYDRAULIC (Bestellnummer 75-1310)
FILTER-HYDRAULIC (Bestellnummer 86-6110)
10in Foam Filled Wheel ASM (Incl. Ref. No. 1-6 and 9-10) (Bestellnummer 93-5973)
-
Modellnr.
31699 -
Seriennr.
409080000 - 409699999 -
Produktname
Groundsmaster® 5910 -
Produktmarke
Toro -
Produkttyp
Riding Products









































































































































