Reelmaster® 3100-D Diesel Powered with Sidewinder
Product Information
- Model #: 03171
- Serial #: 403300001 - 403430000
- Product Type: Riding Products
Loading...
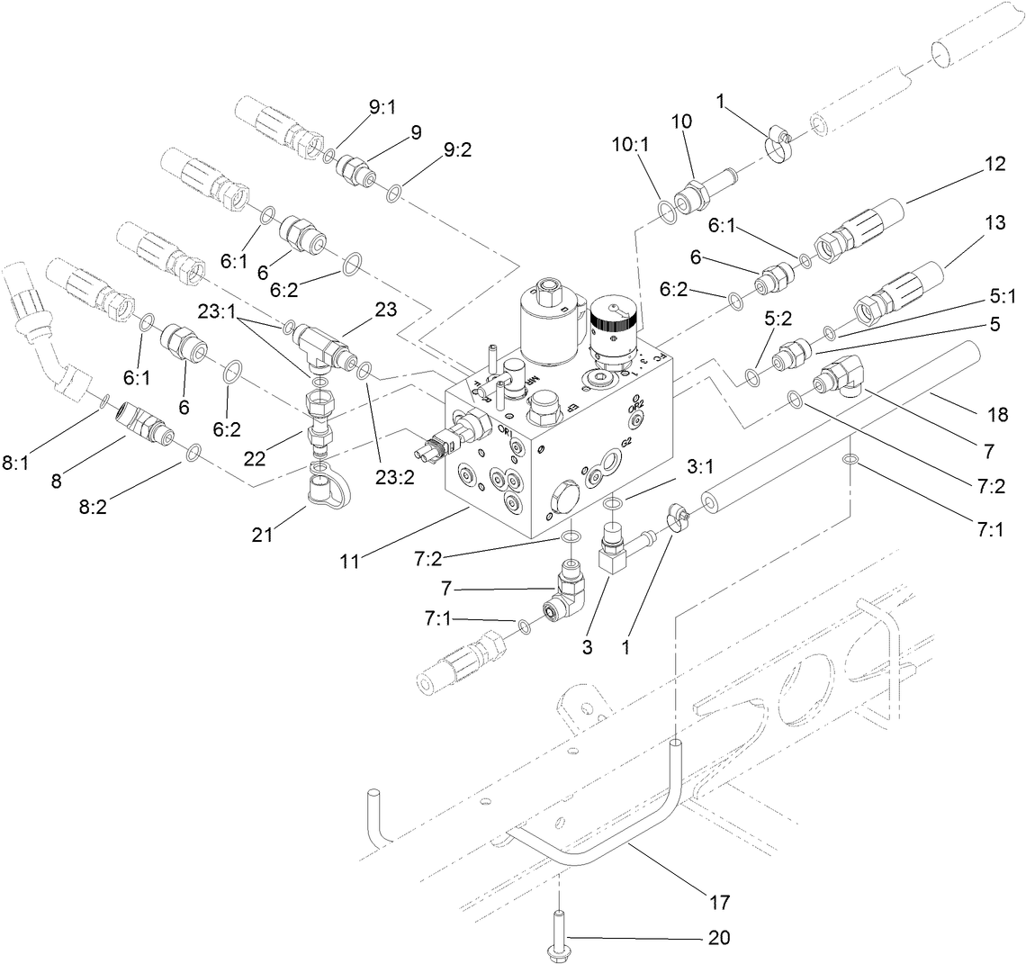
Assembly Drawings
Search for a part within assembly drawings:
-
Operator's Manual
-
Parts Catalog
-
EU Declaration of Conformity
-
Schematic Drawing - Electrical
-
Schematic Drawing - Hydraulic
-
Service Bulletin
27in. Lift Arm Kit (Part # 03172)
Lift Arm Kit (Part # 03173)
5-Blade 27-inch DPA Edge Series Cutting Unit, Reelmaster 3100-D Series (Part # 03188)
8-Blade Cutting Unit (Part # 03189)
Designed for mowing on higher heights of cut, such as approaches, fairways or tee boxes.
11-Blade Cutting Unit (Part # 03190)
Designed for mowing on lower heights of cut, such as greens.
8-Blade Cutting Unit (Part # 03191)
Designed for mowing on higher heights of cut, such as approaches, fairways or tee boxes.
27in. Verticutter Cutting Unit (Part # 03203)
Gauge Bar Assembly (Part # 108-6715)
TIRE (Part # 127-2796)
DECAL-SERVICE, RM3100 (Part # 138-1190)
Premium Seat Kit (Part # 30629)
Upgrade your comfort and design with premium seating.
Arm Rest Kit (Part # 30707)
Built for comfort.
Work Light Kit, Reelmaster 3100-D and Groundsmaster 3500-D/3505-D Trac (Part # 30841)
-
Model #
03171 -
Serial #
403300001 - 403430000 -
Product Name
Reelmaster® 3100-D Diesel Powered with Sidewinder -
Product Brand
Toro -
Product Type
Riding Products
































































