270-H Lawn and Garden Tractor
Product Information
- Model number: 72110
- Serial number: 7900001 - 7999999
- Product Type: Riding Products
Loading...
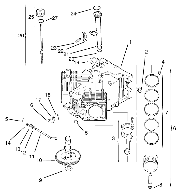
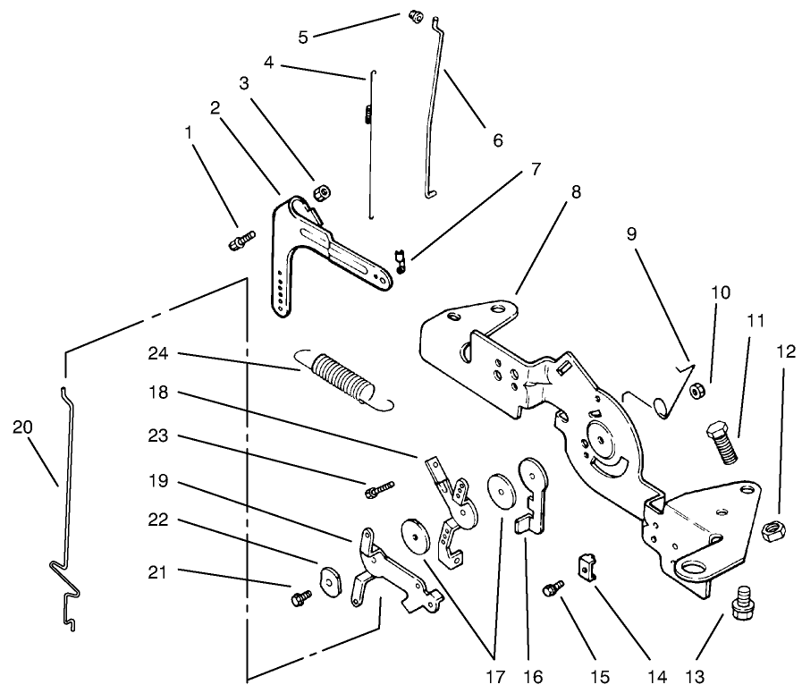
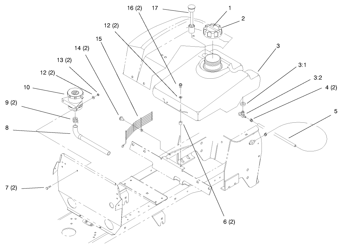
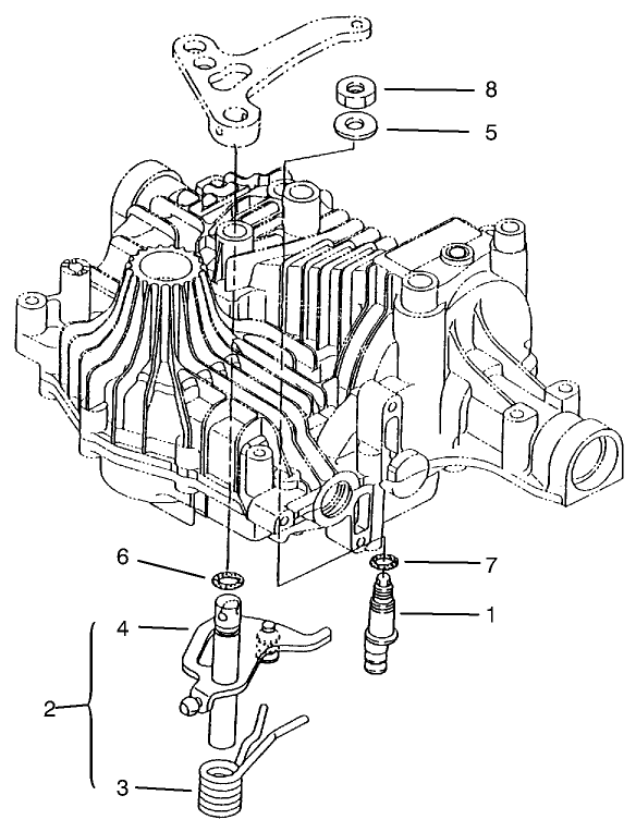
Assembly Drawings
Search for a part within assembly drawings:
-
Service Manual
-
Operator's Manual
-
Parts Catalogue
-
Setup Instructions
8" Chrome Logo Hub Cap (Part number 114427)
12" Chrome Logo Hub Cap (Part number 114428)
38" Side Discharge Mower (Part number 78218)
42" Side Discharge Mower (Part number 78232)
52" Side Discharge Mower (Part number 78252)
48" Side Discharge Mower (Part number 78268)
Recycler Kit - 38" Mower (Part number 79170)
Recycler Kit - 52" Mower (Part number 79185)
48" Recycler Kit (Part number 79190)
11.0 cu. ft. Easy Twin Bagger - 38" (Part number 79202)
11.0 cu. ft. Vac Bagger - 42"/48" (Part number 79203)
48" Snow/Dozer Blade (Part number 79252)
42" Snowthrower (Part number 79263)
36" Tiller (Part number 79271)
Sweeper (Part number 79986)
12" Rear Wheel Weights (Part number 81115)
8" Rear Wheel Weights (Part number 81214)
Tire Chains23x9.50-12 (Part number 82531)
Cleat Tire/Rim 23x8.50-12-Right Rear (Part number 92-6789)
Cleat Tire/Rim 23x8.50-12-Left Rear (Part number 92-6790)
Indicator Light Kit (Part number 92-6831)
Cruise Control (Part number 93-0510)
-
Model number
72110 -
Serial number
7900001 - 7999999 -
Product Name
270-H Lawn and Garden Tractor -
Product Brand
Toro -
Product Type
Riding Products -
Product Series
Yard & Garden Tractor, 260 Series -
Swath
Deck Optional -
Discharge
Deck Optional -
Engine/Motor Manufacturer
Kohler -
Engine/Motor Size
20 hp -
Engine/Motor Type
4 Cycle CARB1 -
Engine Starter
Electric -
Transmission Type
Hydrostatic
-
Chassis: Tire Pressure
12 PSI / .5kg sq. cm -
Drive System: Ground Speed
Fwd. 0 - 5.2 Rev. 0 - 2.3 mph -
Engine: Battery
12V 380CCA -
Engine: Engine Speed
High 2700, Low 1200 RPM -
Engine: Spark Plug
Champion RC12YC -
Engine: Spark Plug Gap
.040"/ 1mm














































