Greensmaster 3100 2 Wheel Drive
Product Information
- Model number: 04353
- Serial number: 80001 - 89999
- Product Type: Riding Products
Loading...
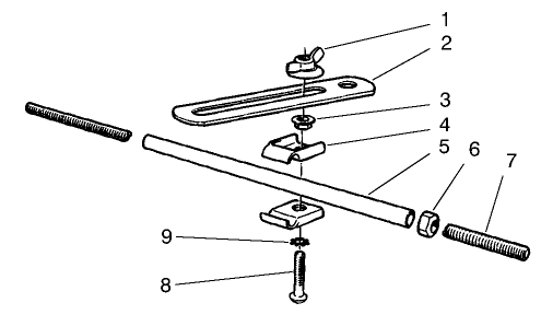
Assembly Drawings
Search for a part within assembly drawings:
-
Service Manual
-
Operator's Manual
-
Parts Catalogue
-
Service Bulletin
-
Model number
04353 -
Serial number
80001 - 89999 -
Product Name
Greensmaster 3100 2 Wheel Drive -
Product Brand
Toro -
Product Type
Riding Products -
Product Series
GR 3000 Series










































