T4240 4-Wheel Drive 5-Plex 5 Mower Traction Unit
Product Information
- Model number: 02750
- Serial number: 310000001 - 310999999
- Product Type: Riding Products
Loading...
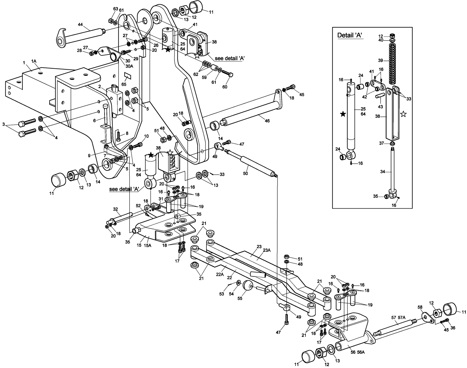
Assembly Drawings
Search for a part within assembly drawings:
-
Operator's Manual
-
Parts Catalogue
-
Service Bulletin
-
Model number
02750 -
Serial number
310000001 - 310999999 -
Product Name
T4240 4-Wheel Drive 5-Plex 5 Mower Traction Unit -
Product Brand
Toro -
Product Type
Riding Products -
Product Series
RM 3000 Series




















































