53cm Mulching/Rear Bagging/Side Discharging Lawn Mower
Product Information
- Model number: 29734
- Serial number: 316000001 - 316999999
- Product Type: Walk Behind Mowers
Loading...
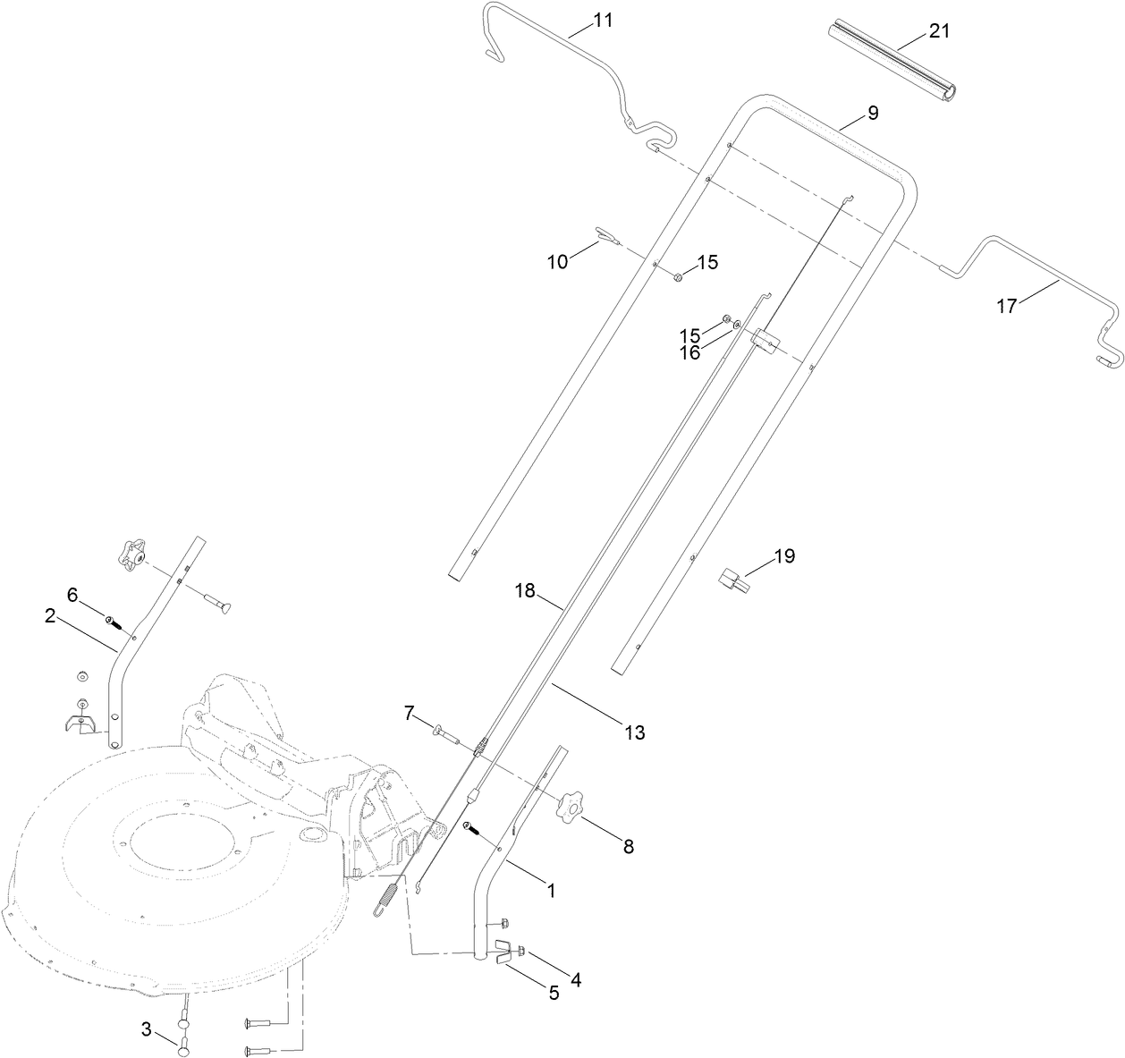
Assembly Drawings
Search for a part within assembly drawings:
-
Operator's Manual
-
Parts Catalogue
-
EU Declaration of Conformity
Lawn Striping Kit with 22in Roller, Walk-Behind Lawn Mowers (Part number 20601)
-
Model number
29734 -
Serial number
316000001 - 316999999 -
Product Name
53cm Mulching/Rear Bagging/Side Discharging Lawn Mower -
Product Brand
Toro -
Product Type
Walk Behind Mowers -
Product Series
21" Steel Deck






