Groundsmaster® 3500-D
Información sobre productos
- Nº Modelo: 30807
- Nº Serie: 410400000 - 411999999
- Tipo de producto: Riding Products
Cargando...
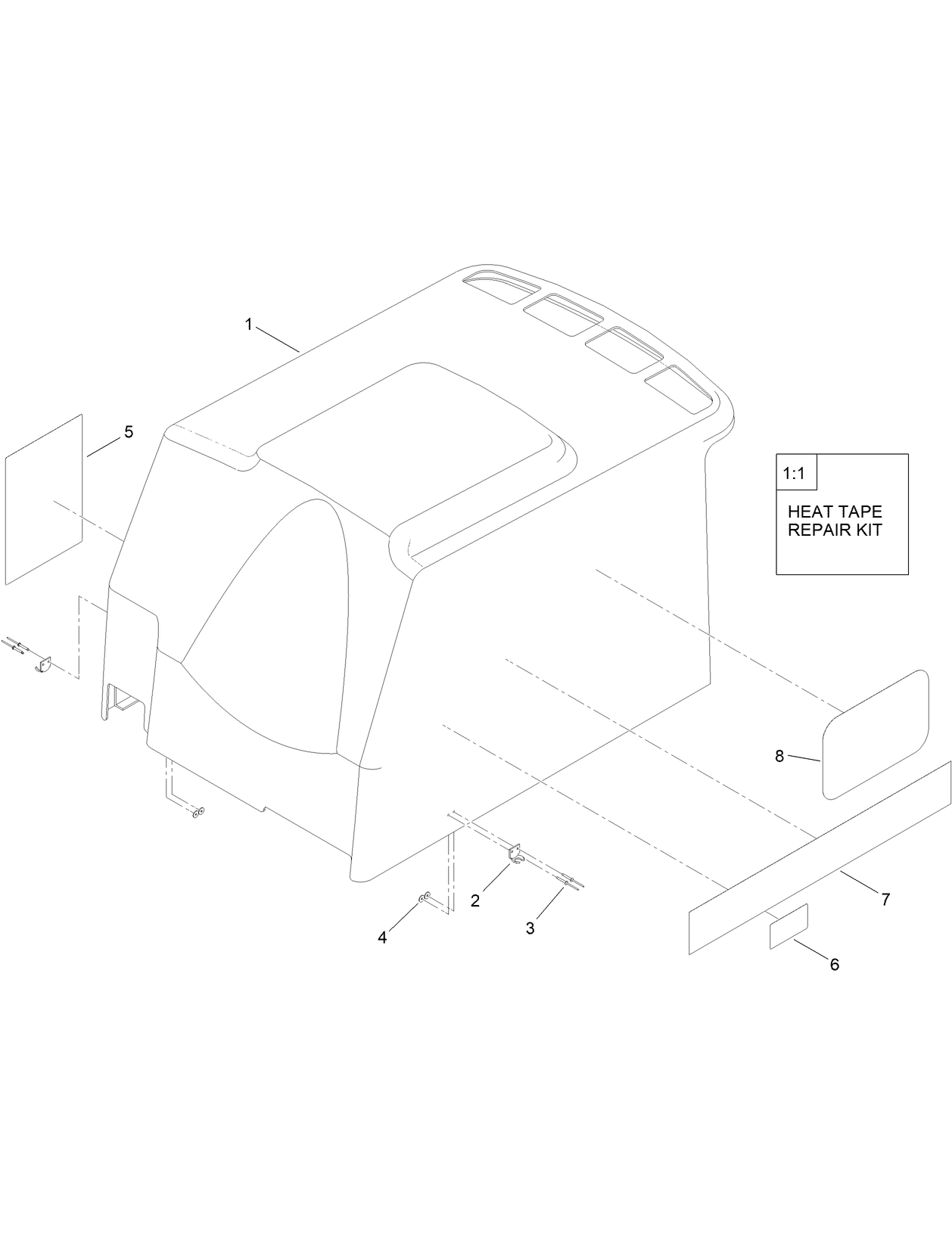
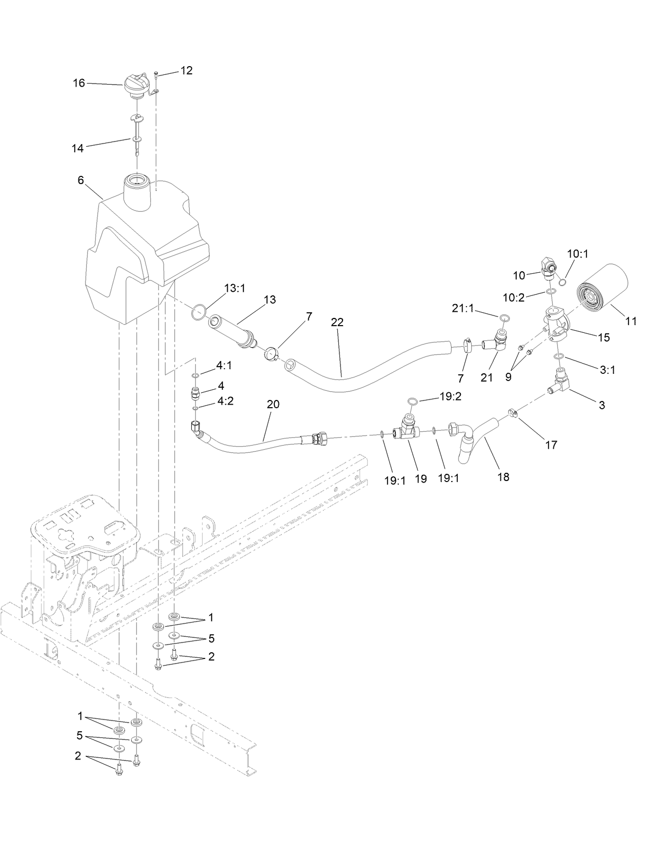
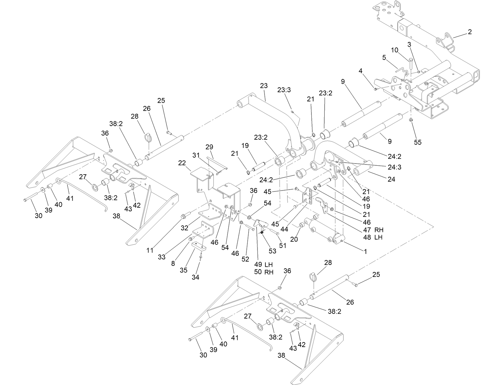
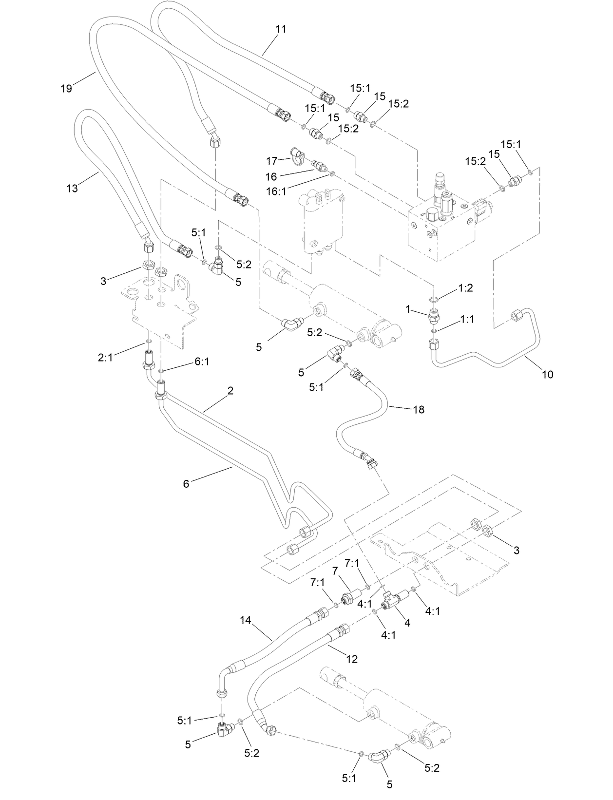
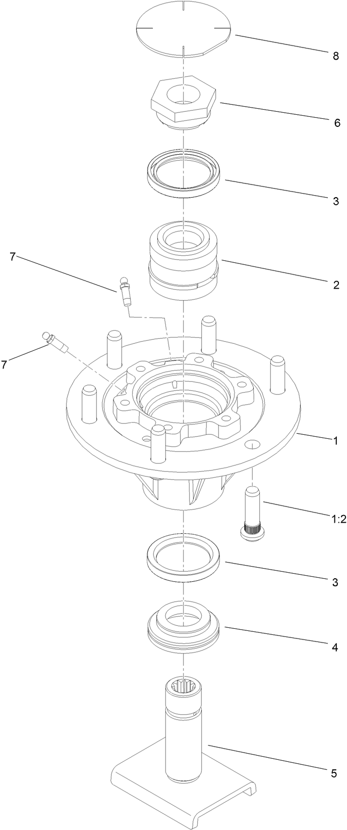
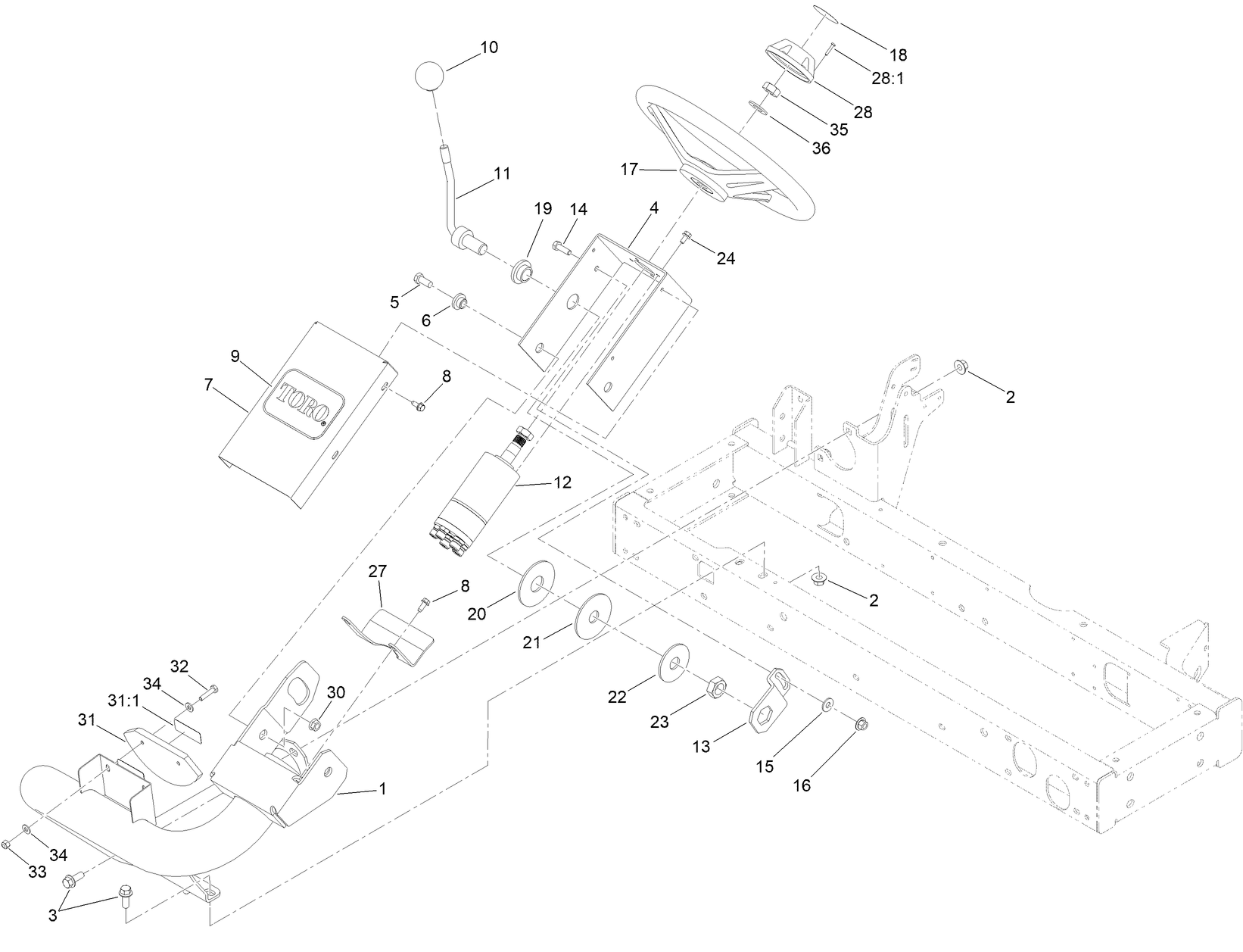
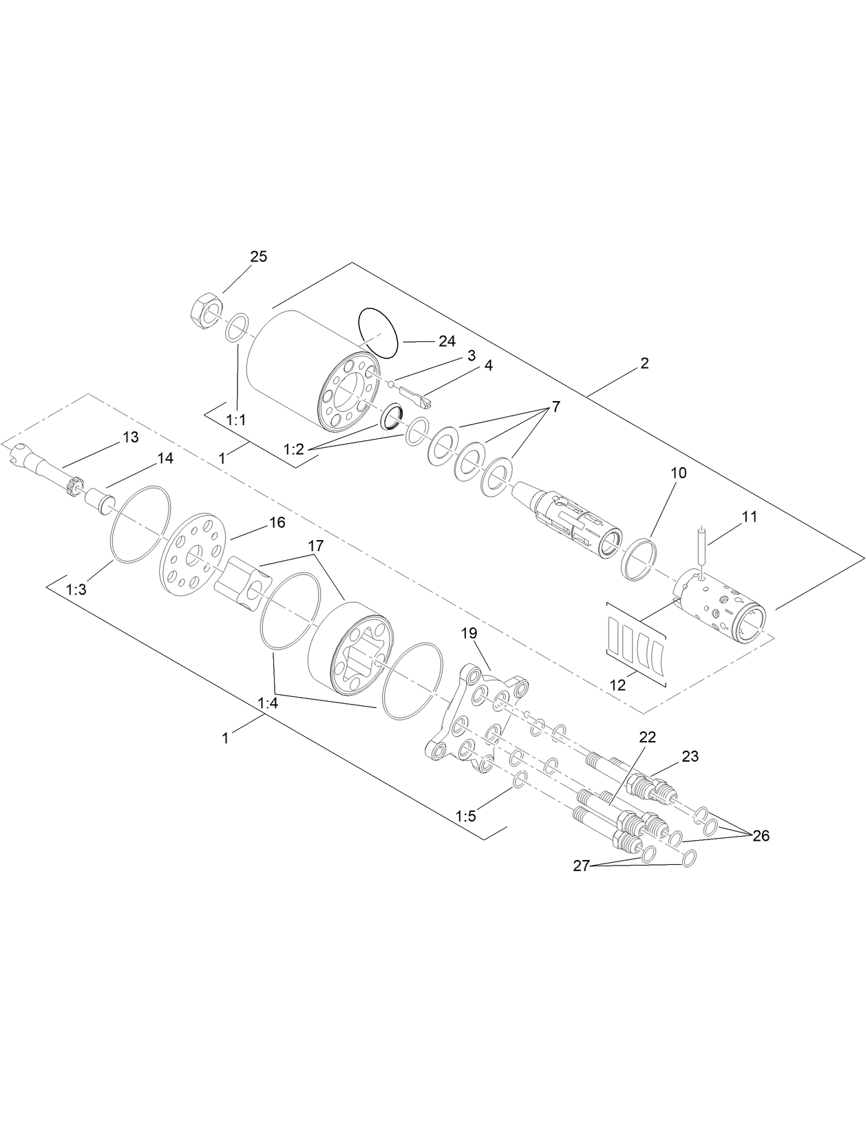
Dibujos de ensamblaje
Buscar una piezas en los dibujos de ensamblaje:
-
Manual de mantenimiento
-
Manual del operador
-
Catálogo de piezas
-
Esquema eléctrico
-
Esquema Hidráulico
-
Declaración de Conformidad para la UE / el Reino Unido
Ventilador para el operador (Pieza Nº 03247)
Manténgase fresco cuando suba la temperatura con este ventilador de techo.
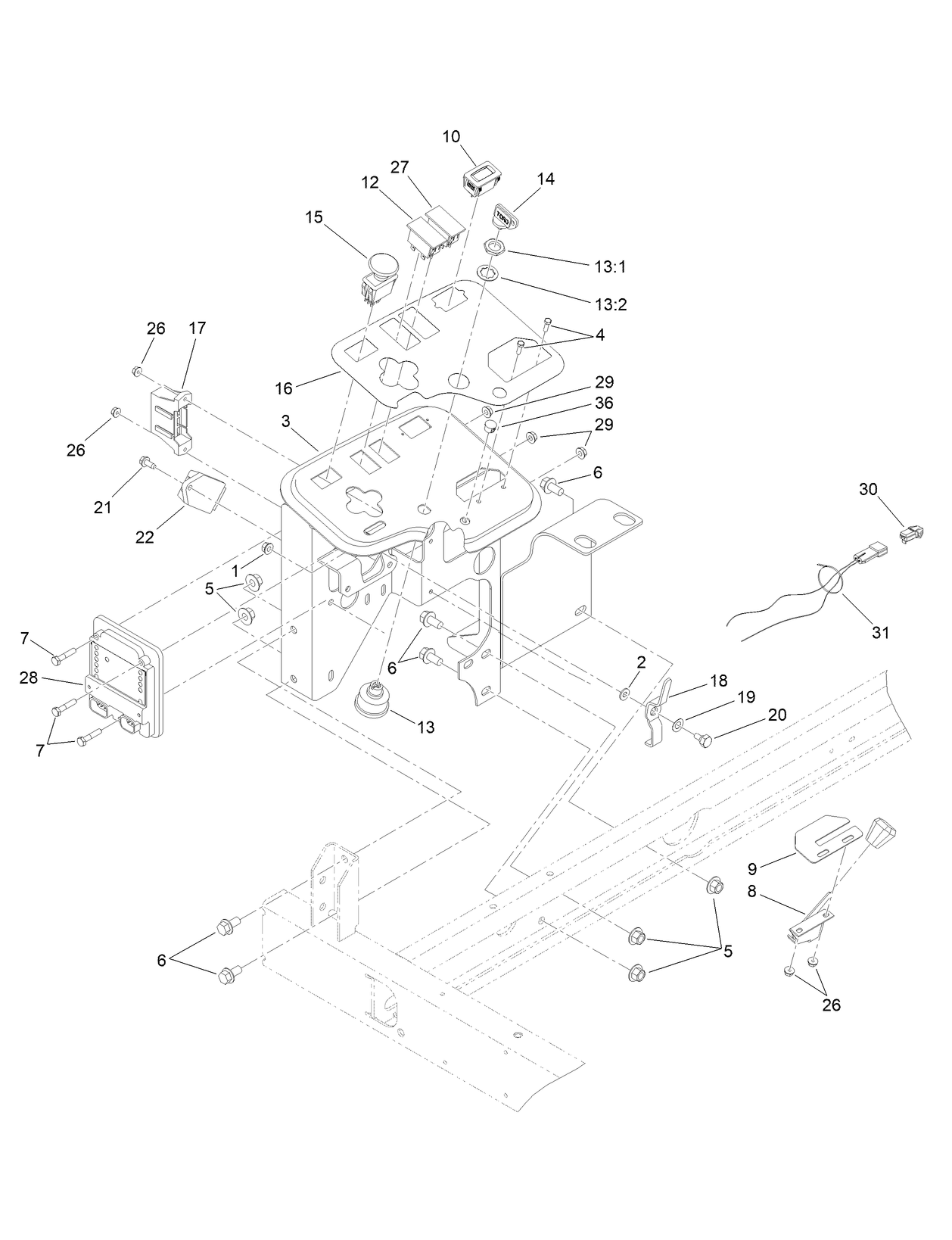
Switch Panel (Pieza Nº 03248)
Universal Sunshade
Roller Scraper Kit (Pieza Nº 104-5168)
BLADE-HIGH LIFT (Pieza Nº 104-5183)
BLADE-ANGLE SAIL (Pieza Nº 105-9810-03)
BLADE-ATOMIC, 27 IN (Pieza Nº 107-0235-03)
BLADE SERVICE PACK, 27 IN (Pieza Nº 108-1462)
BLADE-27", COMBO (Pieza Nº 108-9026)
LH SHORT LIFTARM ASM (Pieza Nº 115-3465)
RH SHORT LIFTARM ASM (Pieza Nº 115-3466)
Hourmeter, Wireless Hourmeter System (Pieza Nº 115-4754)
Auxiliary Antenna Kit (Pieza Nº 115-9524)
Base Station Kit (Pieza Nº 115-9542)
Repeater Kit (Pieza Nº 115-9543)
Damper Kit, Cutting Units for Groundsmaster 3500-D Traction Unit (Pieza Nº 119-2047)
ROLLER ASM (UHMW) (Pieza Nº 131-7800)
Toro High Back Seat Cover (Pieza Nº 133-1308)
Por lo que respecta a la fiabilidad, Toro suministra piezas de repuesto diseñadas con las mismas especificaciones de ingeniería que nuestros equipos. Para su tranquilidad, exija piezas genuinas Toro.
Toro 5 Gallon PX Extended Life Hydraulic Fluid (Pieza Nº 133-8086)
Toro 5 Gallon PX Extended Life Hydraulic Fluid. Designed for use in Toro equipment created by Toro engineers. If you are unsure of your equipment needs, do a model extreme serial number search to verify that this is the correct oil type for your equipment.
Toro 55 Gallon PX Extended Life Hydraulic Fluid (Pieza Nº 133-8087)
Toro 55 Gallon PX Extended Life Hydraulic Fluid. Designed for use in Toro equipment created by Toro engineers. If you are unsure of your equipment needs, do a model extreme serial number search to verify that this is the correct oil type for your equipment.
KIT-BALLAST (27in. C/U) (Pieza Nº 136-2881)
Wheel Weight Kit (Pieza Nº 136-3315)
GM SECTIONAL ROLLER ASM (3IN DIA)(27I (Pieza Nº 137-6145)
Beacon Sunshade Kit (Pieza Nº 138-2699)
Stay cool and productive when mowing with a canopy.
LED Worklights (Pieza Nº 138-2700)
Provide extra light for everyday operations.
Wire Harness (Pieza Nº 138-2993)
Bimini Canvas Sunshade (Pieza Nº 30358)
Stay cool and productive when mowing with a canopy.
Premium Seat Kit (Pieza Nº 30629)
Upgrade your comfort and design with premium seating.
Universal Sunshade (White) (Pieza Nº 30669)
Stay cool and productive when mowing with a canopy.
Universal Sunshade (Red) (Pieza Nº 30671)
Stay cool and productive when mowing with a canopy.
Rotary Cutting Unit (Pieza Nº 30834)
Leaf Mulching Kit (Pieza Nº 30836)
LED Light Kit (Pieza Nº 31696)
Red Paint (Gallon) (Pieza Nº 361-11)
Genuine OEM Part
Dark Metallic Gray Paint (Pieza Nº 361-12)
Genuine OEM Part
Semi-Gloss Black Paint (Pieza Nº 361-9)
Genuine OEM Part
1000 Hour MVP Kit (Pieza Nº 44963)
Contains 108-3811 @ 5, 108-3841 @ 7, 86-3010 @ 1, 110-9049 @ 2
MVP Filter Kit (Pieza Nº 44965)
Red Paint (Pieza Nº 5340)
Genuine OEM Part
-
Nº Modelo
30807 -
Nº Serie
410400000 - 411999999 -
Nombre del producto
Groundsmaster® 3500-D -
Marca del producto
Toro -
Tipo de producto
Riding Products











































































