Powerlite Snowthrower
Informations produit
- Nº Modèle : 38273
- Nº Série : 312000001 - 312999999
- Type de produit : Snowthrowers
Chargement...
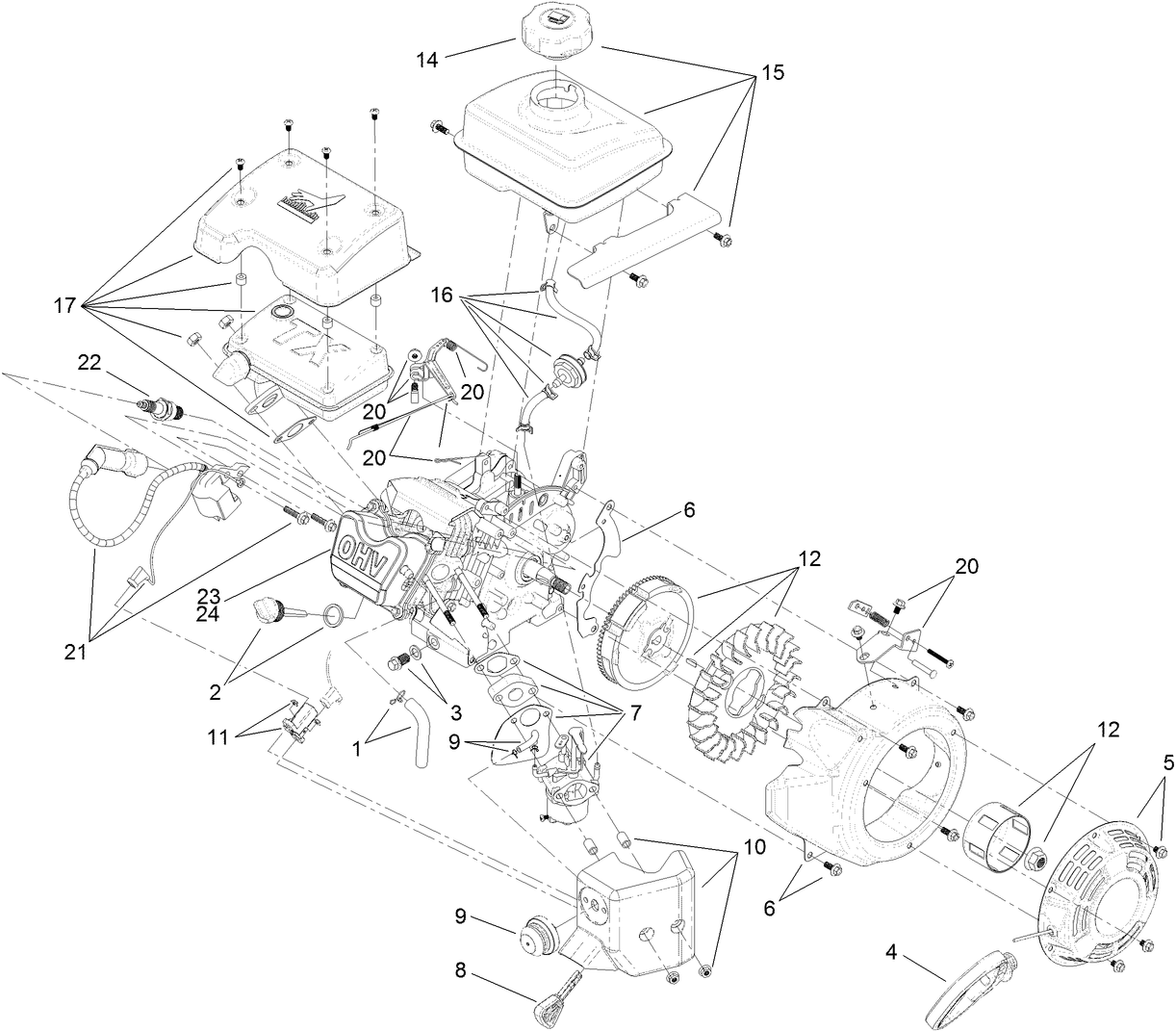
Schémas d’assemblage
Rechercher une pièce dans des schémas d'assemblage :
-
Manuel d'entretien
-
Manuel de l'utilisateur
-
Catalogue de pièces haute
-
Déclaration de conformité UE
5W30 Winter Oil, Case of 24 12-Ounce Bottles (N° de référence 38907)
-
Nº Modèle
38273 -
Nº Série
312000001 - 312999999 -
Nom du produit
Powerlite Snowthrower -
Marque du produit
Toro -
Type de produit
Snowthrowers -
Série de produit
Snowthrower, Single Stage, Powerlite / Gas Power Shovel -
Type de châssis
Single Stage -
Largeur de travail
18 inch -
Éjection
Single Stage -
Fabricant du moteur
Toro -
Taille de moteur
87cc -
Type de moteur
4 Cycle EPA3 -
Démarreur
Recoil
-
Engine: Spark Plug Gap
.030"/ .76mm -
Engine: Engine Speed
4500±150 RPM -
Engine: Spark Plug
Champion RL87YC / NGK BPR6HS or 7HS / NHPS E7RTC (OEM China) -
Engine: Engine Oil Type
12 oz. (.35 L) 5w-30 synthetic or 5w-30 below 40F (4c) or 10w-30 above 0F (-20c)








