Z Master Professional 7000 Series Riding Mower, With 132cm TURBO FORCE Side Discharge Mower
Productinformatie
- Modelnr.: 74264TE
- Serienr.: 400000000 - 402079999
- Producttype: Riding Products
Laden...
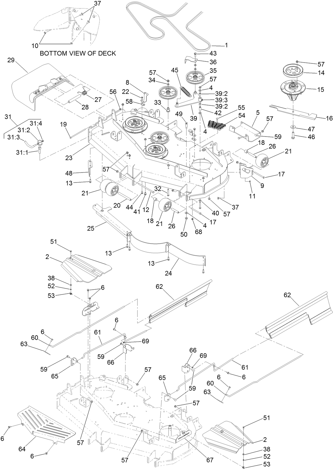
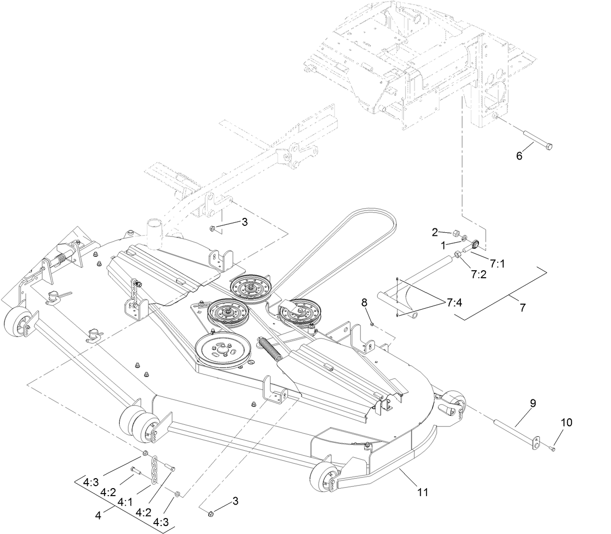
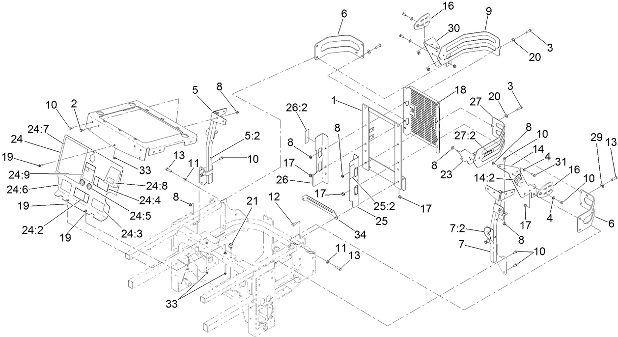
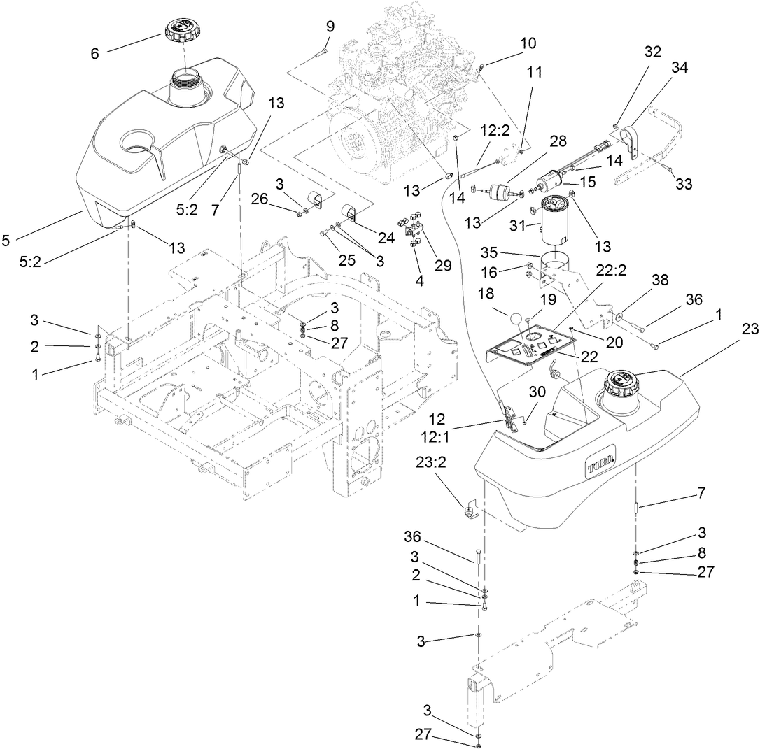
Montagetekeningen
Zoek een onderdeel in de montagetekeningen:
-
Onderhoudshandleiding
-
Gebruikershandleiding
-
Onderdelencatalogus
-
EU-conformiteitsverklaring
-
Instelinstructies
1.25 Inch Spark Arrester Kit (Onderdeelnr 105-1672)
Blade-Recycler, 18in (Onderdeelnr 105-7779-03)
BLADE-HI FLOW, 18IN (Onderdeelnr 105-7781-03)
Blade-Med Flow, 18in (Onderdeelnr 105-7794-03)
Blade-Low Flow, 18in (Onderdeelnr 105-7795-03)
Blade-Atomic, 18in (Onderdeelnr 105-7796-03)
52" Recycler Kit (Onderdeelnr 107-1610)
Striping Kit (52", 60", 72") (Onderdeelnr 107-1630)
Leaf Bagging Enhancement Kit (Onderdeelnr 107-1634)
Work Light Kit, Z500 Series Z Master Mowers (Onderdeelnr 107-9880)
6 PACK BLADE, 18" HI-FLOW (Onderdeelnr 108-1117)
6 PACK BLADE, 18" ATOMIC (Onderdeelnr 108-1118)
Roller Striping Kit, Z Master TURBO FORCE Mowers (Onderdeelnr 108-2162)
6 PACK-BLADE, 18" LOW-FLOW (Onderdeelnr 110-0406)
6 PACK-BLADE, 18" RECYCLER (Onderdeelnr 110-0408)
6 PACK-BLADE, 18" MID-FLOW (Onderdeelnr 110-0409)
HYPR-OIL 500 -QUART (Onderdeelnr 114-4713)
HYPR-OIL 500-GALLON (Onderdeelnr 114-4714)
HYPR-OIL 500-5 GALLON (Onderdeelnr 114-4715)
BIMINI FOLDING SHADE ASM (Onderdeelnr 115-4510)
SEAT COVER W/ARM REST - Z MASTERS (Onderdeelnr 117-0095)
Chute Gate Kit, 48in, 52in and 60in Mowers for Z400 and Z500 Series Z (Onderdeelnr 78521)
Filter Minder Gauge (Onderdeelnr 99-4664)
Hitch Kit (Onderdeelnr 99-8925)
-
Modelnr.
74264TE -
Serienr.
400000000 - 402079999 -
Productnaam
Z Master Professional 7000 Series Riding Mower, With 132cm TURBO FORCE Side Discharge Mower -
Productmerk
Toro -
Producttype
Riding Products -
Productserie
Zero Radius Turn, Professional 7000 Series -
Chassistype
ZRT - LCE -
Werkbreedte
132cm -
Ontladen
Side Discharge -
Motorfabrikant
Kubota -
Motorinhoud
23 hp -
Motortype
4 Cycle Diesel -
Motorstarter
Electric -
Type transmissie
Hydrostatic -
Tractietype
Rear WD
-
Chassis: Height of Cut Range
1.5" - 5" (38-127mm) -
Chassis: Tire Pressure
13 psi / 90 kPa -
Engine: Battery
12V 540 CCA -
Drive System: Ground Speed
Fwd. 0 - 11 mph / 17.7Km/hr, Rev. 0 - 6.3 mph / 10.1Km/hr -
Engine: Engine Oil Type
w/filter chg 3.9 qt. / 3.7L, SAE20, 10w30, 10w40 -
Engine: Engine Speed
3350+20/-50 RPM -
Drive System: Gearbox Lubricant
HYPR-OIL 500 / 15w-50 Synthetic Motor Oil





















































