Groundsmaster 325-D 4 Wheel Drive
Product Information
- Model number: 30741
- Serial number: 30001 - 39999
- Product Type: Riding Products
Loading...
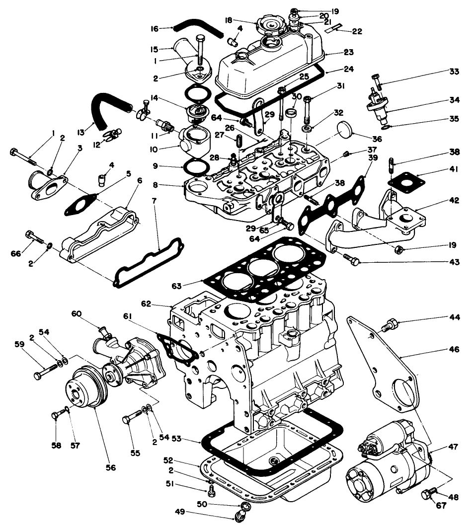
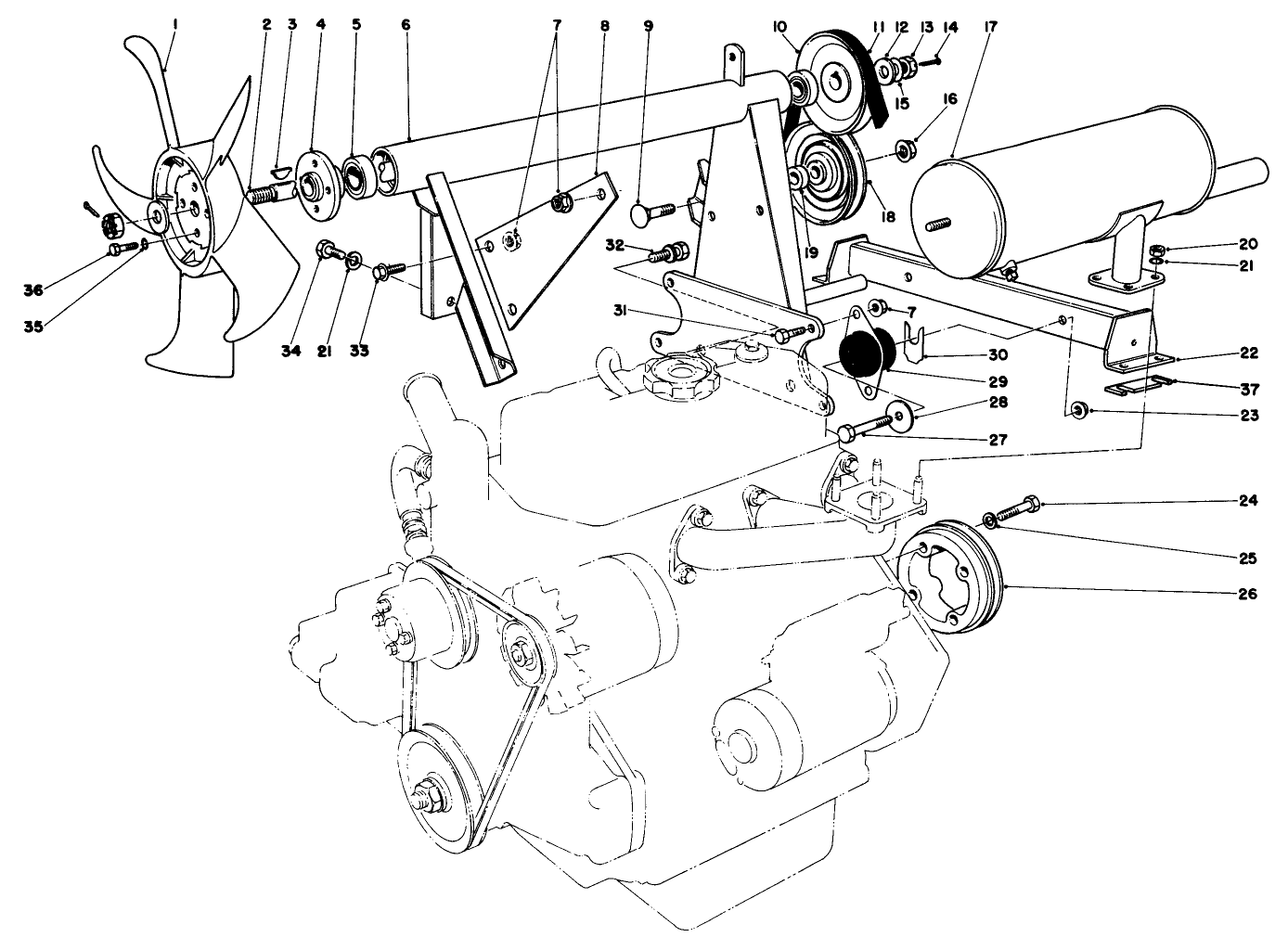
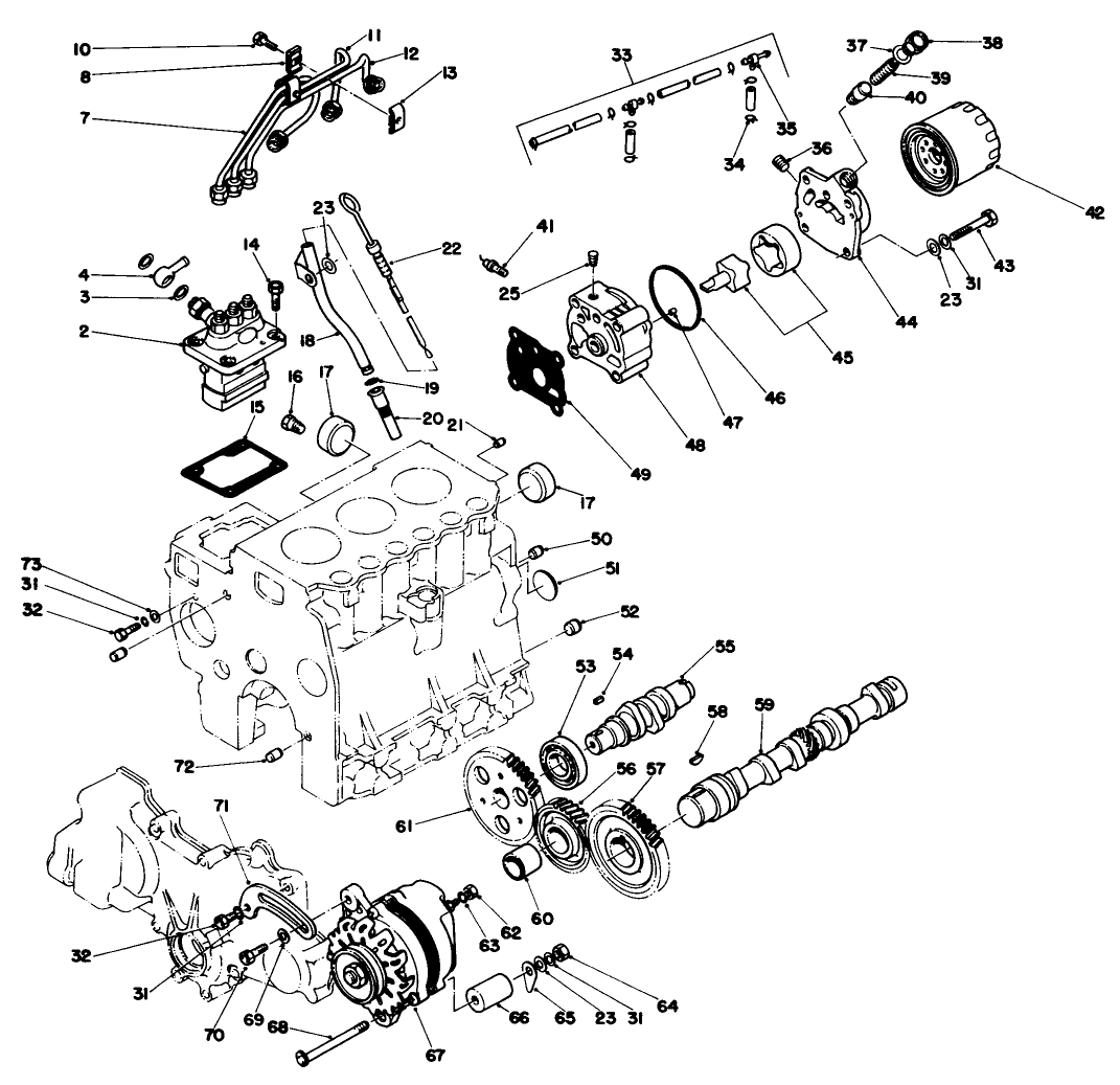
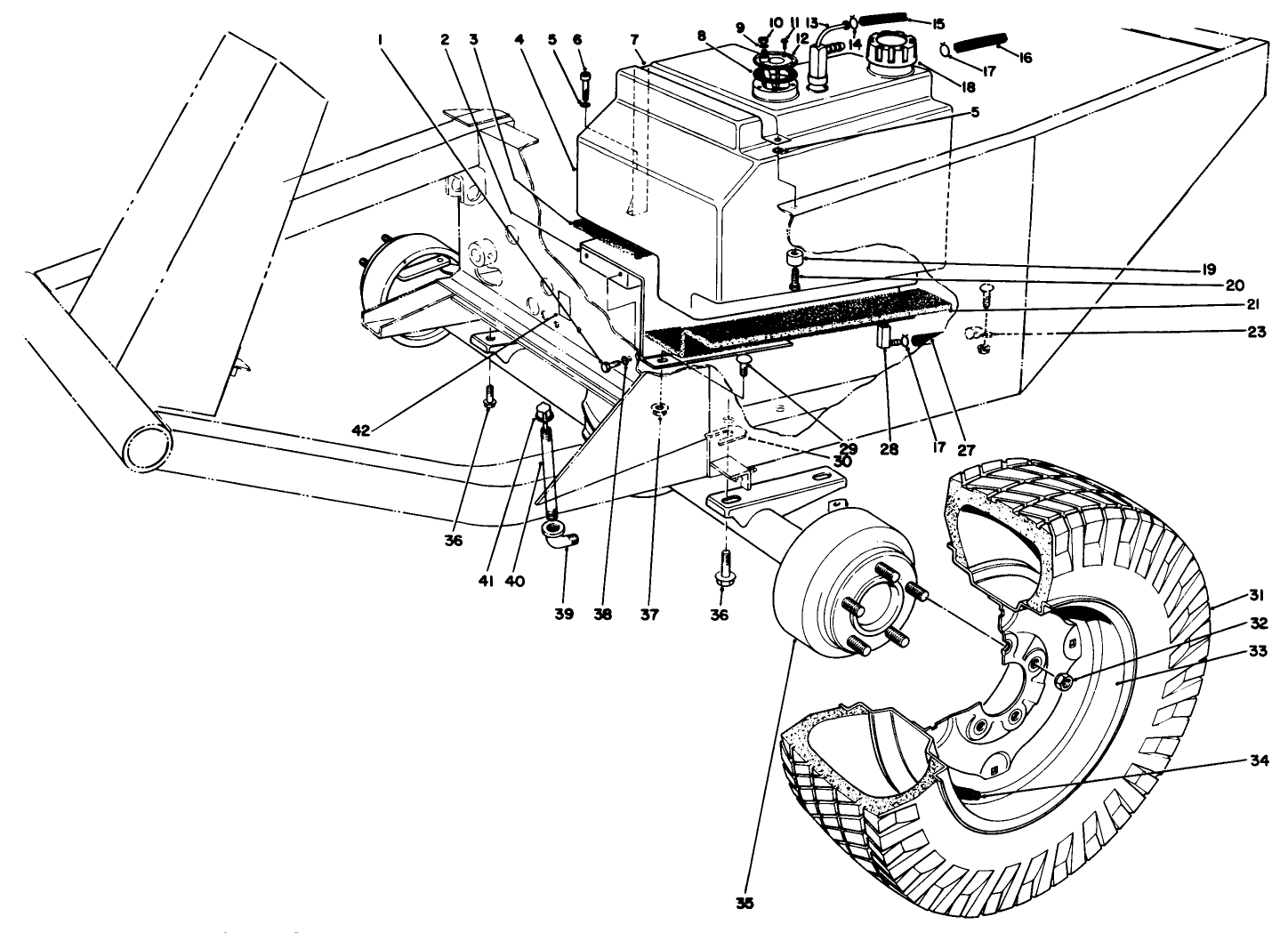
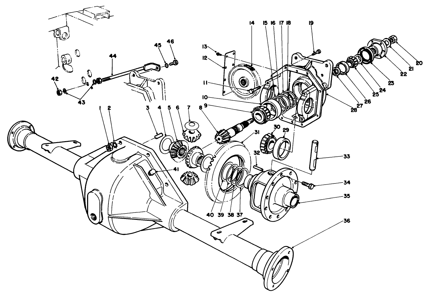
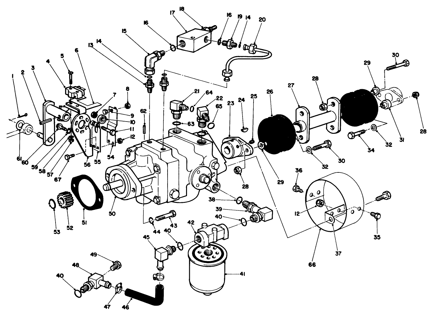
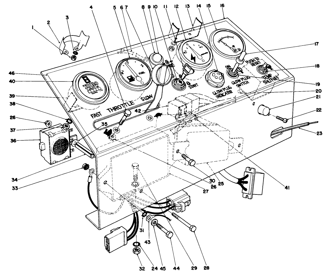
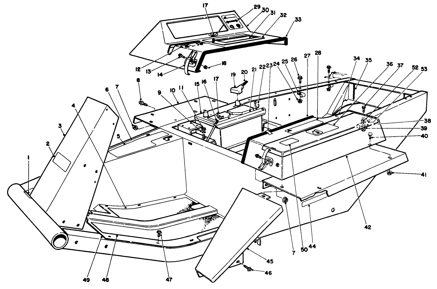
Assembly Drawings
Search for a part within assembly drawings:
-
Service Manual
-
Operator's Manual
-
Parts Catalogue
-
Service Bulletin
-
Model number
30741 -
Serial number
30001 - 39999 -
Product Name
Groundsmaster 325-D 4 Wheel Drive -
Product Brand
Toro -
Product Type
Riding Products -
Product Series
Groundsmaster 300 Series





































