Greensmaster 3000-D
Product Information
- Model number: 04375
- Serial number: 40001 - 49999
- Product Type: Riding Products
Loading...
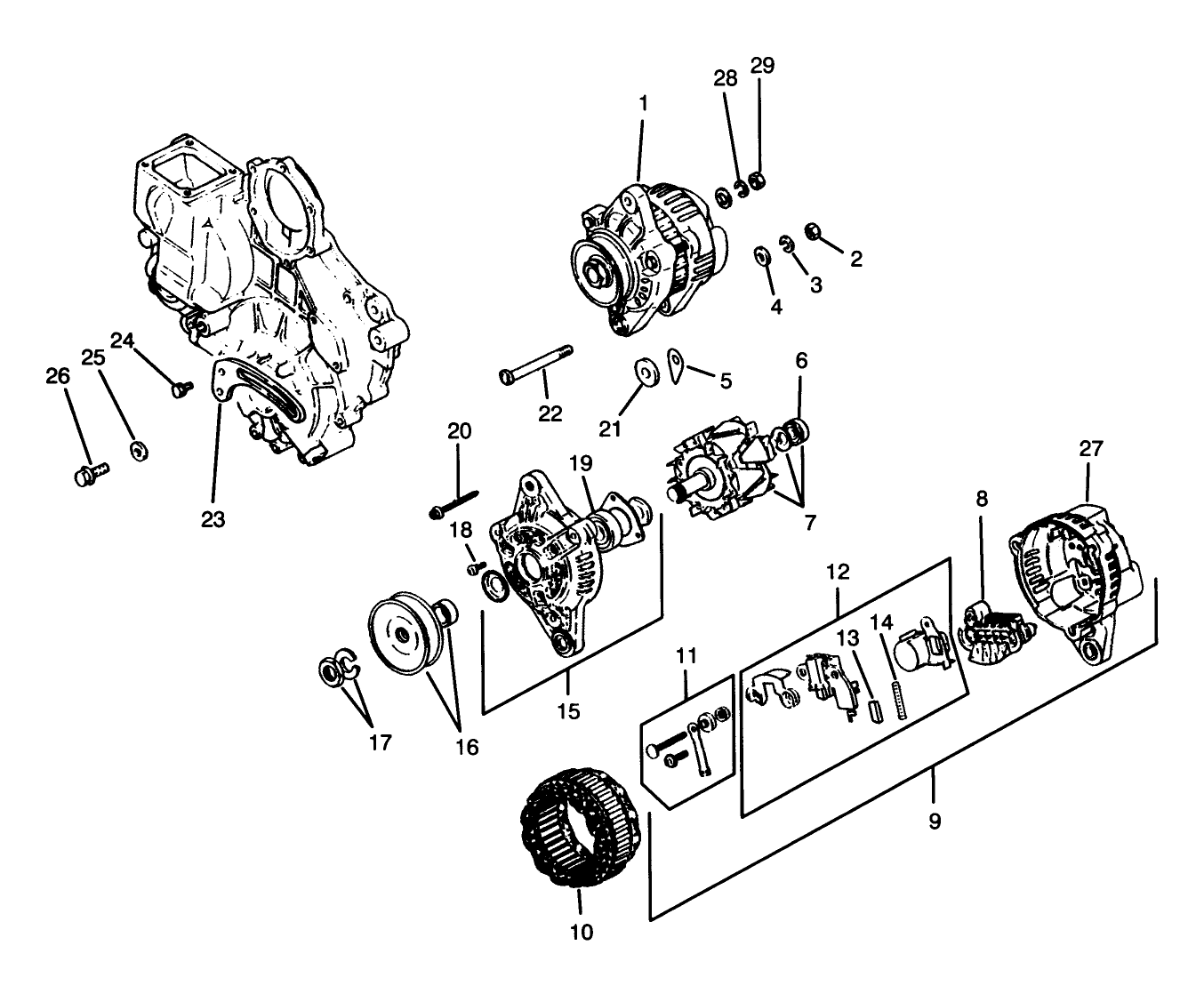
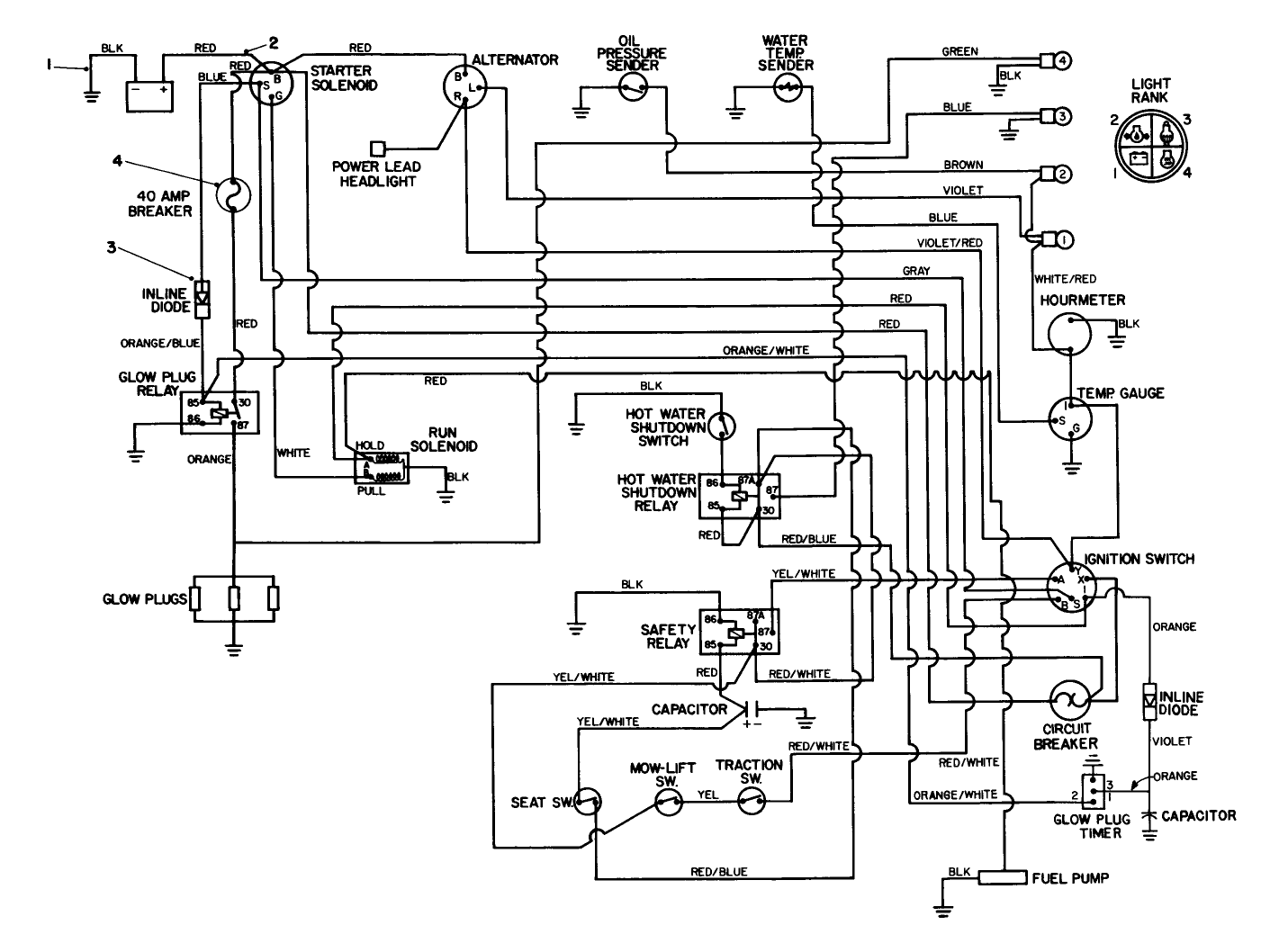
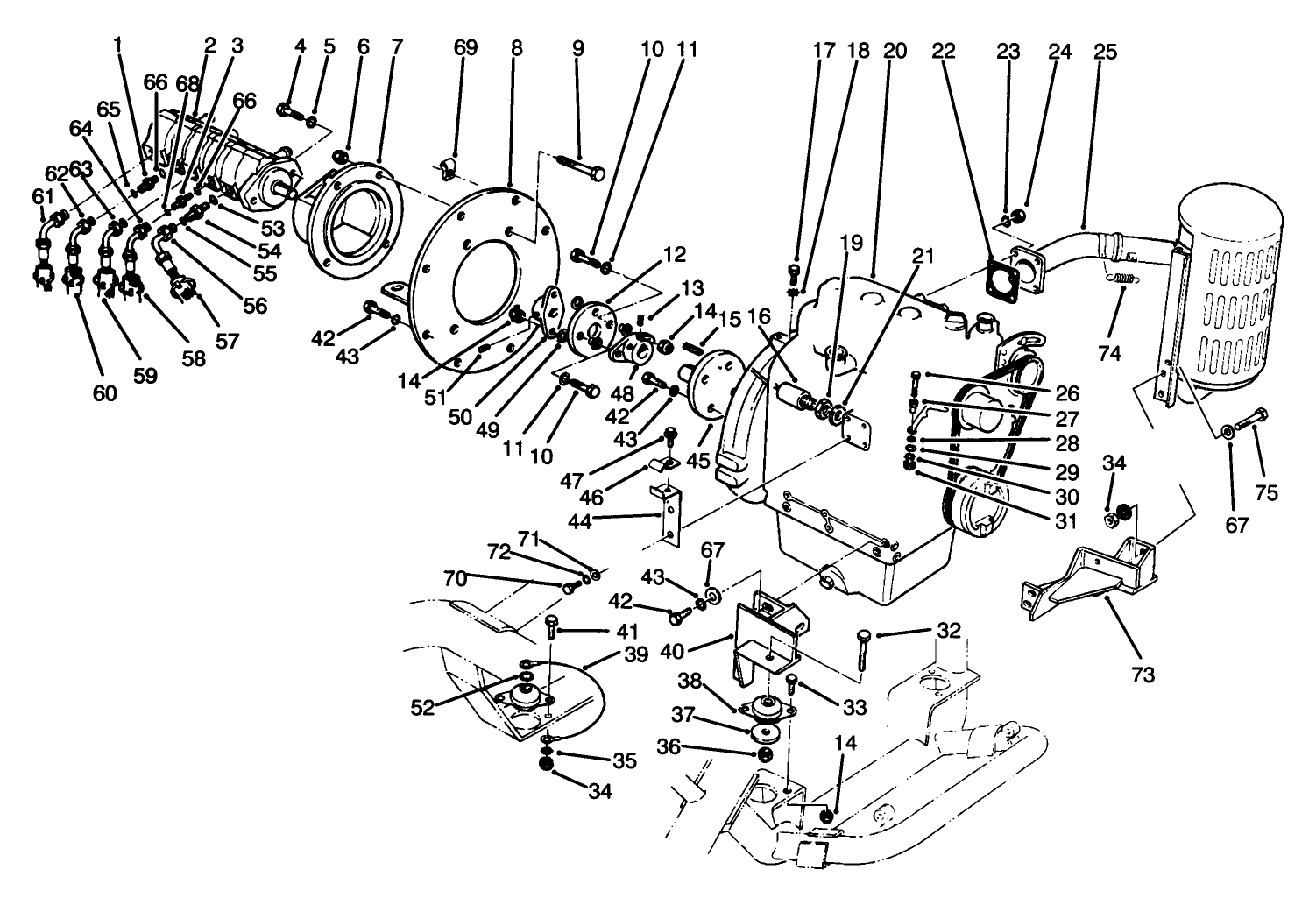
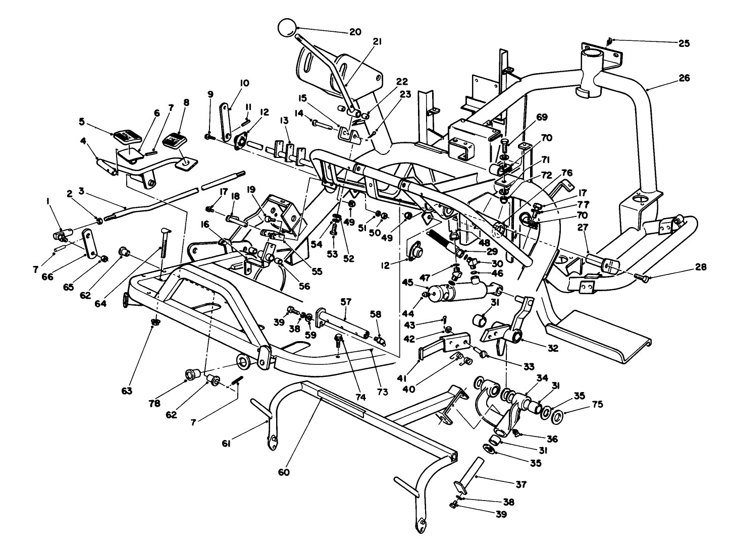
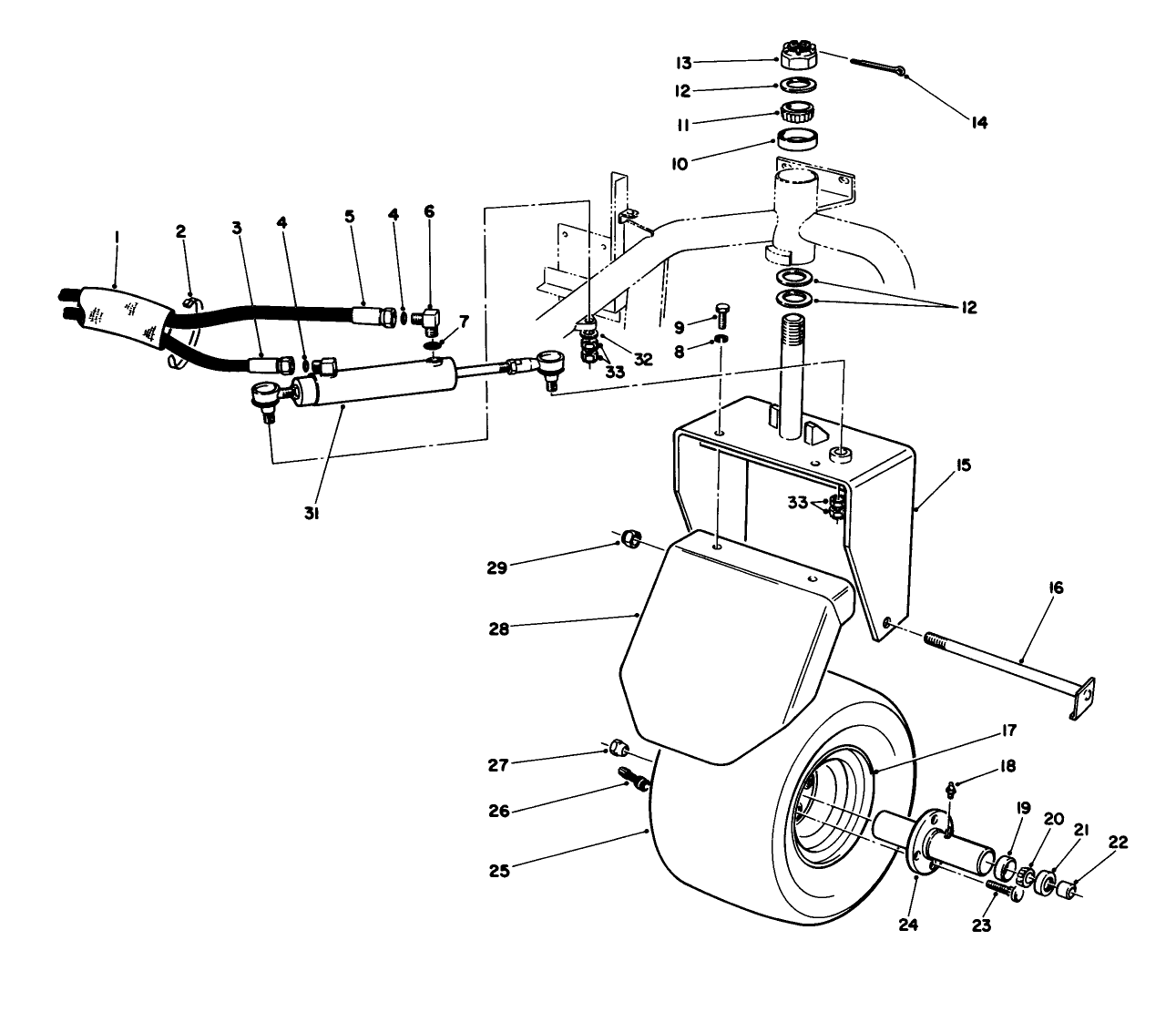
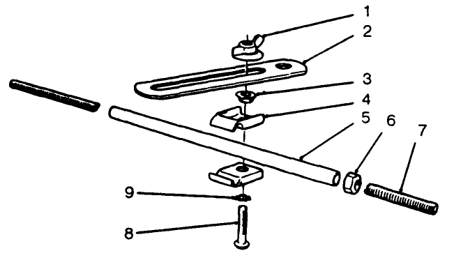
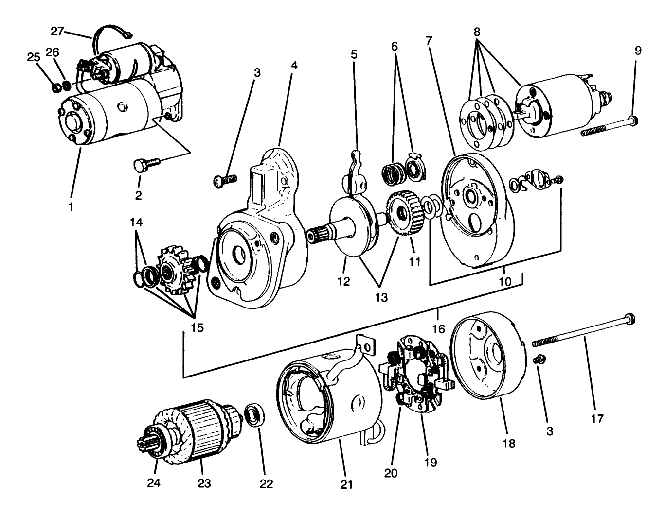
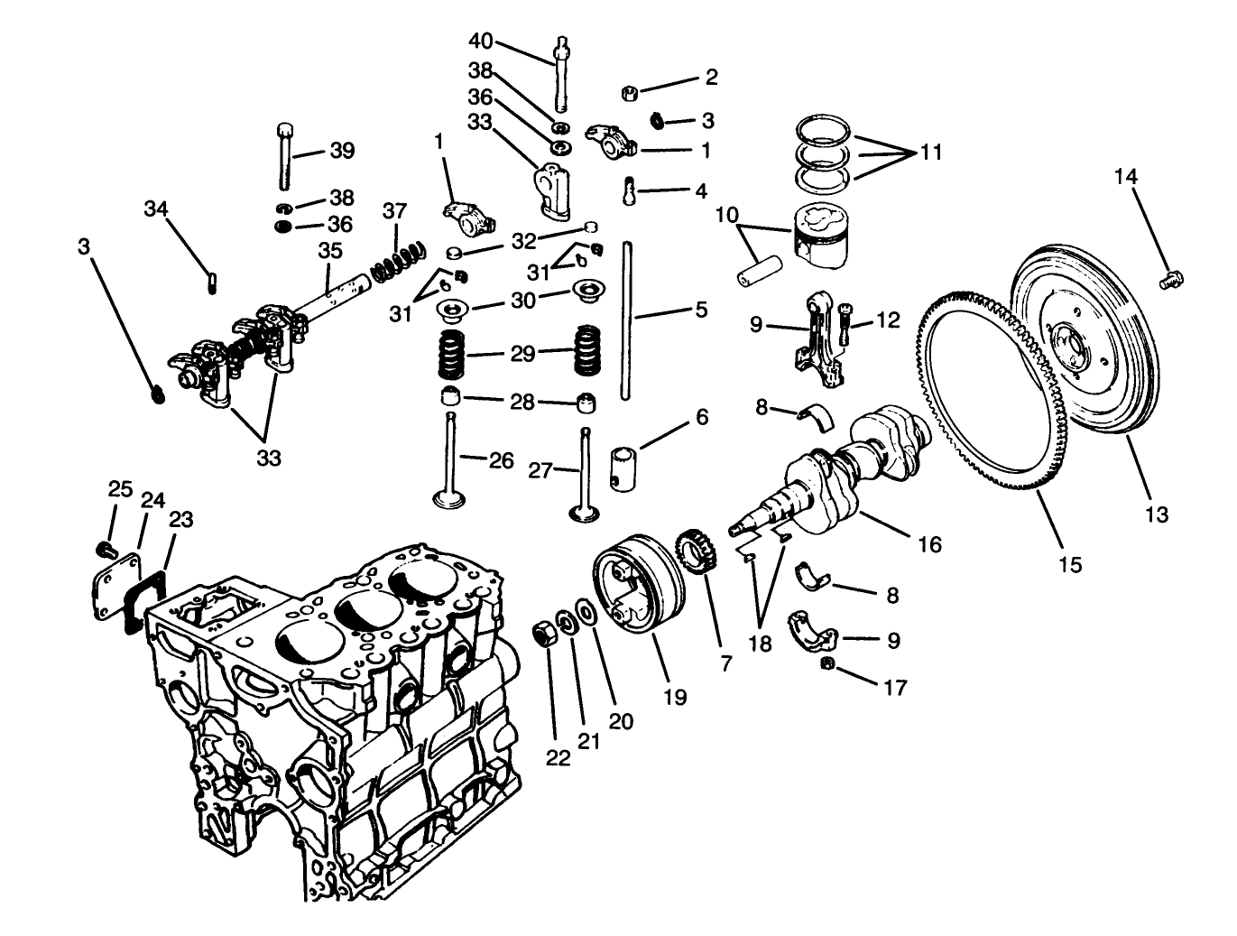
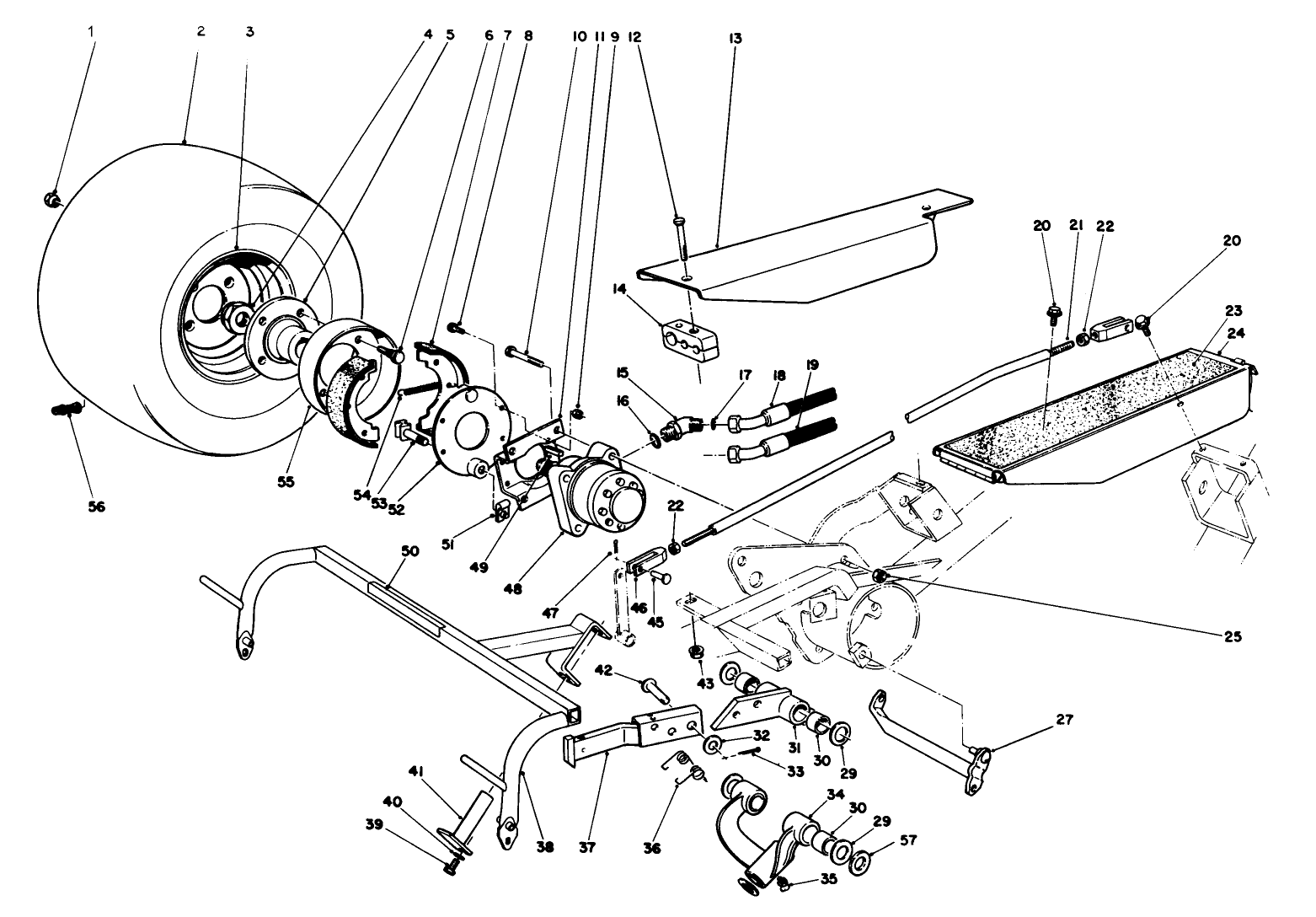
Assembly Drawings
Search for a part within assembly drawings:
-
Service Manual
-
Operator's Manual
-
Parts Catalogue
-
Service Bulletin
-
Model number
04375 -
Serial number
40001 - 49999 -
Product Name
Greensmaster 3000-D -
Product Brand
Toro -
Product Type
Riding Products -
Product Series
GR 3000 Series




































