Groundsmaster 3000-D 4 Wheel Drive
Product Information
- Model number: 30302
- Serial number: 80801 - 89999
- Product Type: Riding Products
Loading...
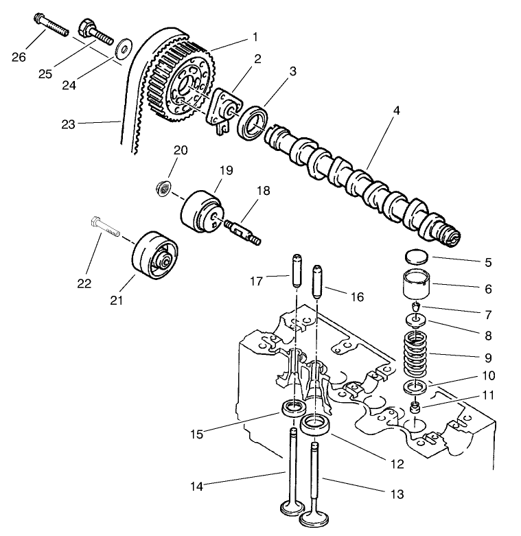
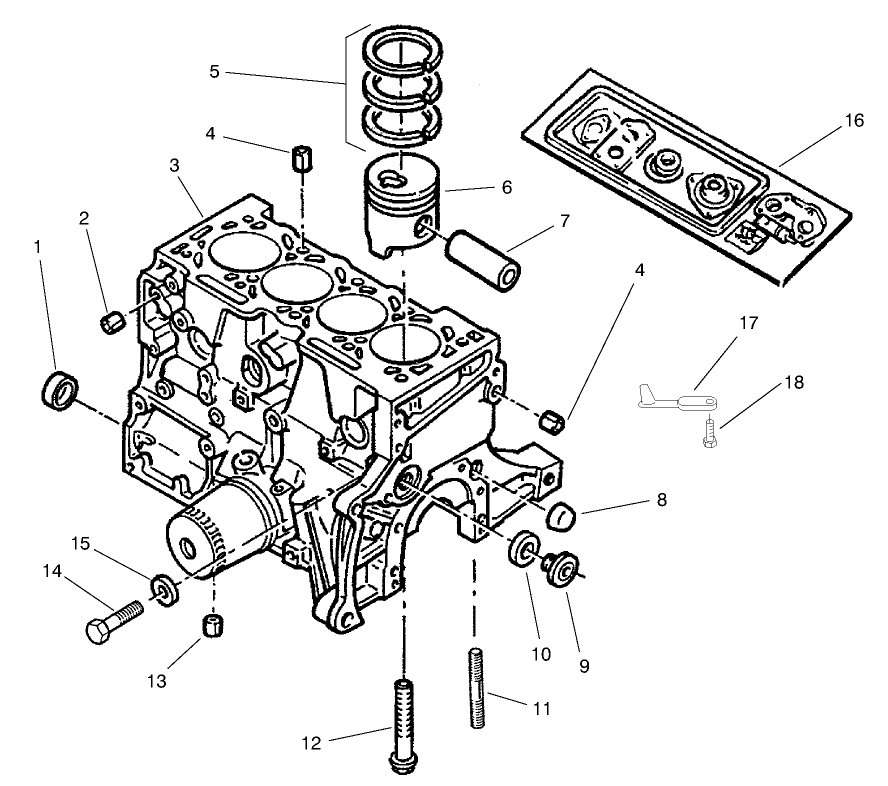
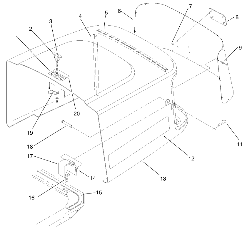
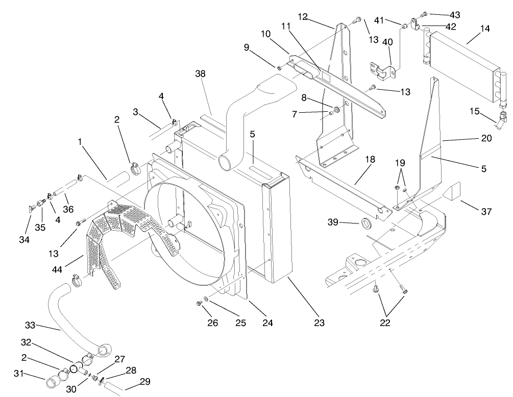
Assembly Drawings
Search for a part within assembly drawings:
-
Service Manual
-
Operator's Manual
-
Parts Catalogue
-
Service Bulletin
-
Model number
30302 -
Serial number
80801 - 89999 -
Product Name
Groundsmaster 3000-D 4 Wheel Drive -
Product Brand
Toro -
Product Type
Riding Products -
Product Series
Groundsmaster 3000 Series















































