Groundsmaster 3000-D 4 Wheel Drive
Product Information
- Model number: 30302
- Serial number: 210000001 - 210999999
- Product Type: Riding Products
Loading...
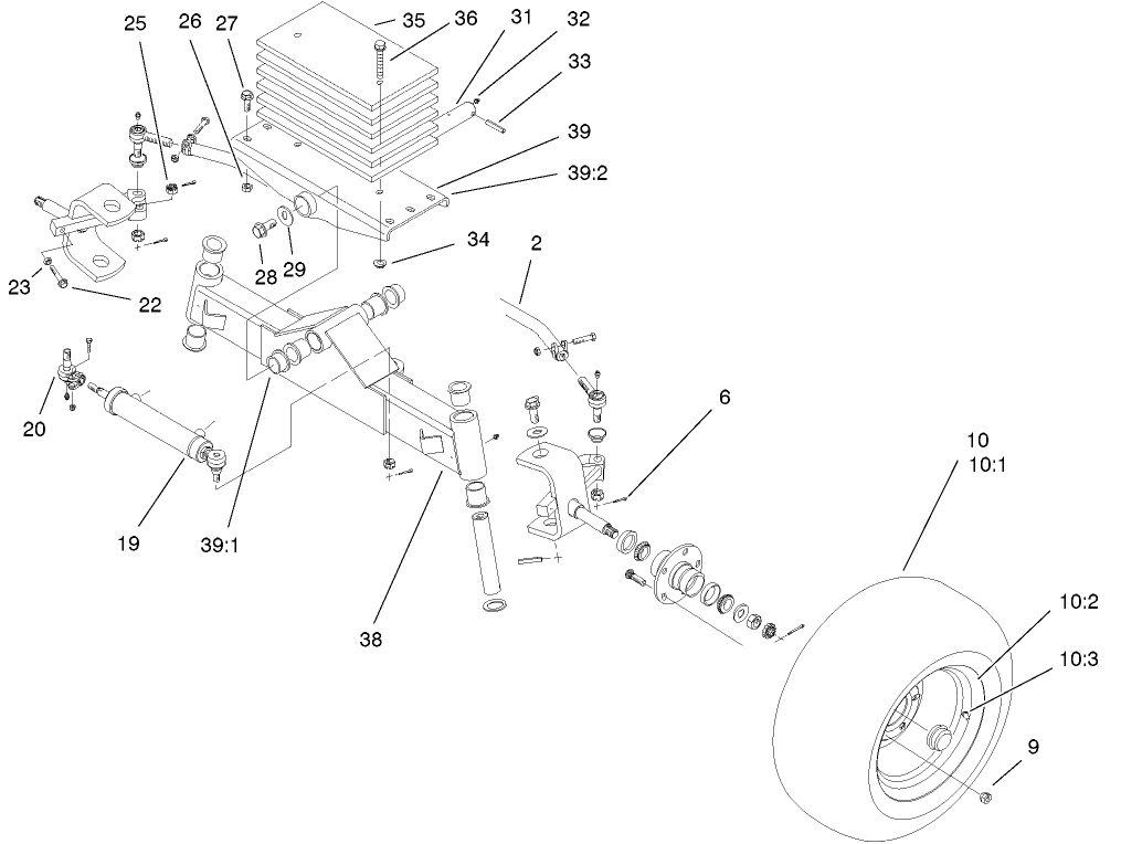
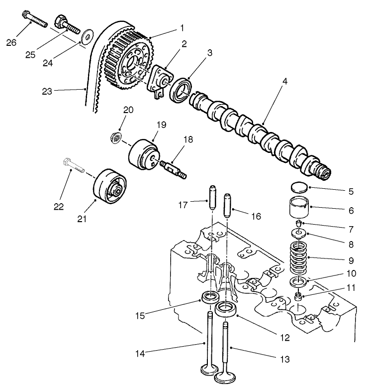
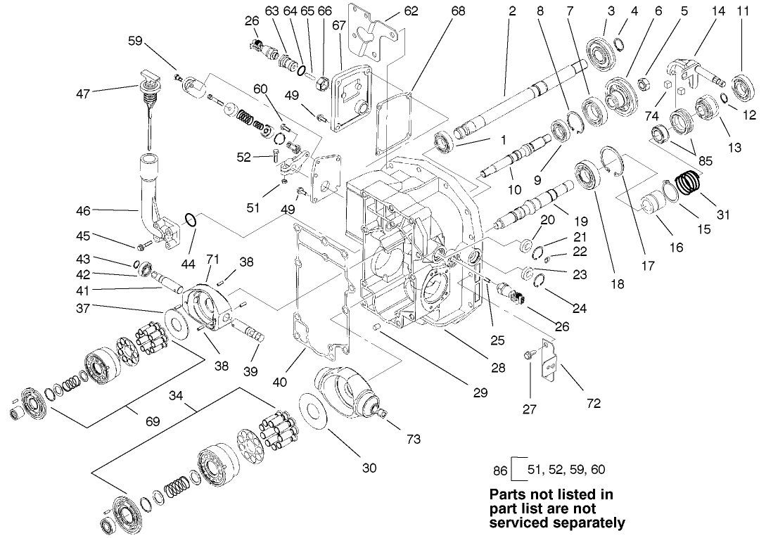
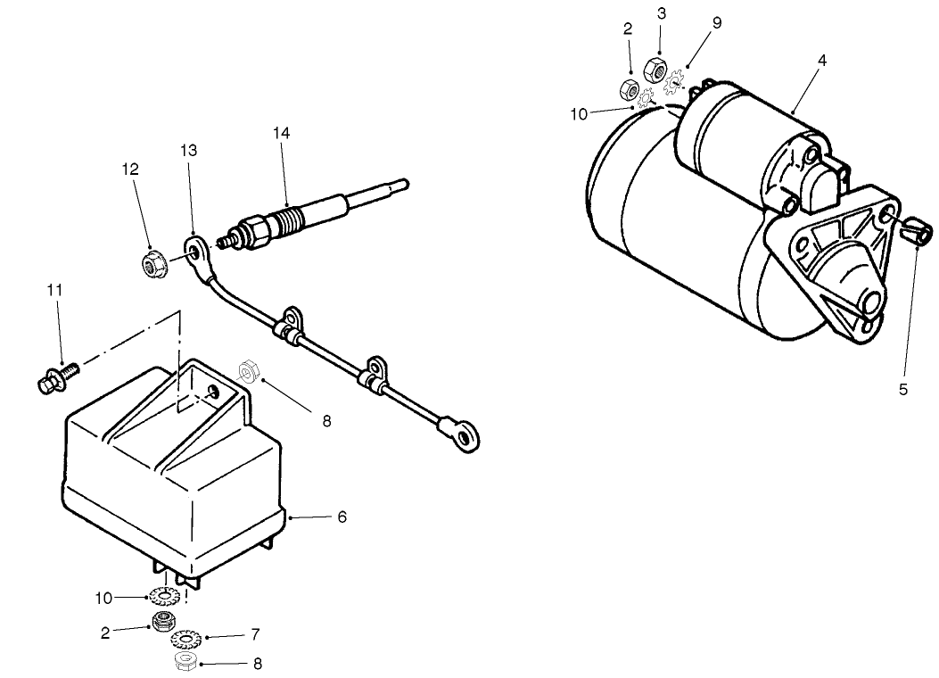
Assembly Drawings
Search for a part within assembly drawings:
-
Service Manual
-
Operator's Manual
-
Parts Catalogue
-
Service Bulletin
Wide Tire Kit, Groundsmaster 3000-D with 82" Cutting Unit (Part number 100-1350)
72" Rear Discharge Mower, Groundsmaster 3000 (Part number 30355)
72in Guardian Recycler Mower, Groundsmaster 3000 (Part number 30372)
84" Guardian Recycler Mower, Groundsmaster 3000 (Part number 30384)
Rotary Brush, Groundsmaster 3000 (Part number 30386)
Debris Blower, Groundsmaster 3000 (Part number 30387)
Roll-Over Protection System, Groundsmaster 3000 (Part number 30388)
Cruise Control Kit, Groundsmaster 3000 Series (Part number 30394)
Seat Suspension (standard), Groundsmaster 3000 (Part number 30395)
Deluxe Seat Suspension, Groundsmaster 3000/4000 (Part number 30396)
Light Kit, Groundsmaster 3000 (Part number 30397)
Arm Rest Kit (Part number 30707)
82" Contour Mower, Groundsmaster 3000 Series (Part number 30724)
Hydraulic Kit, Groundsmaster 3000 Series (Part number 30726)
Remote Lock and Lift Kit, Groundsmaster 3000-D (Part number 30727)
84" Rear Discharge Kit, Groundsmaster 3000 (Part number 93-4555)
84" Guardian Kit (Part number 93-4999)
Rear Wheel Weight Kit (Part number 93-5995)
Frame Weight Kit (Part number 93-5996)
Wire Harness Kit, Groundsmaster 3000 (Part number 95-3263)
Rear Weight Kit, Groundsmaster 3000 (Part number 95-7030)
Wide Tire Kit, Groundsmaster 3000-D with 72in Cutting Units (Part number 98-2371)
Wide Tire Kit, Groundsmaster 3000-D with 84" Cutting Unit (Part number 98-7341)
-
Model number
30302 -
Serial number
210000001 - 210999999 -
Product Name
Groundsmaster 3000-D 4 Wheel Drive -
Product Brand
Toro -
Product Type
Riding Products -
Product Series
Groundsmaster 3000 Series



















































