Groundsmaster 325-D 2 Wheel Drive
Product Information
- Model number: 30788
- Serial number: 210000001 - 210999999
- Product Type: Riding Products
Loading...
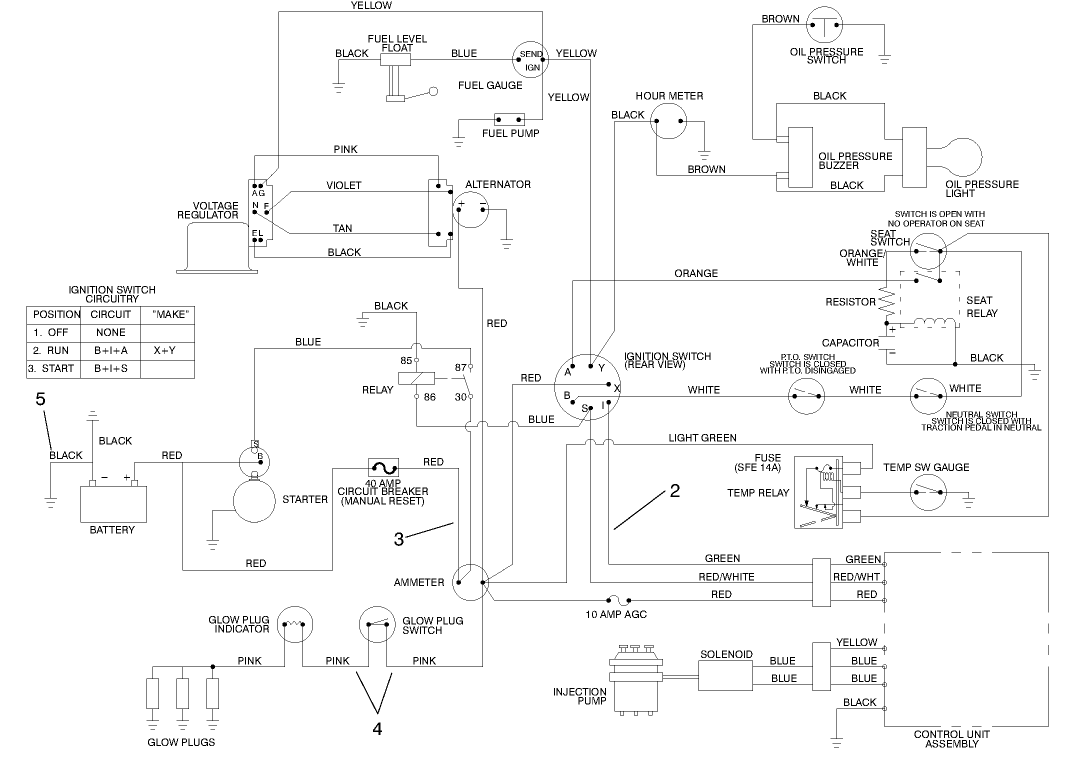
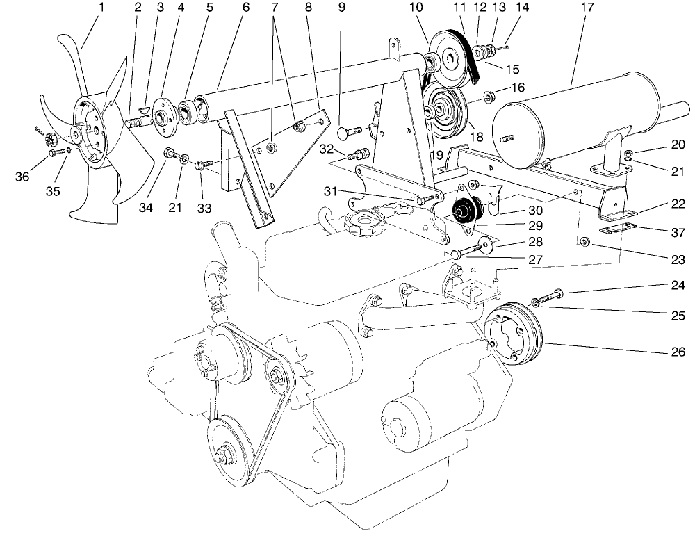
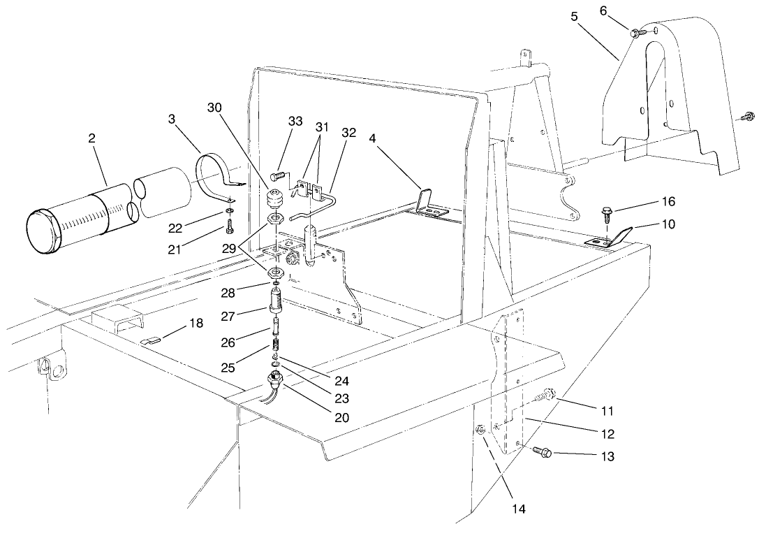
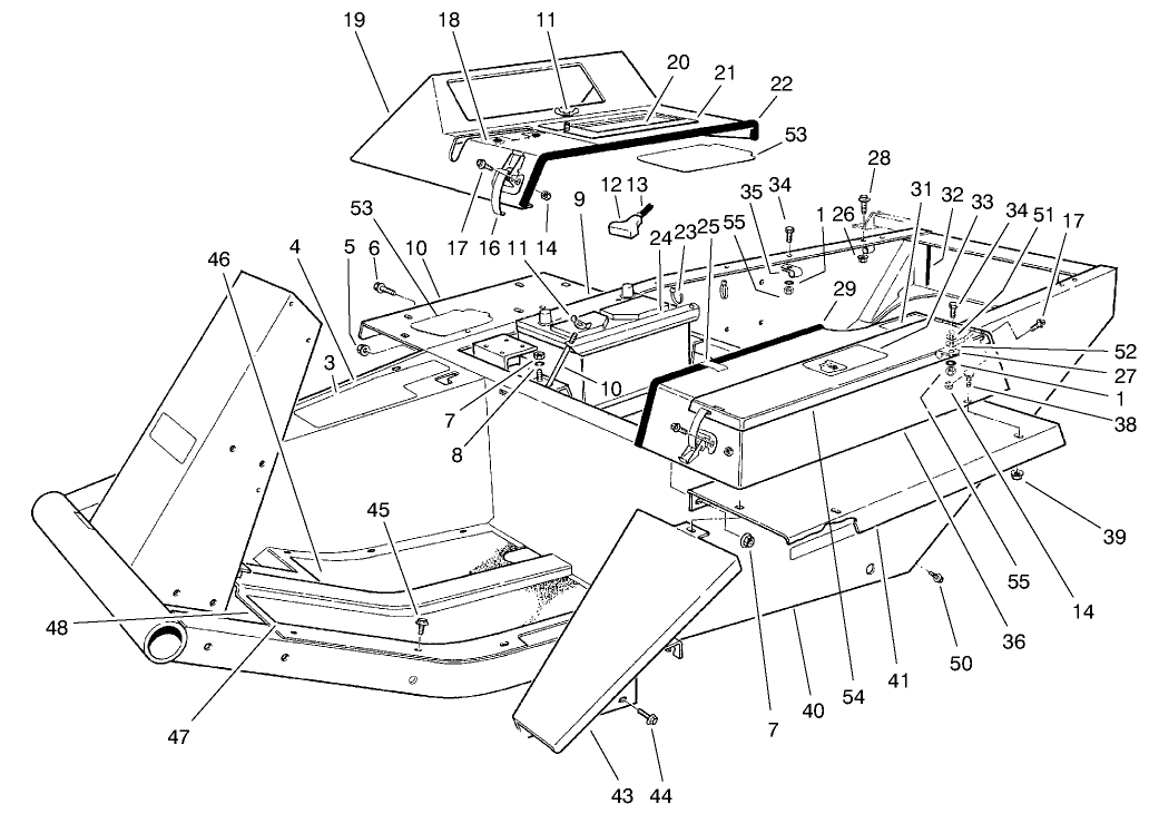
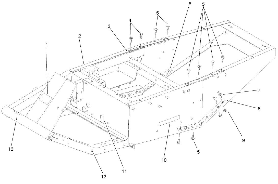
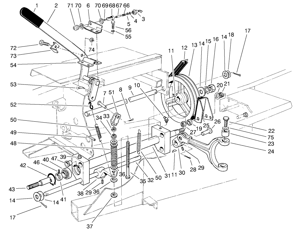
Assembly Drawings
Search for a part within assembly drawings:
-
Service Manual
-
Operator's Manual
-
Parts Catalogue
-
Service Bulletin
Tire Chains 23x8.50-12 (Part number 11-0390)
Wheel Weight Kit (Part number 11-0440)
Pneumatic Caster Wheel (Part number 12-1509)
High Lift Blade (Part number 23-2410)
Rear Weight Kit, Groundsmaster 300 Series (Part number 24-5780)
Rear Weights (2) (Part number 24-5790)
Standard Seat Kit, Groundsmaster 300 Series (Part number 30623)
Deluxe Seat Kit, Groundsmaster 200 and 300 Series (Part number 30625)
Seat Adapter Kit, Groundsmaster 300 Series (Part number 30628)
Cruise Control Kit, Groundsmaster 300 Series (Part number 30677)
Arm Rest Kit (Part number 30707)
Standard Seat Kit, Groundsmaster (Part number 30708)
Deluxe Seat Adapter Kit, Groundsmaster 300 Series (Part number 30709)
72in Rear Discharge Mower, Groundsmaster 300 Series (Part number 30710)
Quick Attach Adapter Kit, Groundsmaster 300 Series (Part number 30711)
72in Guardian Recycler Mower, Groundsmaster 300 Series (Part number 30716)
Debris Blower Quick Attach Adapter Kit, Groundsmaster 300 Series (Part number 30717)
Mowers and Boom Quick Attach Adapter Kit, Groundsmaster 300 Series (Part number 30719)
72in Side Discharge Mower, Groundsmaster 300 Series (Part number 30722)
Rotary Broom Actuator, Groundsmaster 300 (Part number 30728)
Recycler Mower Quick Attach Adapter Kit, Groundsmaster 300 Series (Part number 30729)
Snowthrower Quick Attach Adapter Kit, Groundsmaster 300 Series (Part number 30731)
Mulch Kit (Part number 30733)
Rotary Broom, Groundsmaster 300 Series (Part number 30743)
48" V-Plow, Groundsmaster 72 and 200/300 Series (Part number 30750)
48" V-Plow Mounting Kit, Groundsmaster 300 Series (Part number 30757)
Deluxe Seat (Part number 30772)
Mulching Kit, 72" Mower (Groundsmaster) (Part number 30799)
Recycler Kit, 72" Flex Deck Side Discharge Mower (Part number 30838)
Debris Blower, Groundsmaster 300 Series (Part number 30855)
67 Blower Mounting Kit, Groundsmaster 300 Series (Part number 44535)
Snow Blower 150, Groundsmaster 300 Series (Part number 44910)
4-Ply Wide Tire And Rim (Part number 62-7020)
3" Lift Cylinder (Part number 66-1250)
WHEEL AND TIRE ASM (Part number 69-9870)
Drive Shaft Kit, 4-Wheel Drive Groundsmaster 300 Series (Part number 72-3741)
Jack Pad Kit, Groundsmaster 300 Series (Part number 76-0900)
Tire Chains, Groundsmaster 322-D 4 Wheel Drive (Part number 76-1840)
Drive Shaft Kit, Four-Wheel Drive Groundsmaster 200/300 Series (Part number 92-9075)
10in Foam Filled Wheel ASM (Incl. Ref. No. 1-6 and 9-10) (Part number 93-5973)
8IN FOAM FILLED WHEEL ASM (Part number 93-5974)
Caster Wheel (front) 72” Rear & Side Discharge 72" Guardian Recycler (Part number 95-3082)
Caster Wheel (rear) 72” Guardian Recycler (Part number 95-3083)
Caster Wheel (rear) 72” Rear & Side Discharge (Part number 95-3084)
Caster Wheel Set 72” Guardian Recycler (Part number 95-3085)
Caster Wheel Set 72” Rear & Side Discharge (Part number 95-3086)
Blade & Belt Kit 72” Rear & Side Discharge (Part number 95-3087)
Blade & Belt Kit 72” Guardian Recycler (Part number 95-3088)
Spindle Assembly L.H. 72” Rear & Side Discharge (Part number 95-3089)
Spindle Assembly Center 72” Rear & Side Discharge (Part number 95-3090)
Spindle Assembly 72” Guardian Recycler (Part number 95-3091)
400 Hour Filter Kit (Part number 95-3092)
400 Hour Filter Kit GM 345 (Part number 95-3093)
Blade & Belt Kit (High Lift) 72” Rear & Side Discharge (Part number 95-3094)
Spindle Assembly R.H. 72” Rear & Side Discharge (Part number 95-3095)
-
Model number
30788 -
Serial number
210000001 - 210999999 -
Product Name
Groundsmaster 325-D 2 Wheel Drive -
Product Brand
Toro -
Product Type
Riding Products -
Product Series
Groundsmaster 300 Series

































