Groundsmaster 325-D 2 Wheel Drive
Product Information
- Model number: 30788
- Serial number: 20001 - 29999
- Product Type: Riding Products
Loading...
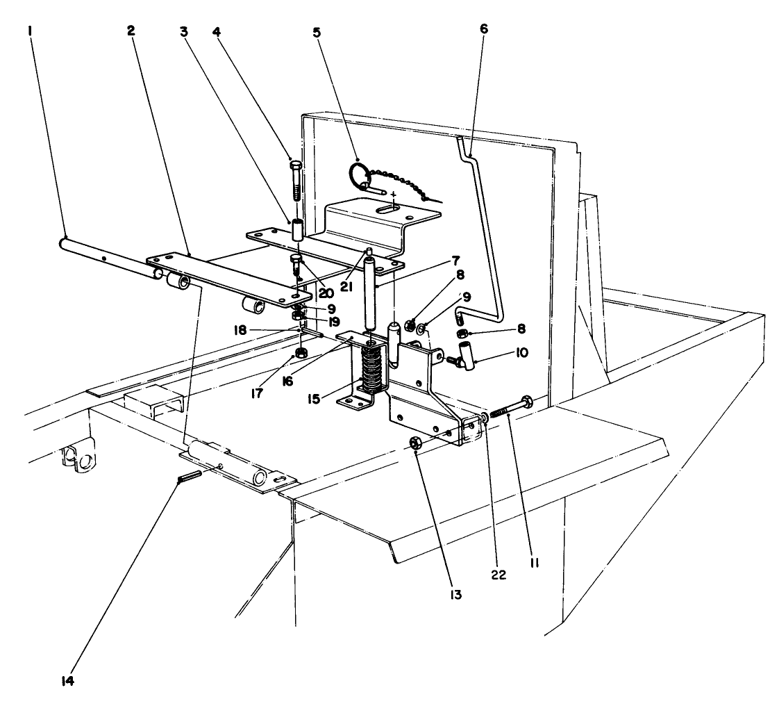
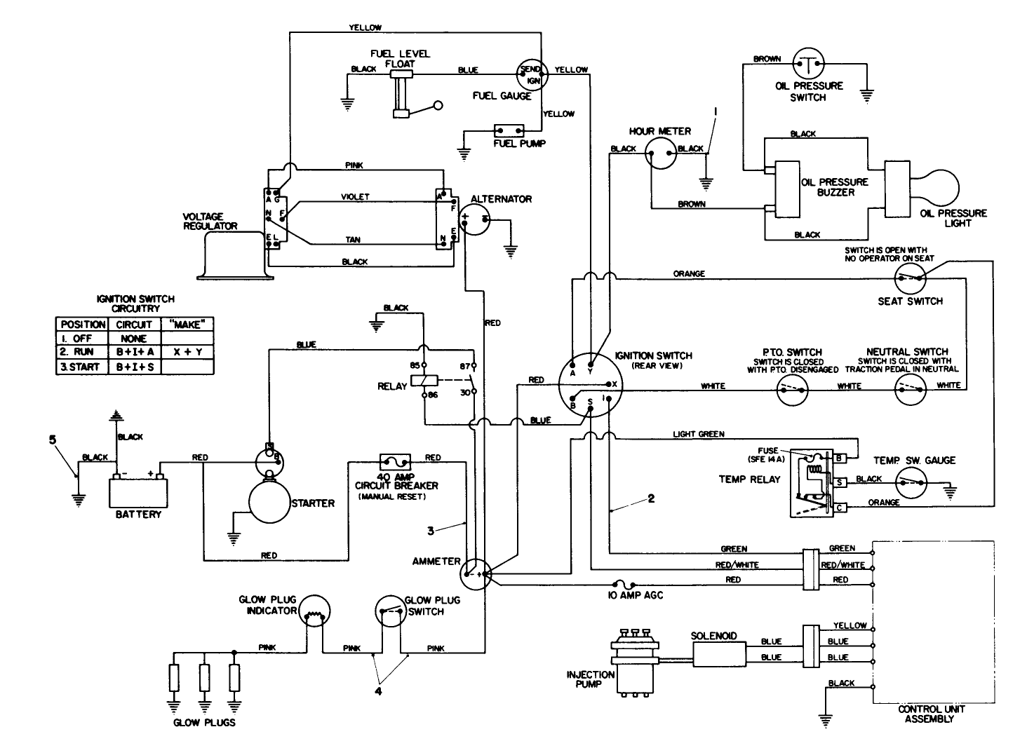
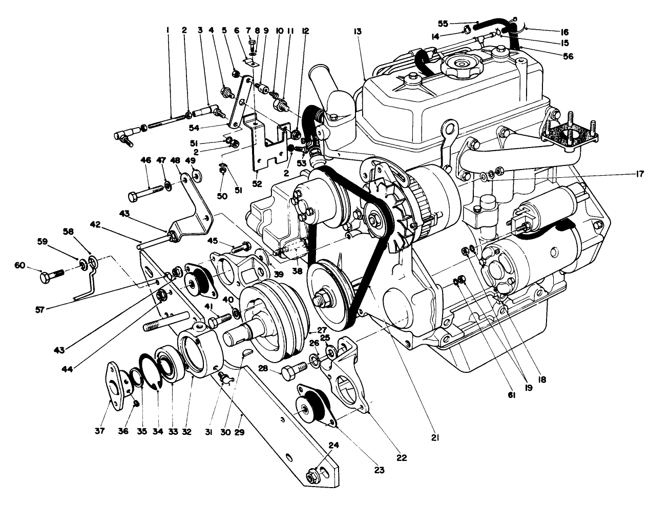
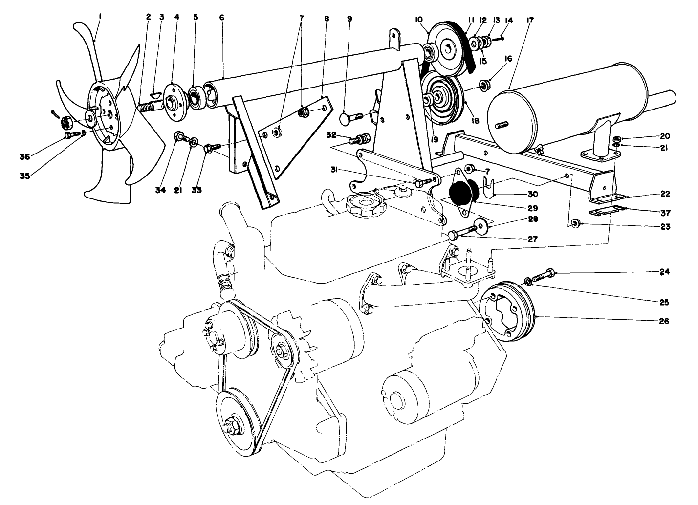
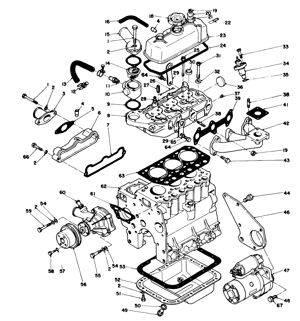
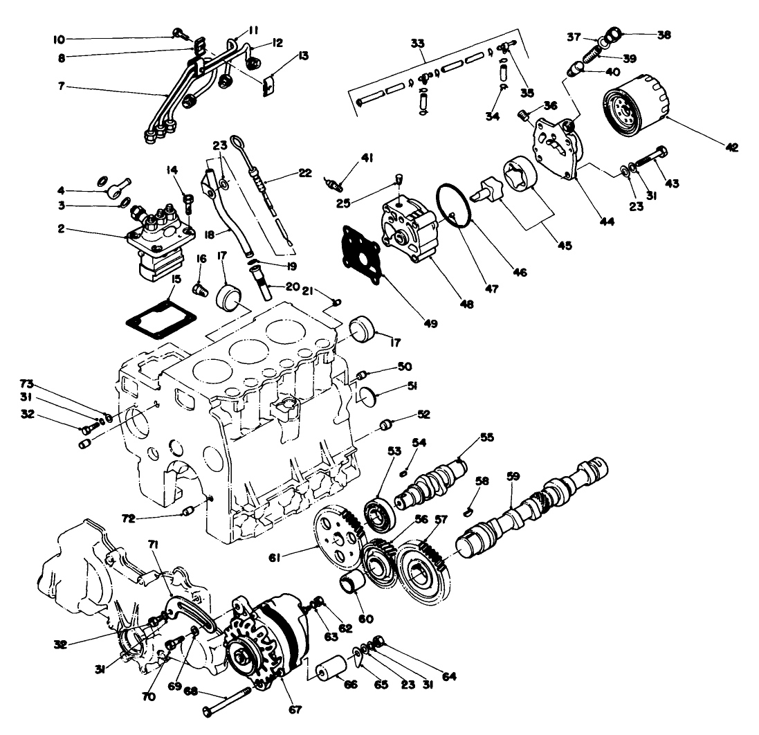
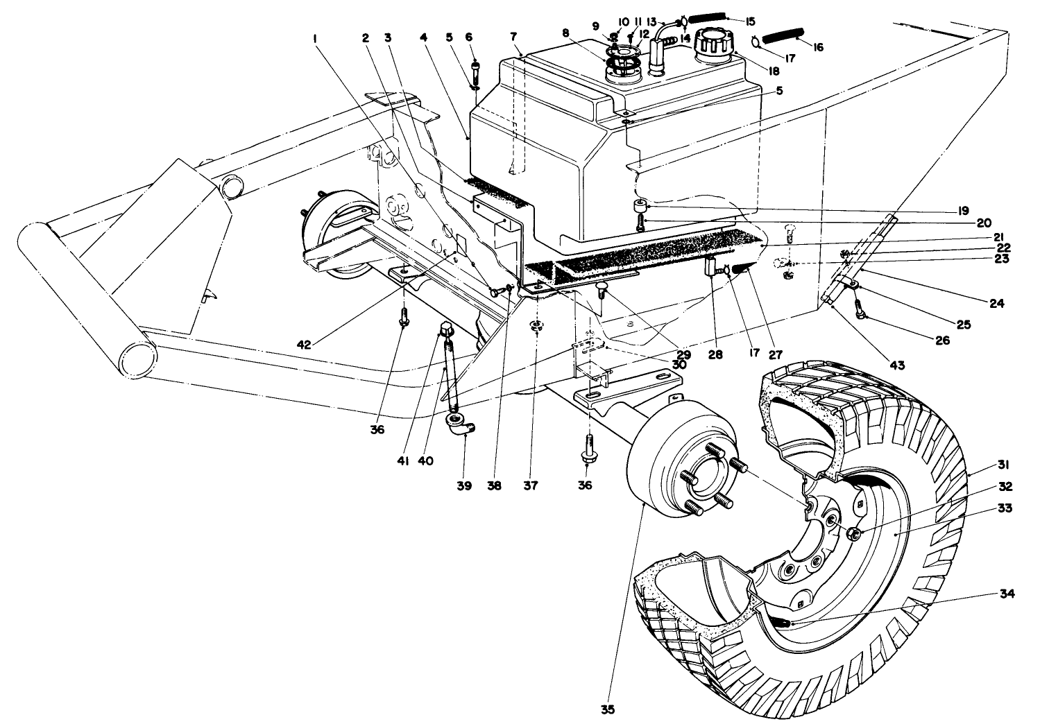
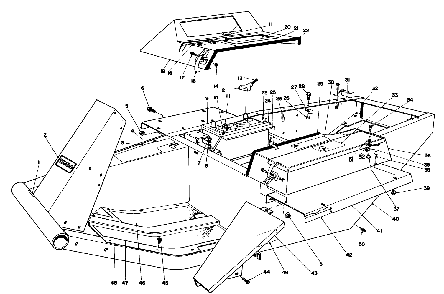
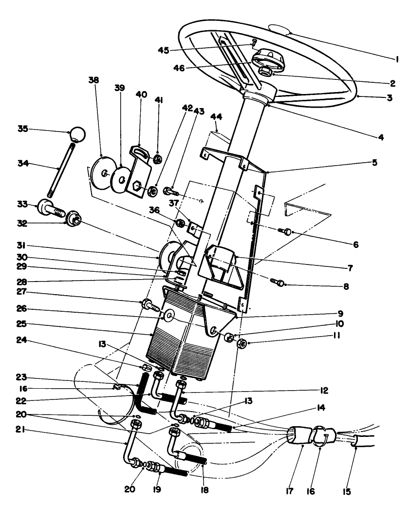
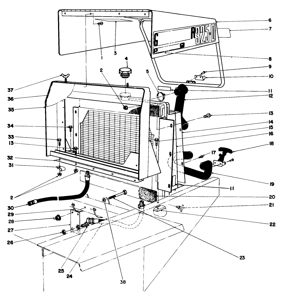
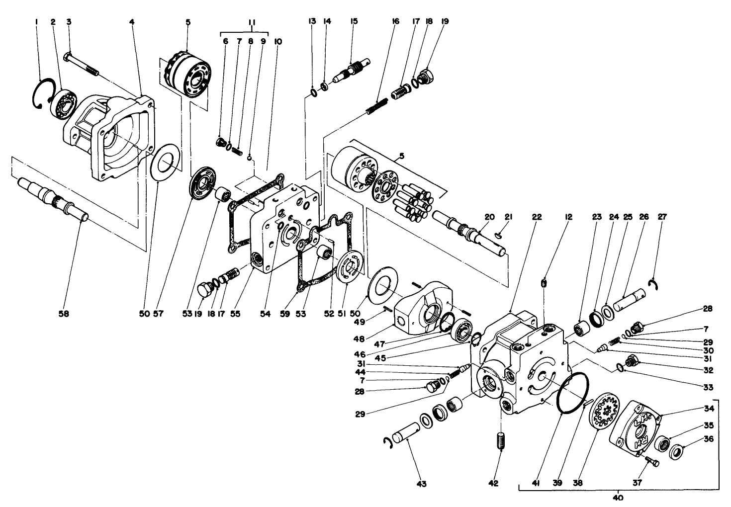
Assembly Drawings
Search for a part within assembly drawings:
-
Service Manual
-
Operator's Manual
-
Parts Catalogue
-
Service Bulletin
-
Model number
30788 -
Serial number
20001 - 29999 -
Product Name
Groundsmaster 325-D 2 Wheel Drive -
Product Brand
Toro -
Product Type
Riding Products -
Product Series
Groundsmaster 300 Series












































