Groundsmaster 3500-G Rotary Mower
Product Information
- Model number: 30809
- Serial number: 407000000 - 999999999
- Product Type: Riding Products
Loading...
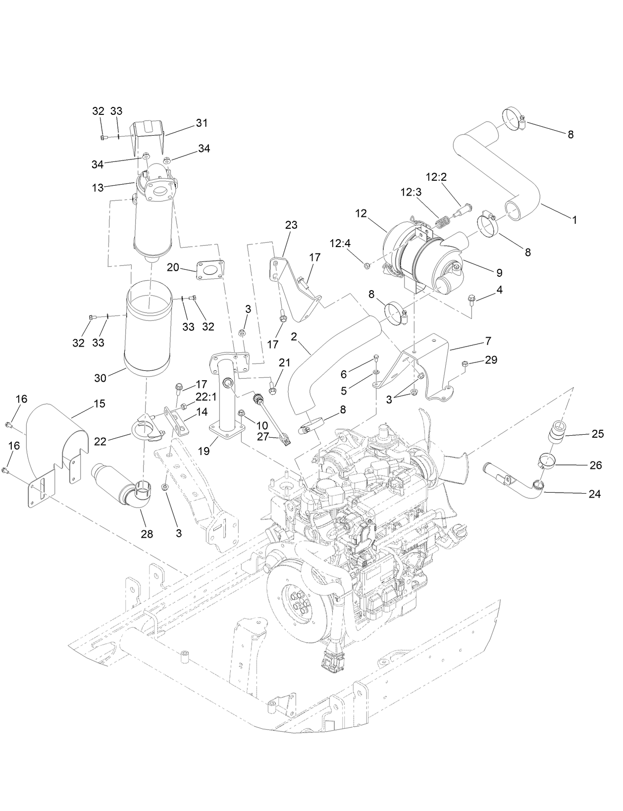
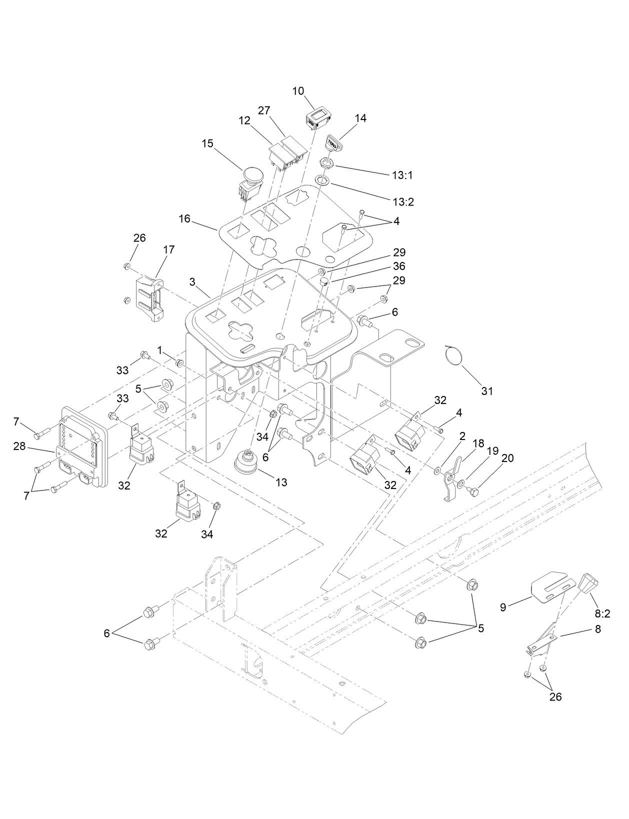
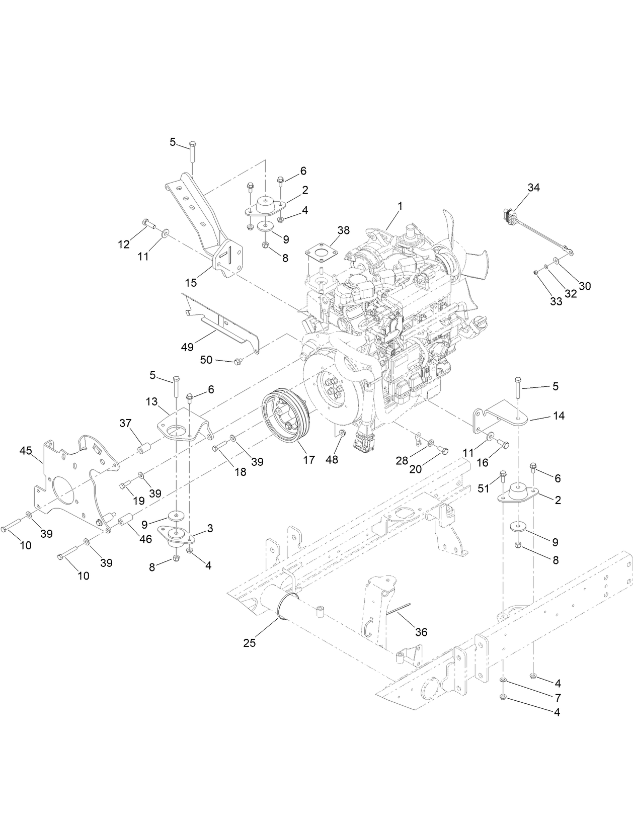
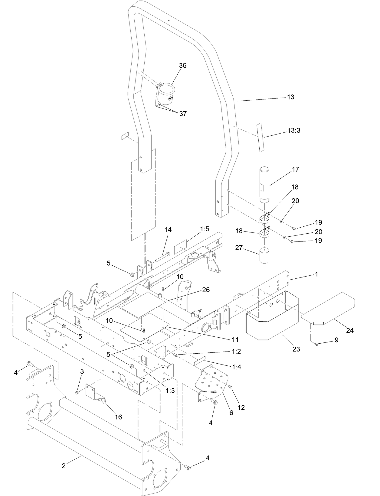
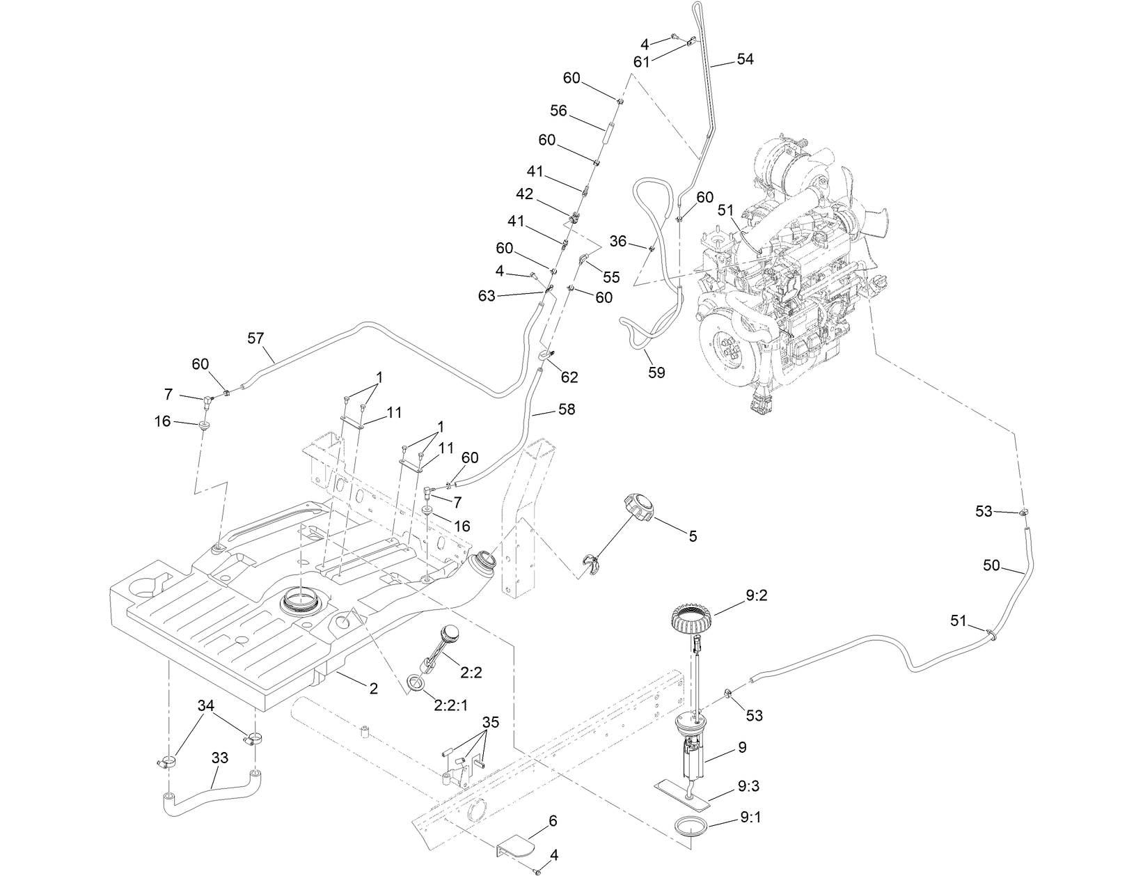
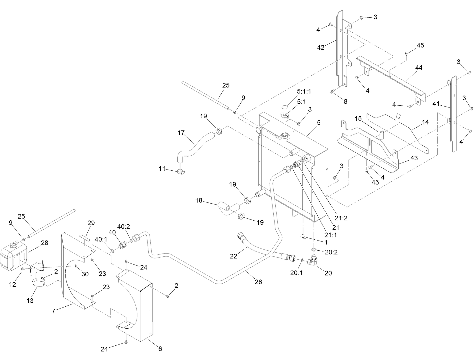
Assembly Drawings
Search for a part within assembly drawings:
-
Service Manual
-
Operator's Manual
-
Parts Catalogue
-
Schematic Drawing - Electrical
-
Schematic Drawing - Hydraulic
Operator Cooling Fan (Part number 03247)
Keep cool in the warm temps with this overhead cooling fan.
Switch Panel, Groundsmaster and Reelmaster Traction Units with Univers (Part number 03248)
ROLLER SCRAPER KIT (Part number 104-5168)
BLADE-HIGH LIFT (Part number 104-5183)
BLADE-ANGLE SAIL (Part number 105-9810-03)
BLADE-ATOMIC, 27 IN (Part number 107-0235-03)
BLADE SERVICE PACK, 27 IN (Part number 108-1462)
BLADE-27", COMBO (Part number 108-9026)
Hourmeter, Wireless Hourmeter System (Part number 115-4754)
External Antenna Kit, Wireless Hourmeter System (Part number 115-9524)
Base Station Kit, Wireless Hourmeter System (Part number 115-9542)
Repeater Kit, Wireless Hourmeter System (Part number 115-9543)
ROLLER ASM (UHMW) (Part number 131-7800)
COVER SEAT,HI-BACK [TORO] (Part number 133-1308)
PX HYD FLUID (5 GAL) (Part number 133-8086)
PX HYD FLUID (55 GAL) (Part number 133-8087)
KIT-BALLAST (27in. C/U) (Part number 136-2881)
WHEEL WEIGHT KIT (Part number 136-3315)
LH LIFTARM ASM (Part number 136-3421)
RH LIFTARM ASM (Part number 136-3423)
GM SECTIONAL ROLLER ASM (3IN DIA)(27I (Part number 137-6145)
Beacon Kit, Groundsmaster and Reelmaster Traction Units with Universal (Part number 138-2699)
Work Lights Kit, Groundsmaster and Reelmaster Traction Units with Univ (Part number 138-2700)
POWER-HARNESS, KIT (RM3XXX) (Part number 138-2993)
HYDRAULIC BOOSTER-10.5 FL OZ (Part number 145-5286)
Bimini Sunshade for 2-Post Roll-Over Protection System (Part number 30358)
Premium Seat Kit, Groundsmaster 3500-D/3505-D and Reelmaster 3100-D (Part number 30629)
Universal Sunshade (White) (Part number 30669)
Stay cool and productive when mowing with a canopy.
Universal Sunshade (Red) (Part number 30671)
Stay cool and productive when mowing with a canopy.
27in Rotary Cutting Unit, Groundsmaster 3500-D/4500-D/4700-D (Part number 30834)
Leaf Mulching Kit (Part number 30836)
LED Light Kit, Groundsmaster 3500 Series Rotary Mower or Reelmaster 3100-D Series Traction Unit (Part number 31692)
Red Paint - Gallon Can (Part number 361-11)
PAINT-AEROSOL, DARK METALLIC GRAY (Part number 361-12)
PAINT-SPRAY, TORO SEMI-GLOSS BLACK (Part number 361-9)
MVP Filter Kit (Part number 44965)
Red Paint - Quart Can (Part number 5340)
-
Model number
30809 -
Serial number
407000000 - 999999999 -
Product Name
Groundsmaster 3500-G Rotary Mower -
Product Brand
Toro -
Product Type
Riding Products











































































