Dingo® TX 427 Track Loader, Wide
Product Information
- Model number: 22322
- Serial number: 412800000 - 415299999
- Product Type: Compact Utility Loaders
Loading...
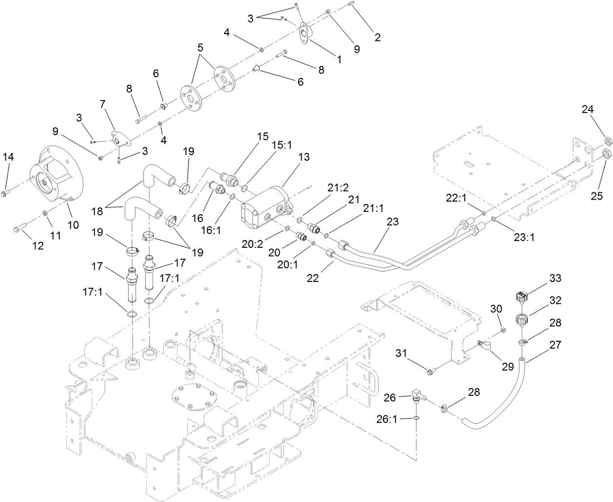
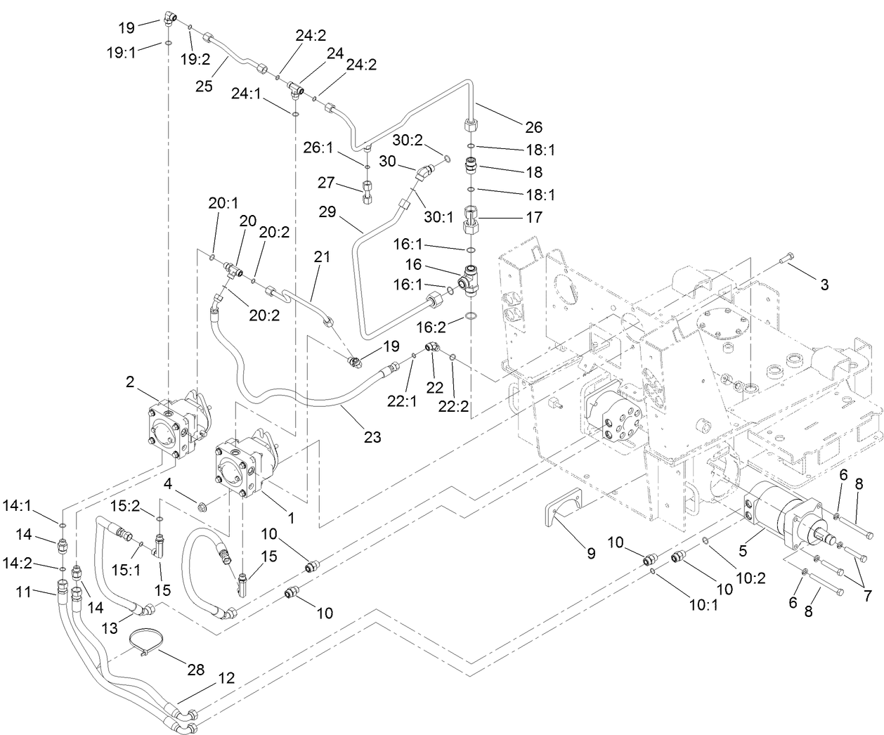
Assembly Drawings
Search for a part within assembly drawings:
-
Operator's Manual
-
Parts Catalogue
-
Product Warranty
-
Setup Instructions
-
Schematic Drawing - Electrical
-
Schematic Drawing - Hydraulic
-
EU/UK Declaration of Conformity
Road Wheel Kit, Dingo TX 413, 420 and 425 Compact Utility Loader (Part number 106-7620)
Reference Guide Kit, Dingo TX Compact Utility Loaders (Part number 107-9310)
TRACK-AGGRESSIVE TREAD, WIDE (Part number 108-9749)
PX HYD FLUID (5 GAL) (Part number 133-8086)
Toro 55 Gallon PX Extended Life Hydraulic Fluid (Part number 133-8087)
Toro 55 Gallon PX Extended Life Hydraulic Fluid. Designed for use in Toro equipment created by Toro engineers. If you are unsure of your equipment needs, do a model extreme serial number search to verify that this is the correct oil type for your equipment.
50 HOUR FILTER KIT (Part number 136-4774)
200 HOUR FILTER KIT (Part number 136-4775)
OIL-30/10W-30 SYNTHETIC (Part number 138-6053)
PX HYDRAULIC FLUID-4 PK GALLON (Part number 138-9460)
SCREEN-SPARK ARRESTOR (Part number 142-7683)
KIT-TX427/525 SNOW THROWER POWER (Part number 144-2512)
LIGHT KIT ASM (Part number 144-7101)
DECAL KIT - HERC (Part number 145-6941)
SPOT 2 GPS KIT (Part number 161-6885)
KIT-HA CONVERSION (Part number 161-7274)
Adjustable Forks, TX 1000 Compact Utility Loaders (Part number 22341)
Loader Bucket Attachment (Part number 22409)
Use this standard bucket for moving rock, dirt, sand or other materials off and around the job site. The hardened steel cutting edge offers improved cutting and digging capability for better performance to handle tough digging conditions and affords superior wear. Capacity = 1 m³ (4 cubic feet)
Light Materials Loader Bucket Attachment (Part number 22410)
Designed for moving light materials like chip-bark, mulch, snow and loam. The larger capacity bucket, 0.2 m³, is great for handling larger loads of lighter materials. The hardened steel cutting edge allows for improved cutting and digging capability for better performance to handle tough digging conditions and affords superior wear.
Utility Blade Attachment (Part number 22414)
The Toro Dingo hydraulic blade greatly increases the versatility of your Dingo system. This incredibly versatile attachment can be used for a variety of earth or snow moving jobs. Fill trenches where rows of trees have been planted or irrigation pipes have been installed. Keep your hydraulic blade working in the winter by pushing snow from pavements in one pass.
Bore Drive Head Attachment (Part number 22420)
The Toro® Dingo® boring unit allows you to dig under pavements and driveways to simplify irrigation and cable installations. Shorter rod lengths and the ability to lower the bore head below grade allow you to work in both confined and open areas, increasing your productivity.
Rod and Reamer Kit (Part number 22421)
Easily bore under driveways and pavements to simplify irrigation and cable installations. Use with Bore Drive Head attachment model 22420. Working depth: 48 cm. Bits and reamers up to 8.9 cm (3.5") in diameter.
Multi-Purpose Tool, Dingo (Part number 22423)
Power Box Rake Attachment (Part number 22426)
The Toro Power Box Rake is the perfect tool for seed bed and sod bed preparation. The rotary drum on the power box rake pulverizes rough soil, cuts high spots and fills low spots in one pass; while removing rocks and debris. Pure carbide teeth design produces the best possible seeded sub-soil, which promote superior moisture retention and rapid seed growth.
Stump Grinder Attachment (Part number 22429)
The Toro® Dingo® Stump Grinder easily attaches to either Dingo or Dingo TX compact utility loaders. Make grinding stumps quicker and more productive with the stump grinder attachment for your Toro Dingo.
Tree Fork Attachment (Part number 22438)
The Toro Dingo hydraulic tree forks can help you plant trees and large shrubs quickly and effortlessly, plus move all sorts of materials around your garden center or nursery. The Dingo Compact Utility Loader is especially easy to manoeuvre, helping you transport and position trees or shrubs exactly where you want them.
Cement Mixer Attachment (Part number 22442)
This unique attachment will mix and pour up to 200 pounds (90.7 kg) of dry cement. The specially designed auger flighting inside the cement bowl keeps the cement in the bowl during mixing. This same auger design permits cement to be poured into fence post holes with the posts in place!
Tiller Attachment (Part number 22445)
The Toro Dingo tiller attachment greatly increases the productivity and performance of your Dingo system. Break through hard soil conditions up to 15 cm (6") deep. Avoid clogging the tiller by using one easy hand control to reverse the direction of the tiller to clear jams from rocks and debris.
Trencher Crumber (Part number 22464)
Spring design, trencher accessory to help clean out trenches
Trench Filler, Compact Utility Loader (Part number 22472)
High Torque Trencher Attachment (Part number 22473)
High-torque trencher head with heavy-duty drive system guarantees performance in the toughest soil conditions from rock to caliche. Dig trenches up to 127cm below grade. Heavy-duty nose roller bearing and reversible abrasion-resistant boom give you years of dependable use.
High Speed Trencher Attachment (Part number 22474)
Ideal for fast, efficient trenching in most soil conditions. Great for cable, pipe or irrigation installations.
4-in-1 Bucket Loader Bucket Attachment (Part number 22478)
Designed to be used on the Dingo 323, 320-D, e-Dingo, TX 427, TX 525 and TX 1000 models, this attachment offers the versatility of 4 attachments. Use as a standard bucket, a leveler, a grapple rake and a blade.
Narrow Loader Bucket Attachment (Part number 22520)
Handle compact construction and remodelling sites by moving through 91.4cm gates without a problem. This 87.6cm wide bucket allows you to get through narrow spaces, including gates and doorways. Move rock, dirt, sand or other materials off and around the job site. Great for use on any Dingo® model equipped with narrow wheels and tyres.
Grapple Rake Attachment (Part number 22577)
The Toro grapple rake attachment allows operators to grab, drag, lift, and place materials with ease. The grapple has two heavy-duty cylinders capable of producing 1361 kg of clamping force at the tine tips, insuring you can "grab-ahold" and not let go.
FLOOR SCRAPER (Part number 22673)
High Torque Auger Attachment (Part number 22805)
In any drive head, there is a trade-off between torque (power) and speed (revolutions per minute). The high torque head provides a large amount of torque to the auger at a slower speed. The high torque translates into the Dingo's capability to dig 30" (76.2 cm) holes up to 6' (1.8 m) deep in clay, gravel, sandstone and many other conditions where lower torque heads get stuck.
Track Loader Auger Attachment (Part number 22806)
This attachment swivels in all directions to create plumb holes on uneven terrain. The higher speed of this auger power head is ideal for augers up to 24" (61cm) in diameter. Quickly change between auger bit sizes to dig holes for fence posts, footings, irrigation heads and more!
18" Auger Bit (Part number 22814)
18" Auger Bit, requires 22805 or 22806
24" Auger Bit (Part number 22815)
24" Auger Bit, requires 22805 or 22806
30" Auger Bit (Part number 22816)
30" Auger Bit, requires 22805 or 22806
12" Auger Extension (Part number 22818)
12" Auger Extension - add onto any auger to increase depth
24" Auger Extension (Part number 22819)
24" Auger Extension - add onto any auger to increase depth
6" Full Flight Auger Bit (Part number 22820)
6" Full Flight Auger Bit - requires 22805 or 22806
9" Full Flight Auger Bit (Part number 22821)
9" Full Flight Auger Bit - requires 22805 or 22806
12" Full Flight Auger Bit (Part number 22822)
12" Full Flight Auger Bit - requires 22805 or 22806
15" Full Flight Auger Bit (Part number 22823)
15" Full Flight Auger Bit - requires 22805 or 22806
Vibratory Plough Attachment (Part number 22911)
The Toro® Dingo® vibratory plow attachment greatly reduces a contractor's time spent on irrigation and cable installations. Exclusively designed and built by Toro specifically for use on the Dingo, the vibratory plow optimizes pipe-pulling performance while minimizing turf damage during an installation. Also, use the chuted blade and spool carrier to install wire or cable.
Soil Cultivator Attachment (Part number 23102)
The soil cultivator is the ultimate attachment for soil preparation! This incredibly versatile attachment can be used to cultivate and level soil as well as blend landscape materials, compost and fertiliser. This attachment will also bury debris such as stones, soil clods and grass. It transforms rough terrain into a perfect planting bed in one pass.
Concrete Breaker, Dingo Compact Utility Loaders (Part number 23135)
Backhoe Kit, Dingo TX (Part number 23162)
Backhoe, Dingo Compact Utility Loader (Part number 23163)
Leveller Attachment (Part number 23165)
This versatile and highly productive tool is a must-have attachment for all job sites. Use to grade, finish, and spread landscape materials, backfill trenches, and break up the turf. Also great for carrying and transporting materials around the job site.
30IN STANDARD BUCKET (Part number 23174)
30IN PALLET FORK (Part number 23175)
30IN GRAPPLE (Part number 23176)
10W30 4-CYCLE ENGINE OIL 32 OZ BOTTLE (Part number 38280)
-
Model number
22322 -
Serial number
412800000 - 415299999 -
Product Name
Dingo® TX 427 Track Loader, Wide -
Product Brand
Toro -
Product Type
Compact Utility Loaders -
Engine/Motor Manufacturer
Kohler -
Engine/Motor Size
27 hp -
Engine/Motor Type
4 Cycle -
Engine Starter
Electric -
Transmission Type
Hydrostatic





























