Professional 4000 Series MyRIDE® Petrol Z Master® 122 cm 74048TE
Product Information
- Model number: 74048TE
- Serial number: 414071674 - 414071689
- Product Type: Riding Products
Loading...
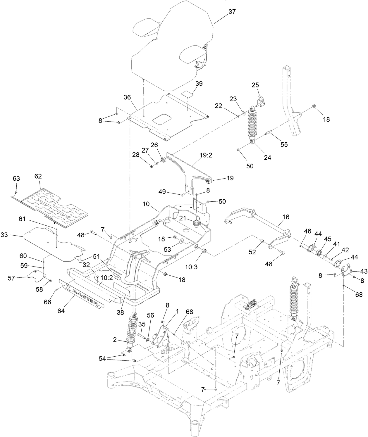
Assembly Drawings
Search for a part within assembly drawings:
-
Service Manual
-
Operator's Manual
-
Parts Catalogue
-
Product Warranty
-
Setup Instructions
-
EU/UK Declaration of Conformity
Road Lights Kit (Part number 02936)
Anti-Scalp Kit, LH 400 and 500 Series w/TF Decks (Part number 108-4140)
HYPR-OIL 500 -QUART (Part number 114-4713)
HYPR-OIL 500-GALLON (Part number 114-4714)
HYPR-OIL 500-5 GALLON (Part number 114-4715)
Jack Kit With Adapter, Zero-Turn-Radius Side-Discharge or Rear-Dischar (Part number 126-7282)
Jack Kit Adapter, Zero-Turn-Radius Side-Discharge or Rear-Discharge Ri (Part number 126-7283)
Striper Kit (Part number 126-7882)
Jack Kit, Zero-Turn-Radius Side-Discharge or Rear-Discharge Riding Mow (Part number 127-6666)
Single Side Mirror Kit (Part number 134-8275)
TWEEL-TURF (Part number 139-3649)
RECYCLER KIT-G3/GRANDSTAND 48 (Part number 139-6650)
BLADE-16.50 HIGH FLOW (Part number 140-1243)
BLADE-16.50 MEDIUM FLOW (Part number 140-4860)
BLADE-16.50 LOW FLOW (Part number 140-4861)
BLADE-16.50 ATOMIC (Part number 140-4862)
BLADE-16.50 RECYCLER (Part number 140-4863)
6 PACK-BLADE, 16.5 HIGH FLOW (Part number 140-4887)
6 PACK-BLADE, 16.5 MED FLOW (Part number 140-4888)
6 PACK-BLADE, 16.5 LOW FLOW (Part number 140-4889)
6 PACK-BLADE, 16.5 ATOMIC (Part number 140-4890)
6 PACK-BLADE, 16.5 RECYCLER (Part number 140-4891)
4000 Series Base Light Kit (Part number 144-0389)
Genuine OEM Parts
TRIMMER MOUNT (Part number 144-2665)
KIT, JACK MOUNT (Part number 144-2676)
48" CHUTE GATE KIT [4000] (Part number 144-2688)
ASM-VOODOO TRAC 24X9.5-12 [OS -1.41] (Part number 144-6988)
48 CE COMPLIANCE KIT [4000] (Part number 145-1261)
HANDLE EXTENSION KIT (Part number 145-3615)
KIT-RED ELECTRIC DECK LIFT (Part number 147-1660)
BLADE-16.50 HIGH FLOW (Part number 147-6250)
6 PACK-BLADE, 16.50 HIGH FLOW (Part number 147-6254)
Bucket Mount Kit, Z Master 2000 or 4000 Series Riding Mower (Part number 147-6345)
Universal Mount Kit, Z Master 2000 or 4000 Series Riding Mower (Part number 147-6346)
Kit-Baffle, Turbo Force 48 (Part number 147-7360)
KIT-ELEC DECK LIFT (Part number 147-7867)
Fuel Pickup with Screen, Kit (Part number 161-6806)
Z 4000 BAGGER KIT (Part number 78463)
Z 4000 48IN COMPLETION KIT (Part number 78464)
-
Model number
74048TE -
Serial number
414071674 - 414071689 -
Product Name
Professional 4000 Series MyRIDE® Petrol Z Master® 122 cm 74048TE -
Product Brand
Toro -
Product Type
Riding Products -
Product Series
Zero Radius Turn, Commercial 4000 Series -
Chassis Type
ZRT - LCE -
Swath
48 inch / 122 cm -
Discharge
Side Discharge -
Engine/Motor Manufacturer
Kawasaki -
Engine/Motor Size
22 hp -
Engine/Motor Type
4 Cycle -
Engine Starter
Electric -
Transmission Type
Hydrostatic -
Traction Type
Rear WD
-
Engine: Battery
12V 300CCA -
Engine: Engine Speed
3100±100 RPM -
Engine: Spark Plug
NGK BPR4ES -
Engine: Spark Plug Gap
.030"/ .76mm -
Chassis: Tire Pressure
13 psi / 90 kPa -
Engine: Engine Oil Type
67 oz. (2.1 Liter) SAE 10W-30 or 10W-40 -
Drive System: Ground Speed
0-10 mph / 0-16kph -
Chassis: Height of Cut Range
1.5" - 5.5" (38-140mm) -
Engine: Ignition Coil Air Gap
0.011in (0.3mm) -
Drive System: Gearbox Lubricant
HYPR-OIL 500 / 20w-50 Synthetic Motor Oil


























