Super Recycler™ C53AST 53 cm Lawn Mower with SmartStow® 21693
Product Information
- Model number: 21693
- Serial number: 414500000 - 414899999
- Product Type: Walk Behind Mowers
Loading...
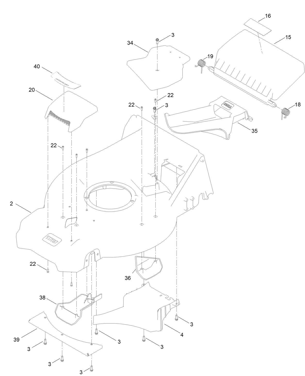
Assembly Drawings
Search for a part within assembly drawings:
-
Operator's Manual
-
Parts Catalogue
-
Product Warranty
-
EU/UK Declaration of Conformity
Fuel Stabilizer .05 oz (Part number 130-2393)
BRIGGS MAINT KIT - 22IN RECYCLER (Part number 130-8148)
4-CYCLE FUEL, SNOW AND LAWN, 32OZ CAN (Part number 131-3823)
Toro Premium Fuel Treatment (Part number 131-6572)
OIL-30/10W-30 SYNTHETIC (Part number 138-6053)
ASM-CHUTE, DISCHARGE (Part number 144-0242)
Lawn Striping Kit with 22in Roller, Walk-Behind Lawn Mowers (Part number 20601)
Summer Oil, Case of 24 20-Ounce Bottles (Part number 38916)
Smart Stow Walk Power Mower Cover (Part number 490-2012)
TORO SMALL WALK BEHIND BAG (Part number 490-7318)
Toro Walk Mower Cover (Part number 490-7462)
-
Model number
21693 -
Serial number
414500000 - 414899999 -
Product Name
Super Recycler™ C53AST 53 cm Lawn Mower with SmartStow® 21693 -
Product Brand
Toro -
Product Type
Walk Behind Mowers -
Product Series
53cm Cast Deck -
Chassis Type
Walk Behind -
Swath
53cm -
Discharge
Recycler & Side and Rear Discharge & Rear Bag -
Engine/Motor Manufacturer
Briggs & Stratton -
Engine/Motor Size
163cc -
Engine/Motor Type
4 Cycle -
Engine Starter
Recoil -
Traction Type
Rear WD
-
Engine: Engine Speed
2900±100 RPM -
Chassis: Height of Cut Range
1" - 4" (2.5-10 cm) -
Engine: Engine Oil Type
15 oz. (.44L) SAE 30 or SAE 10W-30 / API SJ or higher






