TX 1000 Wide Track Compact Tool Carrier
Informations produit
- Nº de modèle : 22328
- N° de série : 406724948 - 407099999
- Type de produit : Compact Utility Loaders
Chargement...
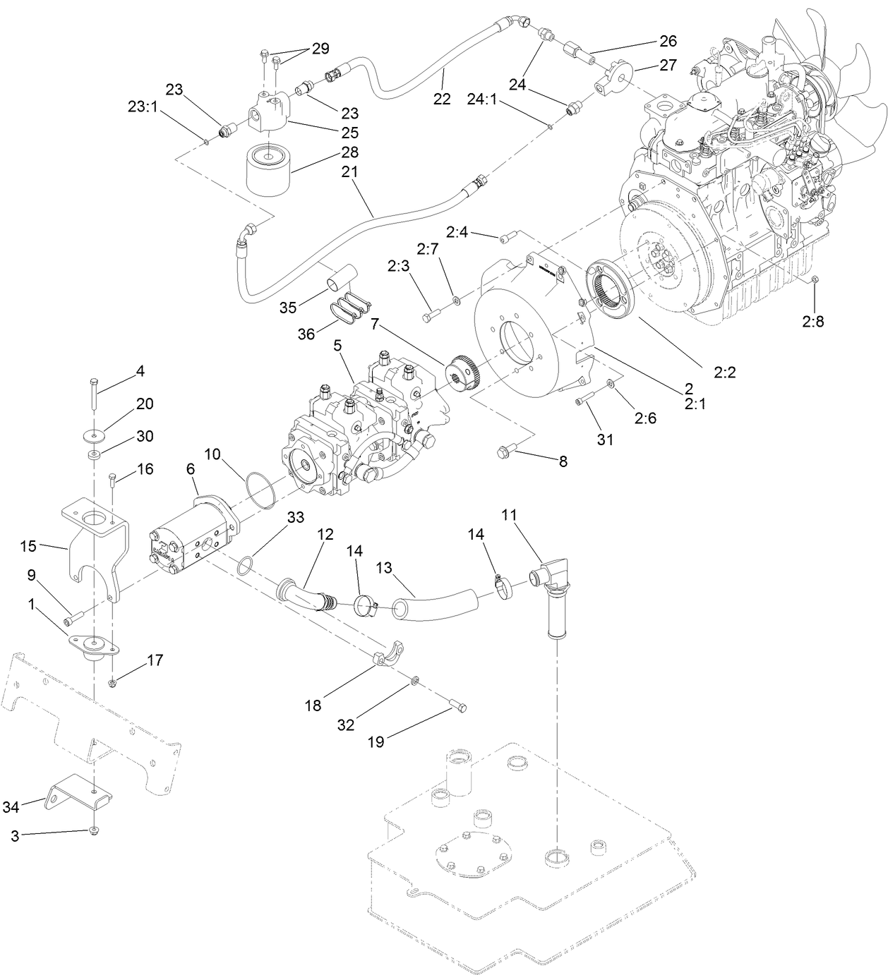
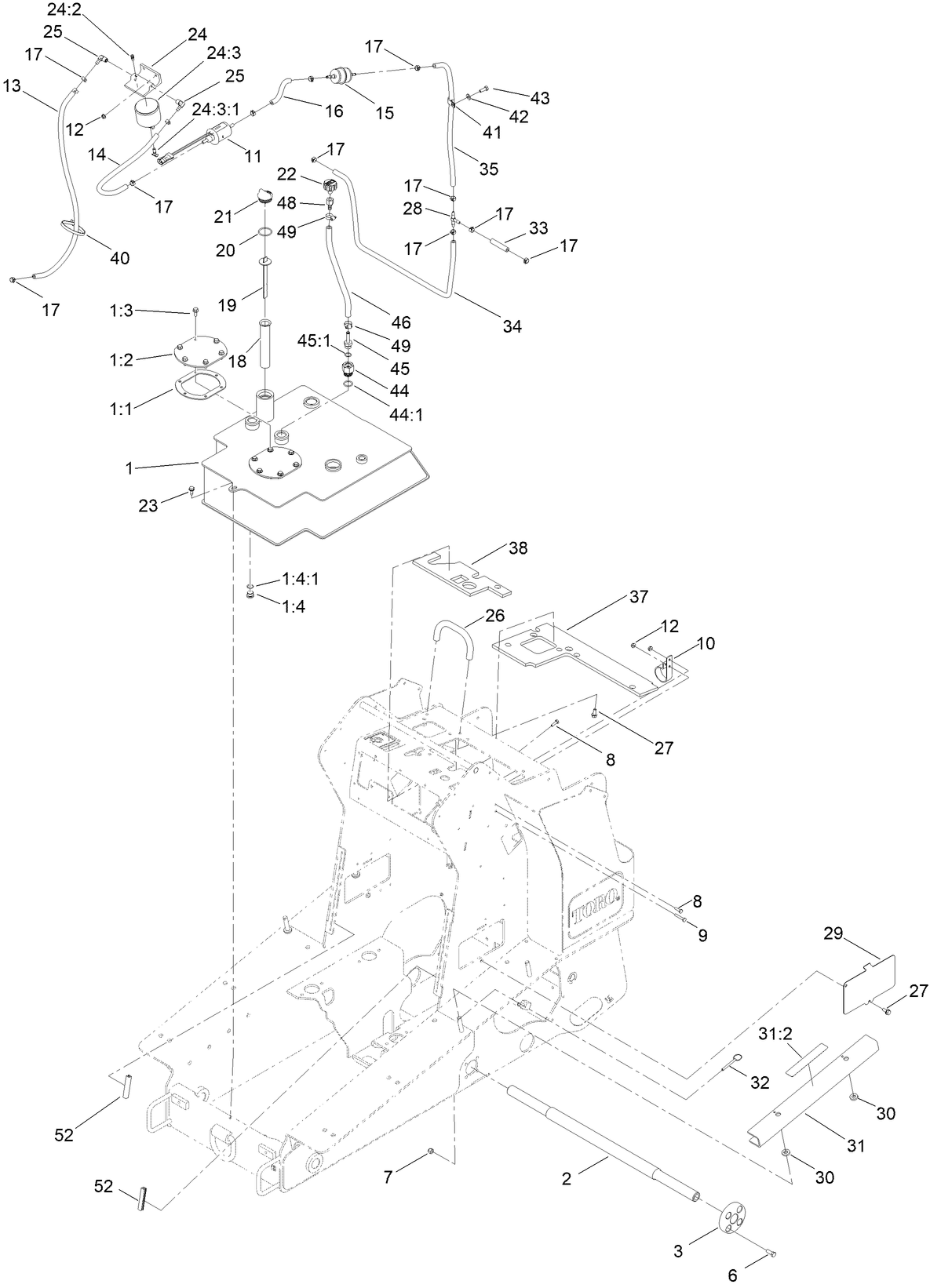
Schémas d’assemblage
Rechercher une pièce dans des schémas d'assemblage :
-
Manuel de l'utilisateur
-
Catalogue de pièces haute
-
Garantie produit
-
Déclaration de conformité UE
-
Schéma électrique
-
Schéma hydraulique
Light Kit, TX 1000 Compact Tool Carrier (N° de référence 131-9247)
Accessoire godet de chargeuse, 0,11 m³ (N° de référence 22340)
Ce godet standard permet d'enlever ou de déplacer roches, déblais, sable et autres matériaux du chantier. Le bord tranchant en acier trempé procure une capacité de coupe et de fouille améliorée, qui permet de travailler dans des conditions d'excavation difficiles et offre une résistance à l'usure remarquable. Capacité = 0,11 m³
Adjustable Forks, TX 1000 Compact Utility Loaders (N° de référence 22341)
Accessoire godet de chargeuse, 0,25 m³ (N° de référence 22342)
Conçu pour le Dingo® TX 1000, volume = 0,25 m³ Ce godet de chargeuse grand volume est parfait pour enlever ou déplacer roches, terre, sable et autres matériaux sur et hors du chantier. Idéal pour les travaux impliquant de gros volumes de matériaux à déplacer.
Accessoire godet de chargeuse pour matériaux légers (N° de référence 22410)
Conçu pour déplacer les matériaux légers (copeaux d'écorce, paillis, neige et terreau). Le godet grande capacité (0,2 m3 / 6,4 pi3) est idéal pour la manipulation de grandes quantités de matériaux légers. Le bord tranchant en acier trempé procure une capacité de coupe et de fouille améliorée, qui permet de travailler dans des conditions d'excavation difficiles et offre une résistance à l'usure remarquable.
Accessoire lame utilitaire (N° de référence 22414)
La lame hydraulique Toro Dingo ajoute encore à la polyvalence du système Dingo. Cet outil multi-usage peut être utilisé pour de nombreux travaux de manutention de la terre ou la neige. Remblayez les tranchées après avoir planté des arbres ou installé des canalisations d'arrosage. Continuez de faire travailler votre lame hydraulique même l'hiver, en déblayant la neige des trottoirs en un seul passage.
Accessoire tête de forage (N° de référence 22420)
La tête de forage Toro® Dingo® permet de creuser sous la chaussée et les trottoirs pour faciliter l'installation de conduites d'arrosage et de câbles. Des tiges plus courtes et la possibilité d'abaisser la tête de forage en dessous du niveau du sol permettent de travailler aussi bien dans des endroits confinés que dégagés et d'augmenter votre productivité.
Kit tige et aléseur (N° de référence 22421)
Le forage aisé sous les routes et les trottoirs simplifie l'installation des conduites et câbles. À utiliser avec la tête de forage, modèle 22420. Profondeur de travail : 48 cm. Forets et aléseurs jusqu’à 8,9 cm de diamètre.
Multi-Purpose Tool, Dingo (N° de référence 22423)
Accessoire râteau de paysagiste (N° de référence 22426)
Le râteau de paysagiste Toro est l'outil idéal pour la préparation des planches de semis et des couches de gazonnement. Le tambour rotatif du râteau de paysagiste pulvérise les mottes de terre, élimine les bosses et comble les creux en un seul passage, tout en enlevant pierres et débris. Les dents en carbure pur produisent un semis souterrain de qualité qui favorise une rétention d'eau remarquable et une pousse rapide.
Accessoire dessoucheuse (N° de référence 22429)
La dessoucheuse Toro® Dingo® se fixe facilement aux chargeuses utilitaires compactes Dingo et Dingo TX. Broyez les souches plus rapidement et plus efficacement grâce à la rogneuse de souches prévue comme accessoire pour votre Toro Dingo.
Accessoire fourches pour arbres (N° de référence 22438)
Les fourches hydrauliques pour arbres Toro Dingo permettent de planter arbres et arbustes rapidement et sans effort, et de déplacer toute sorte de matériaux dans votre jardinerie ou votre pépinière. La chargeuse utilitaire compacte Dingo est particulièrement facile à manœuvrer, et vous permet de transporter et de planter arbres et arbustes exactement à l'endroit choisi.
Accessoire bétonnière (N° de référence 22442)
Cet outil exceptionnel permet de mélanger et verser jusqu'à 90,7 kg de ciment sec. La conception spéciale de la spirale de vis à l'intérieur de la cuve empêche le ciment de sortir pendant le malaxage. La même conception permet de verser le ciment dans les trous préparés et occupés par les poteaux !
Accessoire motoculteur (N° de référence 22445)
Le motoculteur Toro Dingo augmente considérablement la productivité et les performances de votre système Dingo. Pénètre les sols les plus durs jusqu'à 15,2 cm (6 po) de profondeur. Pour éviter de colmater le cultivateur, servez-vous de la commande pratique à une main et inversez le sens de marche de la bineuse pour dégager les cailloux et les débris coincés.
Barre profileuse de trancheuse (N° de référence 22464)
Accessoire de trancheuse, avec conception à ressort, pour aider à dégager les tranchées
Trench Filler, Compact Utility Loader (N° de référence 22472)
Accessoire trancheuse à couple élevé (N° de référence 22473)
Le système d'entraînement grand rendement de la tête de trancheuse à couple élevé garantit la qualité des performances sur tous les types de sol même les plus difficiles, de la roche au caliche. Pour creuser des tranchées jusqu'à 127 cm (50 po) de profondeur. Le roulement avant à grande résistance et la flèche réversible anti-abrasion garantissent de longues années d'utilisation ininterrompue.
Accessoire trancheuse haute vitesse (N° de référence 22474)
Idéal pour creuser des tranchées rapidement et efficacement dans la plupart des sols. Parfaite pour l'installation de câbles, de conduites ou de systèmes d'arrosage.
Accessoire godet de chargeuse, godet 4 en 1 (N° de référence 22478)
Conçu pour être utilisé sur les modèles Dingo 323, 320-D, e-Dingo, TX 427, TX 525 et TX 1000, cet accessoire polyvalent tient le rôle de 4 outils. S’utilise comme un godet standard, une niveleuse, une fourche à grappin ou une lame.
Accessoire godet de chargeuse étroit (N° de référence 22520)
Pratique sur les chantiers de construction et de rénovation car il passe aisément dans des espaces de 91,4 cm. Ce godet de 88 cm de largeur se faufile dans des passages étroits, comme portes et portails. Déplacez roches, terre, sable et autres matériaux sur et hors du chantier. Idéal sur n'importe quel modèle de Dingo® à jantes et pneus étroits.
Standard Bucket with Spacer (N° de référence 22522)
Accessoire fourche à grappin (N° de référence 22577)
Le râteau-grappin Toro permet de saisir, traîner, soulever et disposer des matériaux aisément. Le grappin est muni de deux vérins très résistants capables de produire une force de serrage de 13 333 N aux pointes des louchets, assurant une prise solide.
Accessoire tarière à couple élevé (N° de référence 22805)
Quelle que soit la tête d'entraînement, il existe un compromis entre le couple (puissance) et le régime (tours/minutes). La tête à couple élevé fournit un couple plus important à la tarière à une vitesse plus réduite. Le couple élevé de la Dingo lui permet de creuser des trous de 76,2 cm de diamètre jusqu'à 1,8 m de profondeur dans l'argile, le gravier, le grès et bien d'autres types de sols dans lesquels les têtes à couple moins élevé ont tendance à rester coincées.
Accessoire de tarière pour chargeuse à chenilles (N° de référence 22806)
Cet outil pivote dans toutes les directions pour créer des trous d'aplomb sur les terrains irréguliers. La vitesse plus élevée de cette tête d'entraînement est idéale pour les tarières jusqu'à 61 cm de diamètre. Changez rapidement de taille de tarière pour creuser des trous pour poteaux, semelles, têtes d'arrosage et plus encore !
Mèche de tarière de 45,7 cm (N° de référence 22814)
La tarière de 76 cm (18 po) nécessite la tête d'entraînement de tarière 22805 ou 22806.
Mèche de tarière de 61 cm (N° de référence 22815)
La tarière de 76 cm (24 po) nécessite la tête d'entraînement de tarière 22805 ou 22806.
Mèche de tarière de 76,2 cm (N° de référence 22816)
La tarière de 76 cm (30 po) nécessite la tête d'entraînement de tarière 22805 ou 22806.
Extension de tarière de 30,5 cm (N° de référence 22818)
Ajoutez l'extension à n'importe quelle tarière pour augmenter la profondeur².
Extension de tarière de 61 cm (N° de référence 22819)
Ajoutez l'extension à n'importe quelle tarière pour augmenter la profondeur².
Mèche de tarière à tige pleine de 15,2 cm (N° de référence 22820)
La tarière à filet complet de 23 cm (6 po) nécessite la tête d'entraînement de tarière 22805 ou 22806.
Mèche de tarière à tige pleine de 22,9 cm (N° de référence 22821)
La tarière à filet complet de 23 cm (9 po) nécessite la tête d'entraînement de tarière 22805 ou 22806.
Mèche de tarière à tige pleine de 30,5 cm (N° de référence 22822)
La tarière à filet complet de 23 cm (12 po) nécessite la tête d'entraînement de tarière 22805 ou 22806.
Mèche de tarière à tige pleine de 38 cm (N° de référence 22823)
La tarière à filet complet de 23 cm (15 po) nécessite la tête d'entraînement de tarière 22805 ou 22806.
Accessoire enfouisseuse vibrante (N° de référence 22911)
L'enfouisseuse vibrante Toro® Dingo® réduit considérablement le temps normalement consacré à l'installation de câbles et de systèmes d'arrosage. Exclusivement et spécifiquement conçue et construite par Toro pour la Dingo, elle optimise le tirage des tuyaux tout en minimisant les dommages occasionnés à la pelouse pendant l'installation. La lame à goulotte et le porte-bobine sont utilisés pour installer les fils ou les câbles.
Accessoire cultivateur (N° de référence 23102)
Le cultivateur est l'outil de préparation du sol idéal ! Cet outil incroyablement polyvalent peut servir à retourner et niveler le sol, mais aussi à mélanger les matériaux utilisés pour les aménagements paysagers, le compost et les engrais. Cet outil permet également d'enfouir les débris, par exemple cailloux, mottes de terre et herbe. Il transforme les terrains accidentés en plate-bande en un seul passage.
Low Flow Auxiliary Kit, TX 1000 Compact Utility Loader (N° de référence 23134)
Concrete Breaker, Dingo Compact Utility Loaders (N° de référence 23135)
Accessoire niveleuse (N° de référence 23165)
Cet outil polyvalent et extrêmement productif est indispensable sur tous les chantiers. Pour niveler, finir, épandre des matériaux d'aménagement, remblayer des tranchées et entamer la pelouse. Parfait également pour transporter des matériaux à travers le chantier.
Double Detent Valve (N° de référence 23171)
Stump Grinder Fit-Up Kit, TX 1000 Compact Tool Carrier (N° de référence 23172)
Spark Arrestor (Meets USDA Forest Service Standard 5100-1A) (N° de référence 98-9099)
-
Nº de modèle
22328 -
N° de série
406724948 - 407099999 -
Nom du produit
TX 1000 Wide Track Compact Tool Carrier -
Marque du produit
Toro -
Type de produit
Compact Utility Loaders




























































