GrandStand® HDX de 183 cm (72 po), 27,6 kW (37 cv), 993 cm³ EFI avec Oil Guard
Informations produit
- Numéro de modèle : 72517
- Numéro de série : 414500000 - 416999999
- Type de produit : Riding Products
Chargement...
Schémas d'assemblage
Rechercher une pièce dans des schémas d'assemblage :
-
Manuel de l'utilisateur
-
Catalogue de pièces
-
Garantie produit
GrandStand Air Cleaner Filter Replacement (Réf. 100-4556)
This genuine Toro OEM replacement air filter is your engine's first line of defense against the dirt and debris that is thrown up during mowing. When functioning correctly, the air filter prevents particles from reaching the carburetor and entering the engine, protecting cylinders, pistons, and other internal components from accelerated wear. Refer to your operator manual for recommended replacement intervals and to confirm compatibility with your equipment.
FILTER-AIR, SAFETY (Réf. 103-1326)
GrandStand Turbo Baffle Kit (Réf. 107-1634)
GrandStand Turbo Baffle Kit. To best protect your investment and maintain optimal performance of your equipment, count on Toro genuine parts and accessories.
Hypr-Oil™ 500 (quart) (Réf. 114-4713)
High Performance Hydro Oil
Hypr-Oil™ 500 (gallon) (Réf. 114-4714)
High Performance Hydro Oil
HYPR-OIL 500-5 GALLON (Réf. 114-4715)
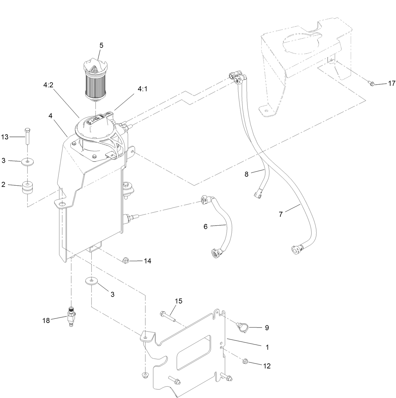
Fuel Filter (Réf. 120-2235)
The fuel filter prevents dust particles and fuel contaminants from entering the engine which could damage the cylinders, pistons and other components that will result in the need of costly repairs. Replacing these filters with a genuine Toro fuel filter prevents problems and ensures longer engine life.
Séparateur de faisceau de câbles GrandStand (Réf. 121-5988)
This genuine Toro OEM wire harness splitter is designed for GrandStand stand-on mowers and allows multiple electrical accessories — such as light kits and other electronic attachments — to be connected simultaneously to a single power source on the mower. This eliminates the need to disconnect one accessory to connect another and simplifies wiring when running multiple electrical accessories at once. Verify your model and serial number before ordering.
Traitement pour carburant – 355 ml (12 oz) (Réf. 131-6572)
Le traitement pour carburant Toro Premium contribue au fonctionnement fiable et propre du moteur et à sa protection. Adapté aux tondeuses à gazon, souffleuses à neige, désherbeurs, souffleurs de feuilles et autres machines à petit moteur. L'utilisation du traitement pour carburant Toro à chaque plein assure la protection des petits moteurs à 2 et 4 temps.
GrandStand Speed Setting Tool (Réf. 132-7595)
GrandStand Speed Setting Tool. When it comes to reliability, Toro delivers replacement parts designed to the exact engineering specifications of our equipment. For peace of mind, insist on Toro genuine parts.
Trash Container Kit (Réf. 133-1435)
Toro genuine rider trash container kit. When it comes to reliability, Toro delivers replacement parts designed to the exact engineering specifications of our equipment. For peace of mind, insist on Toro genuine parts.
Kit d'éclairage GrandStand (Réf. 133-1437)
Rallongez vos horaires de tonte grâce à ce kit d'éclairage à DEL de haute intensité et faible ampérage, d'origine Toro. Ce kit d'éclairage est construit dans un logement en alliage d'aluminium coulé avec des fixations de montage et un faisceau de câblage en acier inoxydable, ainsi qu'un interrupteur à bascule éclairé. Pour assurer une excellente fiabilité, Toro fournit des pièces de rechange conçues en fonction des spécifications techniques exactes de votre machine. Pour votre tranquillité d'esprit, exigez des pièces Toro d'origine.
Kit cales de hauteur de coupe GrandStand (Réf. 133-1439)
Cales de hauteur de coupe Toro d'origine pour tondeuses GrandStand. Pour votre tranquillité d'esprit, exigez des pièces Toro d'origine.
GrandStand Hydraulic Oil Change Kit (Réf. 133-1457)
GrandStand Hydraulic Oil Change Kit contains 2 drain bolts, sealing washer, filter cap, oil cap O ring and filter. When it comes to reliability, Toro delivers replacement parts designed to the exact engineering specifications of our equipment. For peace of mind, insist on Toro genuine parts.
Kit d'éclairage clignotant GrandStand. (Réf. 133-1495)
Kit d'éclairage clignotant à montage latéral Toro OEM pour tondeuses GrandStand. Pour assurer une excellente fiabilité, Toro fournit des pièces de rechange conçues en fonction des spécifications techniques exactes de votre machine. Pour votre tranquillité d'esprit, exigez des pièces Toro d'origine.
Toro Genuine 5-Gallon bucket. (Réf. 133-2533)
Toro genuine 5 Gallon Bucket. When it comes to reliability, Toro delivers replacement parts designed to the exact engineering specifications of our equipment. For peace of mind, insist on Toro genuine parts.
Hydraulic Cap Lock Kit (Réf. 136-5420)
Genuine OEM Part
Kit Support pour seau série GrandStand (Réf. 136-5681)
Kit Support pour seau Toro OEM. Vous fait gagner du temps, de l'argent et vous évite des tracas quand vous êtes assis au poste de conduite, à essayer de finir de tondre. Transportez un seau de 19 litres (5 gallons) pour collecter les déchets, directement sur la tondeuse; ainsi, vous avez un endroit où mettre les déchets ramassés par terre.
72 Inch Recycler Kit (Réf. 139-6659)
Recycler Kit, when installed on compatible 42 in. deck Toro zero turn riding mowers, gives it the capability to mulch grass by cutting it multiple times turning it into fine clipping pieces. Verify your model and serial number to confirm compatibility before ordering.
24.5 Inch Mulching Blade (Réf. 140-1238)
Toro 24.5 Inch OEM mulching blade for Z Master Professional 7500-D Series Riding Mower, with 96in TURBO FORCE Rear Discharge Mower. Toro mulching blades feature more curves and an increased cutting edge. The curved surface and increased cutting edge allows the blade to cut the grass and bring it into the deck where it is cut several more times before falling back onto the lawn in much smaller pieces. . This Toro blade has multiple applications. Be sure to verify model and serial number to ensure the correct part.
24.50 Inch Atomic Blade (Réf. 140-1239)
Toro OEM 24.5 Inch Atomic blade. The Toro Atomic blade is commonly referenced as a “Gator Style” or “Gator Blade”. Provides the best quality of cut while mulching. This Toro blade has multiple applications. Be sure to verify model and serial number to ensure the correct part.
24.50 Inch Medium Flow Blade (Réf. 140-4850)
Toro 24.5 Inch OEM Medium Flow blade. Medium Flow mower straight edge, standard discharge blade. These blades have slight upward angle on the edges. Great blades for use when horsepower is a concern. Produce medium Flow but requires less horsepower than Hi-Flow blades. This Toro blade has multiple applications. Be sure to verify model and serial number to ensure the correct part.
24.50 Inch Low Flow Blade (Réf. 140-4851)
Toro 24.5 Inch OEM Low Flow blade. Low Flow mower blades have slightly curved ends that keep air Flow to a minimum. The lack of suction allows cut grass to exit the mower while keeping dust and debris levels down. Toro Low Flow mower blades cause less engine strain than Hi-Flow blades. This Toro blade has multiple applications. Be sure to verify model and serial number to ensure the correct part.
24.50 Inch Recycler Blade (Réf. 140-4852)
Toro 24.5 Inch OEM Recycler blade. Recycler straight edge, standard discharge blade. The blade is designed for a High quality cut and long-lasting durability. These blades are designed with “wings,” called “accelerators” that kind of act like a fan — forcing the tiny bits of grass back into the earth. This Toro blade has multiple applications. Be sure to verify model and serial number to ensure the correct part.
Hi-Flow Blade Pack (6) (Réf. 140-4872)
Toro 24.5 Inch OEM Hi-Flow blade pack. (6) Hi-Flow blades. This sharp replacement Hi-Flow lawn mower blade provides a crisp, clean cut time after time. You can count on the quality and reliability of this Toro replacement Hi-Flow lawn mower blade. This Toro blade has multiple applications. Be sure to verify model and serial number to ensure the correct part.
Mid Flow 24.5 Inch Blade Pack (6) (Réf. 140-4873)
Toro 24.5 Inch OEM Medium Flow blade pack. (6) Medium Flow blades. Medium Flow mower straight edge, standard discharge blade. These blades have slight upward angle on the edges. Great blades for use when horsepower is a concern. Produce medium Flow but requires less horsepower than Hi-Flow blades. This Toro blade has multiple applications. Be sure to verify model and serial number to ensure the correct part.
Low Flow 24.5 Inch Blade Pack (6) (Réf. 140-4874)
Toro 24.5 Inch OEM Low Flow blade pack. (6) Low Flow blades. Low Flow mower blades have slightly curved ends that keep air Flow to a minimum. The lack of suction allows cut grass to exit the mower while keeping dust and debris levels down. Toro Low Flow mower blades cause less engine strain than Hi-Flow blades. This Toro blade has multiple applications. Be sure to verify model and serial number to ensure the correct part.
Atomic 24.5 Inch Blade Pack (6) (Réf. 140-4875)
Toro OEM Atomic blade pack. (6) 24.5 Inch Atomic blades. Atomic blade is commonly referenced as a “Gator Style” or “Gator Blade”. Provides the best quality of cut while mulching. This Toro blade has multiple applications. Be sure to verify model and serial number to ensure the correct part.
Recycler 24.5 Inch Blade Pack (6) (Réf. 140-4876)
Toro 24.5 Inch OEM Recycler blade pack. (6) Recycler blades. Recycler straight edge, standard discharge blade. The blade is designed for a High quality cut and long-lasting durability. These blades are designed with “wings,” called “accelerators” that kind of act like a fan — forcing the tiny bits of grass back into the earth. This Toro blade has multiple applications. Be sure to verify model and serial number to ensure the correct part.
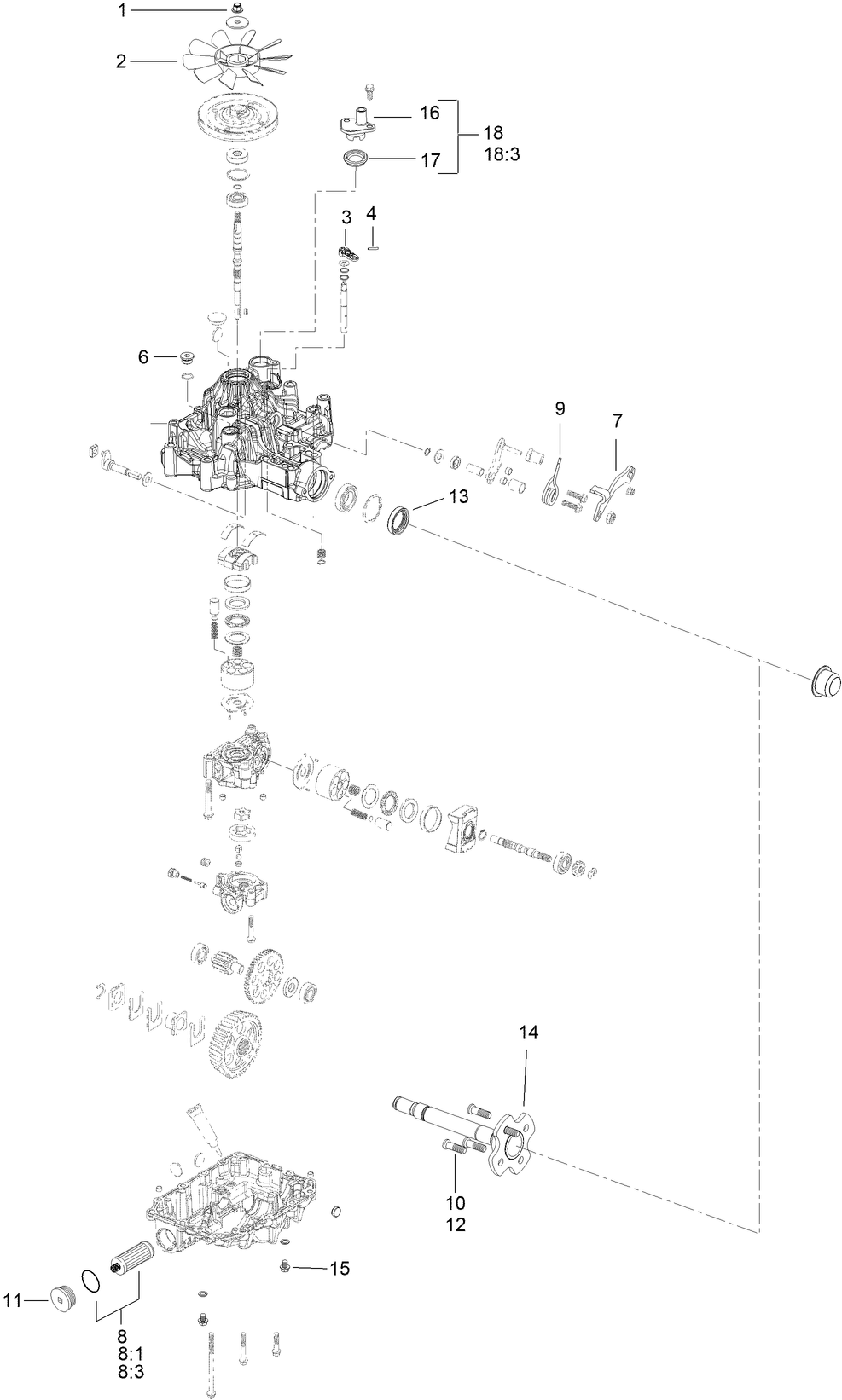
2 TRANSMISSION FILTER KIT (Réf. 144-3842)
SPARK ARRESTOR, 1.5" (Réf. 146-0651)
Huile moteur 4 temps 10W-30 – bouteille de 3,8 litres (1 gallon) (Réf. 38280)
L'huile moteur 10W-30 pour tondeuse à 4 temps Toro 38280 Premium est spécialement formulée pour répondre aux exigences spécifiques des fabricants de moteurs à 4 temps exigeant de l'huile 10W-30. Cette huile moteur pour tondeuse assure une protection ultime pour tous les moteurs à 4 temps d'équipements motorisés d'extérieur. Cette huile moteur pour tondeuse a été développé avec les ingénieurs Toro afin de satisfaire aux normes pour tous les moteurs diesel et refroidis par air ou par liquide. Pour obtenir les meilleures performances possibles de votre tondeuse Toro, nous vous recommandons vivement d'utiliser cette huile moteur pour tondeuse Toro, spécialement formulée pour garantir les meilleurs résultats. L'huile moteur pour tondeuse offre des performances exceptionnelles à toutes les températures, ce qui accroît la durée de vie du moteur de votre tondeuse.
Huile moteur pour tondeuse à gazon 4 temps SAE 30, 950 ml (32 oz) (Réf. 38903)
Avant que vous puissiez l'utiliser pour faire le plein de votre tondeuse, l'huile pour moteurs 4 temps Toro SAE 30 a subi des milliers d'heures de tests sur des centaines de moteurs afin de satisfaire aux exigences les plus strictes. Cette huile est conforme ou supérieure aux exigences de performance de tous les moteurs OEM (Toro, Briggs & Stratton, KOHLER, Honda et Tecumseh). L'utilisation de l'huile pour tondeuses 4 temps Toro SAE 30 minimise le cisaillement moléculaire pour une plus grande longévité dans les applications chaudes à refroidissement par air, par rapport aux produits multi-grades (par ex. 10W-30).
-
Numéro de modèle
72517 -
Numéro de série
414500000 - 416999999 -
Nom du produit
GrandStand® HDX de 183 cm (72 po), 27,6 kW (37 cv), 993 cm³ EFI avec Oil Guard -
Marque du produit
Toro -
Type de produit
Riding Products -
Série de produit
Professional Grade Stand-on Mowers -
Type de Châssis
Stand On -
Largeur de travail
72 inch / 183 cm -
Éjection
Side -
Fabricant du moteur
Briggs & Stratton -
Taille de moteur
37 hp -
Type de moteur
4 Cycle AC EFI -
Démarreur
Electric -
Type de transmission
Hydrostatic -
Type de Traction
Rear WD
-
Engine: Battery
12V 300CCA -
Engine: Engine Speed
3600±100 RPM -
Engine: Spark Plug
Champion RC12YC -
Engine: Spark Plug Gap
.030"/ .76mm -
Engine: Ignition Coil Air Gap
.008-.016" / .2-.4mm -
Drive System: Ground Speed
0-10 mph / 0-16kph -
Chassis: Height of Cut Range
1.5" - 5.5" (38-140mm) -
Chassis: Tire Pressure
12-14psi (83-97kPa) -
Drive System: Gearbox Lubricant
HYPR-OIL 500 4.7 L (159 fl. oz.) -
Engine: Engine Oil Type
5 U.S. Qt (4.7L) CJ-4 or higher 15W-40






















