6000 Series 72 in. (183 cm) 37 hp 993 cc ETC
Informations produit
- Numéro de modèle : 72983
- Numéro de série : 418154738 - 419999999
- Type de produit : Riding Products
Chargement...
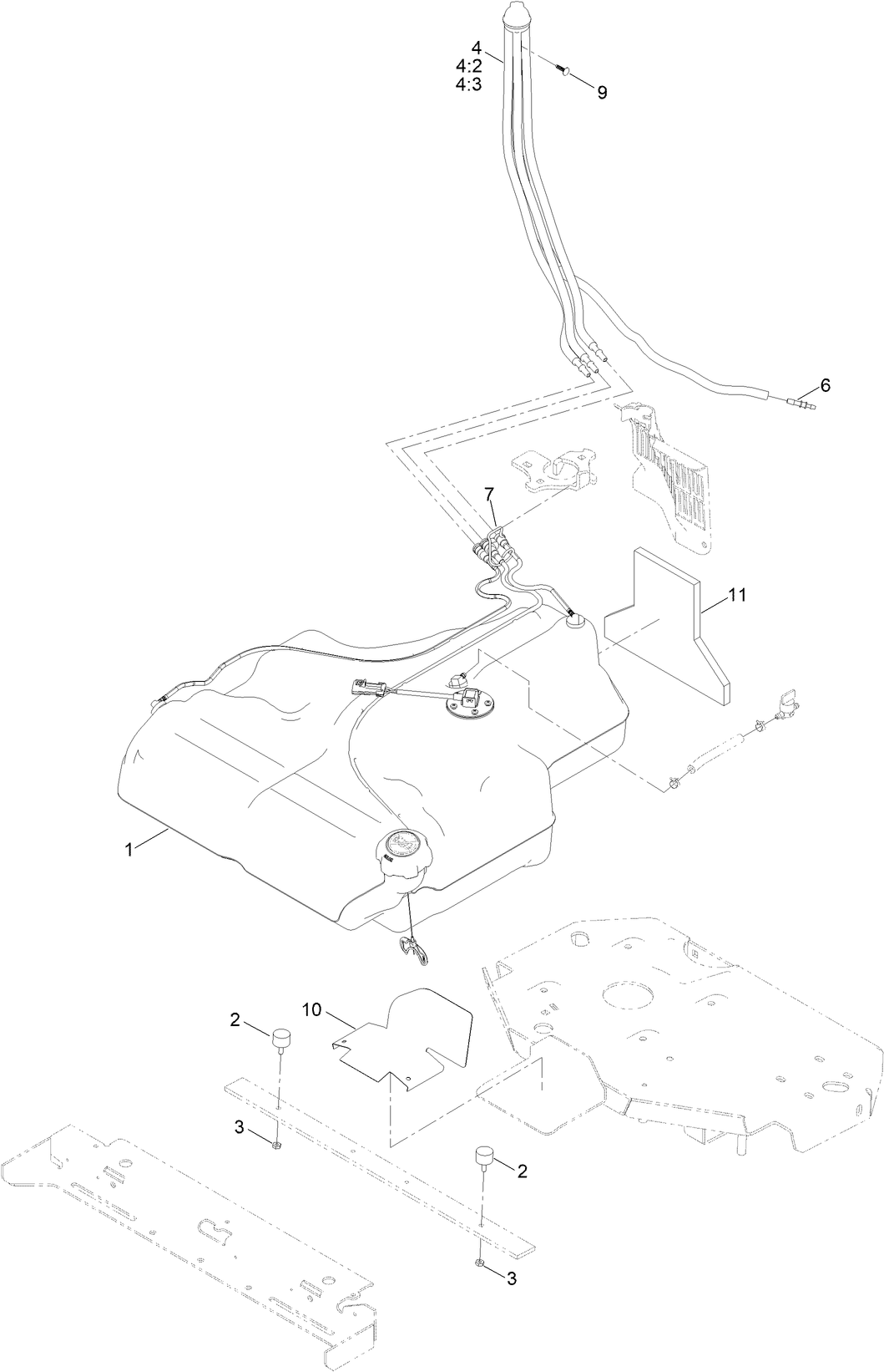
Schémas d'assemblage
Rechercher une pièce dans des schémas d'assemblage :
-
Manuel d'entretien
-
Manuel de l'utilisateur
-
Catalogue de pièces
-
Garantie produit
-
Instructions d'installation
-
Guide du logiciel
GrandStand Turbo Baffle Kit (Réf. 107-1634)
GrandStand Turbo Baffle Kit. To best protect your investment and maintain optimal performance of your equipment, count on Toro genuine parts and accessories.
Hitch Kit (Réf. 109-9487)
Hypr-Oil™ 500 (quart) (Réf. 114-4713)
High Performance Hydro Oil
Hypr-Oil™ 500 (gallon) (Réf. 114-4714)
High Performance Hydro Oil
HYPR-OIL 500-5 GALLON (Réf. 114-4715)
BIMINI FOLDING SHADE ASM (Réf. 115-4510)
Roller Striping Kit (Réf. 115-7480)
Toro OEM A mower striping kit. The ultimate way to enhance the striping ability of your Z-Master. When it comes to reliability, Toro delivers replacement parts designed to the exact engineering specifications of our equipment. For peace of mind, insist on Toro genuine parts.
KIT,FRPS LIGHT (Réf. 116-1154)
Seat Cover w/Arm Rest (Réf. 117-0095)
Toro OEM Seat Cover W/Arm Rest will fit Z Masters. Make your old seat look like new! Plus, the extra padding offers a more comfortable ride.
Operator-Controlled Discharge Chute Kit (Réf. 117-3600)
Toro operator controlled discharge kit. When it comes to reliability, Toro delivers replacement parts designed to the exact engineering specifications of our equipment. For peace of mind, insist on Toro genuine parts.
Suspension Seat and Mount Kit (Réf. 121-7596)
Toro suspension seat increases operator comfort and boosts productivity in ways you’ve never imagined. Mow longer without stopping and cut around even the most intricate landscaping at faster speeds with better results. When it comes to reliability, Toro delivers replacement parts designed to the exact engineering specifications of our equipment. For peace of mind, insist on Toro genuine parts.
KIT-ROPS LOCK TORO (Réf. 126-4064)
Jack Kit With Adapter, Zero-Turn-Radius Side-Discharge or Rear-Dischar (Réf. 126-7282)
Jack Kit Adapter, Zero-Turn-Radius Side-Discharge or Rear-Discharge Ri (Réf. 126-7283)
Riding Mower Jack Kit (Réf. 127-6666)
Genuine Toro jack mount kit. Mounts to the front of the mower and allows the owner to raise the mower to gain access to the underside of the deck to check blades or wash the deck. To best protect your investment and maintain optimal performance of your turf equipment, count on Toro genuine parts. When it comes to reliability, Toro delivers replacement parts designed to the exact engineering specifications of our equipment. For peace of mind, insist on Toro genuine parts.
Power Deck Lift Kit (Réf. 132-5986)
Easily Raise and Lower your Z-Master cutting deck with the push of a button using this Toro power lift kit. Toro operator controlled discharge kit. When it comes to reliability, Toro delivers replacement parts designed to the exact engineering specifications of our equipment. For peace of mind, insist on Toro genuine parts.
Worklight Kit (Réf. 135-7320)
Titan HD Series Bucket Mount Kit (Réf. 137-9216)
Toro OEM bucket mount kit. Saves you time, money, and hassle when you’re in the seat trying to get the day's cutting done. Carry a five gallon bucket for trash collection right on the mower so you always have a place to put the trash that's found on the ground.
Trimmer Mount Kit (Réf. 137-9769)
Toro OEM trimmer mount kit. Keep your trimmer securely mounted on your riding mower. When it comes to reliability, Toro delivers replacement parts designed to the exact engineering specifications of our equipment. For peace of mind, insist on Toro genuine parts.
72 Inch Recycler Kit (Réf. 139-6659)
The 72 in. Recycler Kit, when installed on compatible 42 in. deck Toro zero turn riding mowers, gives it the capability to mulch grass by cutting it multiple times turning it into fine clipping pieces. These are returned under the mower back into the soil to serve as natural fertilizer. When it comes to reliability, Toro delivers replacement parts designed to the exact engineering specifications of our equipment. For peace of mind, insist on Toro genuine parts.
Pneus radiaux sans air pour gazon MICHELIN® X® TWEEL® (46 cm/24 po) (Réf. 139-7891)
The MICHELIN® X® TWEEL® Turf Airless Radial Tires are the next “revolution” in commercial mowing has arrived. The MICHELIN X TWEEL Turf Airless Radial Tire has all the qualities you would want in a pneumatic tire but it never needs air. No more flats, downtime, patch kits or replacement tires. And in the area of wear and tear, this “tire” has a wear life that is three times that of a pneumatic.
24.5 Inch Mulching Blade (Réf. 140-1238)
Toro 24.5 Inch OEM mulching blade for Z Master Professional 7500-D Series Riding Mower, with 96in TURBO FORCE Rear Discharge Mower. Toro mulching blades feature more curves and an increased cutting edge. The curved surface and increased cutting edge allows the blade to cut the grass and bring it into the deck where it is cut several more times before falling back onto the lawn in much smaller pieces. . This Toro blade has multiple applications. Be sure to verify model and serial number to ensure the correct part.
24.50 Inch Atomic Blade (Réf. 140-1239)
Toro OEM 24.5 Inch Atomic blade. The Toro Atomic blade is commonly referenced as a “Gator Style” or “Gator Blade”. Provides the best quality of cut while mulching. This Toro blade has multiple applications. Be sure to verify model and serial number to ensure the correct part.
24.50 Inch Medium Flow Blade (Réf. 140-4850)
Toro 24.5 Inch OEM Medium Flow blade. Medium Flow mower straight edge, standard discharge blade. These blades have slight upward angle on the edges. Great blades for use when horsepower is a concern. Produce medium Flow but requires less horsepower than Hi-Flow blades. This Toro blade has multiple applications. Be sure to verify model and serial number to ensure the correct part.
24.50 Inch Low Flow Blade (Réf. 140-4851)
Toro 24.5 Inch OEM Low Flow blade. Low Flow mower blades have slightly curved ends that keep air Flow to a minimum. The lack of suction allows cut grass to exit the mower while keeping dust and debris levels down. Toro Low Flow mower blades cause less engine strain than Hi-Flow blades. This Toro blade has multiple applications. Be sure to verify model and serial number to ensure the correct part.
24.50 Inch Recycler Blade (Réf. 140-4852)
Toro 24.5 Inch OEM Recycler blade. Recycler straight edge, standard discharge blade. The blade is designed for a High quality cut and long-lasting durability. These blades are designed with “wings,” called “accelerators” that kind of act like a fan — forcing the tiny bits of grass back into the earth. This Toro blade has multiple applications. Be sure to verify model and serial number to ensure the correct part.
Hi-Flow Blade Pack (6) (Réf. 140-4872)
Toro 24.5 Inch OEM Hi-Flow blade pack. (6) Hi-Flow blades. This sharp replacement Hi-Flow lawn mower blade provides a crisp, clean cut time after time. You can count on the quality and reliability of this Toro replacement Hi-Flow lawn mower blade. This Toro blade has multiple applications. Be sure to verify model and serial number to ensure the correct part.
Mid Flow 24.5 Inch Blade Pack (6) (Réf. 140-4873)
Toro 24.5 Inch OEM Medium Flow blade pack. (6) Medium Flow blades. Medium Flow mower straight edge, standard discharge blade. These blades have slight upward angle on the edges. Great blades for use when horsepower is a concern. Produce medium Flow but requires less horsepower than Hi-Flow blades. This Toro blade has multiple applications. Be sure to verify model and serial number to ensure the correct part.
Low Flow 24.5 Inch Blade Pack (6) (Réf. 140-4874)
Toro 24.5 Inch OEM Low Flow blade pack. (6) Low Flow blades. Low Flow mower blades have slightly curved ends that keep air Flow to a minimum. The lack of suction allows cut grass to exit the mower while keeping dust and debris levels down. Toro Low Flow mower blades cause less engine strain than Hi-Flow blades. This Toro blade has multiple applications. Be sure to verify model and serial number to ensure the correct part.
Atomic 24.5 Inch Blade Pack (6) (Réf. 140-4875)
Toro OEM Atomic blade pack. (6) 24.5 Inch Atomic blades. Atomic blade is commonly referenced as a “Gator Style” or “Gator Blade”. Provides the best quality of cut while mulching. This Toro blade has multiple applications. Be sure to verify model and serial number to ensure the correct part.
Recycler 24.5 Inch Blade Pack (6) (Réf. 140-4876)
Toro 24.5 Inch OEM Recycler blade pack. (6) Recycler blades. Recycler straight edge, standard discharge blade. The blade is designed for a High quality cut and long-lasting durability. These blades are designed with “wings,” called “accelerators” that kind of act like a fan — forcing the tiny bits of grass back into the earth. This Toro blade has multiple applications. Be sure to verify model and serial number to ensure the correct part.
Riding Mower Toe board Weights (Réf. 140-4958)
Toro genuine riding mower weight kit. Provides added stability on uneven terrain or when using rear mounted bagging attachments. When it comes to reliability, Toro delivers replacement parts designed to the exact engineering specifications of our equipment. For peace of mind, insist on Toro genuine parts.
Slope Sensor-Lazer/Z-Master 3000/5000/6000 (Réf. 142-4910)
SCREEN-SPARK ARRESTOR (Réf. 142-7683)
Jack Mount Kit (Réf. 146-0696)
BLADE-24.50 HIGH FLOW (Réf. 147-6253)
6 PACK-BLADE, 24.50 HIGH FLOW (Réf. 147-6257)
MICHELIN® X® TWEEL® Turf Airless Caster Wheels (13") (Réf. 147-6295)
The MICHELIN® X® TWEEL® Turf Caster Wheel is the next “revolution” in commercial mowing. The MICHELIN X TWEEL Turf Caster Wheel has all the qualities you would want in a pneumatic tire but it never needs air. No more flats, downtime, patch kits or replacement tires. And in the area of wear and tear, this “tire” has a wear life that is three times that of a pneumatic.
TORO RIDER OVER SEAT BAG (Réf. 490-7317)
Housse de luxe Toro Titan (Réf. 490-7319)
La housse de luxe pour autoportée Toro OEM protège votre tondeuse autoportée Titan contre les éléments lorsqu'elle n'est pas utilisée. La housse est faite pour résister à l'usure et aux déchirures et possède un cordon élastique pour maintenir la housse en place. Idéale pour les équipements qui restent à l'extérieur ou pour le remisage saisonnier. Pour assurer une excellente fiabilité, Toro fournit des pièces de rechange conçues en fonction des spécifications techniques exactes de votre machine. Pour votre tranquillité d'esprit, exigez des pièces Toro d'origine.
Toro Rider Arm Rest Bag (Réf. 490-7320)
Toro genuine rider arm rest bag. When it comes to reliability, Toro delivers replacement parts designed to the exact engineering specifications of our equipment. For peace of mind, insist on Toro genuine parts.
Blower and Drive Kit, 72in E-Z Vac for Z Master G3 Mower (Réf. 78554)
72in E-Z Vac Triple Bagging System (Réf. 78555)
72in E-Z Vac DFS Collection System (Réf. 78556)
Toro Filter Gauge for Kohler Engines (Réf. 99-4664)
Toro genuine filter gauge. This Toro filter gauge shows when filters are nearing restriction limits, graduated indicators help you maximize filter life and effectively schedule service intervals. Toro would like to remind you that fitment can vary by sub model, serial number, and/or production date of your equipment. Please refer to the original owners manual in order to verify this is correct part for your machine.
KIT, TRASH HOLDER (Réf. TC26)
-
Numéro de modèle
72983 -
Numéro de série
418154738 - 419999999 -
Nom du produit
6000 Series 72 in. (183 cm) 37 hp 993 cc ETC -
Marque du produit
Toro -
Type de produit
Riding Products -
Série de produit
Zero Radius Turn, Professional 6000 Series -
Type de Châssis
ZRT - LCE -
Largeur de travail
72 inch / 183 cm -
Éjection
Side Discharge -
Fabricant du moteur
Briggs & Stratton -
Taille de moteur
37 hp -
Type de moteur
4 Cycle -
Démarreur
Electric -
Type de transmission
Hydrostatic -
Type de Traction
Rear WD
-
Engine: Battery
12V 300CCA -
Engine: Engine Speed
3800±100 RPM -
Engine: Spark Plug
Champion RC12YC -
Engine: Spark Plug Gap
.030"/ .76mm -
Chassis: Tire Pressure
13 psi / 90 kPa -
Engine: Ignition Coil Air Gap
.008-.016" / .2-.4mm -
Chassis: Height of Cut Range
1" - 5.5" (25-140mm) -
Drive System: Gearbox Lubricant
HYPR-OIL 500 / 15w-50 Synthetic Motor Oil -
Drive System: Ground Speed
Fwd. 0 - 12 mph



























