Trans Pro 100 Tow-Behind Trailer
제품 정보
- 모델 번호: 04240
- 일련번호: 310000001 - 310999999
- 제품 유형: Attachments
로드 중...
-
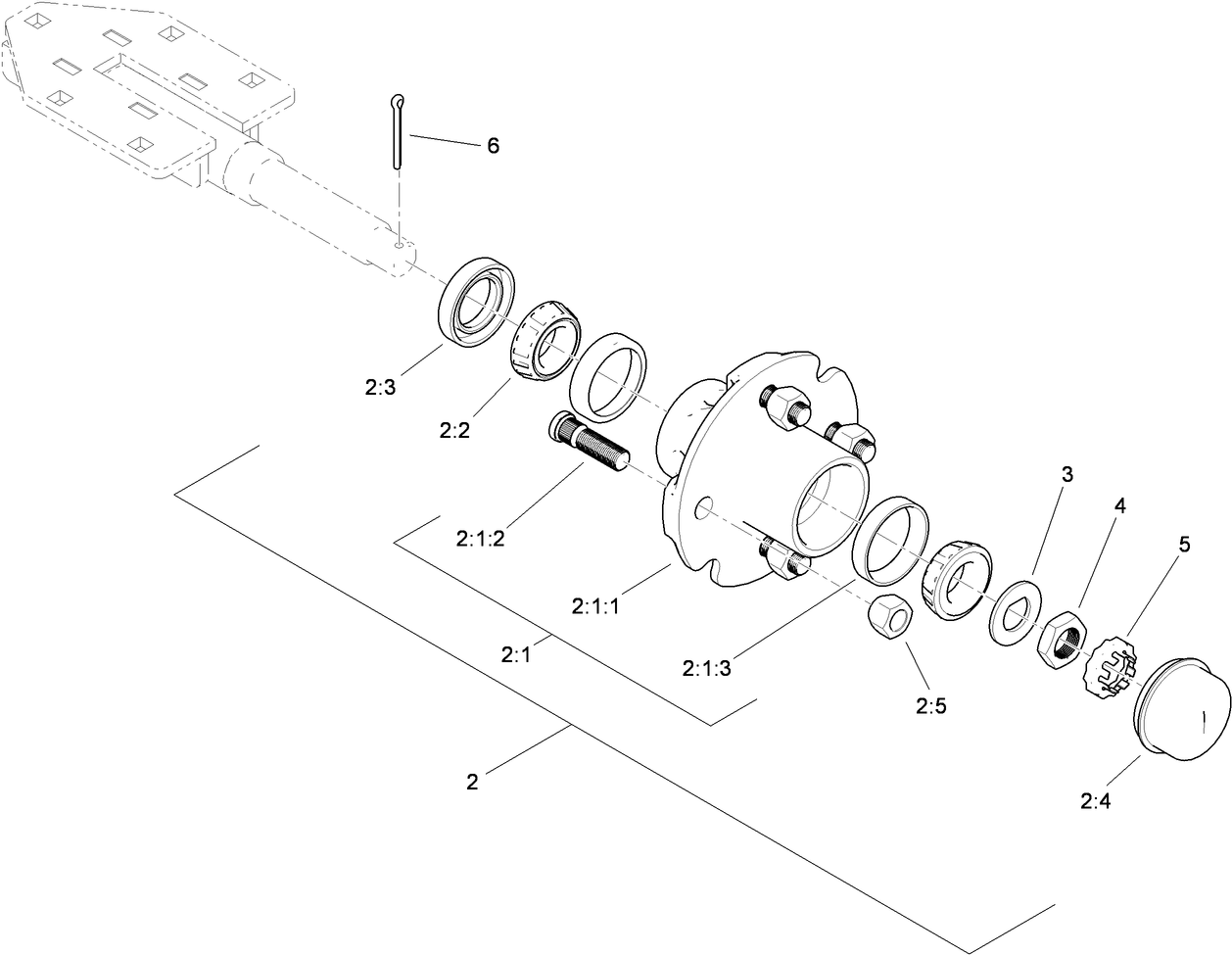
부품 카탈로그
-
설치 지침
-
정비 회보
Rail Ramp Conversion Kit, Trans Pro 100 Tow-Behind Trailer (부품 번호 04246)
Rail Ramp Conversion Kit, Trans Pro 100 Tow-Behind Trailer (부품 번호 04248)
18in Rail Conversion Kit, Trans Pro 100 (부품 번호 110-7345)
18in Transport Conversion Kit, Trans Pro 100 (부품 번호 110-7355)
Rod Replacement Kit (부품 번호 139-2683)
Rod Replacement Kit, Greensmaster 1018 Series Traction Unit with Trans (부품 번호 139-6470)
-
모델 번호
04240 -
일련번호
310000001 - 310999999 -
제품명
Trans Pro 100 Tow-Behind Trailer -
제품 브랜드
Toro -
제품 유형
Attachments -
제품 시리즈
GR 105 (21") Series Accessories




