Sand Pro/Infield Pro 3040 Traction Unit
Productinformatie
- Modelnr.: 08703
- Serienr.: 260000201 - 260000400
- Producttype: Riding Products
Laden...
Montagetekeningen
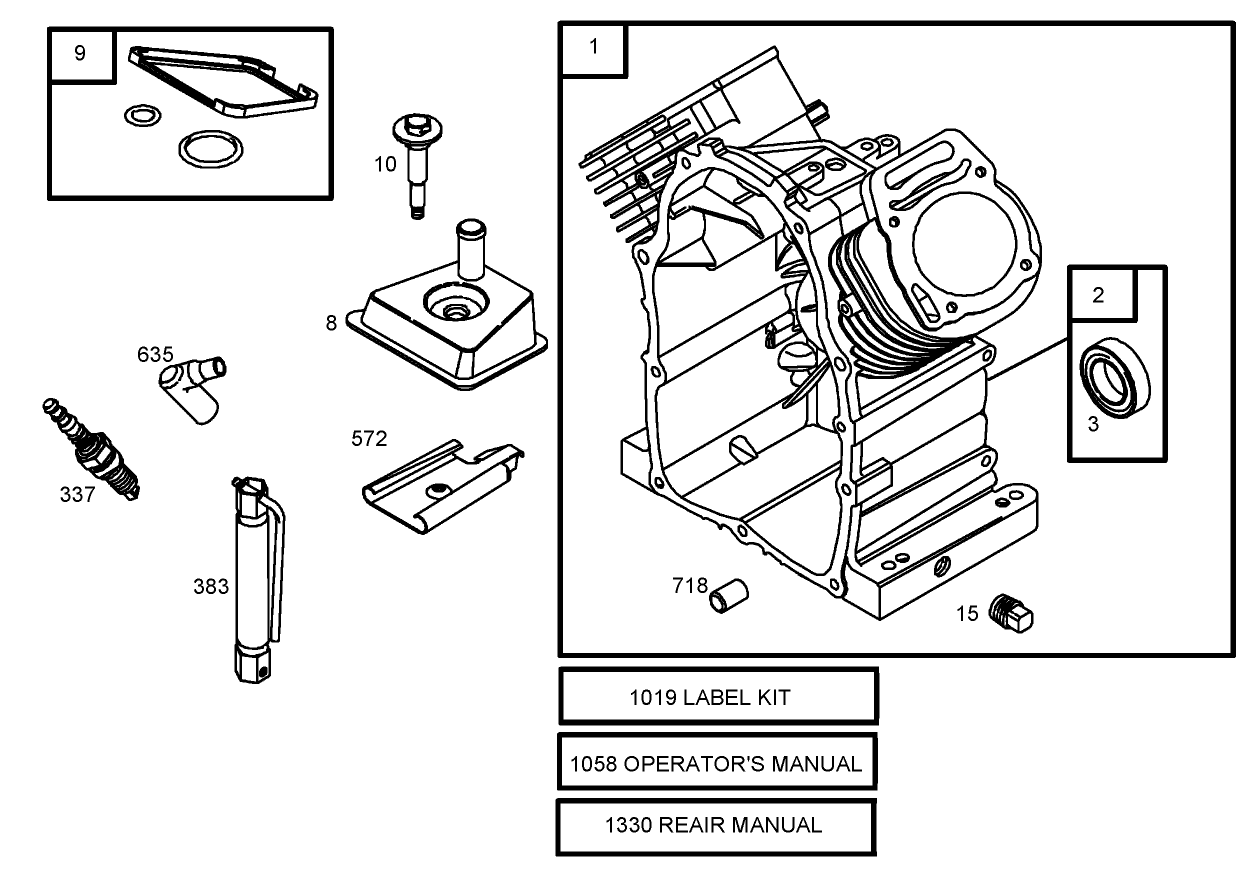
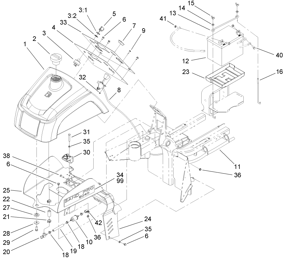
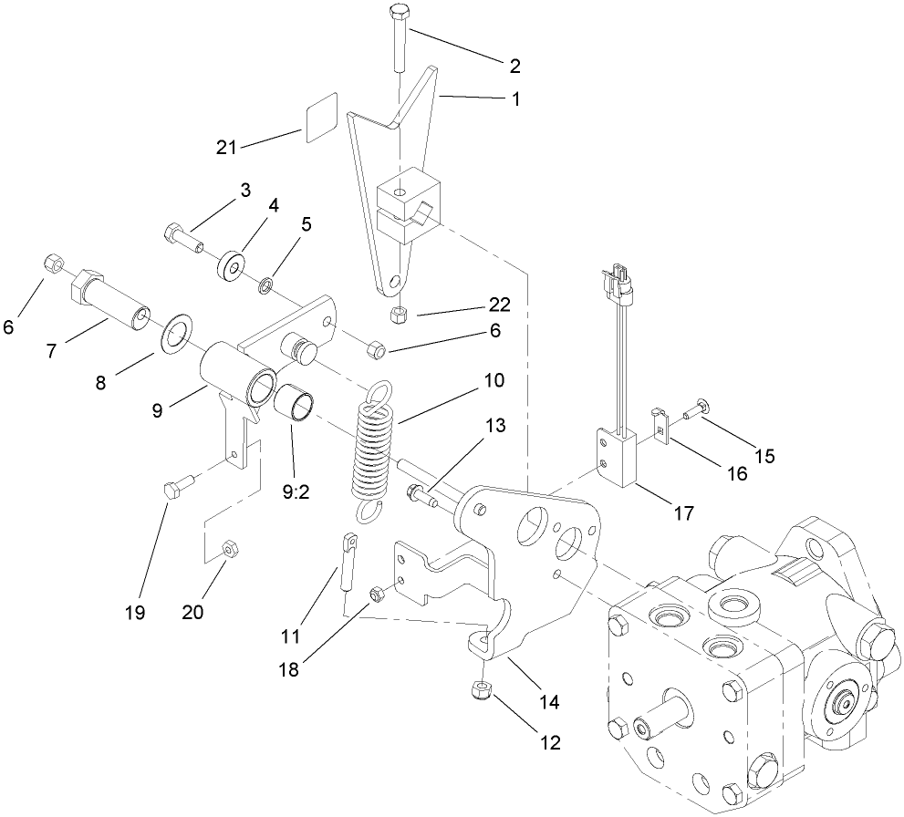
Zoek een onderdeel in de montagetekeningen:
-
Onderhoudshandleiding
-
Gebruikershandleiding
-
Onderdelencatalogus
-
EU-conformiteitsverklaring
-
Instelinstructies
-
Onderhoudsbulletin
SCREEN- SPARK ARRESTOR (Onderdeelnr 104-6540)
PLUG-PLASTIC (YELLOW) (Onderdeelnr 107-1576)
Red Gasoline Cap (Onderdeelnr 107-2173)
SP MVP MAINTENACE KIT (Onderdeelnr 110-8117)
ASSEMBLY - WHEEL/TIRE (Onderdeelnr 94-6126)
-
Modelnr.
08703 -
Serienr.
260000201 - 260000400 -
Productnaam
Sand Pro/Infield Pro 3040 Traction Unit -
Productmerk
Toro -
Producttype
Riding Products -
Productserie
Sand Pro Series

































