Reelmaster 5510-D Traction Unit
Produktinformation
- Modellnr: 03607
- Serienr: 400000000 - 401334000
- Produkttyp: Riding Products
Laddar ...
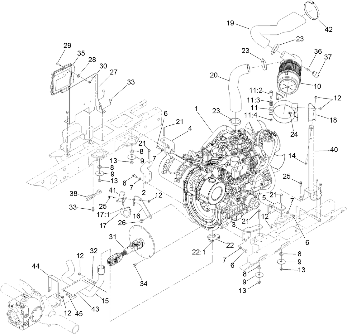
Monteringsritningar
Sök efter en artikel inom ritningar för montering:
-
Serviceanvisning
-
Bruksanvisning
-
Reservdelskatalog
-
EU-deklaration om överensstämmelse
-
Schematisk ritning – elektrisk
-
Schematisk ritning – hydraulisk
-
Servicebulletin
CrossTrax All-Wheel Drive Kit, 2015 and After Reelmaster 5010 Series T (Artikelnr 03655)
Air Ride Seat Suspension Kit, Reelmaster 5010 Series Traction Unit (Artikelnr 03667)
Verticutter, Reelmaster 5510/5610 Series Cutting Unit with 7in Reel (Artikelnr 03684)
8-Blade DPA Cutting Unit with 7in Reel, Reelmaster 5510/5610 Series Traction Unit (Artikelnr 03696)
11-Blade DPA Cutting Unit with 7in Reel, Reelmaster 5510/5610 Series Traction Unit (Artikelnr 03697)
Turf Evaluator (Artikelnr 04399)
Wheel Weight Kit, Reelmaster 5500/6000 Series Traction Units (Artikelnr 104-1478)
PREMIUM ALL SEASON HYDRAULIC FLUID 55 GAL (Artikelnr 108-1177)
PREMIUM ALL SEASON HYDRAULIC FLUID 5 GAL (Artikelnr 108-1178)
PREMIUM ALL PURPOSE GREASE (Artikelnr 108-1190)
Gauge Bar Assembly (Artikelnr 108-6715)
ROPS EXTENSION KIT (Artikelnr 110-8030)
Operator Fan Kit - US Sales Only, 3-Inch ROPS Post (Artikelnr 110-8804)
Weight Plate (Artikelnr 110-8985-03)
Basket Cylinder Stop Kit, Reelmaster 5010 Series Cutting Units (Artikelnr 110-9604)
ELEMENT-SAFETY, 5 INCH (Artikelnr 114-4057)
Premium Synthetic Bio-Degradable Hydraulic Fluid (5 Gal) (Artikelnr 119-2157)
PREMIUM SYNTHETIC BIO HYD FLUID (55 GAL) (Artikelnr 119-2158)
Cutting Unit Hydraulic Hose Kit (Artikelnr 119-6955)
Large Seat Cover (Artikelnr 120-5179)
PREMIUM ENGINE OIL 10W30 (55 GAL) (Artikelnr 121-6392)
PREMIUM ENGINE OIL 10W30 (5 GAL) (Artikelnr 121-6393)
Canopy Completion Kit, Groundsmaster 4300-D or Reelmaster 5410/5510/56 (Artikelnr 130-5895)
Brush and Handle Kit (Artikelnr 29-9100)
MVP Filter Kit, Reelmaster 5410-D/5510-D or Groundsmaster 4300-D Serie (Artikelnr 30093)
Universal Sunshade, Groundsmaster and Reelmaster Traction Units (Artikelnr 30349)
Red Universal Sunshade, Groundsmaster and Reelmaster Traction Units (Artikelnr 30552)
Spark Arrestor (Meets USDA Forest Service Standard 5100-1A) (Artikelnr 98-9099)
-
Modellnummer
03607 -
Serienr
400000000 - 401334000 -
Produktnamn
Reelmaster 5510-D Traction Unit -
Produktmärke
Toro -
Produkttyp
Riding Products
































































