Reelmaster 5510 Traction Unit
Produktinformationen
- Modellnr.: 03676
- Seriennr.: 403410001 - 404850000
- Produkttyp: Riding Products
Wird geladen…
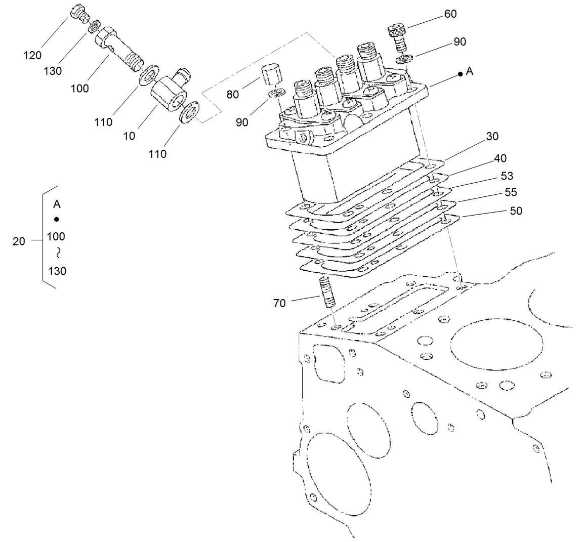
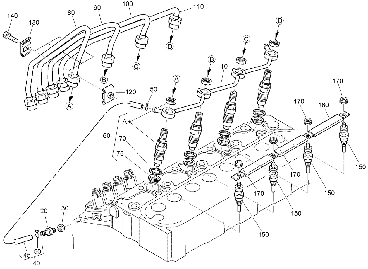
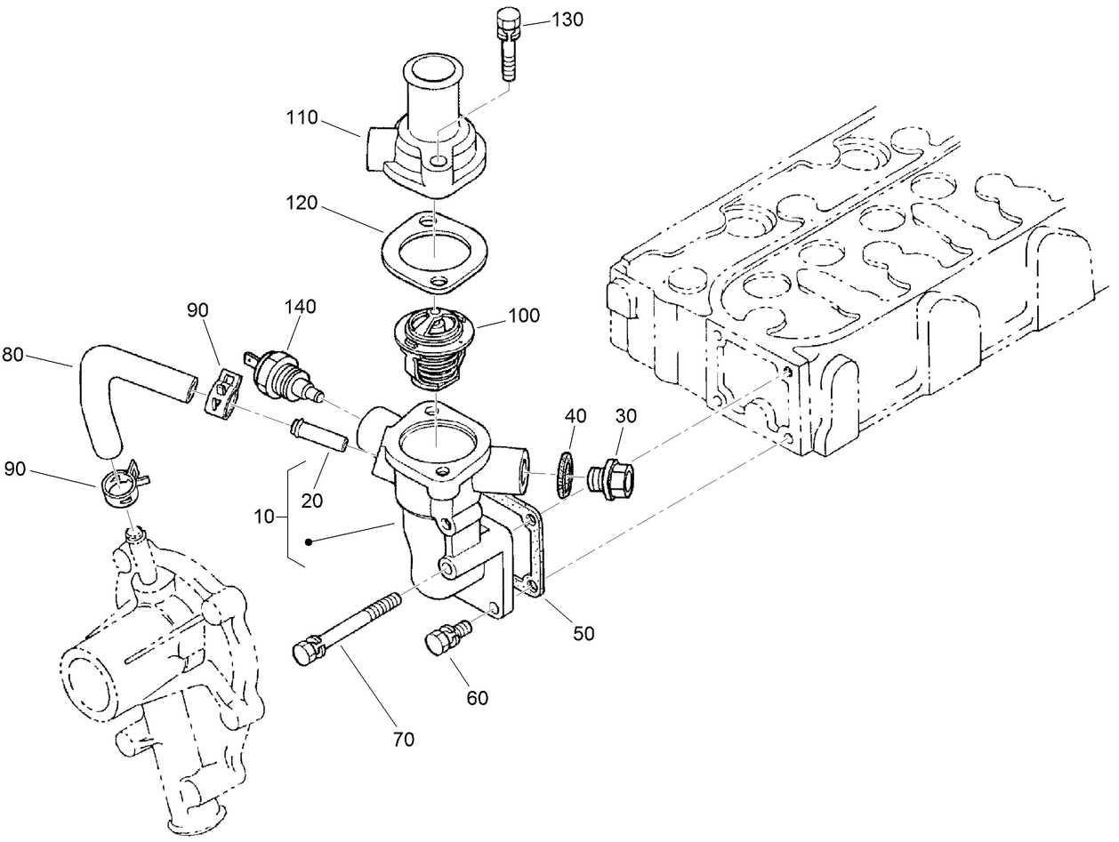
Montagezeichnungen
Ein Teil in Bauteilzeichnungen suchen:
-
Wartungsanleitung
-
Bedienungsanleitung
-
Ersatzteilkatalog
-
EU-Konformitätserklärung
-
Elektrisches Schaltbild
-
Hydraulisches Schaltbild
-
Service-Information
2 Post ROPS Extension Kit, Groundsmaster 4300 and Reelmaster 5010 Seri (Bestellnummer 03611)
CrossTrax All-Wheel Drive Kit, 2015 and After Reelmaster 5010 Series T (Bestellnummer 03655)
Air Ride Seat Suspension Kit, Reelmaster 5010 Series Traction Unit (Bestellnummer 03667)
Turf Evaluator (Bestellnummer 04399)
Wheel Weight Kit, Reelmaster 5500/6000 Series Traction Units (Bestellnummer 104-1478)
PREMIUM ALL PURPOSE GREASE (Bestellnummer 108-1190)
Weight Plate (Bestellnummer 110-8985-03)
Basket Cylinder Stop Kit, Reelmaster 5010 Series Cutting Units (Bestellnummer 110-9604)
ELEMENT-SAFETY, 5 INCH (Bestellnummer 114-4057)
Premium Synthetic Bio-Degradable Hydraulic Fluid (5 Gal) (Bestellnummer 119-2157)
PREMIUM SYNTHETIC BIO HYD FLUID (55 GAL) (Bestellnummer 119-2158)
Cutting Unit Hydraulic Hose Kit (Bestellnummer 119-6955)
PREMIUM ENGINE OIL 10W30 (55 GAL) (Bestellnummer 121-6392)
PREMIUM ENGINE OIL 10W30 (5 GAL) (Bestellnummer 121-6393)
TIRE (Bestellnummer 127-2796)
Large Seat Cover (Bestellnummer 131-6691)
TIRE (Bestellnummer 133-2940)
PX HYD FLUID (5 GAL) (Bestellnummer 133-8086)
PX HYD FLUID (55 GAL) (Bestellnummer 133-8087)
PIN & LANYARD ASM (Bestellnummer 136-8045)
Brush and Handle Kit (Bestellnummer 29-9100)
EU Light Kit, Groundsmaster 4300-D or Reelmaster 5010-H Traction Unit (Bestellnummer 31579)
MVP KIT 1000 HOUR - RM5XXX NON -TIER (Bestellnummer 44959)
Spark Arrestor (Meets USDA Forest Service Standard 5100-1A) (Bestellnummer 98-9099)
-
Modellnr.
03676 -
Seriennr.
403410001 - 404850000 -
Produktname
Reelmaster 5510 Traction Unit -
Produktmarke
Toro -
Produkttyp
Riding Products








































































