Tondeuse à conducteur marchant professionnelle TurfMaster™ de 76 cm
Informations produit
- Nº de modèle : 22207
- N° de série : 420000000 - 999999999
- Type de produit : Walk Behind Mowers
Chargement...
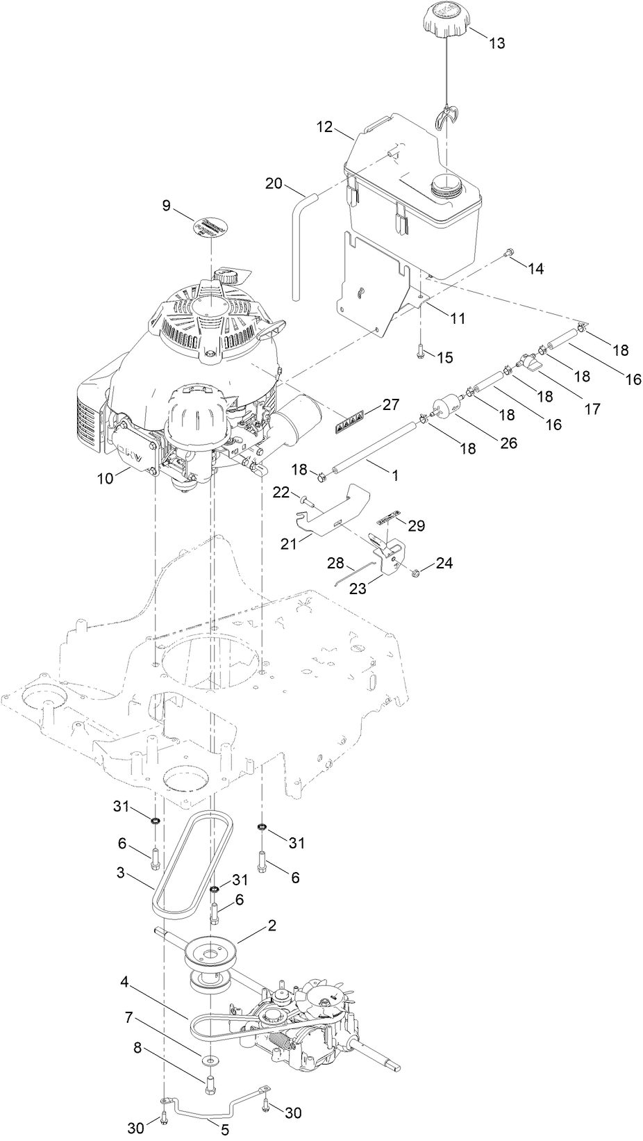
Schémas d’assemblage
Rechercher une pièce dans des schémas d'assemblage :
-
Manuel de l'utilisateur
-
Catalogue de pièces haute
-
Garantie produit
-
Déclaration de conformité UE / RU
BLADE (N° de référence 120-9500-03)
Mulching Kit, 30in TurfMaster Walk-Behind Lawn Mower (N° de référence 125-5064)
Idler Pulley Kit (N° de référence 126-7890)
-
Nº de modèle
22207 -
N° de série
420000000 - 999999999 -
Nom du produit
Tondeuse à conducteur marchant professionnelle TurfMaster™ de 76 cm -
Marque du produit
Toro -
Type de produit
Walk Behind Mowers -
Série de produit
30" (76 cm) Steel Deck -
Type de châssis
Walk Behind -
Largeur de travail
76cm -
Éjection
Recycler & Side and Rear Discharge & Rear Bag -
Fabricant du moteur
Kawasaki -
Type de moteur
4 Cycle -
Démarreur
Recoil -
Type de traction
Rear WD







