Titan® ZS4200T zero-Turn zitmaaier van 107 cm, 74677
Productinformatie
- Modelnr.: 74677
- Serienr.: 420448111 - 999999999
- Producttype: Riding Products
Laden...
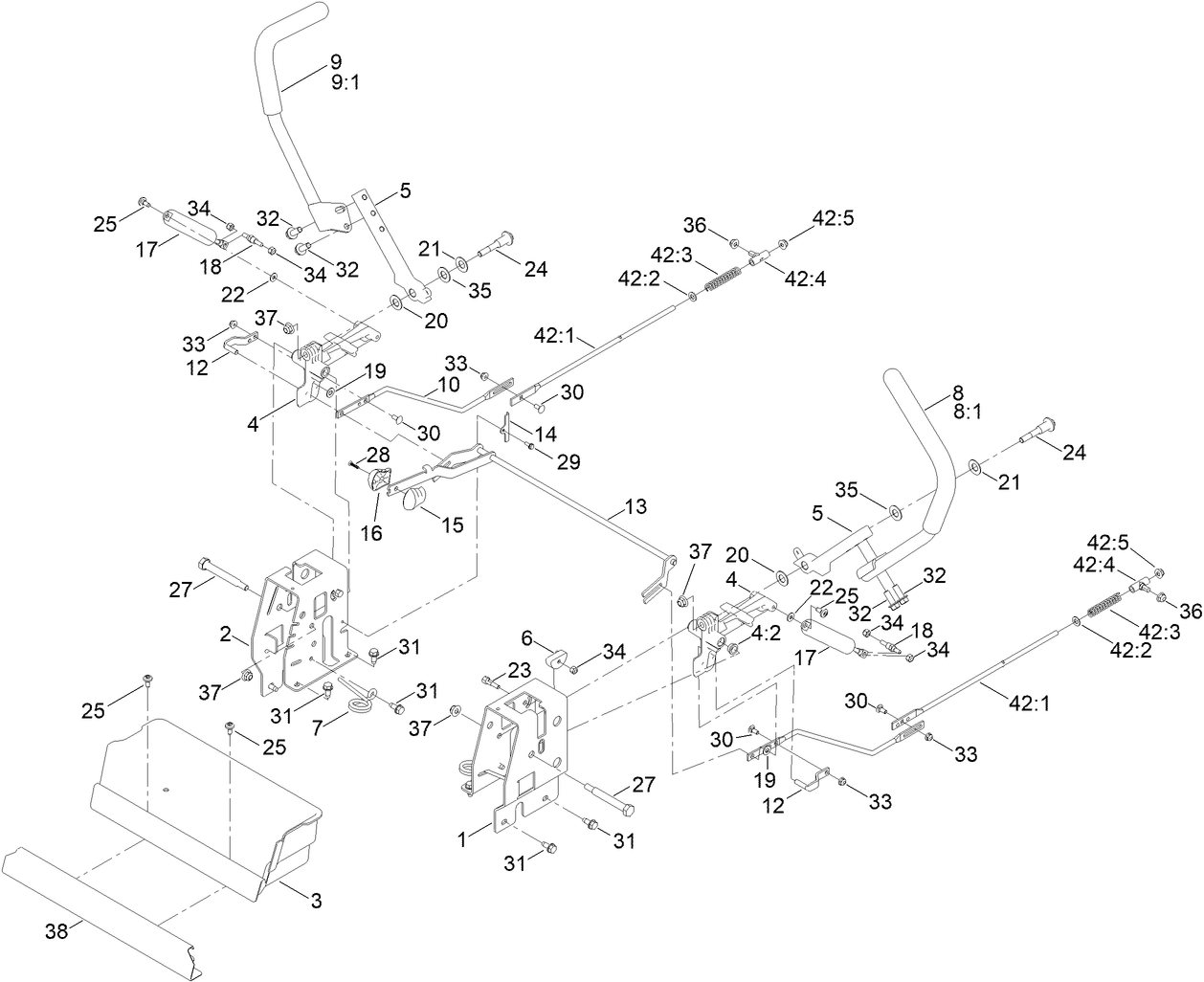
Montagetekeningen
Zoek een onderdeel in de montagetekeningen:
-
Gebruikershandleiding
-
Onderdelencatalogus
-
Prodictgarantie
-
EU-conformiteitsverklaring
-
Instelinstructies
SEAT COVER W/O ARM REST - TC 18IN (Onderdeelnr 117-0096)
Jack Kit, Zero-Turn-Radius Side-Discharge or Rear-Discharge Riding Mow (Onderdeelnr 127-6666)
Fuel Stabilizer .05 oz (Onderdeelnr 130-2393)
4-CYCLE FUEL, SNOW AND LAWN, 32OZ CAN (Onderdeelnr 131-3823)
Toro Premium Fuel Treatment (Onderdeelnr 131-6572)
Replacement Blade Kit, TimeCutter Riding Mower with 42in Mower (Onderdeelnr 137-1999-03P)
42in Recycler Kit, Riding Mower (Onderdeelnr 137-7042)
Bagging Enhancement Kit, 42in Mowers for Zero-Turn-Radius Riding Mower (Onderdeelnr 137-7048)
FRONT WEIGHT KIT (Onderdeelnr 140-2050)
ASSIST BAR KIT (Onderdeelnr 140-2052)
LED Light Kit (Onderdeelnr 140-2056)
DELUXE SEAT KIT (Onderdeelnr 140-2057)
ARMREST KIT (Onderdeelnr 140-2058)
JACK MOUNT KIT (Onderdeelnr 140-2711)
Striping Kit, 42in and Riding Mowers (Onderdeelnr 140-5198)
KIT, HOUR METER (Onderdeelnr 147-8791)
DECK FOOTLIFT ASSIST KIT (Onderdeelnr 161-4527)
FLOORMAT KIT (Onderdeelnr 161-4528)
KIT-CASTER WHEEL (Onderdeelnr 161-4530)
10W30 4-CYCLE ENGINE OIL 32 OZ BOTTLE (Onderdeelnr 38280)
TORO 4-CYCLE SAE 30 OIL (32OZ BOTTLE) (Onderdeelnr 38903)
COVER (Onderdeelnr 490-7516)
Mower Deck Drive Belt, TimeCutter SS Riding Mower with 42-inch Mowing (Onderdeelnr 79004)
TWIN BAGGER, TIMECUTTER 42IN STAMPED (Onderdeelnr 79410)
ROPS KIT (Onderdeelnr 79485)
SLOPE SENSOR KIT, TIMECUTTER (Onderdeelnr 79486)
-
Modelnr.
74677 -
Serienr.
420448111 - 999999999 -
Productnaam
Titan® ZS4200T zero-Turn zitmaaier van 107 cm, 74677 -
Productmerk
Toro -
Producttype
Riding Products -
Chassistype
ZRT - Consumer -
Werkbreedte
107cm -
Ontladen
Recycler & Side Discharge -
Motorfabrikant
Briggs & Stratton -
Motorinhoud
22 hp -
Motortype
4 Cycle -
Motorstarter
Electric -
Type transmissie
Hydrostatic -
Tractietype
2wd

















