Reelmaster 6500-D 4 Wheel Drive
Product Information
- Model number: 03807
- Serial number: 230000301 - 230999999
- Product Type: Riding Products
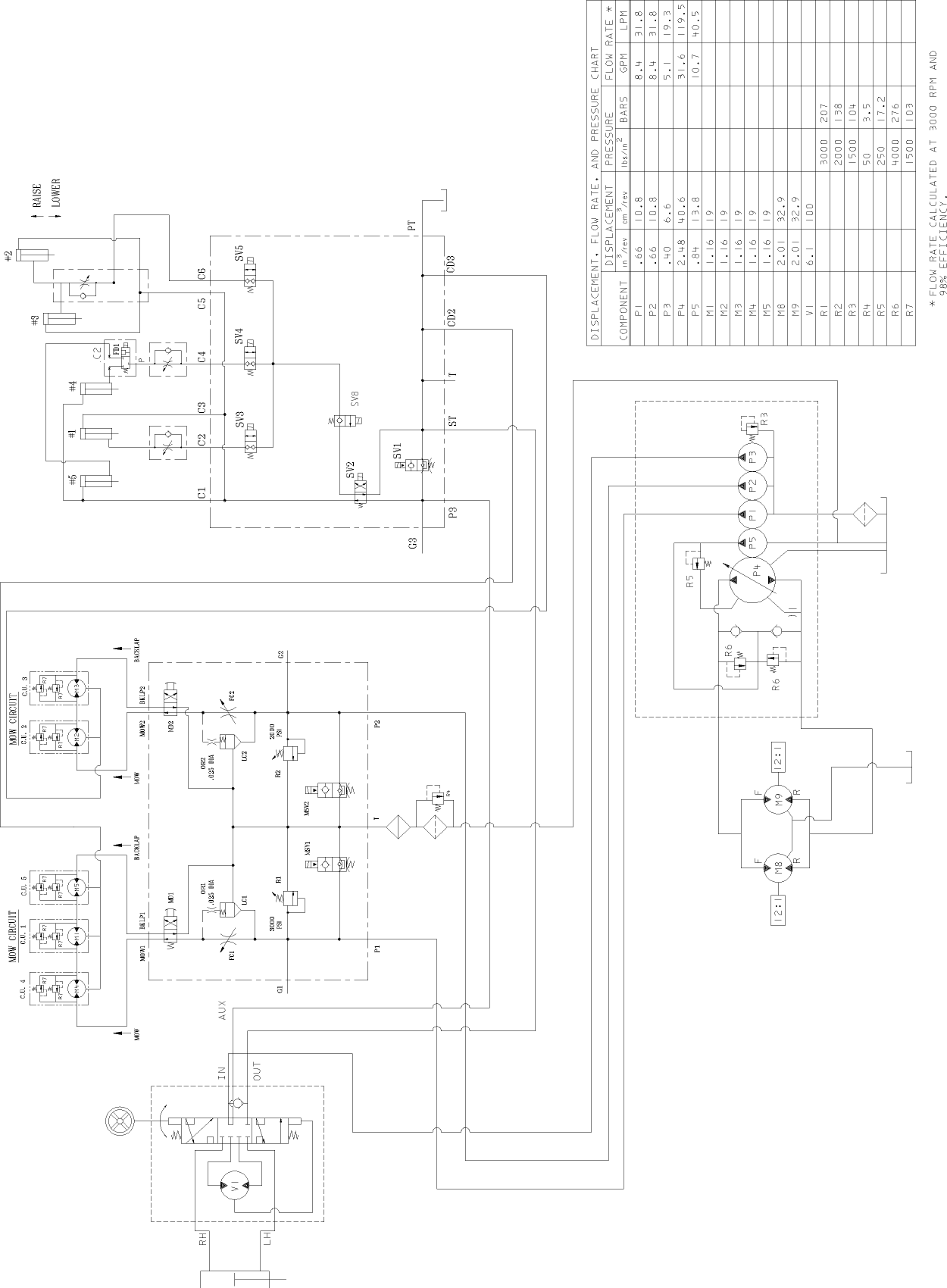
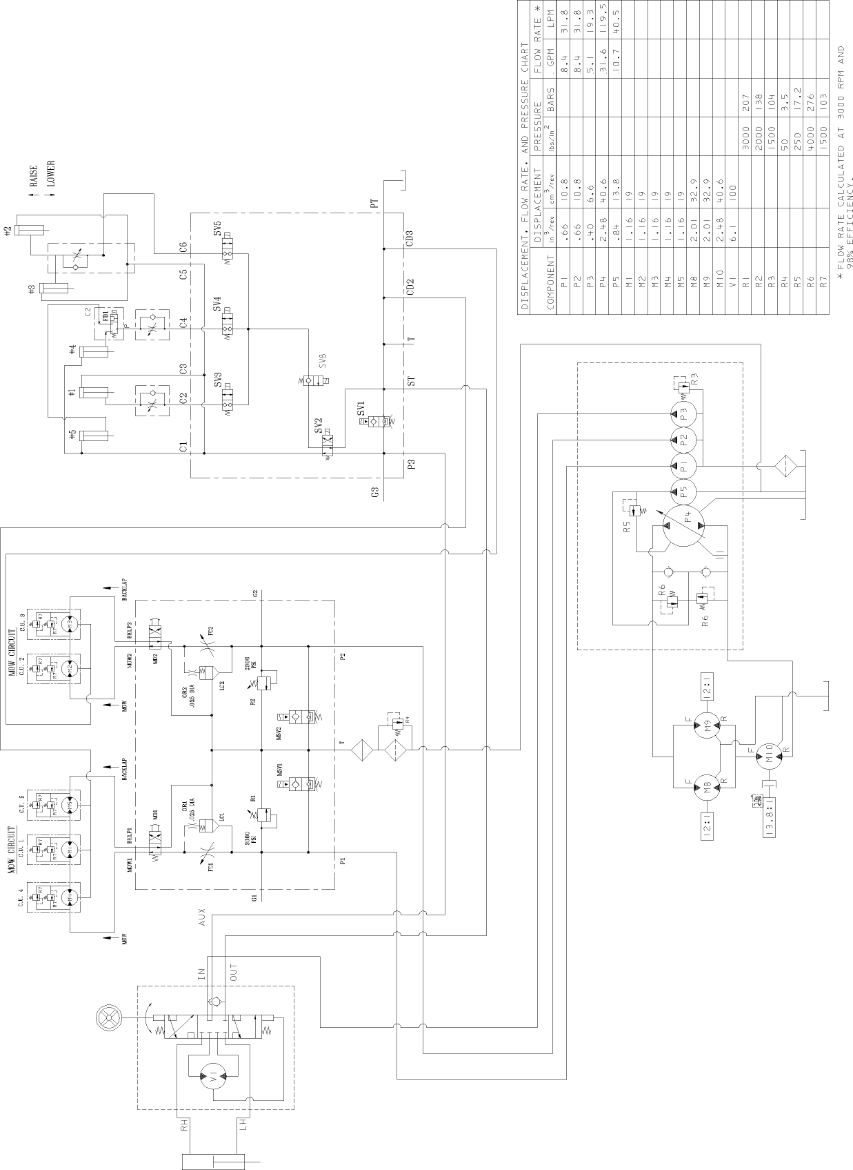
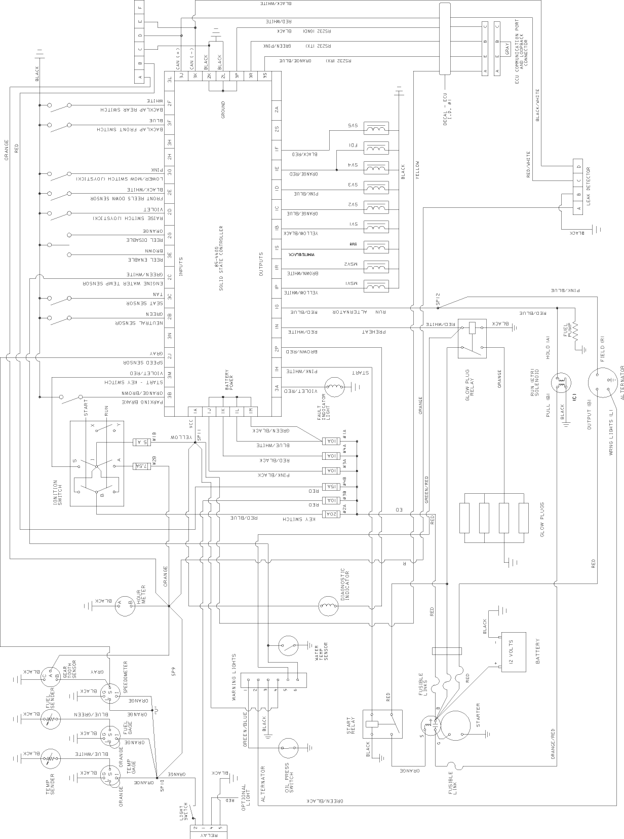
Loading...
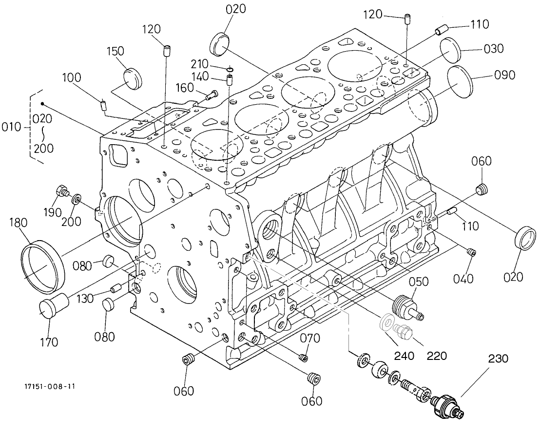
Assembly Drawings
Search for a part within assembly drawings:
-
Service Manual
-
Operator's Manual
-
Parts Catalogue
-
EU Declaration of Conformity
-
Service Bulletin
Turf Evaluator (Part number 03499)
Leak Detector Kit, Reelmaster (Part number 03521)
5-Blade Reel Mower, Reelmaster 5500-D and 6000-D Series (Part number 03860)
7-Blade Reel Mower, Reelmaster 5500-D and 6000-D Series (Part number 03861)
11-Blade Reel Mower, Reelmaster 5500-D and 6000-D Series (Part number 03862)
Dethatcher Kit, Reelmaster 5500-D/6000-D Series (Part number 03872)
Rear Roller Brush Kit, Reelmaster 5500-D, 6500-D and 6700-D (Part number 03876)
Basket Kit, Reelmaster 6500-D/6700-D (Part number 03882)
RM55/6000 WIEHLE SCRAPER (Part number 100-9908-03)
Rear Roller Scraper Kit, Reelmaster 5500/6000 (Part number 100-9920)
Wheel Weight Kit (Part number 104-1478)
Comb/Scraper Kit, Reelmaster 5500-D and 6000 Series Cutting Units (Part number 104-1845)
MUFFLER - SPARK ARRESTOR (Part number 104-5201)
Reel Drive Hose Kit, Reelmaster 6500 (Part number 105-0139)
Reel Drive Hose Kit, Reelmaster 6700 (Part number 105-0140)
Brush and Handle Kit (Part number 29-9100)
Arm Rest Kit (Part number 30707)
BOX-DISPLAY, DIAGNOSTIC (Part number 85-4750)
Fabric Canopy for ROPS (Part number 93-9160)
Low Cut Bedknife (Part number 93-9774)
HYDRAULIC MOTOR- 25CC (Part number 98-9998)
Full Front Roller (Part number 99-5749)
RM6000 SHOULDER SCRAPER (Part number 99-8670-03)
Wiehle Shoulder Roller Kit, Reelmaster 6000 (Part number 99-8675)
-
Model number
03807 -
Serial number
230000301 - 230999999 -
Product Name
Reelmaster 6500-D 4 Wheel Drive -
Product Brand
Toro -
Product Type
Riding Products -
Product Series
RM 6000 Series



























































































