Battery Rider eRS3200DC 81cm 75501
Product Information
- Model number: 75501
- Serial number: 323000000 - 999999999
- Product Type: Riding Products
Loading...
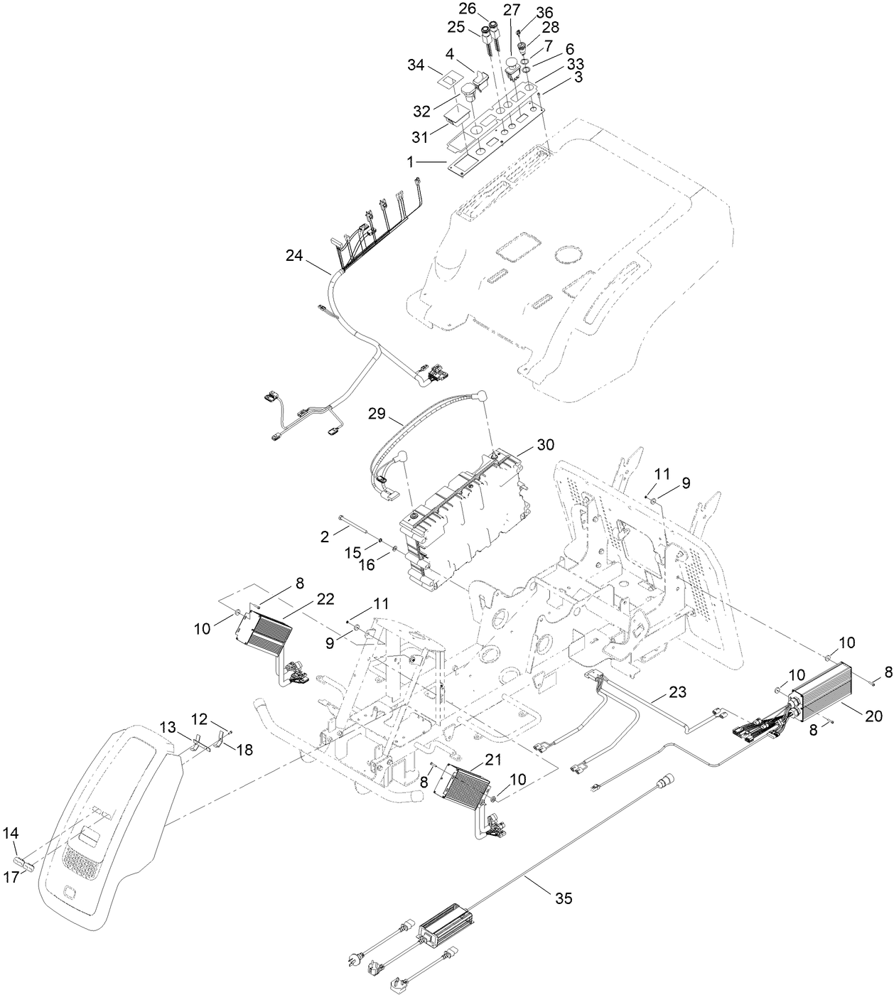
Assembly Drawings
Search for a part within assembly drawings:
-
Operator's Manual
-
Parts Catalogue
-
Product Warranty
-
EU Declaration of Conformity
-
UK Declaration of Conformity
72V Fast Charger DC Riding Mower (Part number 81815)
-
Model number
75501 -
Serial number
323000000 - 999999999 -
Product Name
Battery Rider eRS3200DC 81cm 75501 -
Product Brand
Toro -
Product Type
Riding Products













