Multi Pro® 1750 Turf Sprayer
Product Information
- Model number: 41188
- Serial number: 410050000 - 410599999
- Product Type: Sprayers
Loading...
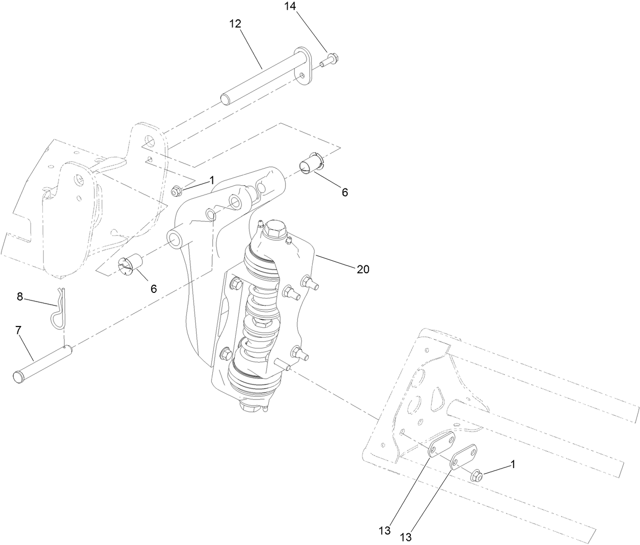
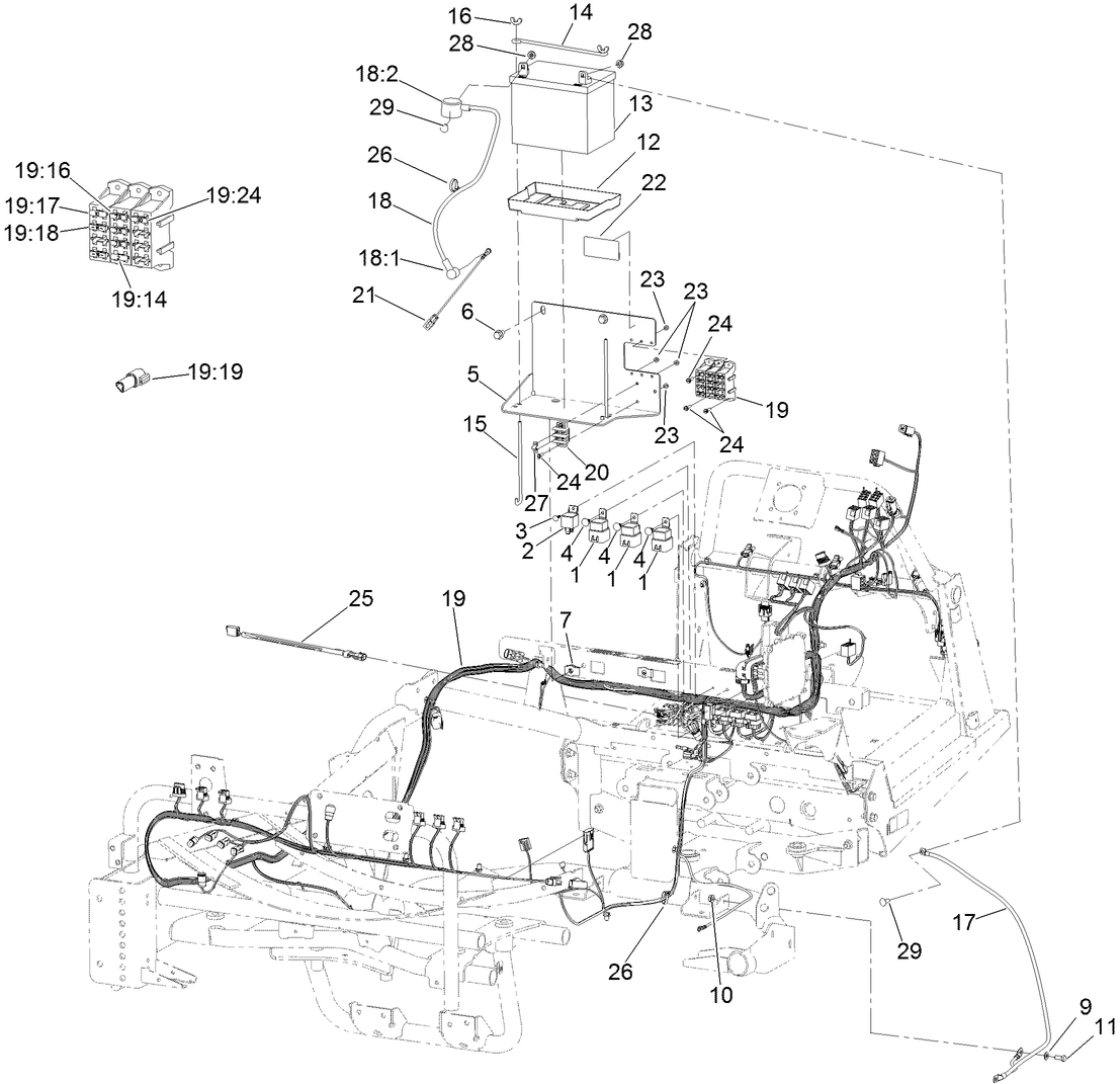
Assembly Drawings
Search for a part within assembly drawings:
-
Service Manual
-
Operator's Manual
-
Parts Catalogue
-
Software Guide
-
Schematic Drawing - Electrical
-
Schematic Drawing - Hydraulic
-
Service Bulletin
-
EU/UK Declaration of Conformity
PREMIUM ATF DRUM (Part number 108-1185)
PREMIUM ATF PAIL (Part number 108-1186)
PREMIUM ALL PURPOSE GREASE (Part number 108-1190)
License Plate Kit, Multi-Pro 5800 Turf Sprayer (Part number 120-8506)
Spring Upgrade Kit, Multi-Pro Turf Sprayer with Covered Boom Kit (Part number 120-8508)
PREMIUM ENGINE OIL 10W30 (55 GAL) (Part number 121-6392)
PREMIUM ENGINE OIL 10W30 (5 GAL) (Part number 121-6393)
LANCE ASM - SUCTION (Part number 127-9826)
MP1750 SONIC BOOM KIT (Part number 130-8227)
PUMP HEAD KIT (Part number 133-2898)
Finishing Kit, Foam Marker for Multi Pro 1750 Turf Sprayer (Part number 136-0457)
Universal Sunshade, Groundsmaster and Reelmaster Traction Units (Part number 30349)
Rear Work Light Kit, Multi Pro Turf Sprayer Vehicle (Part number 41010)
Single Nozzle Kit, Multi-Pro Turf Sprayer (Part number 41023)
Hand Spray Wand Kit, 2015 and After Multi Pro 1750 or Multi Pro WM Tur (Part number 41118)
EU Compliance Kit, 2015 and After Multi Pro 1750 Turf Sprayer (Part number 41155)
PRO FOAM CONCENTRATE 4 X 1 GAL (Part number 41157)
Chemical Pre-Mix Kit, 2015 and After Multi Pro 1750 Turf Sprayer (Part number 41158)
Electric Hose Reel Kit, 2015 and After Multi Pro 1750 Turf Sprayer (Part number 41159)
NOZZALERT - MP NOZZLE FLOW SYSTEM (Part number 41166)
CE Kit, Multi Pro 1750 Turf Sprayer (Part number 41202)
Tank Cleanse Rinse Kit, Multi Pro 1750 Turf Sprayer (Part number 41208)
Ultra Sonic Boom Leveling Kit, 2013 and After Multi-Pro 5800, 1750 and (Part number 41219)
Foam Marker Kit, Serial number 400000000 and After Multi Pro 1750, 580 (Part number 41249)
COVERED BOOM KIT (Part number 41602)
PRO-FOAM (Part number 41607)
GSM RTK Correction Modem Kit, GeoLink Precision Spray System (Part number 41625)
X25 GeoLink Precision Spray System Kit, Serial Number 315000001 and Af (Part number 41630)
X25 GeoLink Precision Spray System Finishing Kit, Serial Number 315000 (Part number 41631)
GEOLINK LTE PRECISION SPRAY SYSTEM (Part number 41633)
GEOLINK - GSM (Part number 41634)
TNL REFERENCE ANTENNA KIT, MR-2 (Part number 41635)
CL-55 CDMA MODEM KIT (Part number 41638)
Clutch Assembly, Right (Part number 41639)
GEOLINK FINISH KIT, MP 1750 (Part number 41674)
SCREEN - SPARK ARRESTOR (Part number 94-8157)
-
Model number
41188 -
Serial number
410050000 - 410599999 -
Product Name
Multi Pro® 1750 Turf Sprayer -
Product Brand
Toro -
Product Type
Sprayers

































































