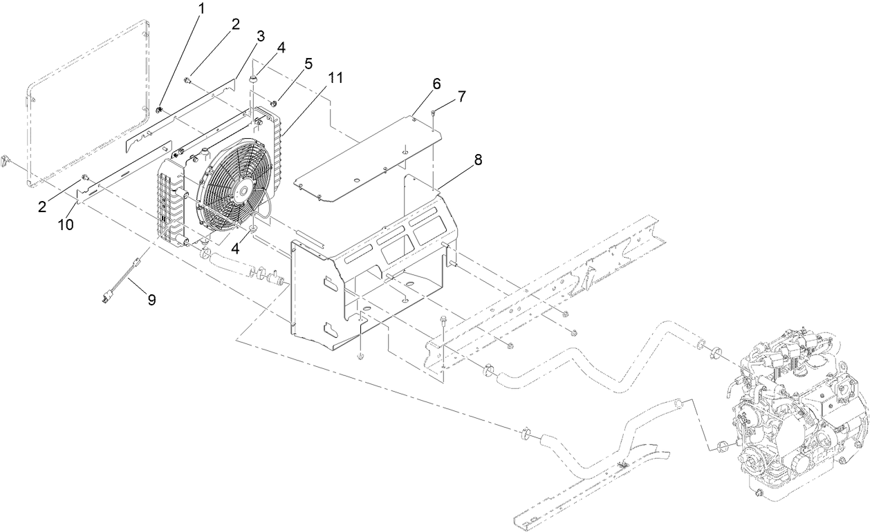
Radiator Kit, Serial Number 314000000 and After Workman HDX Utility Vehicle
Product Information
- Model number: 147-8199
- Serial number: None - None
- Product Type: Vehicles
Loading...
Assembly Drawings
Search for a part within assembly drawings:
-
Parts Catalogue
-
Installation Instructions
-
Model number
147-8199 -
Serial number
None - None -
Product Name
Radiator Kit, Serial Number 314000000 and After Workman HDX Utility Vehicle -
Product Brand
Toro -
Product Type
Vehicles

