GrandStand® MULTI FORCE de 152 cm (60 po), 19,8 kW (26,5 cv), 747 cm³ EFI
Informations produit
- Numéro de modèle : 72524
- Numéro de série : 420000000 - 999999999
- Type de produit : Riding Products
Chargement...
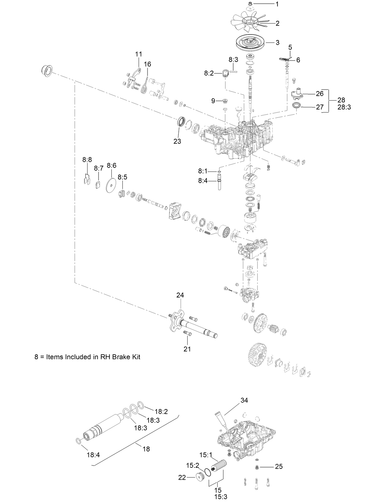
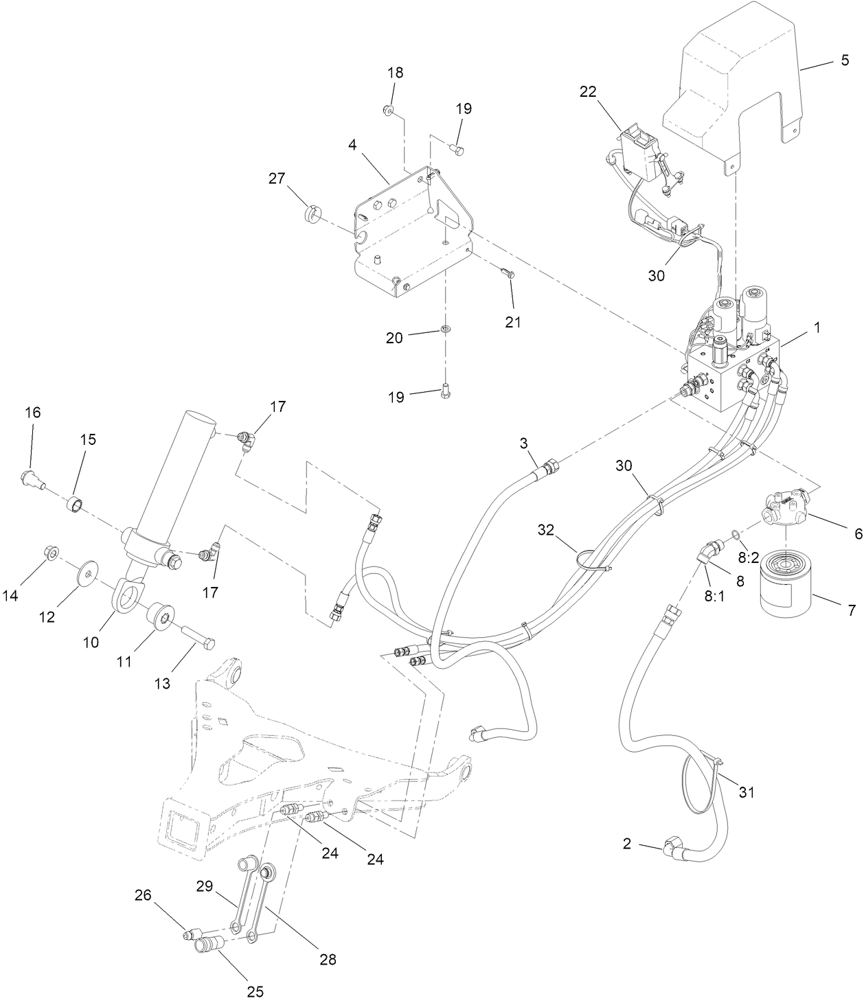
Schémas d'assemblage
Rechercher une pièce dans des schémas d'assemblage :
-
Manuel de l'utilisateur
-
Catalogue de pièces
-
Garantie produit
GrandStand Air Cleaner Filter (Réf. 100-4556)
The fuel filter prevents dust particles and fuel contaminants from entering the engine which could damage the cylinders, pistons and other components that will result in the need of costly repairs. Replacing these filters with a genuine Toro fuel filter prevents problems and ensures longer engine life.
FILTER-AIR, SAFETY (Réf. 103-1326)
Hypr-Oil™ 500 (quart) (Réf. 114-4713)
High Performance Hydro Oil
Hypr-Oil™ 500 (gallon) (Réf. 114-4714)
High Performance Hydro Oil
HYPR-OIL 500-5 GALLON (Réf. 114-4715)
Séparateur de faisceau de câbles GrandStand (Réf. 121-5988)
Toro OEM wire harness splitter for GrandStand mowers. This OEM wire splitter is needed when installing multiple electrical accessories. When it comes to reliability, Toro delivers replacement parts designed to the exact engineering specifications of our equipment. For peace of mind, insist on Toro genuine parts.
Spark Plug (Réf. 130-8380)
Pièces OEM d'origine
Fuel Filter (Réf. 130-8381)
The fuel filter prevents dust particles and fuel contaminants from entering the engine which could damage the cylinders, pistons and other components that will result in the need of costly repairs. Replacing these filters with a genuine Toro fuel filter prevents problems and ensures longer engine life.
Traitement pour carburant – 355 ml (12 oz) (Réf. 131-6572)
Le traitement pour carburant Toro Premium contribue au fonctionnement fiable et propre du moteur et à sa protection. Adapté aux tondeuses à gazon, souffleuses à neige, désherbeurs, souffleurs de feuilles et autres machines à petit moteur. L'utilisation du traitement pour carburant Toro à chaque plein assure la protection des petits moteurs à 2 et 4 temps.
GrandStand Speed Setting Tool (Réf. 132-7595)
GrandStand Speed Setting Tool. When it comes to reliability, Toro delivers replacement parts designed to the exact engineering specifications of our equipment. For peace of mind, insist on Toro genuine parts.
Roller Stripping Kit (Réf. 133-1436)
The Toro Striping Kit allows you to create "ballpark" stripes and patterns in your lawn while you mow. Striping kits lay the grass down in the direction of travel. The differences in direction reflect light to provide vivid light and dark stripes in your lawn. Adjustable to increase or decrease downward pressure.
Kit d'éclairage GrandStand (Réf. 133-1437)
Rallongez vos horaires de tonte grâce à ce kit d'éclairage à DEL de haute intensité et faible ampérage, d'origine Toro. Ce kit d'éclairage est construit dans un logement en alliage d'aluminium coulé avec des fixations de montage et un faisceau de câblage en acier inoxydable, ainsi qu'un interrupteur à bascule éclairé. Pour assurer une excellente fiabilité, Toro fournit des pièces de rechange conçues en fonction des spécifications techniques exactes de votre machine. Pour votre tranquillité d'esprit, exigez des pièces Toro d'origine.
Prise pour accessoires électriques GrandStand (Réf. 133-1438)
Cette connexion électrique Toro OEM offre une prise électrique pour charger les petits appareils à bord. Pour votre tranquillité d'esprit, exigez des pièces Toro d'origine.
Kit cales de hauteur de coupe GrandStand (Réf. 133-1439)
Cales de hauteur de coupe Toro d'origine pour tondeuses GrandStand. Pour votre tranquillité d'esprit, exigez des pièces Toro d'origine.
Kit support pour débroussailleuse GrandStand (Réf. 133-1441)
Kit Support pour débroussailleuse GrandStand Toro OEM. Gardez votre débroussailleuse bien arrimée en toute sécurité sur votre tondeuse autoportée. Pour assurer une excellente fiabilité, Toro fournit des pièces de rechange conçues en fonction des spécifications techniques exactes de votre machine. Pour votre tranquillité d'esprit, exigez des pièces Toro d'origine.
GrandStand Hydraulic Oil Change Kit (Réf. 133-1457)
GrandStand Hydraulic Oil Change Kit contains 2 drain bolts, sealing washer, filter cap, oil cap O ring and filter. When it comes to reliability, Toro delivers replacement parts designed to the exact engineering specifications of our equipment. For peace of mind, insist on Toro genuine parts.
Kit d'éclairage clignotant GrandStand. (Réf. 133-1495)
Kit d'éclairage clignotant à montage latéral Toro OEM pour tondeuses GrandStand. Pour assurer une excellente fiabilité, Toro fournit des pièces de rechange conçues en fonction des spécifications techniques exactes de votre machine. Pour votre tranquillité d'esprit, exigez des pièces Toro d'origine.
Toro Genuine 5-Gallon bucket. (Réf. 133-2533)
Toro genuine 5 Gallon Bucket. When it comes to reliability, Toro delivers replacement parts designed to the exact engineering specifications of our equipment. For peace of mind, insist on Toro genuine parts.
GrandStand 1Wheel Weight Kit (Réf. 133-5386)
GrandStand wheel weight kit for Toro Grandstand models. Helps distribute weight for a smooth ride and an even cut on rough terrain. When it comes to reliability, Toro delivers replacement parts designed to the exact engineering specifications of our equipment. For peace of mind, insist on Toro genuine parts.
GrandStand (male end) Quick Attach (Réf. 136-0513)
GrandStand (male end) quick attach. For peace of mind, insist on Toro genuine parts.
Hydraulic Cap Lock Kit (Réf. 136-5420)
Genuine OEM Part
CASE DRAIN KIT (Réf. 136-7436)
GrandStand MultiForce Float Kit (Réf. 136-8350)
GrandStand MultiForce Float Kit. When it comes to reliability. Toro delivers replacement parts designed to the exact engineering specifications of our equipment. For peace of mind, insist on Toro genuine parts.
GrandStand MultiForce Broom Rubber Flap Kit (Réf. 137-3920)
GrandStand MultiForce Broom Rubber Flap Kit. Toro delivers replacement parts designed to the exact engineering specifications of our equipment. For peace of mind, insist on Toro genuine parts. For peace of mind, insist on Toro genuine parts.
Kit d'amélioration du bac de ramassage GrandStand (Réf. 139-1529)
Kit d'amélioration du bac de ramassage GrandStand Toro OEM. Pour assurer une excellente fiabilité, Toro fournit des pièces de rechange conçues en fonction des spécifications techniques exactes de votre machine.
60 Inch Recycler Kit (Réf. 139-6655)
The 60 in. Recycler Kit, when installed on compatible 42 in. deck Toro zero turn riding mowers, gives it the capability to mulch grass by cutting it multiple times turning it into fine clipping pieces. These are returned under the mower back into the soil to serve as natural fertilizer. When it comes to reliability, Toro delivers replacement parts designed to the exact engineering specifications of our equipment. For peace of mind, insist on Toro genuine parts.
Pneus radiaux sans air pour gazon MICHELIN® X® TWEEL® (46 cm/18 po) (Réf. 139-7890)
Les pneus radiaux sans air pour gazon MICHELIN® X® TWEEL® sont la prochaine « révolution » dans le monde de la tonte commerciale. Le pneu radial sans air pour gazon MICHELIN X TWEEL a toutes les qualités que vous recherchez dans un pneumatique, mais sans jamais avoir besoin d’air. Fini les crevaisons, les temps d’arrêt, les kits de rustine ou les pneus de rechange. Et en matière d’usure, ce « pneu » affiche une durée de vie trois fois plus longue que celle d’un pneumatique.
20.5 Inch Hi-Flow Blade (Réf. 140-1240)
Toro 20.5 Inch OEM Hi-Flow blade. This sharp replacement Hi-Flow lawn mower blade provides a crisp, clean cut time after time. You can count on the quality and reliability of this Toro replacement Hi-Flow lawn mower blade. This Toro blade has multiple applications. Be sure to verify model and serial number to ensure the correct part.
Lame Atomic de 42 cm (20,5 po) (Réf. 140-1241)
Lames Atomic Toro OEM de 42 cm (20,5 po). La lame Atomic est souvent qualifiée de "style Gator" ou "lame Gator". Elle offre la meilleure qualité de coupe tout en assurant le déchiquetage. Cette lame Toro a de nombreuses utilisations. Vérifiez bien la marque et le numéro de série pour être sûr d’avoir la bonne pièce.
GrandStand Snow Tire Kit (2 tires) (Réf. 140-4310)
Toro OEM snow tires 20X10X8 provide ideal winter traction for your GrandStand when using winter attachments. Be sure to verify make and serial number to ensure the correct tire.
Kit roues pivotantes pneumatiques (Réf. 140-4311)
Toro OEM replacement caster wheel features a smooth maneuvering pneumatic tire, metal wheel and bearing assembly with high-quality components. These tires are non-marking and engineered for long service life.
20.50 Inch Medium Flow Blade (Réf. 140-4853)
Toro 20.5 Inch OEM Medium Flow blade. Medium Flow mower straight edge, standard discharge blade. These blades have slight upward angle on the edges. Great blades for use when horsepower is a concern. Produce medium Flow but requires less horsepower than Hi-Flow blades. This Toro blade has multiple applications. Be sure to verify model and serial number to ensure the correct part.
20.50 Inch Low Flow Blade (Réf. 140-4854)
Toro 20.50 Inch OEM Low Flow blade. Low Flow mower blades have slightly curved ends that keep air Flow to a minimum. The lack of suction allows cut grass to exit the mower while keeping dust and debris levels down. Toro Low Flow mower blades cause less engine strain than Hi-Flow blades. This Toro blade has multiple applications. Be sure to verify model and serial number to ensure the correct part.
20.5 Inch Recycler Blade (Réf. 140-4855)
Toro 20.5 Inch OEM Recycler blade. Recycler blades. Recycler straight edge, standard discharge blade. The blade is designed for a High quality cut and long-lasting durability. These blades are designed with “wings,” called “accelerators” that kind of act like a fan — forcing the tiny bits of grass back into the earth. This Toro blade has multiple applications. Be sure to verify make and serial number to ensure the correct part.
Hi-Flow20.5 Inch Blade Pack (6) (Réf. 140-4877)
Toro 16.5 Inch OEM Hi-Flow blade pack. (6) Hi-Flow blades. This sharp replacement Hi-Flow lawn mower blade provides a crisp, clean cut time after time. You can count on the quality and reliability of this Toro replacement Hi-Flow lawn mower blade. This Toro blade has multiple applications. Be sure to verify model and serial number to ensure the correct part.
Mid Flow 20.5 Inch Blade Pack (6) (Réf. 140-4878)
Toro 20.5 Inch OEM Medium Flow blade pack. (6) Medium Flow blades. Medium Flow mower straight edge, standard discharge blade. These blades have slight upward angle on the edges. Great blades for use when horsepower is a concern. Produce medium Flow but requires less horsepower than Hi-Flow blades. This Toro blade has multiple applications. Be sure to verify model and serial number to ensure the correct part.
Low Flow 20.5 Inch Blade Pack (6) (Réf. 140-4879)
Toro 20.5 Inch OEM Low Flow blade pack. (6) Low Flow blades. Low Flow mower blades have slightly curved ends that keep air Flow to a minimum. The lack of suction allows cut grass to exit the mower while keeping dust and debris levels down. Toro Low Flow mower blades cause less engine strain than Hi-Flow blades. This Toro blade has multiple applications. Be sure to verify model and serial number to ensure the correct part.
Atomic 20.5 Inch Blade Pack (6) (Réf. 140-4880)
Toro OEM Atomic blade pack. (6) 20.5 Inch Atomic blades. Atomic blade is commonly referenced as a “Gator Style” or “Gator Blade”. Provides the best quality of cut while mulching. This Toro blade has multiple applications. Be sure to verify model and serial number to ensure the correct part.
Recycler 20.5 Inch Blade Pack (6) (Réf. 140-4881)
Toro 20.5 Inch OEM Recycler blade pack. (6) Recycler blades. Recycler straight edge, standard discharge blade. The blade is designed for a High quality cut and long-lasting durability. These blades are designed with “wings,” called “accelerators” that kind of act like a fan — forcing the tiny bits of grass back into the earth. This Toro blade has multiple applications. Be sure to verify model and serial number to ensure the correct part.
2 TRANSMISSION FILTER KIT (Réf. 144-3842)
BLADE-20.50 HIGH FLOW (Réf. 147-6252)
6 PACK-BLADE, 20.50 HIGH FLOW (Réf. 147-6256)
KIT-PNEUMATIC CASTER TIRE (Réf. 161-3470)
KIT-SEMI PNEU CASTER TIRE (Réf. 161-3471)
SERVICE STAND ASM (Réf. 163-7340)
Bac de ramassage en toile de 105 litres (3 boisseaux) pour tondeuses GrandStand (Réf. 30104)
Bac de ramassage en toile de 105 litres (3 boisseaux) pour tondeuses GrandStand. Pour protéger au mieux votre investissement et préserver les performances optimales de votre équipement, vous pouvez compter sur les pièces et accessoires Toro d'origine.
Huile moteur 4 temps 10W-30 – bouteille de 3,8 litres (1 gallon) (Réf. 38280)
L'huile moteur 10W-30 pour tondeuse à 4 temps Toro 38280 Premium est spécialement formulée pour répondre aux exigences spécifiques des fabricants de moteurs à 4 temps exigeant de l'huile 10W-30. Cette huile moteur pour tondeuse assure une protection ultime pour tous les moteurs à 4 temps d'équipements motorisés d'extérieur. Cette huile moteur pour tondeuse a été développé avec les ingénieurs Toro afin de satisfaire aux normes pour tous les moteurs diesel et refroidis par air ou par liquide. Pour obtenir les meilleures performances possibles de votre tondeuse Toro, nous vous recommandons vivement d'utiliser cette huile moteur pour tondeuse Toro, spécialement formulée pour garantir les meilleurs résultats. L'huile moteur pour tondeuse offre des performances exceptionnelles à toutes les températures, ce qui accroît la durée de vie du moteur de votre tondeuse.
Huile moteur pour tondeuse à gazon 4 temps SAE 30, 950 ml (32 oz) (Réf. 38903)
Avant que vous puissiez l'utiliser pour faire le plein de votre tondeuse, l'huile pour moteurs 4 temps Toro SAE 30 a subi des milliers d'heures de tests sur des centaines de moteurs afin de satisfaire aux exigences les plus strictes. Cette huile est conforme ou supérieure aux exigences de performance de tous les moteurs OEM (Toro, Briggs & Stratton, KOHLER, Honda et Tecumseh). L'utilisation de l'huile pour tondeuses 4 temps Toro SAE 30 minimise le cisaillement moléculaire pour une plus grande longévité dans les applications chaudes à refroidissement par air, par rapport aux produits multi-grades (par ex. 10W-30).
G-STD TWIN BAGGER KIT (Réf. 78524)
GrandStand E-Z Vac Blower & Drive Kit for 60 in. Deck (Réf. 78527)
The patent-pending side-mounted Soft Twin Bagger has a large 10 cu. ft. (8 bushel) (0.28 m3) capacity and the vertically-mounted blower allows for excellent maneuverability in tight spaces and maximum visibility.
Easily Removeable: Bagger frame conveniently removes with three pins and one bolt, while bagger removes simply with one pin and latch.
Compact: The side-mounted bagger offers a smaller width dimension
Side-Mounted: Only stand-on machine with a side bagger to provide maximum visibility and excellent maneuverability
Belt-Driven: The blower/bagger system engages automatically with no additional engine required.
Easily Removeable: Bagger frame conveniently removes with three pins and one bolt, while bagger removes simply with one pin and latch.
Compact: The side-mounted bagger offers a smaller width dimension
Side-Mounted: Only stand-on machine with a side bagger to provide maximum visibility and excellent maneuverability
Belt-Driven: The blower/bagger system engages automatically with no additional engine required.
Souffleur de débris Pro Force MULTI FORCE (Réf. 78593)
Le souffleur Pro Force possède une buse pivotante à 360° et exploite le moteur Kohler® Command PRO™ EFI MULTI FORCE de 19,8 kW (26,5 cv), offrant un débit d’air impressionnant qui permet de déblayer rapidement les brins d’herbe, les feuilles et autres débris.
Pas de pièces supplémentaires requises. Kit hydraulique bas débit (Boss) – réf. MSC13950
Pas de pièces supplémentaires requises. Kit hydraulique bas débit (Boss) – réf. MSC13950
Balayeuse MULTI FORCE (Réf. 78596)
NOUVELLE balayeuse de 139,7 cm (55 po) conçue pour gérer les trottoirs et déblayer la neige et les débris, jusqu'au revêtement. Pas de pièces supplémentaires requises. (Si vous possédez déjà le chasse-neige BOSS, vous aurez uniquement besoin de la pièce réf. 78601).
Kit hydraulique grand débit (Toro) – réf. 78601
Kit hydraulique bas débit (Boss) – réf. MSC13950
Plaque de fixation triangulaire (Toro) – réf. 136-0513
Kit hydraulique grand débit (Toro) – réf. 78601
Kit hydraulique bas débit (Boss) – réf. MSC13950
Plaque de fixation triangulaire (Toro) – réf. 136-0513
Benne à paillis MULTI FORCE MULCH FORCE (Réf. 78597)
Vous avez un travail à faire, et vous voulez le faire efficacement. Déplacer et épandre du paillis n'est pas facile, surtout avec une vieille brouette. Passez à l’ère moderne – Le godet Toro MULCH FORCE vous aide à déplacer pratiquement deux fois plus de paillis par charge et trois fois plus vite qu’avec une brouette traditionnelle. La benne hydraulique MULCH FORCE vous permet de déposer facilement la quantité exacte sur les disques de paillage au pied des arbres ou dans les tours d'arbre. Le nec-plus-ultra en matière de paillage.
Pas de pièces supplémentaires requises.
Kit hydraulique bas débit (Boss) – réf. MSC13950
Pas de pièces supplémentaires requises.
Kit hydraulique bas débit (Boss) – réf. MSC13950
GRANDSTAND MULTI FORCE HIGH-FLOW KIT (Réf. 78601)
Défeutreur MULTI FORCE (Réf. 78690)
Transformez votre Toro GrandStand Multi-Force en outil suprême de nettoyage de printemps grâce au râteau défeutreur Multi-Force à montage avant. Utilisez le râteau lors de la première tonte au printemps, pour enlever l’excès de feutre, les feuilles incrustées et les débris. Les louchets brevetés soulèvent le feutre sans endommager le gazon sain. Quant au gazon peigné, il donne à la pelouse un aspect net, comme ratissé à la main.
DETHATCHER MOUNT, MULTI-FORCE (Réf. 78691)
Aérateur MULTI FORCE (Réf. 78694)
Transformez votre Grandstand Multi-Force en un aérateur grâce à l’aérateur Hooker Multi-Force de 96,5 cm (38 po) de large. Vous travaillerez plus vite que jamais, grâce à cet aérateur capable de percer jusqu’à six trous par pied carré. Les trous mesurent environ 1,25 cm (0,5 po) de large par 3,2 cm (1,25 po) de long, sur 7,6 cm (3 po) de profondeur maximum. Les louchets s’enfoncent en profondeur dans le sol, accrochant et soulevant des bouchons de terre meuble qui se dispersent rapidement en répandant des éléments nutritifs à la surface du sol. Évite l’accumulation de carottes dures inesthétiques sur la pelouse. L'action de soulèvement des louchets évite le compactage du sol, un problème courant avec les aérateurs à louchets creux, et permet une bonne filtration de l'air et de l'eau dans la pelouse.
AERATOR MOUNT, MULTI-FORCE (Réf. 78695)
Lame à feuilles MULTI FORCE (Réf. 78697)
La lame à feuilles haute résistance GrandStand MULTI FORCE exploite la puissance de la tondeuse pour déplacer rapidement les tas de feuilles. Elle supprime pratiquement la nécessité de "bâcher" les feuilles et permet de constituer des andains de feuilles pour faciliter le ramassage. La lame en acier monopièce de 139,7 cm (55 po) de long possède des supports en haut, au centre et en bas pour plus de durabilité. La lame à feuilles est soutenue par deux roues pivotantes ajustables. Les louchets plats en acier à ressort inoxydable, de 11,4 cm (4,5 po) de long, permettent à la lame de pousser les feuilles sur les surfaces irrégulières sans endommager le gazon. La lame à feuilles peut se rabattre au-dessus du tablier pour gagner de l'espace sur la remorque.
Pas de pièces supplémentaires requises.
Support pour lame à feuilles (Toro) – réf. 78698
Pas de pièces supplémentaires requises.
Support pour lame à feuilles (Toro) – réf. 78698
LEAF PLOW MOUNT ONLY, MULTI-FORCE (Réf. 78698)
Spark Arrestor (Réf. 98-9099)
Toro OEM spark arrestor prevents carbon build ups from being ejected from the engine and igniting a fire.
Oil Filter (GrandStand) (Réf. 98020)
Your Toro engine’s oil filter removes waste, captures harmful debris, dirt, and metal fragments in your motor oil to keep the engine running smoothly. Without the oil filter, harmful particles can get into your motor oil and damage the engine. Installing genuine Toro engine oil filters on a regular service intervals keeps your Toro equipment running at its best!
KIT-SNOW DEFLECTOR, HTX (Réf. MSC04587C)
PLOW SHOE KIT (Réf. MSC13040)
BLADE EXTENSION KIT,6IN,STB (Réf. MSC13850B)
GrandStand Plow Kit (Réf. MSC13960)
KIT-PLOW SIDE,4'0"STB,GRANDSTAND (Réf. MSC14780)
Caisse de lame chasse-neige droite en poly pour véhicule tout terrain de 1,5 m (5 pi) (Réf. STB13567B)
Le chasse-neige pour véhicule compact à lame droite en poly de 1,5 m (5 pi) est conçu pour les trottoirs, chemins et zones difficiles d’accès. À la fois compact et agile, il offre toutes les performances de qualité BOSS. Conçu pour les utilitaires de taille moyenne, les véhicules tout terrain et certaines machines Toro, il permet d’aborder en toute simplicité les espaces exigus et les terrains accidentés pour effectuer l’entretien hivernal plus vite et plus efficacement. Contrairement aux configurations à chaîne et poulie traditionnelles, le système hydraulique BOSS supprime les treuils, les chaînes et les poulies. Cela signifie moins de maintenance et de corrosion, tout en assurant un fonctionnement fiable en toutes conditions. Fabriqué en polyuréthane hautes performances avec stabilisateurs d’ultraviolets, le chasse-neige conserve son aspect vif et élégant, saison après saison. Il allie la robustesse de l’acier et le fonctionnement fiable de l’inox. Avec sa conception à déclenchement sur le versoir intégral, la lame droite en poly de 1,5 m (5 pi) protège votre équipement en permettant à la lame entière de basculer vers l’avant en cas d’impact avec un obstacle. Ce système amortit les chocs, réduit les dommages et vous permet de vous déplacer en toute confiance, même en cas de tempête.
Lame chasse-neige BOSS® comme accessoire pour la Toro GrandStand MULTI FORCE. Pièces supplémentaires requises :
Kit chasse-neige latéral Grandstand MULTI FORCE – réf. MSC23000
Lame chasse-neige BOSS® comme accessoire pour le Toro Dingo. Pas de pièces supplémentaires requises.
Kit chasse-neige latéral BOSS de 1,5 m (5 pi) – réf. MSC13960
Lame chasse-neige BOSS® comme accessoire pour la Toro GrandStand MULTI FORCE. Pièces supplémentaires requises :
Kit chasse-neige latéral Grandstand MULTI FORCE – réf. MSC23000
Lame chasse-neige BOSS® comme accessoire pour le Toro Dingo. Pas de pièces supplémentaires requises.
Kit chasse-neige latéral BOSS de 1,5 m (5 pi) – réf. MSC13960
4'0" ATV ポリエチレン製ストレートブレードクレート (Réf. STB13759B)
Le chasse-neige pour véhicule compact à lame droite en poly de 1,5 m (4 pi) est conçu pour les trottoirs, chemins et zones difficiles d’accès. À la fois compact et agile, il offre toutes les performances de qualité BOSS. Conçu pour les véhicules tout terrain et certaines machines Toro, il permet d’aborder facilement les espaces exigus et les terrains accidentés, pour un entretien hivernal plus efficace. Contrairement aux configurations à chaîne et poulie traditionnelles, le système hydraulique BOSS supprime les treuils, les chaînes et les poulies, ce qui se traduit par moins de maintenance et de corrosion. Fabriqué en polyuréthane hautes performances avec stabilisateurs d’ultraviolets, le chasse-neige conserve son aspect vif et élégant, saison après saison, alliant la robustesse de l’acier et la fiabilité de l’inox. Avec sa conception à déclenchement sur le versoir intégral, la lame droite en poly de 1,5 m (4 pi) protège votre équipement en permettant à la lame entière de basculer vers l’avant en cas d’impact avec un obstacle. Ce système amortit les chocs, réduit les dommages et vous permet d’affronter les tempêtes en toute confiance. Lame chasse-neige BOSS® comme accessoire pour la Toro GrandStand MULTI FORCE.
Pas de pièces supplémentaires requises.
Kit chasse-neige latéral Grandstand MULTI FORCE – réf. MSC23000 Lame chasse-neige BOSS® comme accessoire pour le Toro Dingo.
Pas de pièces supplémentaires requises.
Kit chasse-neige latéral BOSS de 1,2 m (4 pi) – réf. MSC14780
Pas de pièces supplémentaires requises.
Kit chasse-neige latéral Grandstand MULTI FORCE – réf. MSC23000 Lame chasse-neige BOSS® comme accessoire pour le Toro Dingo.
Pas de pièces supplémentaires requises.
Kit chasse-neige latéral BOSS de 1,2 m (4 pi) – réf. MSC14780
Plow Urethane Edge Kit (Réf. STB13801)
-
Numéro de modèle
72524 -
Numéro de série
420000000 - 999999999 -
Nom du produit
GrandStand® MULTI FORCE de 152 cm (60 po), 19,8 kW (26,5 cv), 747 cm³ EFI -
Marque du produit
Toro -
Type de produit
Riding Products -
Type de Châssis
Stand On -
Largeur de travail
60 inch / 152 cm -
Éjection
Side Discharge -
Fabricant du moteur
Kohler -
Taille de moteur
26.5 hp -
Type de moteur
4 Cycle -
Démarreur
Electric -
Type de transmission
Hydrostatic -
Type de Traction
Rear WD
























