Greensmaster® Flex™ 1018
製品情報
- モデル番号 04850
- シリアル番号 417400000 - 418499999
- 製品のタイプ: Walk Behind Mowers
読み込み中です...
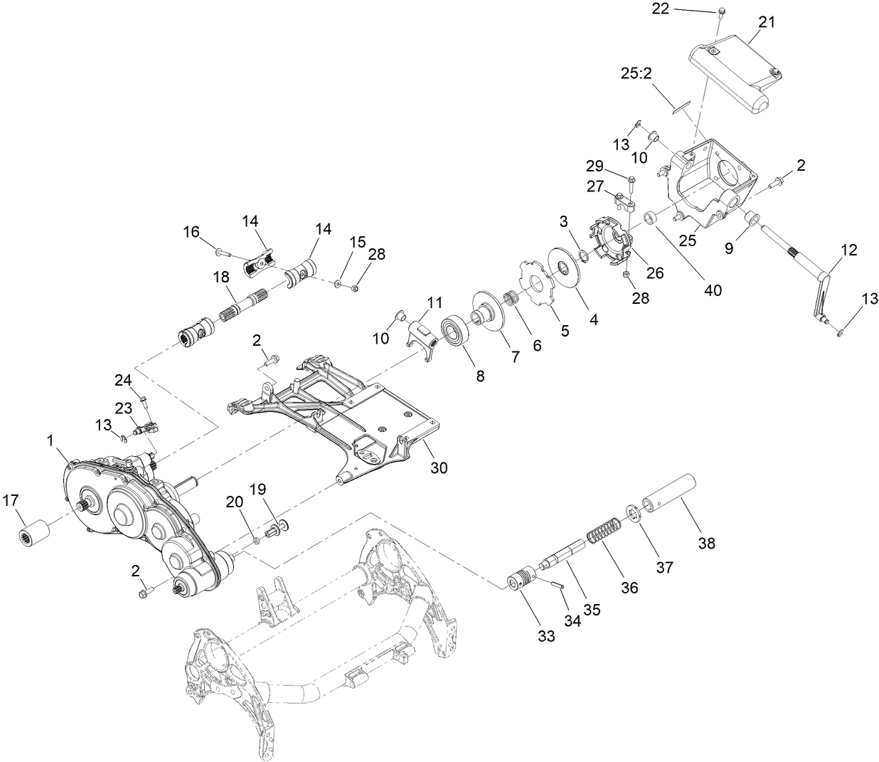
アセンブリ図
アセンブリ図の中でパーツを検索する:
-
オペレーターズマニュアル
-
パーツカタログ
-
製品保証
-
EU/UK 規格適合証明書
Narrow Wiehle Roller Kit, Greensmaster Flex 1018 Traction Unit (パーツ番号 04026)
Wheel Kit (パーツ番号 04123)
To transport mower from green to green or in the shop.
Light Kit (パーツ番号 04135)
Allows operator to mow in low light conditions.
Push Broom Brush (パーツ番号 04136)
Conditions grass prior to cut.
CU LIGHT KIT MOUNT (パーツ番号 04138)
WHEEL LOADING KIT, TP200 (パーツ番号 04219)
RAIL LOADING KIT, TP200 (パーツ番号 04229)
TransPro™ 80 トレーラ (パーツ番号 04238)
Toro® TransPro®トレーラーは、ウォークグリーンモアを芝刈りエリアへ、または芝刈りエリアから安全かつ簡単に輸送します。独自の設計により、芝刈り機への投資が保証され、調整がそのまま維持されます。Greensmaster® 1台を運ぶなら、トランスプロ 80 にフラットランプまたはレールランプキットを取り付けて使用。
TransPro™ 200 トレーラ (パーツ番号 04239)
Toro® の TransPro™ は歩行型グリーンモアを現場から現場へ安全に、簡単に、移動するシステムです。大切な芝刈り機を保護し、調整を維持し、2台の芝刈り機を同時に運搬(グリーンマスター1600/1026を除く)することで時間を節約し生産性を高めます。
Flat Ramp, Trans Pro 80 Tow Behind Trailer (パーツ番号 04245)
Rail Ramp Kit, Trans Pro 80 Tow-Behind Trailer (パーツ番号 04247)
18in Soft Grooming Brush (パーツ番号 04268)
18in Stiff Grooming Brush (パーツ番号 04269)
Turf Evaluator (パーツ番号 04399)
Universal Groomer Drive Kit, Greensmaster Flex 1800 and 2100, eFlex 18 (パーツ番号 04648)
18in Twin Tip Groomer Reel, Groomer Drive System (パーツ番号 04801)
FULL FRONT ROLLER ASM (18IN) (パーツ番号 04814)
14-BLADE 18IN FLEX ES CU (パーツ番号 04854)
BEDBAR-FLEX18 [RED] (パーツ番号 110-2281-01)
BEDBAR-AGGRESSIVE 18" [PRIMED] (パーツ番号 110-2281-0P)
KNIFE-BED,EXTENDED MICROCUT 18" (パーツ番号 110-2300)
KNIFE-BED,LOW CUT 18" (パーツ番号 110-2301)
18in Rail Conversion Kit, Trans Pro 100 (パーツ番号 110-7345)
PAINT-BLACK BOTTLE (パーツ番号 112-0176)
PAINT-RED BOTTLE (パーツ番号 112-0178)
Roller Extension Kit, Greensmaster Flex Series Mowers (パーツ番号 115-7361)
BEDKNIFE-EDGEMAX, 18" MICROCUT (GREENS) (パーツ番号 117-1530)
BEDKNIFE-EDGEMAX, 18" TOURN (GREENS) (パーツ番号 117-1532)
High Height-of-Cut Kit, Greensmaster DPA Reel Mowers (パーツ番号 120-9600)
Rear Roller Adjustment Kit, Greensmaster DPA Reel Mowers (パーツ番号 120-9602)
Front Scraper Kit for Narrow Wiehle Roller, 18in DPA Greensmaster Cutt (パーツ番号 120-9615)
Front Scraper Kit for Wide Wiehle Roller, 18in DPA Greensmaster Cuttin (パーツ番号 120-9616)
Front Scraper Kit for Full Roller, 18in DPA Greensmaster Cutting Reel (パーツ番号 120-9617)
Front Brush Kit for Narrow Wiehle Roller, 18in DPA Greensmaster Cuttin (パーツ番号 120-9621)
Front Brush Kit for Wide Wiehle Roller, 18in DPA Greensmaster Cutting (パーツ番号 120-9622)
Front Brush Kit for Full Roller, 18in DPA Greensmaster Cutting Reel (パーツ番号 120-9623)
Rear Roller Scraper Kit with Roller, 18in Greensmaster Flex Cutting Re (パーツ番号 120-9627)
MVP Kit, Greensmaster DPA Cutting Unit (パーツ番号 121-2637)
REAR ROLLER ASM, STEEL (パーツ番号 121-4682)
PREMIUM ENGINE OIL 10W30 (55 GAL) (パーツ番号 121-6392)
PREMIUM ENGINE OIL 10W30 (5 GAL) (パーツ番号 121-6393)
PAPER-TORO REEL (10 PACK) (パーツ番号 125-5610)
18in Soft Grooming Brush Kit (パーツ番号 127-1545)
18in Stiff Grooming Brush Kit (パーツ番号 127-1546)
ANGLE INDICATOR (パーツ番号 131-6828)
MOUNT-ANGLE INDICATOR (パーツ番号 131-6829)
GREASE-SYNTHETIC (パーツ番号 136-8595)
RAIL RAMP KIT TP100 (パーツ番号 138-5011)
BEDKNIFE-EDGEMAX, MICROCUT SHORT (パーツ番号 139-4318)
BEDKNIFE-EDGEMAX, TOURNAMENT SHORT (パーツ番号 139-4319)
KIT-BACKLAP, ACCESS (パーツ番号 139-4342)
KIT-WHM, GR10XX SERIES (パーツ番号 139-4369)
Rod Replacement Kit, Greensmaster 1018 Series Traction Unit with Trans (パーツ番号 139-6470)
KIT, RETENTION STRAPS (パーツ番号 139-6477)
ROLLER ASM, WIDE WIEHLE (パーツ番号 140-3441)
SHIM-TORO REEL (.002IN) (パーツ番号 140-5531)
BLADE-GR GROOMER, TWIN TIP (0.032") (パーツ番号 140-5580)
BLADE-GR GROOMER, HELIX (0.028") (パーツ番号 140-5581)
BLADE-GR GROOMER, HELIX (0.015") (パーツ番号 140-5582)
ROLLER ASM, EXTENDED WIEHLE (パーツ番号 140-9214)
REAR ROLLER ASM, 18 INCH (パーツ番号 140-9258)
KIT-FLEX ROLLER BRACKET, TP80 (パーツ番号 147-2291)
Red Spray Paint - Case of 6 (パーツ番号 361-10)
PAINT-SPRAY, TORO SEMI-GLOSS BLACK (パーツ番号 361-9)
Height-of-Cut Bar ASM (パーツ番号 94-9010)
BEDKNIFE, TOURNAMENT (パーツ番号 98-7260)
Micro-cut Bedknife (パーツ番号 98-7261)
-
モデル番号
04850 -
シリアル番号
417400000 - 418499999 -
製品名
Greensmaster® Flex™ 1018 -
製品のブランド
Toro -
製品のタイプ
Walk Behind Mowers



















