Workman MD Utility Vehicle
Product Information
- Model number: 07266TC
- Serial number: 314000501 - 314999999
- Product Type: Vehicles
Loading...
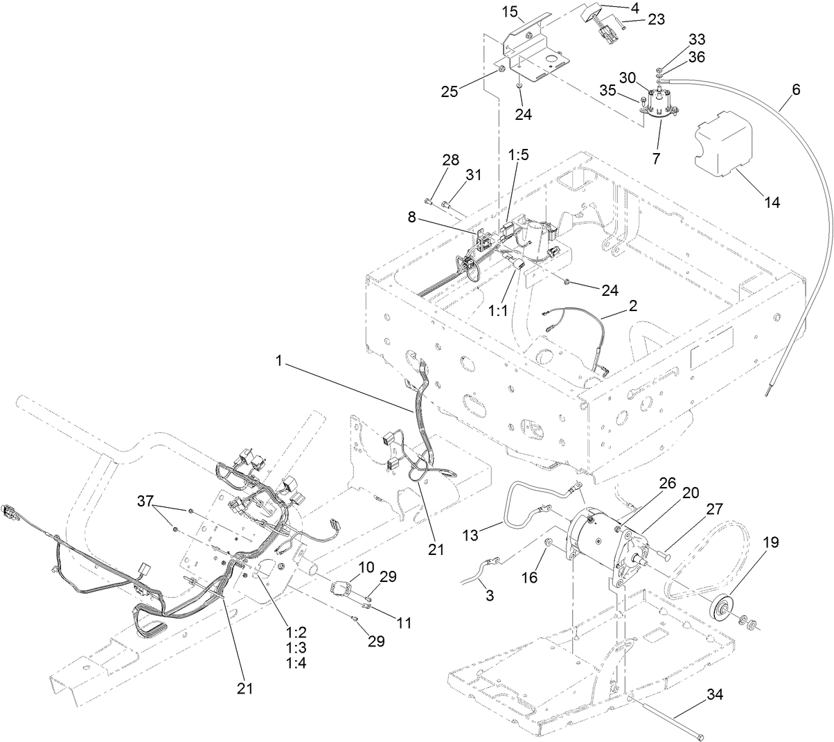
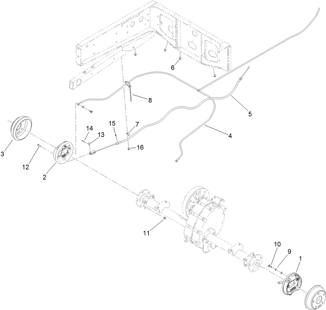
Assembly Drawings
Search for a part within assembly drawings:
-
Service Manual
-
Operator's Manual
-
Parts Catalogue
-
EU Declaration of Conformity
-
Engine Evaporative Emission Warranty
-
Schematic Drawing - Electrical
-
Service Bulletin
Roll-Over Protection System, Workman 1100/2100/e2000 Series and Twiste (Part number 07276)
Receiver Hitch Kit, Workman 1100/2100/2110 and Twister 1400/1600 Utili (Part number 07278)
Canopy Kit, Workman MD/MDX/MDE Utility Vehicle (Part number 07324)
Solid Windshield Kit, Workman MD/MDX/MDE Utility Vehicle (Part number 07325)
Folding Windshield Kit, Workman MD/MDX/MDE Utility Vehicle (Part number 07326)
Snow Plow, Workman MD/MDX/MDE Utility Vehicle (Part number 07327)
Hard Cab, Workman MD/MDX/MDE Utility Vehicle (Part number 07328)
Heavy-Duty Bumper Kit, Workman MD/MDX/MDE Utility Vehicle (Part number 07329)
Heavy-Duty Brushguard and Bumper Kit, Workman MD/MDX/MDE Utility Vehic (Part number 07338)
Sliding Window Door Kit, Workman MD/MDX/MDE Utility Vehicle (Part number 07352)
Fixed Window Door Kit, Workman MD/MDX/MDE Utility Vehicle (Part number 07353)
Electric Bed Lift Kit, 2011 and After Workman MD/MDX Utility Vehicle (Part number 07381)
WHEEL-5 BOLT (Part number 104-6889)
Heavy Duty AT 489 Rear Tire 24x10.50-10 (Part number 104-7061)
Heavy Duty AT 489 Front Tire 22x9.50-10 (Part number 104-7062)
Lift Wire Harness Kit, Workman MD/MDX Vehicle (Part number 115-7823)
Backup Alarm Kit, Workman MD/MDX Vehicle (Part number 115-7824)
Horn Kit, Workman MD/MDX/HD/HDX/HDX-D Vehicle (Part number 115-7825)
Replacement Front Spring Kit, Workman MD Utility Vehicle (Part number 117-4847)
TIRE & WHEEL ASM (Part number 119-0751)
Tapered Nozzle Kit, Pro Force Debris Blower (Part number 119-6280)
Rectangular Nozzle Kit, Pro Force Debris Blower (Part number 119-6281)
EXT-NOZZLE, STRAIGHT (Part number 119-6282)
EXT-NOZZLE, TAPERED BD (Part number 119-6283)
EXT-NOZZLE, RECTANGULAR BD (Part number 119-6284)
Side Mirror Kit, Workman MD/MDX/MDE Utility Vehicle (Part number 119-9546)
Stake Pocket Adapter Kit, 2011 and After Workman MD Series Utility Veh (Part number 119-9604)
Tie-Down Kit, 2011 and After Workman MD Series Utility Vehicle (Part number 119-9605)
Bed Retrofit Kit, 2010 and Before Workman MD Series Utility Vehicle (Part number 119-9606)
Battery Kit, Workman MD/MDX Utility Vehicle (Part number 119-9680)
Road Light and Homologation Kit, Workman MD Utility Vehicle (Part number 120-5031)
Brake and Signal Light Kit, Workman MD Utility Vehicle (Part number 120-5044)
Pro Force Debris Blower (Part number 44538)
Road-Ready Pro Force Debris Blower (Part number 44539)
Workman MD/MDX/MDE Bed Mount Kit, Pro Force Debris Blower (Part number 44543)
Bed Mount Sound Barrier Kit, Pro Force Debris Blower (Part number 44546)
SCREEN - SPARK ARRESTOR (Part number 94-8157)
-
Model number
07266TC -
Serial number
314000501 - 314999999 -
Product Name
Workman MD Utility Vehicle -
Product Brand
Toro -
Product Type
Vehicles -
Product Series
Workman Series









































